Menu Home

Бесплатная техническая библиотека для любителей и профессионалов Бесплатная техническая библиотека


Радиостанция на 144 МГц, или Как из ничего сделать что-нибудь... (часть 2). Энциклопедия радиоэлектроники и электротехники

Бесплатная техническая библиотека

Энциклопедия радиоэлектроники и электротехники / Гражданская радиосвязь

Комментарии к статье Комментарии к статье

Начало смотрите здесь: "Радиостанция на 144 МГц..."

Блок - схема р. станции:

где: БУ - блок управления; КН - кнопки; ИНД - блок индикации; СЧ - синтезатор частоты; ГУН - генератор управляемый напряжением; TX - выходной каскад передатчика; RX - приемник; МУ - микрофонный усилитель; УНЧ - выходной усилитель НЧ.

Не маловажный вопрос: как запрограммировать процессор и, главное, чем? Конечно, имеется в виду микроконтроллер. Дальнейшее будет касаться только семейства AVR от Atmel, хотя она выпускает и другие микроконтроллеры (типа 8051 Intel, только имеющих на кристалле всякие ЦАПы и пр. девайсы или мощнейшие 16/32 разрядные RISC - процессоры в FPGA исполнении, которые в домашних условиях паять нереально).

Во-первых, вам потребуется знание технического английского языка или хотя бы приличный словарь. Для начала сольем с сайта (atmel.com, atmel.ru), раздел datashits (даташиты бесплатные, кроме бумажных), объем 1,4 Мбайт) описание самого дешевого микроконтроллера AT90S1200, цена на него в г. Новосибирске 120 рублей (наверно тогда на AT90S8515 цена будет 851 рубль :), шучу, обещали в пределах 200 рублей). Процессор приобретал самый дешевый специально, чтобы отладить ядро программы в железе нужны многократные исправления в программе и, соответственно, перезапись FLASH, а количество циклов все-таки ограничено. Хотя, жмотиться не стоило. Описания в формате PDF. Просмотрщик можно слить на большинстве сайтов или с компашки, называется Adobe Acrobat Reader, версия 4.0 весит 5 Мбайт. Программа бесплатная. Почитаем, подумаем, и сольем описания от более емких микроконтроллеров, например AT90S8515.

Характеристики микроконтроллеров:

Микроконтроллер Объем FLASH Объем SRAM Объем EEPROM Порты
AT90S1200 1 Кбайт 0 байт 64 байт 7+8 бит
AT90S2313 2 Кбайт 128 байт 128 байт 7+8 бит
AT90S4414 4 Кбайт 256 байт 256 байт 4 х 8 бит
AT90S8515 8 Кбайт 512 байт 512 байт 4 х 8 бит

Да, FLASH держит гарантировано 1 000 циклов записи, EEPROM 100 000 циклов записи.

Затем сольем описание ассмеблерных команд (мнемоники) (Instruction_set, объем 1,2 Мбайт), т.е. какая команда что делает. Это описание должно быть под рукой.

Затем сольем программу для виртуального моделирования процессов (AVR Studio, объем 3 Мбайт), в нее встроен ассемблер, копмилятор. Универсальная вещь. Очень рекомендуется изучить примеры программирования и построения систем, которые лежат на сайте производителя и в каталоге Appnotes после установки AVR Studio. Программа бесплатная.

Затем сольем программу - программатор, для того чтобы зашить программу во FLASH память процессора и данные в EEPROM. На atmel.com (на atmel.ru тоже есть) есть программа ISP. Но, почему-то она не захотела работать :(, пришлось воспользоваться программой AVReal (брал на chat.ru/~avreal/av114r6.zip, 30 килобайт, как я понял, бесплатная). Но она тоже не смогла нормально работать с моим экземпляром процессора (у меня все не как у людей). Хотя все правльно шьется/читается. Программатор состоит из 5 проводов и разъема, схема в архиве с программой. Э, орел! Не надо разъемы на горячую дергать, LPT порт сожжешь, питание отключать хотя бы от устройства с процессором. Подсказка: а что если запитать от компьютера, там и 5 вольт есть, и 12 вольт и даже двуполярка.

Фирма Atmel выпускает CD-ROM с программами, даташитами и кучей примеров и прочих описаний, стоит он около 200 рублей, но я это только слышал, сам не видел его никогда. Ну русском сайте Atmel есть информация по этому CD-ROM, но какая-то мутная.

Вот. Как программировать? Сначала стираем FLASH, затем пишем в нее новый my_programm.hex и my_data.hex, EEPROM стирать не нужно, только запишите туда данные, он сам перед этим сотрется. Затем запустим верификацию.

Теперь подумаем, о аппаратном обеспечении, что на какую ногу вешать. Схема не приводится, она простая - лень рисовать, а сканировать рисунок от руки на бумажке стыдно. Вот описание по выводам.

1 RESET, сброс процессора, идет на программатор, можно повесить электролитический конденсатор на 10 мкф на массу
2 D0, кнопка “TX”, сюда же впаян катод диода
3 D1, кнопка “UP”, сюда же впаян катод диода
4 XT2, Кварцевый резонатор
5 XT1, Кварцевый резонатор или внешние тактовые испульсы
6 INT0/D2, вход прерывания, сюда подключены аноды клавиатурных диодов
7 D3, кнопка “DOWN”, сюда же впаян катод диода
8 D4, кнопка “SCAN”, сюда же впаян катод диода
9 D5, кнопка “MEM”, сюда же впаян катод диода
10 GND, земля
11 D6, вход шумоподавителя
12 AIN0/B0, у меня не задействован, можно что-нибудь повесить, потом
13 AIN1/B1, тактовые импульсы для дисплея
14 B2, сигнал записи для синтезатора
15 B3, тактовые импульсы для синтезатора
16 B4, данные для синтезатора и дисплея
17 MOSI/B5, подключение программатора, у меня не задействован
18 MISO/B6, подключение программатора, у меня не задействован
19 SCK/B7, подключение программатора, у меня не задействован
20 V+, напряжение питания

Кнопки замыкаются на массу. Кварцевый резонатор с конденсаторами обвязки и провода для ISP подключены по схемам приведенным в фирменной документации. Тактовые импульсы можно снимать с генератора в синтезаторе, но учтите рабочую частоту AVR, они работают либо до 4 МГц, либо до 12 МГц. Кстати, шины данных и стробирования индикатора и синтезатора можно объеденить, т.к. перезапись информации во внутренний регистр синтезатора производится по специальному выводу. Т.е. при нехватке выводов порта вешаем все в кучу, выводим информацию в синтезатор, защелкиваем, а потом пихаем данные на дисплей.

Ну чтож, настал самый ответственный момент: написание программы, язык - ассемблер. Итак: выведем данные на индикатор, выведем данные на дисплей и заснем выключив тактовый генератор. Это чтобы процессор сканируя клавиатуру/индикатор не создавал лишний шум. Когда мы нажмем на кнопку низкий уровень через диод попадет на вход прерывания, процессор проснется и начнет исполнять процедуру обработки внешнего прерывания. В ней посмотрим какая кнопка нажата и сделаем что-то, например, увеличим частоту на один шаг. Затем выведем новые данные в синтезатор и на дисплей. Все, вернем управление основной программе, она снова усыпит процессор. Не забудьте, что при переходе с приема на передачу нужно изменить коэффциент деления синтезатора на значение равное промежуточной частоте (ПЧ у меня равна 10,7 МГц), индикацию можно не трогать и процессор можно не усыплять. Подробнее читайте исходник, самый минимум был написан и отлажен буквально за два дня. Отладка программы производится на компьютере (AVR Studio, если будут вопросы по ней, пишите, подумаем).

Интерфейс. Программа на текущий момент поддерживает: только кнопки “шаг вверх”, “шаг вниз” при шаге 25 кГц. В будущем: включение/выключение репитерного разноса, причем как -600 кГц, так и +600 кГц; индикация уменьшения/увеличения частоты работе на передачу с разносом; сканирование вверх или вниз по частоте, по каналам памяти (выбор по кнопке “UP”, “DOWN”, остановка по открытию шумоподавителя); запись/чтение ячеек памяти; валкодер, переключение сеток. Но, боюсь, все в 1 килобайт не поместится. Ну и совсем уже для крутости: прямой набор частоты на 10-ти кнопочной клавиатуре.

исходник с комментариями

Это был первый вариант. А вот второй. Подключить синтезатор к LPT порту вместо процессора. Схема нужна? Что слабо придумать? Ладно, у меня вот так было при отладке синтезатора:

Нога LPT Куда в синтезаторе
2. D0 данные
3. D1 строб
4. D2 импульс перезаписи

Ничего не согласовывал, все уровни получились ТТЛ. Ну и маленькая программка на ассемблере, которая выводит данные и выходит в ДОС. Можно продвинуться дальше, нарисовать виртуальную панель управления и завести на LPTшник сигнал шумоподавителя для остановки сканирования, ну я такую цель не преследовал. Но вполне реально, берите DOS, Windows, OS/2, *NUX и пишите под нее, можете даже аудиотракт звуковой карты использовать в качестве микрофоного / выходного усилителя. Чем черт не шутит, глядишь и русский WinRadio появится, но я этим (пока) заниматься не буду.

Экранировать все-таки желательно и кварц ставить нечетный (типа 3,698 МГц), а то при сканировании возникнет куча пораженок, ведь при сканировании процессор активен. Есть такая мысль: приемник и ПЧ - НЧ тракт с одной стороны, с другой стороны ГУН и выходной каскад передатчика (у меня КТ610, 200 мВт), а процессор и индикация с кнопками на передней панели р. станции. Вот только непонятно куда поставить синтезатор, с одной стороны не нужны длинные провода, а с другой стороны помеха от его кварца. Есть такая мысль: синтезатор расположить около ГУН, а кварц греть в металлической коробочке с пенопластовым наполнением. И все это упихать в корпус от китайской магнитолы, или автомобильной СиБи-шной р. станции.

Индикация с последовательным вводом информации на трех 561ИР2. ИР-ки приклеены к индикатору, все соединения проводами. Индикатор с общим плюсом при всех зажженных элементах (`888) потребляет 60 мА при питании 5 вольт. Сам индикатор подключен к питанию через токоограничительный резитор на +5 вольт, но при желании (или недостаточной яркости) можно повесить на +9 или даже +12 вольт. Следите за выходными токами микросхем (5 мА на вывод), хоть RA9UCN (Владимир, Мариинск) и клянется, что все работает, но мне как-то не по себе от троекратной перегрузки в его конструкции. Для справки: RA9UWD (Игорь, Яя) питал индикаторы от 6 вольт и грел ИР-ки до 70 градусов, ничего не выгорело. ИР-ки питаются у меня от +5 вольт. Если критично энергопотребление, можно модифицировать программу, чтобы через 5 - 6 секунд после изменения показаний тушила индикацию. Чтобы зажечь элемент нужно вывести логический “0”, чтобы не зажигать - логический “1” и простробировать. 8 импульсов на каждую цифру, так как индикаторы 7-ми разрядные, оставшийся разряд старшей микросхемы повесим на “`”, оставшиеся два свободных можно повесить индикацию разноса (на этом китайском индикаторе куча светящихся точек, они в магнитоле диапазон указывали). Если честно, то для индикации достаточно 2 ИР-ок: апостроф (144/145) вешается на свободный вывод старшей цифры, последняя цифра “5” или “0”, через диоды вешается на свободный вывод средней микросхемы. Или можно номер канала индицировать, их всего 80. Ну это если с ИР2 совсем напряг. Если у индикатора общий вывод садится на массу - не беда, проинвертируем поток данных, можно аппаратно, а проще в программе перешить знакогенератор (один хрен он в EEPROM хранится). После вывода информации на индикатор о нем можно забыть. Скорость вывода - до 2 МГц, быстрее 561ИР2 начинают сбоить. Один товарищ обещает подарить ЖКИ с контроллером, однако я его поставлю.

Кстати о питании: синтезатор, блок управления - 5 вольт (КРЕН5, можно повесить на каждый блок, сейчас есть в малогабаритном исполнении, ну прям как КТ209); приемник, микрофонный усилитель (половина К157УЛ?, динамический микрофон), ГУН - 9 вольт (буржуйский КРЕН); выходной каскад передатчика (на одном транзисторе :), УНЧ (К174УН14) - 13,8 вольт.

Маленькое замечание по оконечнику. Первый транзистор после ГУНа можно запитать от +9 вольт, а следующие каскады от +12 вольт. Модуляция частотная (или немножко фазовая), транзисторы, естественно, работают в режиме С.

Кнопки любые 4 штуки, хорошо подходят буржуйские малогабаритные от той-же китайской магнитолы. Можно использовать механический вал-кодер, есть крутящиеся свободно, а есть переключатели с четко ограниченным углом поворота ручки. Такие стоят на дешевых СиБи-шных станциях. Возможно потом поставлю оптический вал-кодер из мышки.

И, не смотря на заверения RA9UWD (Яя, Игорь), использование простого (не термокомпенсированного) кварца в синтезаторе не привело к заметному уходу частоты при комнатной температуре (около +20 град. С). Конечно, если поднести горячий паяльник к кварцевому резонатору, то частота убегала на 100 - 120 герц (кварц на 10 МГцбыл выдран из дохлого контроллера HDD) на частоте 145 МГц. Кстати, Alinco-DJ191 убегает аналогично если из теплой квартиры (около +20 град. С) выходишь на улицу (-35 град. С). Это не очень заметно на слух при работе голосом. Если стабильность нужна больше (работа цифрой), то можно поставить кварц с подогревом в вакууме, использующийся в синтезаторе “Маяка”, но прийдется пересчитать коэффициенты деления (там кварц на 2 МГц). Или посмотреть как сделано в “Ангаре”, там и термокомпенсация и супер стабилизация питания.

SMD резисторы и блокировочные емкости брал с контроллера с дохлого CD-ROM. Надписи можно расшифровывать, а можно и Ц-шкой померить. Резистор в цепи питания микросхемы (вывод ?) ставить обязательно! Он нужен для устранения тиристорного эффекта. Микросхема использована в стандартном включении, SMD исполнение. Если на вывод ? повесить светодиод, то при пошаговой трассировке отладочной программы было видно, что за данные вываливаются из регистра синтезатора. На первом прогоне там “0”, а при последующих выгоняется предыдущая информация.

ГУН от “Маяка” в металлическом корпусе, залитом пенопластом. RA9UWD (Яя, Игорь) будет делать свой ГУН, он хочет в кварцованную мобильную “Виолу” поставить однокристальный синтезатор и блок управления на AVR (возможно тоже опубликуем). ГУНов делать лучше два для уменьшения фазового шума (см. описание 1015ПЛ2 там заявлена крутизна перестройки 1 МГцна вольт). Каждый ГУН перестраивается в пределах 2 МГц: 144 - 146 МГц и 133,3 - 135,3 МГц. Для примера в Alinco-DJ191 один ГУН перекрывает 174 - 130 = 44 МГц!! Да плюс еще первая ПЧ 21 МГц, итого 21 + 44 = 65 МГц т.е. 20 МГц на вольт или я чего-то не понимаю? Да даже 20 МГцпри 3 вольтах питания это уже много. На “Маяковских” ГУНах напряжение болтается на глазах (мерил цифровой Ц-шкой), а что же тогда у Алинки? Я вообще не понимаю почему :) оно все же работает.

Схема ГУН от “Маяка”:

Радиостанция на 144 МГц. Схема
(нажмите для увеличения)

Сами ГУНы собраны на транзисторах VT1 и VT2 (генератор с общим затвором), через С11 и С12 они нагружены на R10. С которого сигнал через буфер на VT4 подается на выходные усилители VT6 (сигнал идет на приемник и выходной каскад усилителя мощности) и VT7 (сигнал идет на вход микросхемы синтезатора). На транзисторах VT3 и VT5 сделана комутация ГУН, т.е. один работает на прием, другой на передачу. Детали: С1, С2, С4, С6, С13, С18, С19, С20, С21 - 1500 пФ, С3, С5 - 3,6 пФ, С7, С9 - 3,3 пФ, С8, С10 - 15 пФ, С11, С12 - 1 пФ, С14, С15 - 12 пФ, С16 - 22 пФ, С17 - 10 пФ. R1, R7, R8, R10, R13, R16, R18 - 15 кОм R2 - 56 Ом, R3, R4 - 2,2 кОм, R5, R6, R12, R20 - 470 Ом, R9 - 150 Ом, R11 - 1 кОм, R14 - 10 кОм, R15 - 3,9 кОм, R17 - 4,7 кОм, R19 - 180 Ом, R21 - 330 Ом. Варикапы - КВ109, VT1, VT2, VT4 - КП307, VT3, VT5 - КТ315, VT6, VT7 - КТ399.

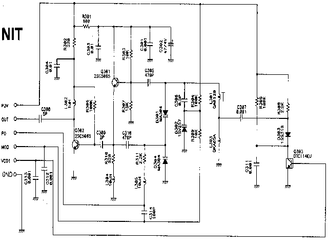
Для примера дана схема ГУН от Alinco-DJ191 (VCO - voltage controlled oscilator, генератор управляемый напряжением):

Радиостанция на 144 МГц. Схема
(нажмите для увеличения)

На Q301 собственно сам генератор, Q302 буферный усилитель, роль Q303 мне неясна, очевидно перетягивает ГУН на другой диапазон шунтируя L303 через С307 на массу. Т.к. емкость С307 (0,001 мкФ) на ВЧ является блокировочной.

Печатные платы изготавливались типа макеток: один блок - одна плата. Стеклотекстолит - односторонний. Ну лень мне их перерисовывать, сканировать... К тому же есть мысль объединить платы блока управления и синтезатора.

Автор: Гимаев Сергей, RW9UAO; Публикация: Н. Большаков, rf.atnn.ru

Смотрите другие статьи раздела Гражданская радиосвязь.

Читайте и пишите полезные комментарии к этой статье.

<< Назад

Последние новости науки и техники, новинки электроники:

Власть является ключевым фактором счастья в отношениях 11.03.2026

Исследования семейных и романтических отношений показывают, что длительное счастье пары зависит не только от привычных факторов, таких как доверие, уважение и преданность, но и от более тонких психологических аспектов. Современные ученые ищут закономерности, которые отличают действительно счастливые пары от остальных, чтобы понять, какие механизмы поддерживают гармонию в отношениях. Группа исследователей из Университета Мартина Лютера в Галле-Виттенберге и Бамбергского университета провела опрос среди 181 пары, которые состояли в совместных отношениях более восьми лет и прожили вместе хотя бы месяц. Участники заполняли анкету, описывая различные аспекты своих отношений, включая распределение обязанностей, эмоциональную поддержку и степень вовлеченности в совместные решения. Анализ данных показал интересный паттерн: пары, где оба партнера ощущали высокий уровень личной власти, оказывались наиболее счастливыми и удовлетворенными. В данном контексте под властью понимается способност ...>>

Защищенная колонка-повербанк Anker Soundcore Boom Go 3i 11.03.2026

Компания Anker представила новую модель линейки Soundcore - колонку Soundcore Boom Go 3i, ориентированную на активное использование на улице. Новинка отличается высокой степенью защиты: корпус соответствует стандарту IP68, что обеспечивает водо- и пыленепроницаемость, а ударопрочный дизайн выдерживает падение с высоты до одного метра. За качество звука отвечает 15-ваттный драйвер, обеспечивающий пик громкости до 92 дБ, а технология BassUp 2.0 усиливает низкие частоты, делая звучание более насыщенным. Колонка обладает автономностью до 24 часов, а LED-индикатор позволяет контролировать уровень заряда батареи. Кроме того, Soundcore Boom Go 3i может выполнять функцию павербанка: согласно внутренним тестам, устройство способно зарядить iPhone 17 с нуля до 40% за один час, что делает его полезным аксессуаром в походах и поездках. Среди функциональных особенностей модели стоит выделить технологию Auracast, которая улучшает подключение и позволяет создавать стереопару из двух колонок ...>>

Раннее воздержание от алкоголя перестраивает мозг и иммунитет 10.03.2026

Алкогольная зависимость - хроническое расстройство с компульсивным употреблением спиртного, которое влияет не только на поведение, но и на функционирование мозга и иммунной системы. Недавние исследования показали, что даже на ранних этапах воздержания организм начинает перестраиваться, открывая новые возможности для терапии зависимости. Ученые сосредоточились на пациентах, находящихся в первые недели абстиненции, и зафиксировали значительные изменения в мозговой активности. С помощью функциональной магнитно-резонансной томографии они выявили перестройку сетей нейронных связей, отвечающих за контроль импульсов и принятие решений. Эти изменения могут быть ключевыми для восстановления самоконтроля и снижения риска рецидива. Одновременно с нейронной перестройкой исследователи наблюдали колебания иммунной системы. В крови повышался уровень цитокинов - сигнальных белков, регулирующих воспалительные процессы. Эти данные свидетельствуют о существовании нейроиммунного взаимодействия, при ...>>

Случайная новость из Архива

Ноутбуки с HDD исчезнут из магазинов Западной Европы 20.02.2020

Снижение цен на твердотельные накопители достигло уровня, после которого нет смысла думать о конфигурации ноутбука с жестким диском в качестве основного накопителя. Значимую роль в этом сыграло двухгодичное снижение цен на флеш-память. Поэтому к концу года новых моделей ноутбуков с HDD в продаже больше не будет. Но этот прогноз пока только по Западной Европе.

Согласно данным аналитической компании Context, использование SSD в качестве основного накопителя в новых компьютерах в четвертом квартале 2019 года достигло уровня 90,6 %. Это касается ноутбуков, десктопов и рабочих станций, о чем сообщили источники из каналов продаж в Западной Европе. Тем самым жесткие диски можно было обнаружить только в 9,4 % систем, поставленных и проданных в этом регионе.

Объем проданных за этот период ноутбуков с накопителями SSD достиг 93,3 %. Для сравнения, в 2017 году SSD в качестве основного накопителя были установлены только в 66,7 % мобильных систем. Удивительно, но адаптация SSD в настольных системах также оказалась на высоте. Если в 2017 году SSD были установлены как основные в 48,5 % десктопов, то в четвертом квартале 2019 года доля таких конфигураций выросла до 82 %.

Быстрее всего жесткие диски вымываются из компьютеров в "нордических" странах. Так, к концу 2019 года в Нидерландах было продано только 2 % новых систем с жесткими дисками. За ними следует Германия, где SSD были в 93,4 % систем (6,7 % с HDD). Завершает тройку Великобритания с долей компьютеров с HDD на уровне 9,9 % систем. На юге Европы эта тенденция происходит медленнее. Там доля систем с SSD составила в среднем 85 %.

Это стало следствием резкого снижения стоимости хранения одного гигабайта данных на SSD в 2019 году. Это позволило поставщикам продавать конфигурации SSD по конкурентоспособным ценам, докладывают аналитики Context. С другой стороны, услуги онлайн-хранилищ становятся дешевле, а использование потоковых онлайн-сервисов становится более распространенным, что снижает потребность в локальных накопителях большой емкости.

Наконец, что немаловажно, потребители распробовали преимущества SSD и готовы доплачивать за них. На этих основаниях аналитики предсказывают, что к концу 2020 года в Западной Европе новых ноутбуков с HDD больше не будет. Вероятнее всего, к концу 2021 года не станет настольных ПК с жесткими дисками. В то же время, напомним, речь идет о накопителях для загрузки системы и приложений. В качестве вторичных накопителей жесткие диски еще не скоро сойдут со сцены.

Другие интересные новости:

▪ Разлокировка смартфона при помощи уха

▪ Реет старый буревестник

▪ Подзаряжаемый гибрид Hyundai Sonata

▪ Физкультура сберегает хромосомы

▪ Почему мужчины не любят ходить к докторам

Лента новостей науки и техники, новинок электроники

 

Интересные материалы Бесплатной технической библиотеки:

▪ раздел сайта Жизнь замечательных физиков. Подборка статей

▪ статья Цифровой видеоархив для дома. Искусство видео

▪ статья Как мы запоминаем? Подробный ответ

▪ статья Обвальщик мяса и жиловщиков мяса и субпродуктов. Типовая инструкция по охране труда

▪ статья Arduino. Подключение простейших датчиков. Энциклопедия радиоэлектроники и электротехники

▪ статья УКВ тюнер на микросхеме К174ХА34. Энциклопедия радиоэлектроники и электротехники

Оставьте свой комментарий к этой статье:

Имя:


E-mail (не обязательно):


Комментарий:





Главная страница | Библиотека | Статьи | Карта сайта | Отзывы о сайте

www.diagram.com.ua

www.diagram.com.ua
2000-2026