Бесплатная техническая библиотека
Мостовые усилители мощности. Часть вторая, двухканальная. Энциклопедия радиоэлектроники и электротехники

Энциклопедия радиоэлектроники и электротехники / Усилители мощности транзисторные
Комментарии к статье
В этой части рассмотрим парочку двухканальных бриджампов.
Вообще говоря, двухканальные микросхемы экономят наше время, место и деньги. Но за это приходится платить повышенным нагревом микросхемы, пониженным КПД и меньшей выходной мощностью.
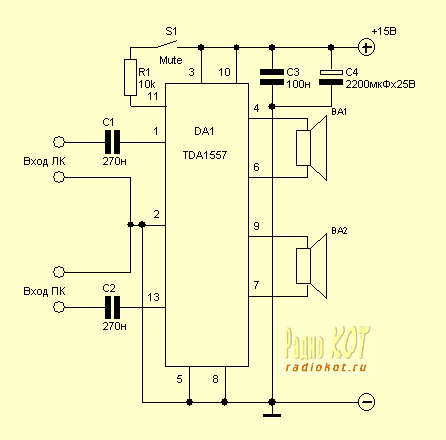
Начнем с микросхемы TDA1557Q от Philips Semiconductors.
Это мостовой усилитель, класса АВ. Как обычно, имеет защиту от короткого замыкания выхода и перегрева. Реализован режим Mute.
Основные характеристики следующие:
| Напряжение питания, В |
8...18(тип. 14,4) |
| Потребляемый ток отсутствие сигнала, мА |
80 |
| Входное сопротивление, кОм |
30 |
| Максимальная выходная мощность(КГ=10%), Вт: |
22 |
| Номинальная выходная мощность(КГ=0.5%), Вт: |
17 |
| Диапазон воспроизводимых частот, Гц |
20...15000 |
Схема включения

Микросхема выпускается в корпусе DBS13P - это такой, знаете, с двумя полудырками на боках.
Следующий!
Дальше мы вытащим на свет божий довольно древнюю, но тем не менее вполне приличную микросхему TA8210 производства компании Toshiba. Мостовой усилитель, имеет защиту от короткого замыкания на выходе, от замыкания выхода на землю и плюс питания. Так же, имеется защита от перегрева. Реализованы функции Mute и StandBy.
Основные характеристики следующие
| Напряжение питания, В |
9...18(тип.14.4) |
| Потребляемый ток отсутствие сигнала, мА |
120 |
| Входное сопротивление, кОм |
30 |
| Максимальная выходная мощность(КГ=10%), Вт: |
22 |
| Номинальная выходная мощность(КГ=0.5%), Вт: |
15 |
| Диапазон воспроизводимых частот, Гц |
20...20000 |
Схема включения

Микросхема сделана в корпусе HZIP17-P - примерно то же, что и предыдущий корпус, только полудырки по бокам немного другой формы.
Ну пока хватит, а мы перейдем к 4-х канальным усилителям
Публикация: radiokot.ru
Смотрите другие статьи раздела Усилители мощности транзисторные.
Читайте и пишите полезные комментарии к этой статье.
<< Назад
Последние новости науки и техники, новинки электроники:
Оптимальная продолжительность сна
12.11.2025
Сон играет ключевую роль в поддержании здоровья, когнитивных функций и общего самочувствия. Несмотря на широко распространенный стереотип о восьмичасовом сне, последние исследования показывают, что оптимальная продолжительность сна для большинства здоровых взрослых ближе к семи часам.
Эволюционный биолог из Гарварда, Дэниел Э. Либерман, утверждает, что традиционная норма восьми часов сна - это скорее культурное наследие индустриальной эпохи, чем биологическая необходимость. По его словам, полевые исследования, проведенные в сообществах, не использующих электричество, показывают, что средняя продолжительность сна составляет 6-7 часов, что значительно отличается от общепринятого стандарта.
Современные эпидемиологические данные подтверждают этот взгляд. Исследования выявили так называемую "U-образную кривую" зависимости между продолжительностью сна и рисками для здоровья. Минимальные показатели заболеваемости и смертности наблюдаются именно у людей, спящих около семи часов в сутки. ...>>
Дефицит кислорода усиливает выброс закиси азота
12.11.2025
Парниковые газы играют ключевую роль в изменении климата, а закись азота (N2O) - один из наиболее опасных среди них. Этот газ не только втрое сильнее углекислого газа в удержании тепла, но и разрушает озоновый слой. Недавнее исследование американских ученых показало, что микробы в зонах с низким содержанием кислорода активно производят N2O, усиливая глобальные климатические риски.
Команда из Университета Пенсильвании изучала прибрежные воды у Сан-Диего и провела наблюдения на глубинах от 40 до 120 метров в Восточной тропической северной части Тихого океана - одной из крупнейших зон дефицита кислорода. Исследователи сосредоточились на том, как морские микроорганизмы превращают нитраты в закись азота.
В ходе работы выяснилось, что существует два пути образования N2O. Один путь начинается с нитрата, другой - с нитрита. На первый взгляд более короткий путь должен быть эффективнее, однако микробы, использующие нитрат, продуцируют больше газа, поскольку этот "сырьевой" источник более д ...>>
Омега-3 помогают молодым кораллам выживать
11.11.2025
Сохранение коралловых рифов становится все более актуальной задачей в условиях глобального изменения климата. Молодые кораллы особенно уязвимы на ранних стадиях развития, когда стрессовые условия и нехватка питательных веществ могут привести к высокой смертности. Недавнее исследование ученых из Технологического университета Сиднея показывает, что специальные пищевые добавки способны существенно повысить выживаемость личинок кораллов.
В ходе работы исследователи разработали особый состав "детского питания" для коралловых личинок. В него вошли масла, богатые омега-3 жирными кислотами, а также важные стерины, необходимые для формирования клеточных мембран. Личинки, получавшие эти добавки, развивались быстрее, становились крепче и демонстрировали более высокую устойчивость к стрессовым факторам.
Особое внимание ученые уделили липидам. Анализ показал, что личинки активно усваивают эти вещества, что напрямую влияет на их жизнеспособность. Стерины, содержащиеся в корме, повышают устойчи ...>>
Случайная новость из Архива Отказ от ужина не помогает похудеть
30.05.2025
Вопрос о том, насколько полезно пропускать ужин для похудения, давно вызывает споры как среди специалистов, так и среди широкой аудитории. Многие считают, что отказ от вечернего приема пищи помогает избавиться от лишних килограммов. Однако новое исследование китайских ученых из Медицинского университета Южного Китая ставит под сомнение эту распространенную точку зрения.
В рамках работы ученые наблюдали за почти 140 добровольцами с ожирением в течение года. Испытуемых случайным образом разделили на две группы. Участники первой группы придерживались ограниченного по времени и калорийности рациона, питаясь исключительно с 8 утра до 4 часов дня. Вторая же группа могла питаться в любое время суток, но при этом строго контролировала суточное потребление калорий.
По итогам эксперимента оказалось, что сокращение калорийности в сочетании с отказом от ужина действительно приводило к снижению массы тела. Однако уровень потери веса практически не отличался от результатов второй группы, где не было ограничений по времени приема пищи, а лишь по количеству потребляемых калорий. Это свидетельствует о том, что ключевым фактором в похудении является именно контроль калорий, а не время приема пищи.
Исследователи подчеркнули, что просто отказ от ужина не является эффективным способом борьбы с лишним весом. Кроме того, многие участники испытывали трудности с соблюдением такого режима: некоторые добровольцы отказались продолжать эксперимент еще до его завершения, несмотря на постоянный контроль со стороны специалистов. По мнению авторов, поддерживать такой режим самостоятельно еще сложнее.
Стоит также отметить предупреждения экспертов о возможных негативных последствиях питания только два раза в день, которое во многом напоминает интервальное голодание. Потерянные таким образом килограммы часто быстро возвращаются, что делает результат кратковременным. Более того, есть риск нарушения работы желудочно-кишечного тракта, а также уменьшения не только жировой, но и мышечной массы, что нежелательно для здоровья в целом.
Таким образом, подытоживают ученые, наиболее эффективным и безопасным методом снижения веса остается именно умеренный контроль калорий и сбалансированное питание, а не просто исключение вечернего приема пищи. Такой подход способствует не только снижению массы тела, но и поддержанию общего здоровья.
В целом исследование из Китая напоминает о том, что простые диетические меры, основанные на модных трендах, не всегда приносят долгосрочный и устойчивый эффект. Чтобы добиться стабильных результатов, необходимо комплексное внимание к рациону и образу жизни, а не акцент на одном лишь отказе от ужина.
|
Другие интересные новости:
▪ Мосты и тоннели Нью-Йорка оборудуют системами распознавания лиц
▪ Будильник Sensorwake Trio будит запахом, светом и звуком
▪ Дверь на дне озера
▪ Рисунок вен на руках для банковских сканеров
▪ Бесшумные самолеты на совиных крыльях
Лента новостей науки и техники, новинок электроники
Интересные материалы Бесплатной технической библиотеки:
▪ раздел сайта Культурные и дикие растения. Подборка статей
▪ статья Программа-максимум. Программа-минимум. Крылатое выражение
▪ статья Кто изобрел барабан? Подробный ответ
▪ статья Работа на вкладочно-швейных машинах. Типовая инструкция по охране труда
▪ статья Стабилизатор напряжения для автомобильного аккумулятора. Энциклопедия радиоэлектроники и электротехники
▪ статья Устройство защиты выпрямителя. Энциклопедия радиоэлектроники и электротехники
Оставьте свой комментарий к этой статье:
Главная страница | Библиотека | Статьи | Карта сайта | Отзывы о сайте

www.diagram.com.ua
2000-2025