Menu Home

Бесплатная техническая библиотека для любителей и профессионалов Бесплатная техническая библиотека


Телевизор SIESTA-J-3128. Энциклопедия радиоэлектроники и электротехники

Бесплатная техническая библиотека

Энциклопедия радиоэлектроники и электротехники / Телевидение

Комментарии к статье Комментарии к статье

Телевизор SIESTA модели J-3128, внешний вид которого показан на рис. 1, - переносный телевизор черно-белого изображения с размером экрана по диагонали 31 см и дистанционным управлением. В нем обеспечено переключение питания от сети переменного тока напряжением 220 (±10%) или 110 (+10%) В и от внешнего источника постоянного тока напряжением 12,6 В (±20%). Потребляемая аппаратом мощность от сети - около 30 Вт, а от автономного источника - не более 18 Вт.

Телевизор SIESTA-J-3128

Чувствительность тракта изображения телевизора, ограниченная синхронизацией, в диапазоне метровых волн (MB) - не хуже (не более) 40 мкВ, а в диапазоне дециметровых волн (ДМВ) - не хуже (не более) 70 мкВ. Номинальная выходная мощность канала звукового сопровождения равна 1 Вт. Габариты (ширина х высота х глубина) телевизора - 330x255x385 мм.

В комплект телевизора входят комнатная антенна и пульт дистанционного управления (ПДУ). ПДУ может управлять аппаратом на расстоянии до 5 м.

Включают телевизор кнопкой, установленной на его лицевой панели. Причем нажатие на кнопку включения сети сразу вызывает рабочий режим аппарата. Кнопками "Р+" или "Р-" можно переключать программы, а кнопками "V+" и "V-" - регулировать громкость звукового сопровождения.

ПДУ содержит ряд кнопок управления и настройки телевизора. Любой из цифровых кнопок переключают программы. Кнопками "Р+" и "Р-" ПДУ переключают программы последовательно по кольцу. Кнопки "V+" и "V-" обеспечивают регулировку громкости звука, а кнопкой со значком в виде перечеркнутой крестом динамической головки ее можно выключить и при повторном нажатии снова включить. Кнопка "Меню" вызывает операции настройки телевизора, а кнопкой "AC off" выключают его.

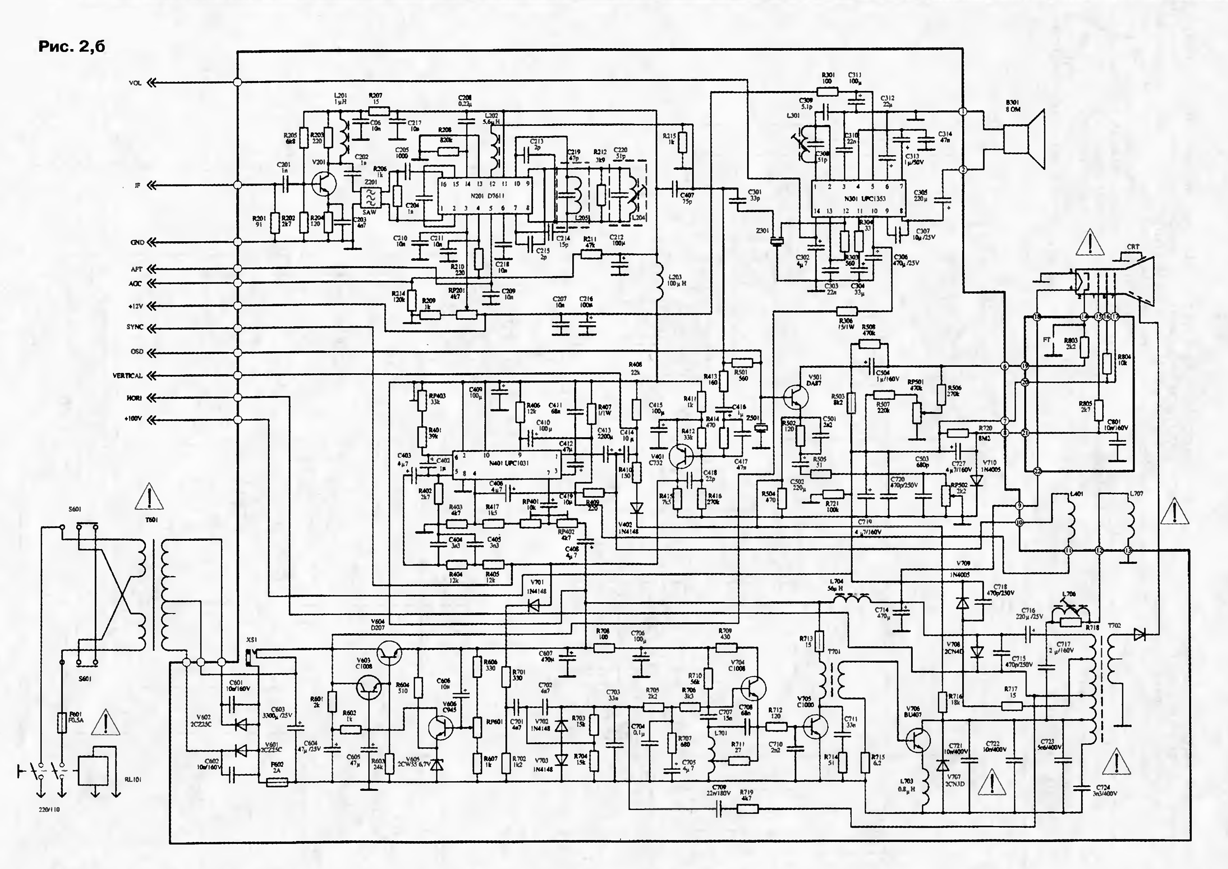
Принципиальная схема телевизора представлена на рис. 2. В нем применен фотоприемник А101 инфракрасного (ИК) излучения с ПДУ. Принятый им сигнал через НЧ фильтр R108С137 поступает на вход (вывод 5) микросхемы N101, первой из пяти примененных в телевизоре микросхем фирмы NEC.

Телевизор SIESTA-J-3128
(нажмите для увеличения)

Телевизор SIESTA-J-3128
(нажмите для увеличения)

Микросхема N101 как декодер команд управления представляет собой микропроцессор со специализированными портами. Каждый порт выполняет отдельную функцию управления телевизором, формируя соответствующие сигналы.

Команда "AC off" приводит к появлению на выводе 27 микропроцессора импульса отрицательной полярности, который через резистор R140 открывает транзистор V110. При этом конденсатор С127 заряжается через эмиттерный переход транзистора V111, открывая его до насыщения. Коллекторный ток транзистора, протекающий через обмотку включенного в его цепь соленоида RL101, вызывает его срабатывание и выключение сетевого питания телевизора.

С кнопок управления SW101 - SW105, расположенных на лицевой панели телевизора, команды поступают через выводы 12, 13, 15-17 микропроцессора на соответствующие порты. В результате обеспечивается переключение программ в прямом (по возрастанию номеров) кнопкой "Р+" и обратном кнопкой "Р-" порядке, управление громкостью звука для увеличения кнопкой "V+" или уменьшения кнопкой "V-" его уровня, а также управление настройкой телевизора кнопкой "Меню".

Через вывод 24, фильтр НЧ R139С125 и цепь C124R138 сигнал, формирующий на экране графические изображения выполняемых команд (OSD), поступает на базу транзистора V501 видеоусилителя. Логические уровни с выводов 38- 40 микропроцессора через соответствующие НЧ фильтры R152C132, R153C131 и R154C130 управляют транзисторами V114-V116 соответственно. Через эти транзисторы необходимые напряжения для включения поддиапазонов поступают на соответствующие выводы селектора каналов.

Для обеспечения синхронизации выводимой на экран информации на выводы 21 и 22 микропроцессора поданы строчные и кадровые импульсы соответственно, снимаемые с выходных каскадов разверток. Амплитуда и полярность строчных импульсов определяется элементами С122, R136, С123, R135 и каскадом на транзисторе V109, а амплитуда и полярность кадровых импульсов - элементами С121, R134, R133, С120 и каскадом на транзисторе V108.

Сигнал опознавания синхронизации, необходимый для автоматической настройки на телевизионные программы, поступает на вывод 6 микропроцессора с каскада на транзисторе V101. Он формирует его из синхроимпульсов, снимаемых с селектора синхроимпульсов на транзисторе V401.

Для работы внутренних генераторов к микропроцессору подключен кварцевый резонатор Х101 на частоту 4 МГц (выводы 7, 8) и П-образный фильтр C114C115L101 (выводы 19, 20).

Вывод 9 микропроцессора предназначен для сброса счетчика программ и задания его нулевого адреса. При поступлении напряжения питания +5 В транзистор V102 открывается и конденсатор С106 начинает заряжаться через резистор R110. Однако в начальный момент напряжение на конденсаторе равно уровню 0 и длительность его действия зависит от постоянной времени зарядки конденсатора. Этим уровнем происходит сброс счетчика программ. После зарядки конденсатора до уровня 1 микропроцессор начнет работать в соответствии с программой его ПЗУ.

Управление громкостью и настройкой телевизора обеспечивается формированием на выходах соответствующих портов сигналов с широтно-импульсной модуляцией (ШИМ). С вывода 35 микропроцессора ШИМ сигнал управления громкостью преобразуется цепью

C128R150 в напряжение регулировки громкости. Через делитель R149R151 и НЧ фильтр R148R160C302 оно воздействует на вывод 14 микросхемы N301.

С вывода 1 микропроцессора сигнал ШИМ управления настройкой, формируемый конденсатором С139 и обостряющей цепью R129C101R102C140C102, поступает на базу транзистора V105. С его коллектора после прохождения четырехзвенной RC-цепи R104- R107C103- С105С138 он преобразуется в напряжение управления настройкой селектора каналов. Напряжение питания на транзистор V105 подано через резистор R103 со стабилизированного источника на стабилитроне V104, на который через резистор R131 приходит напряжение питания видеоусилителя с конденсатора С719.

Для хранения информации о настройках в течение длительного времени даже при отсутствии питающего напряжения в телевизоре применено энергонезависимое программируемое постоянное запоминающее устройство - микросхема N102, подключенная к микропроцессору через выводы 32, 33.

В телевизоре использован всеволновый селектор каналов производства одной из стран Юго-Восточной Азии, обеспечивающий прием каналов вещательного телевидения в диапазонах MB (VHF) и ДМВ (UHF).

Принятые антенной радиосигналы, проходя через селектор каналов, преобразуются в сигнал промежуточной частоты (ПЧ). Этот сигнал ПЧ с выхода IF селектора через конденсатор С201 поступает на предварительный усилитель ПЧ, собранный на транзисторе V201. Его входное сопротивление обеспечивает режим согласования с выходом селектора каналов в полосе ПЧ. Предварительный усилитель компенсирует ослабление сигнала ПЧ в следующем за ним фильтре на ПАВ Z201. Фильтр формирует АЧХ усилителя ПЧ изображения (УПЧИ) с заданными нормами затухания в полосе подавления паразитных сигналов и требуемой полосой пропускания сигнала ПЧ. Достоинствами таких фильтров можно назвать стабильность АЧХ в полосе пропускания УПЧИ и повторяемость их при изготовлении.

Основное усиление сигналов ПЧ происходит в микросхеме N201, которая содержит основной УПЧИ, видеодемодулятор, работающий в режиме синхронного детектирования (СД), демодулятор СД сигнала автоматической подстройки частоты гетеродина (АПЧГ) с усилителем постоянного тока напряжения ошибки, предварительный видеоусилитель и устройство автоматической регулировки усиления (АРУ).

Сигнал ПЧ проходит через выводы 1, 16 в микросхему, где усиливается в УПЧИ и детектируется видеодемодулятором. Внутри микросхемы полученный видеосигнал приходит на предварительный видеоусилитель.

Режим фазовых соотношений работы видеодемодулятора СД задан первым образцовым контуром L204C220R212, подключенным к выводам 8 и 9 микросхемы N201. Второй образцовый контур L205C219C213-С215, подключенный к выводам 7, 10 микросхемы N201, обеспечивает фазовые соотношения демодулятора СД системы АПЧГ. В нем частота сигнала ПЧ сравнивается с частотой настройки образцового контура и вырабатывается напряжение ошибки, пропорциональное разности этих частот. Значение и знак напряжения ошибки определяются отклонением частоты гетеродина в селекторе каналов от номинальной. Система АПЧГ поддерживает частоту гетеродина селектора каналов с точностью, определяемой остаточной расстройкой в петле регулирования. Для изменения частоты гетеродина до значения остаточной расстройки напряжение ошибки с выхода усилителя постоянного тока через вывод 5 микросхемы N201 и цепь C209R128 поступает на эмиттерный повторитель на транзисторе V107, с выхода которого он проходит на вход микропроцессора N101 (вывод 18). В микропроцессоре напряжение ошибки суммируется с напряжением настройки селектора каналов в режиме формирования сигнала ШИМ, поступая на выход 1 микропроцессора.

Видеосигнал внутри микросхемы N201 приходит также на устройство АРУ, которое имеет два выхода. Через один из них в микросхеме напряжение АРУ воздействует на основной УПЧИ. Последний представляет собой трехкаскадный дифференциальный усилитель с регулируемой эмиттерной обратной связью, по цепи которой обеспечивается основное непосредственное регулирование усиления канала изображения.

На другом выходе (вывод 4 микросхемы) устройства АРУ формируется напряжение управления усилением селектора каналов. Оно через фильтр R210C119 поступает на селектор. Напряжение АРУ на него, в отличие от напряжения АРУ основного УПЧИ, воздействует в режиме задержки, при котором регулирование усиления селектора начинается с некоторого уровня радиосигнала на его антенном входе. Задержку устанавливают через вывод 3 микросхемы N201 напряжением с движка переменного резистора RP201. Постоянная времени АРУ задана цепью R208C208 через вывод 14 микросхемы.

Усиленный полный видеосигнал, содержащий собственно видеосигнал с синхроимпульсами и сигнал второй ПЧ звука, получается на выводе 12 микросхемы N201. Через цепь ВЧ коррекции L202R215C407, резистор R501 и режекторный пьезокерамический фильтр Z501, подавляющий сигналы второй ПЧ звука, он поступает на базу транзистора V501 выходного видеоусилителя с элементами ВЧ коррекции R502, С501, R505, С503. Напряжение питания видеоусилителя формируется выпрямлением импульсов, снимаемых со строчного трансформатора Т702 через резистор R717, диодом V709 и конденсатором С719. Нагрузка видеоусилителя - резистор R503. Через цепь C504R508 и резистор R803 видеосигнал приходит на катод кинескопа.

Переменным резистором RP502, входящим в цепь эмиттерной обратной связи видеоусилителя R502C501 - C503R505RP502, можно изменять усиление каскада, т. е. контрастность изображения. Яркость регулируют переменным резистором RP501. С его движка напряжение поступает через резистор R506 на катод кинескопа, задавая его режим по постоянному току. Для гашения луча во время обратного хода по вертикали и горизонтали на эмиттер транзистора V501 поданы кадровые (через конденсатор С414, резистор R410 и диод V402) и строчные (через резистор R716) положительные импульсы, закрывающие транзистор.

Из полного видеосигнала, прошедшего через разделительный конденсатор C301, пьезокерамический фильтр Z301 выделяет сигнал второй ПЧ звука, который через выводы 12 и 13 микросхемы N301 приходит на находящийся в ней усилитель-ограничитель. Кроме него, микросхема содержит демодулятор СД звуковых сигналов ЧМ, электронный регулятор громкости и усилитель мощности.

В демодуляторе сигнал ПЧ звука, поступающий с усилителя-ограничителя, детектируется, в результате чего получается сигнал 3Ч. Обеспечивающий фазовые соотношения работы демодулятора образцовый контур L301C308 подключен через выводы 1 и 2 микросхемы. Внутри нее сигнал 3Ч проходит через электронный регулятор громкости, а затем через конденсатор C313, включенный между выводами 4 и 7, - на усилитель мощности. Регулировка громкости обеспечивается электронным способом - подачей на вывод 14 микросхемы постоянного регулирующего напряжения.

С вывода 8 микросхемы N301 через разделительный конденсатор C305 усиленный сигнал 3Ч приходит на динамическую головку В301 с номинальным сопротивлением 8 Ом. Через вывод 6 микросхемы к усилителю мощности подключен развязывающий конденсатор C312, через вывод 9 - корректирующий конденсатор обратной связи C307.

Полный видеосигнал через цепь R413C416R414C417 подан также на базу транзистора V401, на котором собран селектор синхроимпульсов. Режим транзистора подобран таким, что он открывается только синхронизирующими импульсами, которые выделяются на его нагрузке - резисторе R415.

Для выделения кадровых синхроимпульсов включен двухзвенныи фильтр НЧ R405C405R404C404, в котором отфильтровываются строчные синхроимпульсы. Выделенные кадровые синхроимпульсы через конденсатор С403 и вывод 5 микросхемы N401 синхронизируют генератор кадровых импульсов, находящиися в микросхеме. Кроме того, она содержит генератор пилообразного напряжения и выходной каскад кадровой развертки. Задающая цепь генератора кадровых импульсов образована элементами RP403, R401, С402 и подключена к выводам 5 и 6 микросхемы. Подстроечным резистором RP403 устанавливают необходимую частоту кадровой развертки.

Сформированные кадровые импульсы внутри микросхемы синхронизируют генератор пилообразного напряжения. Через выводы 4 и 7 микросхемы, резисторы R417, PR401, конденсатор С419 пилообразное напряжение поступает на выходной каскад кадровой развертки. Подстроечным резистором RP401 изменяют размер изображения по вертикали, а подстроечным резистором RP402, входящим в цепь C408RP402, - линейность.

Усиленные в выходном каскаде кадровые импульсы через вывод 1 микросхемы N401 и разделительный конденсатор С413 приходят на кадровые катушки L401 отклоняющей системы (ОС) кинескопа. Сигнал обратной связи через конденсатор С412 и вывод 3 микросхемы проходит на выходной каскад.

Элементы R406, С410, подключенные к выводу 9 микросхемы, и конденсатор С406, подключенный к выводу 4, обеспечивают обратную связь на каскады кадровой развертки, стабилизируя размер изображения по вертикали.

Строчные синхроимпульсы с коллектора транзистора V401 через цепь V701R701R702C701 проходят на фазовый детектор устройства ФАПЧ (фазовой автоматической подстройки частоты), собранного на диодах V702, V703. Со строчного трансформатора Т702 через цепь R719C709 на фазовый детектор поданы строчные импульсы обратного хода, которые интегрируются конденсатором С703. С устройства ФАПЧ регулирующее напряжение через фильтр R705C704R707C705 и резистор R706 поступает на базу транзистора V704 задающего блокинг-генератора строчной развертки.

Особенность примененного строчного задающего генератора - очень устойчивая работа, не требующая регулировки частоты строк.

В цепи эмиттера транзистора V704 вырабатываются строчные запускающие импульсы, которые через цепь R712C710 приходят на базу транзистора V705 предвыходного каскада строчной развертки. В коллекторную цепь транзистора включена первичная обмотка согласующего трансформатора Т701. Импульсы с его вторичной обмотки управляют эмиттерным переходом транзистора V706 выходного каскада строчной развертки.

К коллектору выходного транзистора подключен выходной строчный трансформатор Т702 непосредственно и строчные катушки L707 ОС через конденсатор С717 и регулятор линейности строк L706. В колебательном контуре, образованном эквивалентной индуктивностью обмоток (трансформатора и строчных катушек ОС) и емкостью конденсаторов С721-С724, происходят колебательные процессы, создающие необходимый отклоняющий ток в строчных катушках. При этом на коллекторе выходного транзистора и выводах обмоток трансформатора формируются мощные строчные импульсы. К коллектору транзистора V706 также подключен демпфирующий диод V707.

На конденсаторе С716, подключенном к первичной обмотке строчного трансформатора, при работе развертки образуется постоянное напряжение вольтодобавки, которое, суммируясь с напряжением источника питания, обеспечивает повышенное напряжение питания выходного каскада.

Строчный трансформатор Т702 содержит выпрямитель анодного напряжения кинескопа. Подбором конденсаторов С722, С723 можно изменять длительность обратного хода строчной развертки, а следовательно, напряжение на аноде кинескопа, т. е. размер изображения по горизонтали.

Режим ускоряющего и фокусирующего электродов кинескопа определяется тем же источником напряжения на диоде V709 и конденсаторе С719, от которого питается и выходной видеоусилитель.

Элементы С727, R720, V710, R805, С801 обеспечивают необходимый режим работы модулятора кинескопа. Сохраняясь некоторое время после выключения телевизора, напряжение на конденсаторе С727 закрывает кинескоп, предохраняя его экран от прожога.

Напряжение питающей сети поступает на первичную обмотку сетевого трансформатора Т601. С его вторичной обмотки пониженное переменное напряжение выпрямляется двухполупериодным выпрямителем на диодах V601, V602 и конденсаторе С603.

Компенсационный стабилизатор выпрямленного напряжения собран на транзисторах V603. V604, V606 и стабилитроне V605. Регулирующий элемент стабилизатора - транзистор V604 включен последовательно с нагрузкой. Значение выходного напряжения стабилизатора устанавливают переменным резистором RP601.

Телевизор можно питать и от автомобильного аккумулятора, подав с него напряжение через гнездовой соединитель XS1. Вставляемая в него соединительная штыревая часть одновременно механически воздействует на замкнутые при питании от сети контакты, которые при этом разрываются.

Переключатель S601 обеспечивает переключение питания телевизора в зависимости от напряжения в сети: 220 или 110 В.

Телевизор SIESTA-J-3128

Вид телевизора C3ади без задней крышки представлен на рис. 3.

Смотрите другие статьи раздела Телевидение.

Читайте и пишите полезные комментарии к этой статье.

<< Назад

Последние новости науки и техники, новинки электроники:

Токсичность интернета преувеличена 07.01.2026

Социальные сети нередко воспринимаются как арена постоянной агрессии, оскорблений и распространения фейковой информации. Новое исследование Стэнфордского университета показывает, что реальность значительно отличается от популярного представления: интернет гораздо менее токсичен, чем многие пользователи считают. Ученые опросили более тысячи американцев, попросив их оценить долю пользователей соцсетей, которые ведут себя агрессивно или распространяют ненависть. Оказалось, что впечатления людей сильно преувеличивают масштабы проблемы. Например, респонденты считали, что почти половина пользователей Reddit хотя бы раз оставляла оскорбительные комментарии, тогда как фактические данные платформы показывают, что таких людей не более 3%. Аналогичная ситуация наблюдается с дезинформацией. Опрос показал, что большинство участников считали почти половину аудитории Facebook распространителями фейковых новостей, однако статистика говорит об обратном: фактическая доля таких пользователей состав ...>>

Процессоры Ryzen AI 400 07.01.2026

Современные вычисления все больше ориентируются на интеграцию искусственного интеллекта и высокую производительность в компактных устройствах, таких как ноутбуки и мини-ПК. Новая линейка процессоров AMD Ryzen AI 400 демонстрирует, как разработчики объединяют мощные центральные ядра, графику и нейросетевые ускорители в одном чипе, чтобы удовлетворять растущие потребности пользователей в играх, контенте и ИИ-приложениях. AMD представила процессоры серии Gorgon Point, которые включают до 12 ядер Zen 5 и до 24 потоков вычислений. Чипы поддерживают интегрированную графику RDNA 3.5, обеспечивают максимальную тактовую частоту до 5,2 ГГц и имеют энергопотребление от 15 Вт до 54 Вт. Особое внимание уделено NPU, способному обрабатывать до 60 триллионов операций в секунду (TOPS), что делает эти процессоры эффективными для задач с искусственным интеллектом. Конструкция Ryzen AI 400 сочетает ядра Zen 5 и Zen 5c, обеспечивая высокую гибкость и производительность. Несмотря на то, что архитектур ...>>

Женщины лучше распознают признаки болезни по лицу 06.01.2026

Способность распознавать, что кто-то нездоров, часто проявляется интуитивно: бледная кожа, опущенные веки, уставшее выражение лица могут сигнализировать о недомогании. Новое исследование международной группы ученых показало, что женщины в среднем точнее мужчин улавливают такие тонкие невербальные признаки болезни, что может иметь эволюционные и социальные объяснения. В отличие от предыдущих работ, где использовались отредактированные фотографии или имитация больных лиц, ученые решили проверить, насколько люди способны распознавать естественные признаки недомогания. Такой подход позволил оценить реальную чувствительность к изменениям в лицах, возникающим при болезни. В исследовании приняли участие 280 студентов, поровну мужчин и женщин. Участникам предложили оценить 24 фотографии, на которых изображены люди как в здоровом состоянии, так и во время болезни. Это дало возможность сравнить восприятие естественных признаков недомогания в реальных лицах. Для анализа состояния каждого ...>>

Случайная новость из Архива

Шимпанзе могут менять свои убеждения 10.11.2025

Понимание того, как формируются убеждения и принимаются решения, традиционно считалось уникальной способностью человека. Однако недавнее исследование показало, что шимпанзе обладают способностью пересматривать свои мнения на основе новых данных, демонстрируя уровень рациональности, который ранее считался исключительно человеческим.

Психологи под руководством Ханны Шлейхауф из Утрехтского университета провели серию экспериментов, направленных на изучение метапознания у шимпанзе. Исследователи впервые наблюдали, как эти обезьяны могут взвешивать различные виды доказательств и корректировать свои решения при появлении более убедительной информации.

Экспериментаторы рассматривали рациональность как способность формировать убеждение о мире на основе фактических данных. При поступлении новой информации разумное существо способно сравнивать старые и новые данные и изменять свое мнение, если новые доказательства оказываются более весомыми.

Для экспериментов использовались шимпанзе из заповедника острова Нгамба в Уганде. В пяти различных тестах ученые прятали кусочек яблока и наблюдали, как обезьяны выбирают коробку, опираясь на предоставленные доказательства. Эти доказательства различались по "весу": визуальные наблюдения за кладкой яблока считались убедительными, а звуки или крошки - менее значимыми.

Результаты показали последовательность рационального поведения: когда шимпанзе сначала получали слабые доказательства, а затем сильные, они изменяли свои первоначальные решения. Если же сначала шли сильные доказательства, а затем слабые - убеждения сохранялись. В третьем эксперименте добавление новой неизвестной коробки приводило к тому, что животные выбирали коробку с известными, хоть и слабыми, доказательствами.

Четвертый эксперимент выявил, что шимпанзе способны оценивать новые данные и предпочитают актуальные доказательства дополнительным, даже если последние поддерживают старые предположения. Наиболее впечатляющим оказался пятый эксперимент: когда предыдущие доказательства оказывались ложными - например, яблоко было всего лишь изображением или шумом в коробке - обезьяны корректировали свои решения, отвергая вводящие в заблуждение сигналы.

По словам Шлейхауф, эти наблюдения демонстрируют фундаментальные процессы рациональности у шимпанзе. Они не просто реагируют на стимулы, а могут отслеживать, что знают и как знают это, выявлять ненадежные факты и соответствующим образом корректировать свои действия.

Другие интересные новости:

▪ Стадион вырабатывает электроэнергию

▪ Камера Kodak Mini Shot со встроенным принтером

▪ Мотоциклетный шлем с зеркалами

▪ Сердцу не прикажешь

▪ Монитор с естественной подсветкой

Лента новостей науки и техники, новинок электроники

 

Интересные материалы Бесплатной технической библиотеки:

▪ раздел сайта Инструмент электрика. Подборка статей

▪ статья Осетрина второй свежести. Крылатое выражение

▪ статья Какой самолет выиграл Битву за Англию? Подробный ответ

▪ статья Муреция пахучая. Легенды, выращивание, способы применения

▪ статья Пылесосы. Энциклопедия радиоэлектроники и электротехники

▪ статья Дуговая печь в двух цветочных горшка. Энциклопедия радиоэлектроники и электротехники

Оставьте свой комментарий к этой статье:

Имя:


E-mail (не обязательно):


Комментарий:





Главная страница | Библиотека | Статьи | Карта сайта | Отзывы о сайте

www.diagram.com.ua

www.diagram.com.ua
2000-2026