Menu Home

Бесплатная техническая библиотека для любителей и профессионалов Бесплатная техническая библиотека


Звук в телевидении. Энциклопедия радиоэлектроники и электротехники

Бесплатная техническая библиотека

Энциклопедия радиоэлектроники и электротехники / Телевидение

Комментарии к статье Комментарии к статье

Владельцы ряда импортных телевизоров не имеют возможности использовать такую функцию аппаратов зарубежного производства, как стереофоническое звуковое сопровождение эфирных и кабельных телевизионных программ. Зачастую только те, кто принимает спутниковые программы, могут оценить его преимущество. О том, как происходит передача телевизионного звука в существующих стандартах и как улучшить его воспроизведение, рассказано в публикуемой статье.

Техническая база отечественного телевидения за последние годы значительно улучшилась. На телецентрах появилась новая техника, используются современные средства и технологии подготовки и ведения передач. Повысилось качество изображения, растет число каналов вещания. Единственная характеристика, не претерпевшая существенных изменений в эфирном и кабельном телевидении, - звуковое сопровождение. Многие десятилетия оно остается монофоническим.

Монофонический звук кажется исходящим из одной точки - громкоговорителя. В телевидении, как и в кино, такой способ воспроизведения вступает в противоречие с изображением. Он приемлем отчасти лишь при показе крупных планов, когда звук должен исходить из центра экрана. При средних и общих планах логически требуется расширение звуковой картины перед зрителем.

Кардинальное улучшение восприятия звуковой панорамы могут обеспечить только многоканальные системы формирования и воспроизведения звука. Это - многочисленные варианты двухканальных стереофонических, четырехканальных квадрафонических, пяти- и более канальных систем объемного звучания. Все они (кроме квадрафонических, пока не нашедших широкого применения) доведены до высокого схемотехнического и качественного уровня, освоены промышленностью и используются во всем мире. С недавнего времени они появились и в нашей стране. Рассмотрим их основные параметры.

Видеомагнитофоны формата VHS простой конструкции воспроизводят звук по одному каналу, а более сложные (класса Hi-Fi) - еще и по двум. Режим, в котором записан звук, обычно указан на видеокассете. Это может быть STEREO, DOLBY STEREO, DOLBY SURROUND (при многоканальном звуке). Отсутствие таких надписей означает монофоническую запись. На носителях, используемых в видеомагнитофонах формата S-VHS и в проигрывателях мини-дисков DVD, записи делают практически всегда с многоканальным звуковым сопровождением. Все эти аппараты обрабатывают аудиосигналы, как правило, по низкой частоте в аналоговой форме, а проигрыватели DVD - и в цифровой.

Телецентры зарубежных стран передают звуковое сопровождение различными способами.

В США используется система BTSC-MTS (Broadcast Television Systems Committee - Multichannel Television Sound - многоканальный телевизионный звук - стандарт Комитета по передающим телевизионным системам). Она представляет собой развитие монофонического телевизионного стандарта NTSC-M, позволившего дополнительно ввести в него многоканальный звук. Система предусматривает модуляцию поднесущей частоты 4,5 МГц не монозвуком, а комплексным стереосигналом (КСС). Структура этого сигнала показана на рис. 1,а. Частота подавленной поднесущей сигнала L-R равна 31,468 кГц, что соответствует второй гармонике строчной частоты, равной в системе NTSC 15,734 кГц. Кроме обычных L+R, L-R, подвергаемых амплитудной (AM) и балансной (БМ) модуляции, и пилот-сигналов, в КСС BTSC-MTS введены еще два дополнительных частотно-модулированных кодированных канала звука на поднесущих 78,67 и 102,27 кГц (для служебного использования). Приемники с монозвуковым трактом воспринимают только сигнал L+R. Аппараты, в которых предусмотрен стереотракт, обрабатывают все сигналы.

Звук в телевидении

В Японии звуковые сигналы также передают в виде КСС (рис. 1,б), но построенного иначе, чем в BTSC-MTS. Поднесущую сигнала L-R не подавляют. Пилот-сигнал тоже передают, но используют только для распознавания режима работы. При передаче стереопрограмм он модулирован тоном частотой 982,5 Гц, при двухканальной (двуязычной) передаче - тоном частотой 922,5 Гц, а в случае моноканала пилот-сигнал не модулирован.

В стандарте PAL-B/G наземного вещания стереосигналы находятся в ПЦТВ на поднесущих 5,5 и 5,742 МГц с ЧМ модуляцией (рис. 1,в). На одной из них передают сигнал L+R, на другой - 2R. Использование сигнала 2R вместо L-R позволяет выровнять шумы в каналах, которые в канале L обычно вдвое больше, чем в канале R. Эта система называется Zweiton. Помимо этого, стереосигнал повторяется в ПЦТВ в цифровой форме закодированным по системе NICAM (Near Instantaneous Companded Audio Multiplex - прямая передача двухканального звука) с использованием ОФМ (относительной фазовой манипуляции).

ПЦТВ PAL-I (рис. 1,г) содержит два одновременно передаваемых сигнала звукового сопровождения: частотно-модулированный аналоговый моносигнал на поднесущей 5,9996 МГц и цифровой стереосигнал на поднесущей 6,552 МГц, закодированный по системе NICAM.

Стереосигнал системы NICAM формируется на телецентре путем дискретизации аналоговых сигналов L и R во времени с частотой выборки 32 кГц и квантования по 256 уровням (8 бит) в каждой выборке. Информацию от обоих каналов передают в общем потоке цифровых данных DQPSK (Digital Quadrature Phase Shift Keying - поток цифровых данных с квадратурным сдвигом фазы) со скоростью 728 кбит/с. Этот поток модулирует поднесущую звука (5,85 МГц в PAL-B/G и 6,552 МГц в РАL-I) методом ОФМ.

В телевизоре поток DQPSK декодируется, преобразуясь в двухканальные аналоговые сигналы L и R. Структура декодера представлена на рис. 2.

Звук в телевидении

В микросхему DD1 из демодулятора ПЦТВ поступает поднесущая звука, модулированная потоком DQPSK и пилот-сигналом с частотой 54,6875 кГц. В микросхеме DD1 поднесущая демодулируется и полученный цифровой поток очищается от помех в цифровом фильтре. Поток DQPSK и пилот-сигнал передаются в декодер DD2. Декодирование заключается в разделении потока DQPSK на цифровые сигналы L и R, а также в разбиении их на группы битов (слова), соответствующие выборкам, Цифро-аналоговые преобразователи в микросхеме DD2 превращают цифровые выборки в импульсы, которые после сглаживания образуют аналоговые сигналы L и R. Одновременно распознается и способ передачи звука. Если пилот-сигнал модулирован частотой 117,5 Гц, то передается стереопрограмма, если частотой 274,1 Гц - два моносигнала, а если не модулирован - один моноканал. Декодер управляется микроконтроллером системы управления телевизора по цифровой шине I2С.

Все рассмотренные системы совместимы с парком монофонических телевизоров.

Телевизионное вещание в спутниковых каналах организовано с передачей сигналов в аналоговой, цифро-аналоговой и цифровой формах.

В аналоговом виде продолжается спутниковое вещание в системах NTSC, PAL, SECAM. В системе SECAM-D/K звуковое сопровождение при этом, как и ранее, остается монофоническим. По спутниковым каналам, в отличие от наземного вещания, оно передается на поднесущих 6,8; 7 или 7,5 МГц.

В системе PAL звуковое сопровождение в аналоговой форме организуется по одному, двум или четырем каналам. В первом случае выбирают одну из поднесущих 6,5; 6,6; 6,65; 6,8; 7; 7,5 МГц. Двух- и четырехканальная передача звука обеспечивается по системе Wegener-Panda 1. Как показано на рис. 1,д, в ней предусмотрено включение в ПЦТВ четырех дополнительных частотно-модулированных звуковых поднесущих 7,02; 7,2; 7,38; 7,56 МГц. Две из них используются для передачи стереозвукового сопровождения телевизионной программы, остальные - для одновременно передаваемых радиовещательных программ. Более подробно о такой системе можно почитать в [1].

В цифровой форме звуковое сопровождение аналогового телевизионного сигнала PAL по спутниковым каналам передают после кодирования по системе NICAM.

В цифро-аналоговой форме телевизионные сигналы используют в системах MAC и MUSE.

Система MAC (Multiple Analog Components - уплотнение аналоговых компонент) представляет собой переходный вариант от аналоговых к цифровым способам передачи телевизионного сигнала по каналам связи. В ней применены аналоговая и раздельная во времени передача сигналов яркости и цветности и цифровая передача сигналов звука и другой информации (сигналов синхронизации, телетекста, служебных сигналов). Обработка их на передающей и приемной сторонах обеспечивается цифровыми методами.

Существует несколько вариантов построения системы: А-МАС, В-МАС, С-MAC, D-MAC, D2-MAC, HD-MAC, HD-B-МАС. Основные различия их заключаются в способах кодирования сигналов, модуляции несущей, числе звуковых каналов.

Сигналы звука из аналоговой формы преобразуются в цифровые после дискретизации их с частотой 32 кГц и квантования с использованием 14 бит в выборке. После этого они в реальном масштабе времени записываются в буферную память, где соединяются с сигналами цифровой информации в пакеты по 751 бит. В течение кадра формируется 162 пакета в системах С-МАС, D-MAC (82 пакета в системе D2-MAC). Во время интервалов гашения пакеты считывают-ся из буферной памяти со скоростью 20,25 МГц порциями по 195 бит в строке (10,125 МГц и 99 бит в системе D2-MAC) и в цифровой форме вводятся в передаваемый телевизионный сигнал.

В системах А-МАС и С-МАС цифровые сигналы помещены на своей подне-сущей 7,25 МГц, при этом в системе А-МАС их передают непрерывно.

Сигналы цифрового пакета представляют собой поток битов, управляющих фазой несущей телевизионного сигнала, которая может принимать два или четыре фиксированных значения.

Система А-МАС - одноканальная. в вариантах B-D может быть организовано до восьми каналов звукового сопровождения.

В приемнике цифровые сигналы звука отделяются от цифровой информации, заносятся в буферную память, из которой считываются для цифро-аналогового преобразования с нормальной скоростью.

Система MAC не выдержала испытание временем. Летом 1999 г. из более чем 5000 спутниковых каналов только 56 работали в стандарте D2-MAC и 20 - в стандарте В-МАС.

Варианты HD-MAC и HD-B-MAC относятся к телевизионным системам высокой четкости (ТВЧ или ТВВЧ) с разверткой на 1250 строк. В них сохранены использованные в предыдущих версиях принципы: цифровой звук и разделенные во времени аналоговые сигналы яркости и цветности. Более подробно о системе MAC написано в[2 и 3].

Система MUSE (Multiple Sub-Nyquist Sampling Encoding - система кодирования с многократной субдискретизацией по Найквисту) разработана и используется только в одном телевизионном канале в Японии. В ней, как и в системе MAC, передаются аналоговые сигналы яркости и цветности с цифровыми сигналами звука и цифровой информа ции. Подобно HD-MAC она представляет собой систему высокой четкости (1125 строк)

Звуковой сигнал в системе MUSE вместе с цифровой информацией передается в интервалах гашения полей изображения с использованием четырехкратной фазовой модуляции несущей при скорости передачи 2,048 Мбит/с. Более подробные сведения о системе содержатся в [3].

Существуют также широко используемые цифровые системы сжатия телевизионной информации MPEG (Moving Picture Experts Group - разработка, выполненная группой экспертов по движущимся изображениям): MPEG-1, MPEG-2, MPEG-4. Их описание дано в [2 и 4].

В телевизионном вещании сжатие информации происходит по системе стандартов MPEG-2, которые используют при развертке до 625 строк. Она состоит из стандартов 20 уровней сложности, позволяющих создавать алгоритмы сжатия информации в системах различного назначения. Звуковая часть стандарта - система информационного сжатия звуковых каналов MUSICAM (MPEG-Audio), позволяющая обрабатывать до шести широкополосных каналов звука высокого качества.

MPEG - это стандарты цифрового телевидения нижнего уровня. Кроме них, существует еще и набор согласованных между собой стандартов, обеспечивающих передачу нескольких телевизионных программ в одном частотном спутниковом (DVB-S), кабельном (DVB-C) или наземном (DVB-T) каналах.

Для решения противоречия между изображением и монозвуком в стационарных телевизорах иногда используют систему "объемное моно", состоящую из двух громкоговорителей, расположенных по бокам экрана. В телевизорах высокого класса к ним добавляют выносные акустические системы (АС).

В аппаратуре зарубежного производства для этой цели используют, как правило, однотипные малогабаритные широкополосные излучатели звука. В телевизорах, выпускавшихся в бывшем СССР, на правой стороне корпуса обычно устанавливали широкополосную головку мощностью 3...4 Вт, а на левой - высокочастотную, меньшей мощности. Оба громкоговорителя параллельно подключали к выходу общего усилителя 3Ч. Звук при этом пространственно расширялся. Одновременно частично достигался псевдостереофонический эффект разделения воспроизводимых частот в пространстве перед зрителем, что улучшало восприятие звуковой картины. Но размещение нескольких излучателей звука в общем открытом корпусе телевизора не могло создать ощутимого расширения звукового объема.

Улучшить качество воспроизведения монофонических программ можно, используя методы моноамбиофонии, когда на один излучатель звуковой сигнал подают без дополнительной обработки, а на другой - после некоторой задержки. Это позволяет улучшить акустические свойства помещения, придав ему желаемую гулкость. Такой способ не нашел широкого применения в монофоническом телевидении и был востребован лишь недавно в системах с многоканальным обьемным звуком.

Можно использовать и другой способ - псевдостереофонию с пространственным разделением частотного спектра звука, подавая низкие частоты на правую АС, а высокие - на левую.

Что касается двухканальных стереофонических систем воспроизведения звука, то существует два основных варианта их построения: простое и расширенное стерео. В первом случае звуковые сигналы, поступившие по каналам L и R. после усиления передаются на АС без дополнительной обработки. Недостаток таких систем хорошо известен - узкая пространственная звуковая панорама развертывается не вокруг слушателя, а перед ним в виде плоской звуковой стены. Попытка расширить ее, разнеся АС, приводит к возникновению в центре звуковой "картины" отчетливо воспринимаемого провала.

Расширенное стерео увеличивает размер стереобазы за счет передачи части сигнала L в канал R, и наоборот. Если передаваемые сигналы подвергаются фазовой и временной обработке (задержке), звуковая панорама может быть существенно расширена и в том случае, когда излучатели звука находятся в общем корпусе на небольшом расстоянии друг от друга.

Существует два основных варианта такой системы: ISS (Incredible Surround Sound - невероятно обьемный звук) и система Qsound. В обоих случаях звуковые сигналы обрабатываются микросхемами - звуковыми процессорами (ЗП), которые обеспечивают регулировку громкости, баланса, тембра ВЧ и НЧ. В них также обрабатываются звуковые сигналы в режимах моно, псевдостерео, простое стерео и расширенное стерео. Появился ряд микросхем, реализующих эти функции. Это - TDA8421/24/25/26, TDA9860/61,

CXA1735AS, LMC1982CIN/CIV с управлением по цифровой шине I2С. К ним можно отнести и процессор TDA3810, выполняющий только режимную обработку сигналов без их регулировки.

ЗП довольно широко используют в телевизорах разных фирм. Так, микросхема TDA8425 установлена в телевизоре TVT-C24F4R и формирует в нем режим псевдостереофонии при приеме Эфирных сигналов системы SECAM-D/K [5]. Она же применена в приемнике PHILIPS-FL [6]. Процессор CXA1735AS работает в цифровом телевизоре PANASONIC- TX-28WG25C (ODD) [7]. Телевизор SONY-KV-28WS4R содержит микросхему MSP3410, в которой объединены функции ЗП и декодера системы NICAM [7].

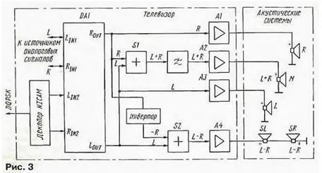
Интересное решение низкочастотной части звукового тракта применено в телевизоре PHILIPS - FL В нем имеется преобразователь двухканального звукового сигнала в пятиканальный с псевдоквадрафоническим алгоритмом преобразования. Его структурная схема изображена на рис. 3.

Звук в телевидении

Из источника аналоговых сигналов или из декодера NICAM стереосигналы L и R поступают в ЗП DA1, из него - непосредственно на усилители 3Ч А1 и A3, а затем - на подключенные к ним AC L и R. Параллельно они приходят на сумматоры S1 и S2, в которых формируются сигналы L+R и L-R. Первый из них через фильтр нижних частот через усилитель А2 проходит на центральную АС М. Сигнал L-R после усилителя А4 поступает на тыловые левую и правую AC SL и SR, включенные последовательно со встречно соединенными обмотками. Это обеспечивает противофазность сигналов, поступающих на АС.

Системы расширенного стерео и псевдоквадрафонии позволили улучшить качество воспроизведении звука, но не смогли решить задачу получения высококачественного звучания. Она сегодня формулируется так: звуковое поле должно быть объемным, обволакивать слушателя со всех сторон и сверху,

обеспечивая совпадение направлений на кажущиеся источники звука с их действительным положением в пространстве при передаче.

Проблема воспроизведения такого звука была вначале решена в кинематографе, когда появились многоканальные системы объемного звука в киноконцертных залах - системы Dolby

Surround, THX и CS. Получившая в то же время широкое распространение аппаратура домашней видеозаписи на магнитную ленту в формате VHS привела к массовому переводу кинофильмов на видеокассеты для домашнего просмотра. При этом, естественно, возникла и потребность сохранения объемного звука при перезаписи кинофильма на видеокассету. Это привело к созданию видеовариантов системы Dolby Surround - четырехканальной системы Dolby Pro Logic Surround с аналоговым представлением звуковых сигналов и шестиканальной системы Dolby Digital с цифровым представлением.

В Dolby Pro Logic Surround предусматривается преобразование многоканальной звуковой информации в двух-канальную при записи на магнитную ленту и обратное преобразование ее в многоканальную у зрителя. Звуковая информация свертывается и развертывается по алгоритму, более сложному, чем используемый в псевдоквадрафонии. Из доступных источников наиболее полное описание принципов работы этой системы можно найти в [8].

Преобразование на приемной стороне происходит в декодере звука (ДЗ). Примером использования системы Dolby Pro Logic Surround может быть телевизор SONY- KV-28WS4R [7]. в котором ДЗ служит микросхема TC9337F-015. Существуют и другие подобные микросхемы. например. NJW1102AF. Акустическая система модели KV-28WS4R построена аналогично рассмотренной по схеме на рис. 3.

Для подчеркивания стереоэффекта и лучшей локализации направления на источник звука ДЗ корректирует коэффициент передачи усилителей во всех каналах так, чтобы он оставался неизменным в канале с максимальным уровнем сигнала и был снижен в остальных.

Существуют и другие варианты построения акустической части аппарата с объемным звуком. В центре над телевизором иногда устанавливают дополнительную широкополосную АС для воспроизведения звука от источников, перемещающихся по вертикали. Тыловые АС могут быть расположены не позади зрителя, а сбоку, на одной линии с ним. Вместо моно на них могут подаваться псевдостереофонические сигналы.

Логическим завершением процесса совершенствования систем воспроизведения звука в телевидении стало создание концепции домашнего видеотеатра. Состав его и возможности подробно описаны в [8 - 10]. Его видео-часть - телевизор или видеопроектор с большим экраном, видеомагнитофон высокого класса, оборудование для приема спутниковых программ. Аудио-часть - многоканальный усилитель с многорежимными ЗП и ДЗ, набор АС.

Что же могут сделать радиолюбители для улучшения воспроизведения телевизионного звука?

Во-первых, рекомендую реализовать имеющуюся возможность просмотра видеофильмов со стереозвуком. Правда, для этого потребуются музыкальный центр или любая стереоустановка, видеомагнитофон со стереотрактом и видеокассеты с индексами STEREO, DOLBY STEREO. Полезные практические советы вы найдете в [11].

Если пойдете дальше по такому пути, получите и объемный звук, записанный на видеокассетах с индексом DOLBY SURROUND в варианте DOLBY Pro Logic. Но это повлечет за собой серьезную переделку аудиосистемы: нужны будут ДЗ, четырехканальный усилитель и пять выносных АС.

Во-вторых, можно ограничиться псевдостереофоническим воспроизведением звукового сопровождения эфирных и кабельных программ. Но для этого придется доработать аудиотракт телевизора, введя в него ЗП, второй усилитель 3Ч и АС. Более подробные сведения о ЗП даны в [12].

Литература

  1. Ковалгин Ю. А., Сергеев М. А. Стереофонические тракты приемников программ спутникового телевидения и радиовещания. Справочник, вып. 1198 - М.: Радио и связь. 1993 (МРБ).
  2. Левченко В. Н. Спутниковое телевидение в вашем доме. - С.-Пб.: Полигон, 1997.
  3. Джакония В. E., Гоголь А. А., Друзин Я. В. Телевидение: учебник для вузов, изд. 6. - М.: Радио и связь. 1997.
  4. Стандарты MPEG. - Радио. 1998. № 8, С. 72.
  5. Пескин А. Е., Коннов А. А. Ремонт телевизоров TVT. Устройство, ремонт, регулировка. Серия "Ремонт", вып. 16. - М.: Солон. 1997.
  6. Гаврилов П. Ф., Никифоров В. Н. Ремонт импортных телевизоров, вып. 5. - М.: Сервис-пресс, 1998.
  7. Родин А. В., Тюнин Н. А., Морозов И. А. Ремонт зарубежных телевизоров. Серия -Ремонт", вып. 22. - М.: Солон. 1998
  8. Константинов С. Домашний театр Многоканальный звук - "правдивая ложь". - Ремонт & Сервис. 1999. № 6,с. 25-27.
  9. Соколова Н. Звукотехника "домашнего театра". - Радио, 1997, № 5, с. 17-19.
  10. Помещение для прослушивания. Что это? - Радио. 1996,№ 3, с. 25.26.
  11. Дьяконов В. П. Бытовая аудиотехии-ка. - Смоленск: Русич. 1997.
  12. Брылов В. Звуковые процессоры и декодеры. - Радиолюбитель. 1999, № 8, с. 11. 12; №9, с. 14-16; №10, с. П. 12.

Автор: B.Брылов, г.Москва

Смотрите другие статьи раздела Телевидение.

Читайте и пишите полезные комментарии к этой статье.

<< Назад

Последние новости науки и техники, новинки электроники:

Хорошо управляемые луга могут компенсировать выбросы от скота 15.02.2026

Животноводство, особенно разведение крупного рогатого скота, часто обвиняют в значительном вкладе в глобальное потепление из-за мощного парникового газа - метана, который выделяется при пищеварении у жвачных животных. Это вызывает острые политические споры и призывы к сокращению потребления мяса. Однако ученые напоминают, что полная картина климатического воздействия отрасли не ограничивается только выбросами от животных: огромную роль играет окружающая экосистема - пастбища, почва и растительность, которые способны активно поглощать углекислый газ из атмосферы. Исследователи из Университета Небраски-Линкольна решили глубже изучить этот баланс. Группа под руководством профессора Галена Эриксона сосредоточилась на том, как правильно организованные пастбища накапливают углерод в растениях и грунте благодаря естественным процессам, стимулируемым выпасом скота. Ученые подчеркивают, что при достаточном уровне осадков и грамотном управлении такие луга превращаются в мощные природные погло ...>>

NASA тестирует инновационную технологию крыла 15.02.2026

Коммерческая авиация ежегодно расходует колоссальные объемы керосина, что сказывается не только на бюджете авиакомпаний, но и на состоянии окружающей среды. В 2024 году глобальные затраты на авиационное топливо достигли 291 миллиарда долларов, и эта сумма продолжает расти. Чтобы справиться с этими вызовами, NASA активно работает над технологиями, способными заметно повысить аэродинамическую эффективность самолетов. Одним из самых перспективных направлений стало создание специальной конструкции крыла, которая максимизирует естественный ламинарный поток воздуха и минимизирует сопротивление. В январе 2026 года специалисты NASA Armstrong Flight Research Center успешно провели важный этап наземных испытаний концепции Crossflow Attenuated Natural Laminar Flow (CATNLF). Для эксперимента под фюзеляж исследовательского самолета F-15B закрепили вертикально ориентированную масштабную модель высотой около 0,9 м (3 фута), напоминающую узкий киль. Такая компоновка позволила подвергнуть прототип р ...>>

Забота о внуках очень полезна для здоровья мозга 14.02.2026

Общение между поколениями приносит радость всей семье, но мало кто задумывается, насколько активно бабушки и дедушки, заботящиеся о внуках, поддерживают свою умственную форму. Регулярное взаимодействие с детьми стимулирует мозг пожилых людей, помогая сохранять память, скорость мышления и общую когнитивную активность. Новые научные данные подтверждают, что такая добровольная помощь не только важна для общества, но и может замедлять возрастные изменения в мозге. Исследователи из Тилбургского университета в Нидерландах провели анализ, чтобы понять, приносит ли уход за внуками реальную пользу здоровью пожилых людей. Ведущий автор работы Флавия Черечес отметила, что многие бабушки и дедушки регулярно присматривают за детьми, и оставался открытым вопрос, насколько это положительно сказывается на их собственном благополучии, особенно в плане когнитивных функций. Ученые поставили цель выяснить, способен ли регулярный уход за внуками замедлить снижение памяти и других умственных способ ...>>

Случайная новость из Архива

Польза секса для спортсменов 20.10.2016

Лаура Стефани (Laura Stefani) из Флорентийского университета (Италия) и ее коллеги проанализировали и обобщили данные научных публикаций о влиянии сексуальной жизни спортсменов на их результативность. Они пришли к выводу, что предубеждение, согласно которому секс перед стартом вреден - не более чем смехотворный миф.

Представление о том, что половая близость перед соревнованием негативно сказывается на спортсменах существует с древних времен. Еще в I веке н.э. древнеримский врач и философ Аретеус Каппадокийский писал о том, что мужская сила может ослабевать, преобразуясь в семя. Еще раньше греческий философ Платон осуждал олимпийцев, практиковавших близость накануне состязаний.

В наши дни такое мнение бытует, например, среди футбольных тренеров, а поклонники фильма о Рокки помнят предостережения его наставника о том, что "от женщин слабеют ноги".

Ученые проанализировали более 500 различных научных публикаций, затрагивающих связь секса с физической активностью. Как ни странно, работ, предметно рассматривающих эту проблему, практически нет. Из девяти исследований, которые были опубликованы в течение последних 60 лет, исследователи обнаружили, что ни одно не рассматривает этот вопрос систематически.

Исследователи пришли к выводу, что секс в ночь перед соревнованием, скорее, может оказывать даже позитивное влияние на спортивный результат.

"В целом, можно говорить об общем положительном влиянии секса в ночь перед соревнованием на производительность спортсмена, особенно с психологической точки зрения. Секс оказывает расслабляющий эффект, который может способствовать уменьшению стресса, повышению выносливости (значимо для марафонцев) или концентрации (при стрельбе)", - пишут авторы работы.

Тем не менее, исследователи предупреждают, что имеющийся материал имеет несколько спонтанный характер и до сих пор нет надежных данных о корреляции между сексом и спортивной формой.

Ученые говорят о положительном влиянии секса как минимум за десять часов до старта при условии, что спортсмен не курит и не употребляет спиртное.

Другие интересные новости:

▪ Технология восстановления старых двигателей

▪ Устройство стирания памяти

▪ Время хранения данных в SSD увеличено в тысячи раз

▪ Многоразовая супергубка для впитывания нефти

▪ Опасность исчезновения насекомых

Лента новостей науки и техники, новинок электроники

 

Интересные материалы Бесплатной технической библиотеки:

▪ раздел сайта Студенту на заметку. Подборка статей

▪ статья Фуллерены. История изобретения и производства

▪ статья Где возникли первые школы? Подробный ответ

▪ статья Художник-оформитель игровых кукол театрально-зрелищного предприятия. Должностная инструкция

▪ статья Доработка логического пробника. Энциклопедия радиоэлектроники и электротехники

▪ статья Универсальное зарядное устройство для аккумуляторов СЦ-21, СЦ-32, Д-0,06, Д-0,1, Д-0,25, Д-0,55, 7Д-0,115, 316, 332, 3336. Энциклопедия радиоэлектроники и электротехники

Оставьте свой комментарий к этой статье:

Имя:


E-mail (не обязательно):


Комментарий:





Главная страница | Библиотека | Статьи | Карта сайта | Отзывы о сайте

www.diagram.com.ua

www.diagram.com.ua
2000-2026