Menu Home

Бесплатная техническая библиотека для любителей и профессионалов Бесплатная техническая библиотека


Квазипараллельный канал - блок чистого звука. Энциклопедия радиоэлектроники и электротехники

Бесплатная техническая библиотека

Энциклопедия радиоэлектроники и электротехники / Телевидение

Комментарии к статье Комментарии к статье

Качество звукового сопровождения телевизионных программ во многих отечественных и зарубежных телевизорах, к сожалению, остается довольно низким, особенно если передачи сопровождаются титрами. Квазипараллельный канал - радикальный способ обеспечения "чистого" высококачественного звука. Существует также проблема получения звукового сопровождения в телевизорах, принимающих передачи только в стандарте B/G. Об этом и пойдет речь в публикуемой статье.

В Россию и другие страны СНГ различными путями продолжает поступать зарубежная видеотехника (телевизоры, видеомагнитофоны и др.). которая рассчитана на прием телевизионных сигналов исключительно системы PAL. В нашей стране такие аппараты практически не создают проблем с получением изображения, так как почти во всех зарубежных телевизорах имеются декодеры, которые преобразуют видеосигналы принятой у нас телевизионной системы SECAM в видеосигналы системы PAL (или другой) [1.2]. Следует лишь иметь в виду, что в странах Западной Европы ПЧ изображения равна 38.9. а не 38 МГц, как в нашем стандарте [3]. А это может приводить к необходимости подстройки выходного фильтра селектора каналов, хотя такие случаи довольно редки.

Значительно сложнее обстоит дело в зарубежных телевизорах со звуковым сопровождением, в которых нет мультиси-стемного блока звука Ведь известно, что в настоящее время в зависимости от разноса несущих изображения и звукового сопровождения в различных радиочастотных стандартах вторая ПЧ звука может быть равна 4.5; 5.5; 6 и 6.5 МГц Обычно такие телевизоры работают на одной из них 14]. Так, для стандартов В, G, Н она равна 5,5 МГц Следовательно, для звукового сопровождения при приеме телесигнала стандартов D/K, в которых вторая ПЧ равна 6.5 МГц, необходимо преобразование этой частоты на вторую ПЧ 5.5 МГц.

Однако только преобразование не может обеспечить хорошего звукового сопровождения, так как первая ПЧ звука (31,5 МГц нашего стандарта и 32,5 МГц стандартов В, G. Н) располагается на расширенной полке АЧХ УПЧИ. что обеспечивает прохождение обеих ПЧ. Возникают проблемы и во всех аппаратах, в которых предусмотрена совместная обработка видеосигналов и сигнала звука на первой ПЧ. А таких телевизоров, как зарубежных, так и отечественных, довольно много В них сигнал второй ПЧ выделяется при детектировании полного цветового телевизионного видеосигнала (ПЦТВ) в результате биений первых ПЧ. Это неизбежно приводит к взаимному влиянию яркост-ной. цветовой и звуковой составляющих и, следовательно, к появлению значительных искажений. Сигнал второй ПЧ поступает на вход УПЧЗ искаженным, что затрудняет работу его ограничителя. В результате в выделенном сигнале 3Ч присутствуют помехи, особенно заметно проявляющиеся при передаче титров на изображении. Устранить их и получить хорошее звуковое сопровождение заменой фильтра в канале УПЧЗ или преобразованием второй ПЧ невозможно.

Чтобы решить эту задачу в аппаратах, предназначенных для приема телесигнала стандартов В, G, Н, и улучшить звуковое сопровождение в них (это относится и к отечественным телевизорам), радиолюбители прибегают к различным способам. Один из них - применение так называемого квазипараллельного канала. Он представляется самым эффективным техническим решением, так как обеспечивает раздельное детектирование видео- и звукового сигналов, что позволяет успешно подавить в канале звука нежелательные видеосоставляюшие и снизить уровень помех примерно на 10 дБ [5].

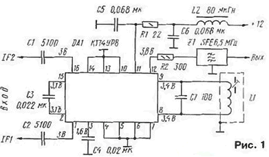
Анализ построения и практическое повторение блоков квазипараллельного канала, например, рассмотренного в [6]. и конвертеров второй ПЧ показывает, что они сложны в изготовлении и настройке. Поэтому для устранения отмеченных недостатков радиолюбителям предлагается относительно простой вариант квазипараллельного канала - блок "чистого" звука. Его принципиальная схема изображена на рис. 1. а внешний вид показан на рис. 2.

Квазипараллельный канал - блок чистого звука Квазипараллельный канал - блок чистого звука

Основное назначение блока - усиление и преобразование сигнала звукового сопровождения стандартов В. G. Н в сигнал второй ПЧ стандартов D, K, L, К1 в режиме первой ПЧ полного уровня (после селектора каналов) реализация двухканального УПЧЗ, о котором будет рассказано ниже, улучшение не только качества звука, но и параметров радиоканала. Этот блок может быть применен в зарубежных телевизорах и видеомагнитофонах и в аппаратах отечественного производства. В телевизорах он обеспечивает улучшение основных технических характеристик звукового тракта: значительное повышение чувствительности и помехозащищенности полное устранение шумов в звуковом сопровождении телепрограмм (в том числе с титрами), улучшение качества звука в любых стандартах при слабых сигналах в антенне, причем оно мало зависит от их уровня, так как в блоке обеспечена АРУ около 60 дБ. К недостатку блока можно отнести необходимость подстройки контура демодулятора УПЧЗ аппарата, в который он вмонтирован.

Блок был разработан для применения в телевизоре LEONARDO-1512 фирмы PHILIPS, селектор каналов которого имеет симметричный выход. Однако он может быть подключен и к селектору с несимметричным выходом. В этом случае вход сигнала IF2 (см. рис. 1) необходимо соединить с общим проводом.

С выхода селектора каналов сигналы ПЧ изображения и звукового сопровождения поступают на симметричный вход (выводы 1 и 16) микросхемы DA1. Выделенный сигнал второй ПЧ звука 6.5 МГц через пьезокерамический полосовой фильтр Z1 на ПАВ проходит на УПЧЗ телевизора. Фильтр Z1 подавляет первую ПЧ звука 32.5 МГц. Конденсатор С4 фильтрует напряжение АРУ.

Напряжения, указанные на схеме, измерены при потребляемом блоком токе 18 мА. Разброс тока по цепи питания может находиться в пределах от 17 до 27 мА, что обусловлено допусками на элементы микросхемы.

Блок хорошо согласован с выходом селектора каналов и с входом УПЧЗ. не шунтирует выход селектора и не оказывает никакого влияния на изображение. Он обеспечивает также возможность сохранения (при необходимости) "родного" стандарта в аппарате при улучшении качества звука.

В блоке применимы конденсаторы К10-47. К10-49 и керамические. Резисторы - МЛТ. Дроссель L2 - ДПМ-0.1. Фильтр SFE (Z1) может быть заменен фильтром ФП1 П8-62.02.

Катушку L1 наматывают виток к витку на пластмассовом каркасе, имеющем подстроечник из карбонильного железа. Внешний диаметр каркаса -3...5 мм, высота - не более 15 мм. Катушка содержит пять витков провода ПЭВ-1 0.25.

Все элементы блока монтируют на печатной плате из одностороннего фолыгированного стеклотекстолита, чертеж которой представлен на рис. 3.

Квазипараллельный канал - блок чистого звука

Резисторы R1. R2 и дроссель L2 устанавливают перпендикулярно к плате, а конденсаторы C3 и С7 припаивают со стороны расположения печатных проводников.

При монтаже в конкретной модели, если в телевизоре перед УПЧЗ включен полосовой фильтр на требуемую вторую ПЧ, а перед ним - входная цепь из RC элементов, блок можно упростить, исключив фильтр Z1 и резистор R2 (их точки подключения соединяют перемычками). Выход блока подсоединяют к входной цепи фильтра аппарата, предварительно разорвав идущий к ней проводник. Если фильтр аппарата рассчитан на другую вторую ПЧ. то его необходимо заменить.

Внутри аппарата блок крепят металлической полоской размерами 10x25 мм. которую сначала припаивают к стороне А печатной платы, а затем вместе с блоком - к экрану селектора каналов в удобном месте и в любом положении. Для соединений блока в аппарате применяют провод МГТФ (экранированные провода не используют). Входы сигналов IF1 и IF2 подсоединяют к выходам селектора каналов без нарушения существующего монтажа. Если селектор имеет несимметричный выход, то вход сигнала IF2 соединяют с точкой Б на плате (с общим проводом). Напряжение +12 В на блок рекомендуется снять до развязывающих резисторов в цепях этого источника питания

Для настройки блока сначала устанавливают подстроечник катушки L1 в среднее положение. Затем включают телевизор на первую программу передач и вращением против часовой стрелки подстроечника контура демодулятора штатного УПЧЗ получают наибольшую громкость и наилучшее качество (без помех и шумов) звукового сопровождения. Далее так же настраивают и контур L1C7 блока. Такую настройку обоих контуров повторяют еще два-три раза. Результатом точной настройки должно быть практически полное подавление видеосигнала на выходе блока и "чистое" звуковое сопровождение принимаемой телепередачи, и наконец, проверяют его на всех других работающих каналах. При необходимости подстройку контуров уточняют до получения бесшумного звукового сопровождения.

Для того чтобы обеспечить в зарубежных аппаратах видеотехники двухстандартное звуковое сопровождение или заменить при необходимости вышедший из строя УПЧЗ микросхемы (для телевизора LEONARDO-1512 это - TDA8190. и при условии, что остальные ее устройства функционируют [2]). был разработан довольно простой двухстандартный УПЧЗ. принципиальная схема которого изображена на рис. 4.

Квазипараллельный канал - блок чистого звука

Потребляемый блоком ток равен 27 мА. Внешний вид такого УПЧЗ показан на рис. 5.

Квазипараллельный канал - блок чистого звука

Его можно применить в аппаратах как зарубежною, так и отечественного производства. Его недостаток - необходимость применения переключателя для ручного перехода с одного звукового стандарта на другой.

Сигнал второй ПЧ с выхода описанного выше блока звука поступает на вход УПЧЗ. В зависимости от значения второй ПЧ (5.5 или 6.5 МГц) переключателем SB1 включают микросборку DA2 (на 5,5 МГц) или DA3 (на 6.5 МГц). Следует иметь в виду, что при совместной работе блока звука с двух-стандартным УПЧЗ фильтр Z1 в блоке звука необходимо заменить перемычкой, так как в УПЧЗ имеются свои фильтры 72 и Z3. Микросборки УПЧЗ функционируют по схеме: ограничение - детектирование - усиление. Резистор R3 обеспечивает необходимый уровень выходного сигнала, а конденсатор C3 стабилизирует значение постоянного напряжения на выводе 8 микросборок и отфильтровывает помехи. С выхода УПЧЗ сигнал подают на усилитель мощности 3Ч. в котором регулируют громкость.

В блоке используют резисторы МЛТ и любые керамические и оксидные конденсаторы.

Все детали УПЧЗ монтируют на печатной плате, чертеж которой представлен на рис. 6.

Квазипараллельный канал - блок чистого звука

В блоке применим переключатель П2К или ПКН-61. Переключатель с платой крепят к дюралюминиевому уголку-кронштейну, который привинчивают в выбранном удобном месте аппарата. Резисторы на плате устанавливают перпендикулярно к ней.

Блок помещают в жестяной экран высотой 28 мм. Экран припаивают к общему проводу платы блока с трех сторон, а также к площадке В. Экран закрывают крышками сверху и снизу. Блок подключают к аппарату через разъем РГ1Н-1-1 (см. рис. 5).

Литература

  1. Пескин А. Е., Войцеховский Д. В. Декодирующие устройства зарубежных цветных телевизоров. Справочник - М.: КУБК-А 1996.
  2. Энциклопедия ремонта. Микросхемы для современных импортных телевизоров. Выпуск 1.-М.: ДОДЭКА. 1998.
  3. Хохлов Б. Особенности радиоканала современного телевизора - Радио. 1998. № 2. с 10.11.
  4. Алексеев В. В. Телевизоры европейского и азиатского производства. Справочник. Ремонт зарубежной техники. - Вологда: а/я 32.1995.
  5. Газнкж О. Телевизоры 4УСЦТ Радиоканал и канал звука. - Радио. 1990. № 3. с. 43-49.
  6. Порохнюк А. Квазипараллельный канал звука. - Радио. 1994. № 6. с. 7.8.

Автор: Э.Гайдель, г. Смоленск

Смотрите другие статьи раздела Телевидение.

Читайте и пишите полезные комментарии к этой статье.

<< Назад

Последние новости науки и техники, новинки электроники:

Власть является ключевым фактором счастья в отношениях 11.03.2026

Исследования семейных и романтических отношений показывают, что длительное счастье пары зависит не только от привычных факторов, таких как доверие, уважение и преданность, но и от более тонких психологических аспектов. Современные ученые ищут закономерности, которые отличают действительно счастливые пары от остальных, чтобы понять, какие механизмы поддерживают гармонию в отношениях. Группа исследователей из Университета Мартина Лютера в Галле-Виттенберге и Бамбергского университета провела опрос среди 181 пары, которые состояли в совместных отношениях более восьми лет и прожили вместе хотя бы месяц. Участники заполняли анкету, описывая различные аспекты своих отношений, включая распределение обязанностей, эмоциональную поддержку и степень вовлеченности в совместные решения. Анализ данных показал интересный паттерн: пары, где оба партнера ощущали высокий уровень личной власти, оказывались наиболее счастливыми и удовлетворенными. В данном контексте под властью понимается способност ...>>

Защищенная колонка-повербанк Anker Soundcore Boom Go 3i 11.03.2026

Компания Anker представила новую модель линейки Soundcore - колонку Soundcore Boom Go 3i, ориентированную на активное использование на улице. Новинка отличается высокой степенью защиты: корпус соответствует стандарту IP68, что обеспечивает водо- и пыленепроницаемость, а ударопрочный дизайн выдерживает падение с высоты до одного метра. За качество звука отвечает 15-ваттный драйвер, обеспечивающий пик громкости до 92 дБ, а технология BassUp 2.0 усиливает низкие частоты, делая звучание более насыщенным. Колонка обладает автономностью до 24 часов, а LED-индикатор позволяет контролировать уровень заряда батареи. Кроме того, Soundcore Boom Go 3i может выполнять функцию павербанка: согласно внутренним тестам, устройство способно зарядить iPhone 17 с нуля до 40% за один час, что делает его полезным аксессуаром в походах и поездках. Среди функциональных особенностей модели стоит выделить технологию Auracast, которая улучшает подключение и позволяет создавать стереопару из двух колонок ...>>

Раннее воздержание от алкоголя перестраивает мозг и иммунитет 10.03.2026

Алкогольная зависимость - хроническое расстройство с компульсивным употреблением спиртного, которое влияет не только на поведение, но и на функционирование мозга и иммунной системы. Недавние исследования показали, что даже на ранних этапах воздержания организм начинает перестраиваться, открывая новые возможности для терапии зависимости. Ученые сосредоточились на пациентах, находящихся в первые недели абстиненции, и зафиксировали значительные изменения в мозговой активности. С помощью функциональной магнитно-резонансной томографии они выявили перестройку сетей нейронных связей, отвечающих за контроль импульсов и принятие решений. Эти изменения могут быть ключевыми для восстановления самоконтроля и снижения риска рецидива. Одновременно с нейронной перестройкой исследователи наблюдали колебания иммунной системы. В крови повышался уровень цитокинов - сигнальных белков, регулирующих воспалительные процессы. Эти данные свидетельствуют о существовании нейроиммунного взаимодействия, при ...>>

Случайная новость из Архива

Bluetooth 5.0 радиомодули STMicroelectronics BlueNRG-M2SA и BlueNRG-M2SP 27.08.2020

Новые радиомодули STMicroelectronics BlueNRG-M2SA и BlueNRG-M2SP построены на базе системы на кристалле BlueNRG-2 и отвечают требованиям стандарта Bluetooth 5.0. Модули поддерживают несколько ролей и могут одновременно работать в качестве ведущего и ведомого устройства Bluetooth. Радиомодули BlueNRG-M2 являются законченной радиочастотной платформой, содержащей, в том числе, антенну. Стек Bluetooth Low Energy и приложение пользователя могут исполняться на модуле.

Модули позволяют создать законченный продукт интернета вещей без глубоких знаний в области разработки высокочастотных устройств и значительно сокращают время вывода нового продукта на рынок. Среди областей применения модулей - устройства управления зданием, автоматизация производственных процессов, управление освещением, медицинское оборудование и системы безопасности.

Питание BlueNRG-M2 может осуществляться непосредственно от пары батарей типа AAA или от любого источника питания от 1,7 до 3,6 В. BlueNRG-M2 поставляется в двух вариантах: BlueNRG-M2SA и BlueNRG-M2SP. Они имеют различные внутренние конфигурации HW, отличающиеся программной инициализацей. Модуль BlueNRG-M2SP является упрощенной версией и не включает в себя кварцевый резонатор 32768 Гц и индуктивность для работы внутреннего преобразователя питания SMPS.

Особенности модулей BlueNRG-M2SA и BlueNRG-M2SP:

Сертификация Bluetooth v5.0;
Работа в режимах Master и Slave;
Одновременная поддержка нескольких ролей;
Работа с увеличенной длиной пакета;
Встроенный чип ST BlueNRG-2 BLE SoC;
Высокопроизводительный малопотребляющий MCU Cortex-M0;
Программируемая встроенная 256 КБ Flash;
ОЗУ 24 КБ с сохранением данных в режимах сна;
Увеличенная выходная мощность до +8 дБм;
Чувствительность приемника до -88 дБм;
Высокий бюджет радиолинии 96 дБ;
Встроенный балун BALF-NRG-02D3 с фильтром гармоник;
Интерфейсы 1 x UART, 1 x I2C, 1xSPI, 14xGPIO, 10-bit ADC, RTC и др.;
Чип-антенна (BLUENRG-M2SA) или PCB-антенна (BLUENRG-M2SP);
Готовый стек Bluetooth low energy в виде библиотеки (GAP, GATT,SM, L2CAP, LL);
Набор ПО BlueNRG-2 SDK с примерами профилей и готовых приложений;
Встроенная загрузка через UART-bootloader;
Малые размеры 11,5 x 13,5 мм;
Напряжение питания от 1,7 до 3,6 В;
Температурный диапазон -40...85°C.

Другие интересные новости:

▪ Новые мультистандартные телевизионные аудиопроцессоры и демодуляторы звука

▪ Бессмертные квантовые частицы

▪ Тысячи молекул объединили в единое квантовое состояние

▪ Садоводство - один из лучших антидепрессантов

▪ В США уже готовятся к эпохе 6G

Лента новостей науки и техники, новинок электроники

 

Интересные материалы Бесплатной технической библиотеки:

▪ раздел сайта История техники, технологии, предметов вокруг нас. Подборка статей

▪ статья Гай Саллюстий Крисп. Знаменитые афоризмы

▪ статья Какими были первые автомобили? Подробный ответ

▪ статья Базилик камфорный. Легенды, выращивание, способы применения

▪ статья Автомобильный радиосторож. Энциклопедия радиоэлектроники и электротехники

▪ статья Приемник ЧМ 400-450 МГц. Энциклопедия радиоэлектроники и электротехники

Оставьте свой комментарий к этой статье:

Имя:


E-mail (не обязательно):


Комментарий:





Главная страница | Библиотека | Статьи | Карта сайта | Отзывы о сайте

www.diagram.com.ua

www.diagram.com.ua
2000-2026