Menu Home

Бесплатная техническая библиотека для любителей и профессионалов Бесплатная техническая библиотека


Система телетекста. Энциклопедия радиоэлектроники и электротехники

Бесплатная техническая библиотека

Энциклопедия радиоэлектроники и электротехники / Телевидение

Комментарии к статье Комментарии к статье

По многим телевизионным каналам сейчас передают разнообразную дополнительную информацию в виде телетекста. Как передаются сигналы телетекста? Как их принимать? Какие существуют варианты построения декодеров? На эти вопросы отвечает публикуемая статья. Автор рассказывает также о программном обеспечении и работе с пультом ДУ в различных режимах, о возможных искажениях, способах их устранения и, наконец, как обеспечить прием систем телетекста в старых телевизорах.

Телетекст - это информационная система для массового пользователя, обеспечивающая передачу владельцам телевизоров самой различной информации дополнительно к обычным телевизионным программам. Литература по этому вопросу, доступная радиолюбителям, содержит лишь отрывочные сведения общего характера. Для восполнения этого пробела попытаемся подробнее рассмотреть организационные, технические и эксплуатационные аспекты функционирования системы телетекста.

Разработка принципов работы таких систем, формирования и передачи сигналов в них, конструкций передающих и приемных устройств началась еще в 60-х годах почти одновременно в Англии, Франции и ФРГ. Наиболее рациональным оказался вариант, предложенный английской корпорацией ВВС, и он в настоящее время используется в качестве общемирового стандарта WST (World System Teletext - всемирная система телетекста). Французская система Antiope нашла лишь ограниченное применение.

Информация, передаваемая по стандарту WST, может быть текстовой или графической. Она формируется на телецентре в виде страниц, пронумерованных от 100-й по 899-ю и сгруппированных в так называемые журналы. Каждый из них посвящен определенной теме, например, спорту, экономике или др. В нем - около ста страниц. Первая страница содержит оглавление (перечень разделов журнала). Как правило, раздел, например расписание поездов, состоит из нескольких страниц.

Для получения информации из системы телетекста (TXT) владелец телевизора должен настроить его на программу, ведущую такую передачу, и, переключившись на прием сигналов TXT, вызвать страницу 100 с перечнем журналов. Затем, выбрав и вызвав нужный журнал, просмотреть его оглавление и вызвать желаемый раздел на экран телевизора для просмотра. Таков общий алгоритм получения информации в системе TXT.

Существует несколько вариантов его реализации. Это - режим LIST, требующий выполнения всех указанных шагов. Есть режимы с упрощенной процедурой: FAST (быстрый, удобный телетекст), FLOF (Full Level One Features - одна функция для всех уровней, что в вольном переводе означает - вызов всех страниц одной кнопкой), TOP (Table of Pages - список страниц). В некоторых регионах используют мало распространенные системы Antiope, Safari, Spanish Teletext.

Основные различия между этими режимами состоят в характере связи между страницами и в способе их поиска.

В режимах LIST и TOP такой связи нет, страницы самостоятельны и вызываются по их номерам. Правда, если вызвана одна из страниц многостраничного раздела, вместе с ней выводится на экран сообщение о наличии продолжения и числе страниц в нем (они именуются подстраницами). Разница между режимами LIST и TOP состоит в том, что в режиме LIST для вызова страницы нужно набрать ее номер на пульте ДУ, а в режиме TOP используется меню (перечень страниц на экране), на котором устанавливают курсор (управляется с ПДУ) напротив строки с названием нужного журнала, раздела.

В режиме FLOF вся информация сгруппирована по четырем темам, а ПДУ имеет четыре цветные кнопки для их вызова. При нажатии одной из них на экран последовательно выводятся одна за другой все страницы темы. Смену страниц можно приостановить для анализа, а затем продолжить ее или прекратить.

В режиме FAST перебор страниц организован иначе. На первой странице каждого журнала, кроме списка разделов и номеров страниц, имеются четыре цветных поля с номерами страниц. Каждому полю соответствует кнопка такого же цвета на ПДУ. При ее нажатии вызывается (без набора номера) страница, номер которой был указан на выбранном поле. На этой странице также имеются поля, но с другими номерами. Действуя таким образом, можно за несколько шагов выйти в нужный раздел и на нужную страницу.

Вместе с тем в любом режиме каждая страница может быть выбрана способом, примененным в режиме LIST, - набором ее номера.

Несмотря на обилие режимов реализации процесса поиска информации, каждый телецентр может использовать только два способа: LIST и один из быстрых режимов (FAST, FLOF, TOP). В то же время на приемной стороне должна быть обеспечена возможность многорежимной работы для приема сообщений от любого телецентра.

Страница TXT стандарта WST состоит из 25 строк по 40 символов в строке. Первая строка - заголовок страницы. В строках 2-25 размещена информация TXT, а в режимах FAST и FLOF строка 25 служит строкой статуса.

Заголовок содержит номер страницы владельцем на экран; номер и наименование страницы W, передаваемой телецентром в текущий момент; дату и время передачи; число и номера подстраниц. В строке статуса отображаются цветные поля с названиями тем (режим FLOF) или номерами страниц (режим FAST).

Любая строка передается серией из 45 байтов. Байты 1-3 - синхронизирующие. Байты 4, 5 представляют собой адрес строки: номер журнала и номер строки в странице.

Байты 6-45 заголовка используют следующим образом: в 6, 7 записан номер страницы N; в 8-11 - дата и время; в 12-45 - номер и название страницы W, а также символьная информация, выводимая в заголовке (день недели и т. п.). Эти же байты в других строках содержат символьную информацию передаваемого текста. Для повышения помехоустойчивости восьмому биту каждого байта придается значение, обеспечивающее нечетное число единиц в байте. Адрес строки защищен побитно.

Информация TXT, подготовленная специальной службой телецентра к передаче, в цифровой форме хранится в банке данных, из которого она циклически извлекается и постранично вводится в телевизионный видеосигнал (ПЦТВ). Передача страниц происходит во время кадровых гасящих импульсов (КГИ).

Напомним, что КГИ первого полукадра (поля) ПЦТВ занимает интервал с 623-й строки предыдущего поля по 23-ю строку первого поля, а второго поля - с 311-й по 335-ю строки. Часть из них уже занята уравнивающими строчными импульсами, сигналами цветовой синхронизации системы SECAM и телевизионными испытательными сигналами. Свободны в каждом кадре лишь 12 строк с номерами 6, 16-18, 22, 23, 318, 319, 329-332. В них-то и размещают сигналы TXT.

На рис. 1 показана осциллограмма ПЦТВ при передаче КГИ и положение в нем сигналов TXT. На нем размещены две вертикальные оси: уровня мгновенной мощности р, излучаемой передатчиком, и уровня сигнала яркости Y, соответствующего этой мощности. Поскольку отечественное вещание ведется с использованием негативной модуляции, нулевые значения на этих осях расположены на разных уровнях, а оси направлены в разные стороны.

Система телетекста

Строку TXT передают в интервале между двумя строчными гасящими импульсами. Этот интервал равен 52 мкс, и за это время должно быть передано 45 байт (360 бит) информации. Следовательно, скорость их передачи должна быть не ниже 6,923 Мбит/с. В стандарте WST принято, что серия битов строки TXT передается сигналами прямоугольной формы с длительностью импульсов и пауз 0,144144 мкс. Биту со значением 1 соответствует сигнал с уровнем 80 % яркости ПЦТВ, а биту 0 - 30 % яркости. Эти сигналы занимают полосу частот 4...10 МГц, что выходит за пределы спектра ПЦТВ, ограниченного в разных системах вещания частотой 5...6 МГц. Чтобы ввести их в спектр ПЦТВ, поднесущую сигналов телетекста сдвигают на частоту 3,46875 МГц (гармоника 222 строчной частоты), причем верхнюю боковую полосу подавляют.

При использовании одной телевизионной строки в каждом полукадре для передачи сигналов TXT пропускная способность по стандарту WST равна двум строкам TXT за кадр или 0,5 с на страницу.

Таковы структура и порядок кодирования строк страниц TXT в принятой у нас системе вещания SECAM-D/K. В системе PAL нет специальных сигналов цветовой синхронизации, и передача страниц может идти быстрее за счет использования большего числа телевизионных строк. В системе NTSC применена другая система размещения сигналов TXT в ПЦТВ, а в некоторых странах использовано и другое число строк в странице и знаков в строке. Система Antiope применяет другой формат строки. Более подробные сведения об этих системах содержатся в [1, 2].

В нашей стране передачи TXT ведутся по программам ОРТ, ТВ-центр, НТВ, ТВ-6 и по каналам спутникового телевидения. Каждая из них формирует свой пакет журналов и по-своему определяет их содержание.

Так, ОРТ передает пакет с названием "Российская служба телетекста на 1 ТВ канале TELEINF" из пяти журналов: новости и спорт, экономика и финансы, товары и услуги, досуг, калейдоскоп. Пакет содержит страницы с номерами от 100-й до 512-й. На странице 100 дано оглавление пакета: наименования журналов и номера их первых страниц. На странице 101 указана периодичность обновления информации в пакете: новости - два раза в день; погода, финансы, спорт, программы ТВ - ежедневно; остальные сведения - два-три раза в неделю.

Пакет организован в режиме FAST, но цветные поля имеются только на первых страницах разделов. Перебор подстраниц в некоторых разделах происходит автоматически, в других подстраницы нужно вызывать набором номера. Время ожидания очередной страницы не превышает 45 с.

Телетекст на программе ТВ-центр организован в режиме LIST. Пакет из страниц с номерами 100-497 построен так, что первые страницы журналов и страницы с наиболее важной информацией передаются по несколько раз в каждом цикле. Это заметно сокращает время ожидания такой страницы, хотя для остальных оно такое же, как в пакете ОРТ.

Программа НТВ передает "Журнал деловых людей БЛИЦТЕКСТ", состоящий из страниц 100-777, также в режиме LIST. В таком же режиме передается и пакет "ТВ-6 текст" на канале ТВ-6. Он состоит из трех журналов. Его особенность в том, что перебор страниц при их поиске обеспечивается только в пределах нумерации страниц вызванного журнала. Это означает, что в каждом полукадре ПЦТВ одновременно передается по одной строке из каждого журнала. Время ожидания страницы не превышает 5...8 с, что гораздо лучше этого показателя в любой другой программе.

Для приема сигналов TXT телевизор должен иметь специальное устройство - декодер TXT, а для управления его работой - систему дистанционного управления с микроконтроллерной обработкой команд и соответствующим программным обеспечением. Рассмотрение их начнем с декодера TXT.

Существует большое количество типов декодеров, которые различаются по способам управления их работой, объему памяти страниц и схемному построению.

По способу управления декодеры делятся на простые и с расширенными возможностями. Простым декодером управляет микроконтроллер (CCU-TV) системы управления телевизора. Он работает только в режиме LIST. Декодер с расширенными возможностями обеспечивает работу как в режиме LIST, так и в быстрых режимах (FAST, FLOF, TOP). Для этого он должен иметь собственный микроконтроллер (CCU-TXT). Напомним, что микроконтроллер - это восьмиразрядный микропроцессор, в корпус которого введен набор интерфейсных устройств, преобразующих машинные коды микропроцессора в аналоговые или другой формы сигналы для управления внешними устройствами, включая цифровую шину.

По объему памяти декодеры делятся на одностраничные (UNITEXT), четырехстраничные, семи-восьмистраничные (EUROTEXT), десяти- и более страничные (имеется в виду число страниц, одновременно запоминаемых при наборе какого-нибудь номера страницы).

Схемное построение декодеров телетекста (ТХТ), несмотря на большое количество моделей, имеет лишь несколько основных вариантов.

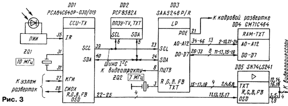
Первым из них рассмотрим модуль синтезатора напряжений и декодера МСТ-601. Он состоит из приемника сигналов дистанционного управления ПИИ, микроконтроллера CCU-TV с узлом памяти ППЗУ-TV и декодера. Структурная схема модуля показана на рис.2.

Микроконтроллер CCU-TV (DD1) принимает и обрабатывает команды управления приемом телевизионных программ и телетекста. Порядок обработки команд, относящихся к процессам управления телевизором (включение-выключение, переключение программ, регулировка аналоговых параметров, вывод информации на экран - OSD), описан в [3]. Что касается управления телетекстом, то эта микросхема имеет встроенное программное обеспечение (ПО) варианта CTV322S, позволяющее управлять простым декодером непосредственно, а декодером с расширенными возможностями - через его микроконтроллер.

Четырехстраничный декодер с расширенными возможностями модуля МСТ-601 работает в режимах LIST и FAST. Он содержит пять микросхем: микроконтроллер CCU-TXT с узлом памяти ППЗУ-ТХТ, видеопроцессор VIP2, формирователь ЕССТ с микросхемой памяти RAM-ТХТ.

Микроконтроллер CCU-TXT обрабатывает команды управления телетекстом, поступающие по двухпроводной шине I2С от CCU-TV (описание структуры и функционирования шины дано в [3]), записывает информацию из заголовков страниц в ППЗУ-ТХТ (DD4) и обеспечивает определение номера страницы при нажатии цветной кнопки ПДУ.

В модуле использованы три микросхемы памяти. В ППЗУ-TV хранятся формируемые CCU-TV параметры настройки на телевизионные программы, а при работе с простым декодером и номера страниц ТХТ. ПЗУ-ТХТ необходима только в декодерах с расширенными возможностями для хранения номеров страниц ТХТ. В RAM-TXT размещаются тексты страниц, выбранных пользователем телевизора из их потока.

В декодере UNITEXT список номеров страниц для каждой программы состоит из одного номера, в четырехстраничном декодере - из четырех, а в EUROТЕХТ - из восьми номеров. Такое же число текстов страниц одной выбранной программы хранится в RAM-TXT.

Возможности систем управления телевизоров разных марок по числу запоминаемых настроек на телевизионные программы и декодеров телетекста на программы, передающие ТХТ, определяются конфигурацией памяти ППЗУTV и ППЗУ-ТХТ. Для четырехстраничных декодеров, управляемых по шине I2C, возможны варианты конфигурации, перечисленные в табл.1. В зависимости от выбранного варианта должны использоваться микросхемы PCF8571/81 объемом 128 байт или PCF8570/82A объемом 256 байт. Чтобы CCU могли распознавать выбранную конфигурацию и правильно адресовать команды, микросхемы памяти имеют указанные в табл. 1 адреса. Адрес микросхемы устанавливают напряжениями на ее выводах 1-3. Чтобы присвоить адрес АО, нужно соединить все эти выводы с общим проводом. При адресе А2 или А4 на вывод 2 или 3 соответственно подают напряжение +5 В, а остальные выводы соединяют с общим проводом.

Таблица 1

Наличие и тип декодера телетекста Число запоминаемых программ Объем памяти и адреса микросхем
ППЗУ-TV ППЗУ-ТХ
ТВ вещания с передачей ТХТ Объем памяти, байт Адрес Объем памяти,байт Адрес
Отсутствует 40 90 - - 128 256 А4 А2 - - - -
Простой 40 90 16 16 128 256 А4 А2 - - - -
С расширенными возможностями 40 40 90 90 16 32 16 32 256 128 256 256 А4 А2 А4 А2 - 256 128 256 - А4 АО АО

Полный цветовой телевизионный видеосигнал ПЦТВ, содержащий информацию ТХТ, из видеотракта поступает на вывод 27 видеопроцессора VIP2 (DD5) - специализированную микросхему SAA5231 (аналог - КР1087ХА7). Обработка ПЦТВ в VIP2 заключается в выделении сигналов синхронизации (VCS) и синхронном детектировании поднесущей 3,46875 МГц. Полученные в результате детектирования сигналы телетекста TTD усиливаются и ограничиваются. Они представляют собой передаваемые во время КГИ последовательности импульсов и пауз различной длительности - токовое отображение цифровых кодов символов строк страниц ТХТ. Для декодирования (превращения в цифровую форму) сигналов такого рода необходимо иметь параллельный синхронный и синфазный поток импульсов синхронизации (ТТС) с частотой, равной или кратной максимальной частоте следования сигналов TTD.

Частота следования импульсов ТТС принята равной 6,9375 МГц. Она формируется в видеопроцессоре VIP2 делением на два частоты сигнала генератора с кварцевым резонатором ZQ3. Это обеспечивает синхронность потоков TTD и ТТС. Их синфазность устанавливается корректировкой фазы сигнала ТТС имеющейся в VIP2 системой ФАПЧ при сравнении трехуровневых стробирующих импульсов SSC, поступающих в VIP2 из формирователя ЕССТ, с импульсами VCS, выделенными из ПЦТВ.

Если ПЦТВ имеет недостаточный размах, работа системы ФАПЧ становится неустойчивой и вместо импульсов VCS для управления ею используется искусственный синхросигнал TCS, формируемый в ЕССТ. Переключение импульсов VCS на TCS на входе системы ФАПЧ обеспечивается в видеопроцессоре VIP2 узлом анализа уровня ПЦТВ.

Обработка сигналов в VIP2 происходит на частоте 6,0002 МГц, формируемой генератором на резонаторе ZQ4. Импульсы этой частоты (F6) передаются и в ЕССТ для получения сигнала TCS. Одновременно в ЕССТ из VIP2 проходят сигналы TTD, ТТС, VCS.

Формирователь сигналов R, G, В телетекста ЕССТ (микросхема SAA5243 P/R или аналог КР1568ВГ2) обеспечивает выделение из потоков TTD, ТТС тех их частей, которые относятся к страницам, подлежащим записи в память и выводу на экран. Выделенные импульсы разделяются на восьмибитовые группы, соответствующие байтам символов, которые затем преобразуются из последовательных кодов в параллельные. В таком виде они записываются в оперативную память текстов страниц (RAM-TXT) по восьмиразрядной шине DO-D7. Всего в RAM-TXT четырехстраничного декодера МСТ-601 при каждом наборе номера страницы N на ПДУ записываются четыре страницы с номерами N-1, N, N+1, N+2. Для каждой из них заносятся 24 (по числу строк в странице) комплекта из 42 байтов сигналов TTD и 42 байтов сигналов ТТС. Всего - 2016 байт (объем памяти микросхемы DD7 равен 8 кбайт или 8192 байта). Первые три синхронизирующих байта строки в RAM-TXT не записываются.

Размещением указанных комплектов сигналов в RAM-TXT управляет формирователь ЕССТ по 13-разрядной шине адресов АО-А12. Затем он выводит из RAM-TXT на экран сведения, относящиеся к странице с номером N или (по команде с ПДУ) N+1, N+2. Информация страницы N-1 в модуле МСТ-601 может быть выведена только в режиме FAST.

Преобразование выводимых сигналов из машинных кодов в символьную форму происходит в знакогенераторе, имеющемся в ЕССТ. Этот знакогенератор (подобно знакогенератору CCU-TV), кроме преобразования кодов, формирует значение яркости точек матрицы изображения нужного символа, а затем развертывает эти сигналы яркости вдоль телевизионных строк в том месте, на котором должен находиться символ. С подробностями его работы можно ознакомиться в разделе "84С44&№42;&№42;, 84С64&№42;&№42;, 84С84&№42;&№42;" справочника [4].

Сформированные в ЕССТ сигналы R, G, В и FB телетекста вместе с такими же сигналами OSD из CCU-TV проходят на коммутатор сигналов R, G, В DD8 (выполненный на SN74LS241 или аналоге КР1533АП4). Эта микросхема - двухканальный буферный усилитель (по четыре усилителя в каждом канале) и при соединении выходов попарно образует коммутатор. Она передает сигналы ТХТ и OSD в видеопроцессор телевизора для вывода после их сложения на экран.

Для обеспечения стабильного положения страницы ТХТ на экране необходимо, чтобы импульсы запуска кадровой развертки КИзап и кадровые компоненты сигналов VCS, TCS совпадали по фазе. Иначе возникает неприятное дрожание текста страницы по вертикали. Для исключения такого явления положение фронтов импульсов (КИзап) корректируется импульсами РОЕ, формируемыми в ЕССТ и передаваемыми в блок кадровой развертки телевизора.

Модуль МСТ-601 использован в телевизорах ГОРИЗОНТ-СТV601/602 совместно с пультами ПДУ-6 или ПДУ-6-1. Принципиальная схема модуля опубликована в [5].

По схеме, изображенной на рис.2, построены и простые декодеры, работающие только в режиме LIST. Их примером служит модуль телетекста МДТ-655, использованный в телевизорах ГОРИЗОНТ-CTV655 и TVT2054TX/2154ТХ. В нем нет CCU-TXT и ППЗУТХТ (DD3 и DD4 на рис. 2, обведенные штрихпунктирной линией). Соединение остальных микросхем и их функционирование остались такими же. В модуле МДТ-655 использован CCU-TV того же типа, что в МСТ-601, но другой модификации: РСА84С640Р-030. Обе микросхемы имеют одинаковые характеристики и цоколевку, но разное ПО. В модификации 030 установлено ПО CTV320S, отличающееся от CTV322S отсутствием управления модулем "Кадр в кадре". Возможности управлять декодером ТХТ у ПО и модификаций микросхем одинаковы. Кстати, ПО CTV320S имеет и модификация 019 этой микросхемы, которая может служить заменой РСА84С640Р-030. Принципиальная схема МДТ-655 рассмотрена в [5].

Система телетекста
(нажмите для увеличения)

Для использования в телевизоре ГОРИЗОНТ-CTV655 был разработан модуль телетекста с расширенными возможностями МДТ-656. Его схема также представлена в [5]. По сравнению с устройством по схеме на рис. 2 в нем вместо VIP2 и ЕССТ использован процессор телетекста SAA5281ZP/R, заменивший эти две микросхемы. Ограниченность функций, выполняемых CCU-TXT, привела к тому, что они в дальнейшем были переданы в более сложные процессоры LP, объединившие в одном корпусе CCU-TXT, VIP2, ЕССТ. Это упростило декодеры при сохранении многорежимной работы.

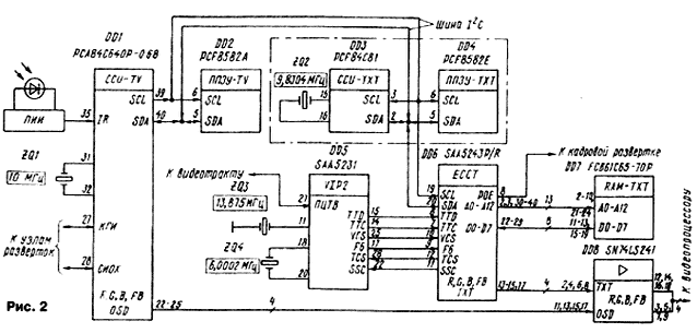
Декодер, построенный с использованием такой микросхемы SAA5246P/R, использован в телевизорах TVT2594TX/ 2894ТХ. Его структурная схема показана на рис. 3. Технология обработки сигналов ТХТ соответствует описанной выше. Сократилось вдвое число кварцевых резонаторов. Принципиальная схема декодера дана в [6]. Такое построение декодеров применила фирма SONY в модели KV-M14 и фирма GRUNDIG в устройствах с процессором SAA5273. Русифицированный вариант декодера для телевизоров SONY-KV- M14 производит отечественная фирма "Комплект" под обозначением ТТК-10.

Система телетекста

Следующим шагом на пути совершенствования декодеров стало объединение CCU-TV и процессора ТХТ. С появлением таких микросхем система управления телевизора и декодер превратились в однокристальный (если не считать микросхем памяти) модуль. Напомним, что первые модели систем управления телевизором содержали два десятка микросхем и еще десяток микросхем насчитывался в декодере ТХТ.

Существует несколько типов таких микросхем, в частности SDA5250 и SAA5296. Первая использована в системе управления и декодере ТХТ приемников SONY-KV-21X. Структурная схема системы изображена на рис. 4, а принципиальная схема дана в [7]. Отличие декодера от рассмотренных ранее таковы: с выводов 45-48 снимаются сигналы R, G, В, FB как OSD телепрограмм, так и ТХТ (коммутатор этих сигналов на общие выводы находится в микросхеме). Процессор использует две внешние микросхемы памяти RAM-TXT (DD3) и ППЗУ-TV, ТХТ (DD2), а также пять внутренних блоков памяти: RAM команд управления, RAM страницы ТХТ, ROM объединенного знакогенератора OSD и ТХТ, ROM и RAM микропроцессора.

Система телетекста

Микроконтроллер системы управления и десятистраничного декодера ТХТ SAA5296 в настоящее время одна из лучших микросхем такого типа. Она имеет многочисленные интерфейсы и ПО, позволяющие управлять аналоговым или цифровым телевизором любой сложности и обрабатывать сигнал ТХТ в любых режимах. Сведения о ней и схема включения представлены в [8].

Все рассмотренные выше декодеры управляются по шине I2C. Расскажем о декодерах, в которых использованы другие шины.

Цифровая шина Ml была предложена фирмой PHILIPS для управления декодерами, в которых применен комплект микросхем SAA5020, SAA5030, SAA5040, SAA5050 и другие, более простые. Всего в декодере - десять микросхем. Его типовая схема показана в [4]. Декодер управляется микросхемой SAA1251 или SAA1293. Все эти микросхемы к настоящему времени устарели, и вместе с ними вышла из употребления шина Ml.

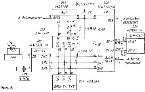
Шина IM и сегодня используется для управления декодерами ТХТ наравне с I2C. Одной из причин этого можно указать наличие комплекта микросхем, позволяющего с шиной IM реализовать более простое построение цифрового блока цветности, чем это в настоящее время возможно на микросхемах, управляемых по шине I2C. С использованием шины IM созданы декодеры ТХТ с цифровой обработкой сигналов TTD. Пример такого устройства - модуль МТТ-57 телевизоров ЭЛЕКТРОН- ТК551/557. Его структурная схема изображена на рис. 5, а принципиальная схема рассмотрена в [9].

Система телетекста

Декодер состоит из аналого-цифрового преобразователя АЦП DD2, процессора развертки DD3, процессора LP DD5 с микросхемой памяти DD6. Его работа значительно отличается от принципов функционирования рассмотренных ранее устройств. Декодер управляется командами, поступающими от CCU-TV (DD1) SAA1293A-03 или TVP02066-A26. ПЦТВ из видеотракта поступает на микросхему DD2, состоящую из синхронного детектора, усилителя-ограничителя и АЦП. Полученные в результате детектирования сигналы TTD приходят на АЦП, где преобразуются в группы семиразрядного параллельного кода, соответствующие байтам исходных сигналов ТХТ. Эти коды проходят по семиразрядной шине VO-V6 в процессор развертки и без старшего бита по шестиразрядной шине VO-V5 - в процессор LP.

В процессоре развертки DD3 (DPU2540/43) из цифрового потока TTD выделяются импульсы синхронизации и гашения, которые затем передаются в процессор ТХТ. Цифровое представление потока TTD значительно упрощает разделение сигналов. Дело в том, что строчные синхроимпульсы обнаруживаются по появлению единиц в старших разрядах кода на выходе АЦП. Синхроселектором в этом случае служит простое устройство, выделяющее разряд V6 кода и превращающее его в импульс синхронизации необходимой формы и амплитуды.

Обработка цифрового потока TTD в процессоре LP заканчивается формированием текстов страниц в машинных кодах, передаваемых по шине DO-D3 в RAM-TXT (DD6) четырехбитовыми словами с адресацией их по восьмиразрядной шине АО-А7. Объем памяти равен 128 кбайт, что позволяет хранить в ней до 128 страниц. По команде ПДУ информация из RAM вызывается в процессор LP, имеющий внутренний знакогенератор, и после преобразования в символьную форму передается в видеопроцессор телевизора.

Модуль выпускался в двух вариантах: ММТ-57 - для работы в режимах LIST, PAST, FLOF и TOP и ММТ-57-1 для работы только в режиме LIST.

Вторая составная часть любой системы телетекста - СДУ телевизором: ПДУ, CCU-TV. цифровая шина и ПО. Способы организации связи декодера ТХТ с CCU-TV. шиной и ПО были рассмотрены при описании декодеров. Перейдем к вопросам организации управления декодером с ПДУ.

Существует много различных моделей ПДУ. отличающихся числом подаваемых команд, кнопок и их назначением. В СДУ RC-5, используемой в аппаратуре с цифровой шиной l2C. для управления декодером ТХТ предусмотрен набор из 40 команд. Их полный перечень дан в [4]. Как правило, в ПДУ применяют лишь часть из них, выбранную по усмотрению разработчиков аппаратуры. В результате порядок управления декодером в телевизорах разных марок оказывается организованным по-разному.

Для анализа возьмем пульт ПДУ-6, используемый для управления рассмотренным ранее модулем МСТ-601. Он имеет 36 кнопок, из которых для управления декодером служат 26. Они показаны на рис. 6 в виде закрашенных (черных и цветных) прямоугольников, там же указано их назначение. Пульт позволяет работать с информацией в режимах LIST, FAST и FLOF.

Система телетекста

При включении телевизора в рабочий режим (кнопка 1) ПО декодера автоматически устанавливается в начальный адрес и вводится режим FAST.

Для того чтобы начать ознакомление с информацией ТХТ в этом режиме, следует настроиться на программу, ведущую передачи ТХТ в этом режиме, и нажать на кнопку 10 ПДУ. На экране появится строка заголовка с номером N. Если N#0. нужно нажать на кнопку 7 вызова страницы 100.

Когда страница 100 появилась на экране, нужный журнал выбран и известен номер его первой страницы, следует набрать этот номер кнопками "0"-"9" наборного поля 13. Если журнал начинается со страницы 101. то для перехода к ней нажимают на кнопку 12.

На первой странице журнала, кроме оглавления, есть строка статуса, а в ней - четыре цветных поля (красное, зеленое, желтое и синее) с номерами страниц. Следует на ПДУ нажать на одну из кнопок в зоне 8 цвета, совпадающего с цветом поля с номером, равным или близким номеру нужной страницы. На экране появится желаемая или какая-нибудь другая страница с другими номерами в цветных полях. Повторяя эту процедуру, необходимо выйти к нужному разделу. Перебор страниц в нем будет обеспечиваться либо автоматически через каждые 30...45 с. либо их вызовом по номерам.

Для того чтобы перейти к ТХТ. передаваемому по другой программе, нужно выключить декодер кнопкой 10. включить нужный канал, снова нажать на кнопку 10 и. если он также работает в режиме FAST, действовать так. как было рассказано выше, или перейти в режим LIST.

Режим LIST включают кнопкой 2 ("Р+"). для возврата в режим FAST нужно нажать ее снова. При выборе информации в этом режиме следует так же, как в режиме FAST, вызвать страницу 100 (кнопкой 7). Затем кнопками "0"- "9" наборного поля 13 набрать номер первой страницы журнала, а после его появления набрать номер первой страницы нужного раздела. Каждый раз в память заносятся страницы с номерами (N-1 )-(N+2). из которых на экран выводится страница N. К страницам N+1. N+2 переходят нажатием на кнопку 12. Для вызова очередной группы страниц с продолжением раздела нужно набрать номер страницы N+3 кнопками "0"-"9" наборного поля 13 или еще раз нажать на кнопку 12. После некоторого ожидания очередные четыре страницы будут записаны в память, а на экране появится страница N+3.

В режимах LIST и FAST возможны и другие операции, перечисленные в табл. 2 с указанием необходимых действий. Возможны также и более сложные операции: вызов скрытой информации (кнопки 5 и 4). просмотр телевизионной программы во время работы декодера по поиску нужных страниц в потоке сигналов ТХТ. Эти операции требуют нажатия нескольких кнопок на ПДУ в определенной последовательности и выполняются не на всех отечественных телеканалах.

Система телетекста

Состав ПО CCU-TV описан в [3]. Что касается порядка его работы по управлению декодером телетекста, то при каждом нажатии на кнопку ПДУ формируется команда управления декодером, CCU-TV направляет ее в шину 1гС по адресу CCU-ТХТ и ожидает подтверждения от него. Если в декодере нет CCU-ТХТ (подтверждение не поступило). CCU-TV повторяет команду в адрес ЕССТ. Если подтверждения о получении команды не поступает и на этот раз. CCU-TV распознает ситуацию как отсутствие декодера, воспринимает команду как невыполнимую и сообщает об этом, формируя желтый прямоугольник в левом верхнем углу экрана.

Если подтверждение поступило от CCU-TXT или ЕССТ. то процессор CCU-TV включает имеющиеся в нем программы обработки команд ПДУ по управлению декодером телетекста и записывает в ППЗУ-TV номера вызываемых страниц. В режиме FAST он формирует и передает в CCU-TXT команду "Задание списка" при переходе к очередному телевизионному каналу.

ПО CCU-TXT представлено стандартными наборами программ с именами CTV900/940/970-976/988/990/991S Их основные характеристики перечислены в [10]. В частности, процессор PCF84C81 (см. рис. 2) использует ПО CTV972S.

Любой набор ПО ТХТ включает в себя следующие стандартизованные пакеты программ: 8/30 - обеспечивающий работу знакогенератора; 24 - обслуживающий режимы FAST и FLOR 26 - для обработки текстов с расширенным набором знаков (например, испанского языка, алфавит которого содержит 32 символа); 27 - обеспечивающий связь страниц.

Существует пять модификаций пакета 0/30 в зависимости от набора обрабатываемых языков. Их обозначают символами А, Е, Н, К, R в типе микросхемы, содержащей знакогенератор. Например, в микросхеме SAA5243P/R пакет обрабатывает кириллицу (символы русского языка и латыни), в микросхемах SAA5243P/E и SAA5243P/H - латинские символы в системах вещания с разверткой в 625 строк, SAA5243P/A - латинские символы при развертке в 525 строк, a SAA5243P/K - латинские и арабские символы.

Остановимся на вопросе о возможных искажениях сигналов в системах ТХТ. Они проявляются в неустойчивости приема и пропадании символов или замене их другими (например, кириллицы на латинские). Неустойчивый прием возникает при недостаточном уровне сигнала в месте приема или пониженной чувствительности телевизора. Пропадание или замена символов - это следствие повышенной чувствительности цифрового сигнала ТХТ к помехам импульсного характера и эхо-сигналам, вызванным отражениями от местных предметов и неоднородностей антенного кабеля. С этой точки зрения, система передачи сигналов ТХТ, принятая в стандарте NTSC (фазовая модуляция подне-сущей 2,5 МГц), более устойчива к воздействию импульсных помех и обеспечивает надежный прием.

Появление помех может быть и результатом неточной настройки телевизора на несущую телевизионного сигнала. Смещение настройки приводит либо к сужению полосы пропускания (потере верхних частот в видеосигнале), либо к проникновению в видеосигнал ЧМ модулированных составляющих звукового сопровождения. В обоих случаях декодирование потока сигналов ТХТ происходит с многочисленными ошибками, которые не могут быть исправлены введенными в них средствами защиты. Согласно [1] четкая, без ошибок, работа декодера ТХТ обеспечивается при расстройке гетеродина приемника не более чем на ±250 кГц. Остаточное значение расстройки при работе системы АПЧГ нормируется на уровне не более ±100 кГц, но на практике она очень часто бывает больше. В случае искажений сигналов теле текста в первую очередь нужно проверить качество телевизионного приема и при необходимости подстроить систему АПЧГ телевизора.

Существуют искажения и другого рода. На рис. 1 видно, что сигналы ТХТ расположены в средней части интервала изменения яркости изображения.

соответствующей сигналам серого. При нормальной работе системы гашения обратного хода лучей они не будут видны на экране. При неправильной установке длительности импульсов гашения кадровой развертки появляются светлые точки от битов 1 сигналов ТХТ в верхней части экрана. В его нижней части они появятся, если в телевизоре неправильно установлены уровни кадрового и строчного компонентов сигнала SSC или соотношение между ними, а следовательно, - уровень фиксации черного.

Указанные явления объясняются наличием сигналов ТХТ в ПЦТВ и могут возникать в любом телевизоре, даже не имеющем декодера ТХТ. Их появление следует рассматривать как сигнал о недостатках в работе систем фиксации уровня, гашения и ограничения тока лучей. Причиной этого может быть неправильная регулировка яркости.

Многие владельцы телевизоров устанавливают яркость на уровень, обеспечивающий высокую интенсивность белого. При этом диапазон воспроизводимых градаций яркости не только уменьшается, но и весь их интервал сдвигается в сторону повышенных яркостей. Восстановления уровня черного добиваются увеличением контрастности. Это искажает изображение и способствует появлению указанного выше дефекта. Не случайно поэтому в ряде публикаций на эту тему уже высказывалось мнение о том. что следует исключить регулировку яркости из числа оперативных. Необходимые ее изменения при разных интенсивностях внешнего освещения предлагается обеспечивать регулировкой контрастности. Эта тема требует отдельного разговора и затронута лишь в связи с возможными помехами от сигналов ТХТ.

В заключение кратко упомяну о новом направлении развития системы телетекста - системе RDS [11]. Сегодня такие сигналы передаются не только по телевизионным, но и по радиовещательным каналам. Такие передачи в Москве ведет радиостанция "Серебряный дождь", информирующая слушателей о погоде, финансах и пр. В радиоприемниках, имеющих декодер сигналов с CCU и ПО. эти сообщения выводятся бегущей строкой на буквенно-цифровое табло. Работа таких устройств построена на принципах, совпадающих с использованными в телевидении, но на совершенно других технических решениях.

Перейдем к некоторым практическим советам.

Если у вас импортный телевизор с декодером ТХТ. знакогенератор которого не содержит русский алфавит, а декодер представляет собой съемный модуль, следует заменить его русифицированным вариантом. В продаже имеются такие модули практически для всех типов телевизоров. Необходимо лишь убедиться, что новый модуль предназначен именно для использования в вашем телевизоре. Исправный новый модуль будет работать без какой-нибудь регулировки.

В случае, если нужной модели русифицированного модуля в продаже не окажется или декодер смонтирован на плате телевизора, рекомендуется заменить в нем ту микросхему, которая содержит знакогенератор ТХТ. на новую с индексом P/R в обозначении (см. выше). В зависимости от конструкции декодера это будут ЕССТ. LP или CCU. Вы-пайка из платы микросхемы с большим числом выводов требует аккуратности и специальных навыков.

Что касается замены CCU в однокристальной системе управления телевизором и декодером, то она представляется нерациональной и нецелесообразной. В таком случае придется смириться с необходимостью читать русский текст, написанный латинскими символами.

Когда в телевизоре нет декодера, но есть разъем для его установки, приобретите русифицированный вариант для данной модели аппарата и установите в него модуль. Регулировка телевизора при этом не потребуется.

При желании установить декодер ТХТ в телевизор третьего или четвертого поколения, следует, по моему мнению, остановить выбор на модуле МСТ-601. Нужен будет также пульт ПДУ-6 и узел коммутации сети для МСТ-601. Объем работ по установке модуля в телевизор идентичен описанному в [2, 12. 13) для установки МСН-501 с поправкой на другую компоновку соединительных кабелей и разницу в амплитудах и формах напряжений, подаваемых по ним.

Если же в телевизоре третьего или четвертого поколения уже установлен синтезатор напряжений МСН-501. то для введения ТХТ можно использовать модуль МДТ-656. Эта работа не так уж сложна и по плечу радиолюбителям, имеющим опыт установки МСН-501 в свои телевизоры.

Литература

  1. Джакония В., Гоголь А., Друзин Я. и др. Телевидение: учебник для вузов. - М.: Радио и связь, 1997.
  2. Виноградов В. Уроки телемастера. Изд. 2. - С.-Пб.: ЛАНЬ, КОРОНА-ПРИНТ, 1997.
  3. 3. Брылов В. Системы управления телевизорами. - Радио,1999,№ "Радио",1999,№6, "Радио",1999,№7, "Радио",1999,№9.
  4. Интегральные микросхемы: Микросхемы для телевидения и видеотехники. Справочник, вып. 2. - М.: ДОДЭКА, 1995.
  5. Лукин Н., Корякин-Черняк С. Узлы и модули современных телевизоров. Серия "Ремонт", вып.З. -М.: Наука и техника & СОЛОН, 1995.
  6. Пескин А., Коннов А. Ремонт телевизоров TVT. Серия "Ремонт", вып. 16. - М.: СОЛОН, 1997.
  7. Пескин А., Коннов А. Телевизоры зарубежных фирм. Серия "Ремонт", вып. 17. М.: СОЛОН, 1998.
  8. Single chip economy 10 page teletext/TV microcontroller SAA5296. - Радиолюбительская схемотехника, 1998, № 2, с.22-27.
  9. Лукин Н., Янковский С., Корякин-Черняк С. Узлы и модули современных телевизоров. Серия "Ремонт", вып. 5. - М.: Наука и техника & СОЛОН, 1996.
  10. Аникеенко В., Игнатенко П. Интегральные микросхемы современного телевидения. Справочное пособие. - Минск: Изд. В. Аникеенко. 1994.
  11. Мелешко И. Приемник сигналов RDS. - Радио. 1999. № 7.8.
  12. Брылов В. 68 программ в телевизорах ЗУСЦТ. - Радио. 1997. № 11. с. 8-10: № 12. с. 8-10.
  13. Хомич А. Установка МСН-501 в ТВ третьего поколения. - Радиолюбитель, 1998. № 9. с. 6.7.

Автор: В.Брылов, г.Москва

Смотрите другие статьи раздела Телевидение.

Читайте и пишите полезные комментарии к этой статье.

<< Назад

Последние новости науки и техники, новинки электроники:

Власть является ключевым фактором счастья в отношениях 11.03.2026

Исследования семейных и романтических отношений показывают, что длительное счастье пары зависит не только от привычных факторов, таких как доверие, уважение и преданность, но и от более тонких психологических аспектов. Современные ученые ищут закономерности, которые отличают действительно счастливые пары от остальных, чтобы понять, какие механизмы поддерживают гармонию в отношениях. Группа исследователей из Университета Мартина Лютера в Галле-Виттенберге и Бамбергского университета провела опрос среди 181 пары, которые состояли в совместных отношениях более восьми лет и прожили вместе хотя бы месяц. Участники заполняли анкету, описывая различные аспекты своих отношений, включая распределение обязанностей, эмоциональную поддержку и степень вовлеченности в совместные решения. Анализ данных показал интересный паттерн: пары, где оба партнера ощущали высокий уровень личной власти, оказывались наиболее счастливыми и удовлетворенными. В данном контексте под властью понимается способност ...>>

Защищенная колонка-повербанк Anker Soundcore Boom Go 3i 11.03.2026

Компания Anker представила новую модель линейки Soundcore - колонку Soundcore Boom Go 3i, ориентированную на активное использование на улице. Новинка отличается высокой степенью защиты: корпус соответствует стандарту IP68, что обеспечивает водо- и пыленепроницаемость, а ударопрочный дизайн выдерживает падение с высоты до одного метра. За качество звука отвечает 15-ваттный драйвер, обеспечивающий пик громкости до 92 дБ, а технология BassUp 2.0 усиливает низкие частоты, делая звучание более насыщенным. Колонка обладает автономностью до 24 часов, а LED-индикатор позволяет контролировать уровень заряда батареи. Кроме того, Soundcore Boom Go 3i может выполнять функцию павербанка: согласно внутренним тестам, устройство способно зарядить iPhone 17 с нуля до 40% за один час, что делает его полезным аксессуаром в походах и поездках. Среди функциональных особенностей модели стоит выделить технологию Auracast, которая улучшает подключение и позволяет создавать стереопару из двух колонок ...>>

Раннее воздержание от алкоголя перестраивает мозг и иммунитет 10.03.2026

Алкогольная зависимость - хроническое расстройство с компульсивным употреблением спиртного, которое влияет не только на поведение, но и на функционирование мозга и иммунной системы. Недавние исследования показали, что даже на ранних этапах воздержания организм начинает перестраиваться, открывая новые возможности для терапии зависимости. Ученые сосредоточились на пациентах, находящихся в первые недели абстиненции, и зафиксировали значительные изменения в мозговой активности. С помощью функциональной магнитно-резонансной томографии они выявили перестройку сетей нейронных связей, отвечающих за контроль импульсов и принятие решений. Эти изменения могут быть ключевыми для восстановления самоконтроля и снижения риска рецидива. Одновременно с нейронной перестройкой исследователи наблюдали колебания иммунной системы. В крови повышался уровень цитокинов - сигнальных белков, регулирующих воспалительные процессы. Эти данные свидетельствуют о существовании нейроиммунного взаимодействия, при ...>>

Случайная новость из Архива

Зуб шпионит за человеком 26.09.2013

Команда исследователей из Национального университета Тайваня разработала датчик, предназначенный для встраивания в зуб. Датчик с помощью акселерометра способен точно определять, какие именно действия выполняет челюсть: участвует в жевании, кашле, разговоре, курении, приеме пищи и т.д.

Датчик достаточно мал, чтобы поместиться внутри искусственного зуба или в полости натурального. Пока для передачи данных на компьютер датчик использует крохотные провода, но разработчики обещают, что следующий прототип при тех же габаритах будет оснащен беспроводным приемопередатчиком Bluetooth. Пока зубной датчик передает информацию по тонким проводам, но в ближайшее время разработчики обещают представить беспроводную версию.

Датчик работает очень просто. Вначале ученые провели калибровку устройства и записали показания акселерометра при самых разных действиях человека. Впоследствии установленный в челюсть датчик фиксирует данные акселерометра и с высокой точностью определяет, чем человек занимается в данный момент.

Для чего может пригодиться подобное устройство? Прежде всего для медицинской диагностики. Подобные датчики могут понадобиться стоматологам для постановки более точного диагноза, когда нужно знать привычки человека, частоту скрежета зубами, употребления еды и т.д. Также подобные устройства могут помочь работе психологов и диетологов, которым необходимо контролировать уровень стресса пациента и режим его питания.

Чтобы проверить точность прибора, исследовательская группа прибегла к помощи восьми добровольцев. Подопытным прикрепили датчик к зубам и попросили в течение примерно 30 секунд выполнить несколько различных видов деятельности: покашлять, пожевать жевательную резинку и т.д. Точность определения типа движения составила 93,8 %.

Разработчики продолжают работать над улучшением датчика и рассчитывают вскоре получить беспроводное устройство, способное поместиться в обычную зубную коронку. В будущем, возможно, функционал таких датчиков расшириться, например к ним добавят медицинские анализаторы или микрофон.

Другие интересные новости:

▪ Диетическая кола не поможет похудеть

▪ Переработка пластика в графен с выделением чистого водорода

▪ Растения умеют отличать друзей от врагов

▪ Температура мирового океана поднимается четыре года подряд

▪ Беспроводная передача данных со скоростью 40 Гбит/с

Лента новостей науки и техники, новинок электроники

 

Интересные материалы Бесплатной технической библиотеки:

▪ раздел сайта Радиоприем. Подборка статей

▪ статья Филип Котлер. Знаменитые афоризмы

▪ статья Почему капитану Куку не удалось открыть Антарктиду? Подробный ответ

▪ статья Охранник. Типовая инструкция по охране труда

▪ статья Электронная ловушка для насекомых. Энциклопедия радиоэлектроники и электротехники

▪ статья Растения выделяют при дыхании кислород. Химический опыт

Оставьте свой комментарий к этой статье:

Имя:


E-mail (не обязательно):


Комментарий:





Главная страница | Библиотека | Статьи | Карта сайта | Отзывы о сайте

www.diagram.com.ua

www.diagram.com.ua
2000-2026