Menu Home

Бесплатная техническая библиотека для любителей и профессионалов Бесплатная техническая библиотека


Ремонт видеомагнитофонов и видеоплейеров. ЛМП в аппаратах фирмы SHARP. Энциклопедия радиоэлектроники и электротехники

Бесплатная техническая библиотека

Энциклопедия радиоэлектроники и электротехники / Телевидение

Комментарии к статье Комментарии к статье

Видеомагнитофоны (видеоплейеры) фирмы SHARP ранних выпусков с асимметричным расположением кассетоприемника часто выходят из строя из-за неисправности элементов ЛПМ. Дефекты, рассмотренные ниже, у большинства аппаратов (таких, как VC-6V3 и др.) проявляются уже через два-три года в зависимости от интенсивности эксплуатации. Это вызвано, как показала практика, конструктивными недоработками ЛПМ, а также несоблюдением правил пользования.

Внешний вид узлов ЛПМ видеоплейера SHARP-VC-6V3 с разных сторон показан на рис. 1-4. В перечне наиболее часто встречающихся неисправностей не указаны случаи, связанные с дефектами самих ЛПМ и БВГ, которые влияют на качество записи и воспроизведения, так как о них довольно подробно рассказано в технической литературе, и они присущи всем типам подобных аппаратов. Здесь будут описаны неисправности кассетоприемника, программных переключателя и планки узла промежуточной шестерни.

Ремонт видеомагнитофонов и видеоплейеров. ЛМП в аппаратах фирмы SHARP

1. Кассета не заправляется, двигатель заправки не вращается

начале проверяют источник питания. Для этого вольтметром измеряют (если это возможно) его выходные напряжения на соединителе (рис. 1, поз. 1).

Затем проверяют микросхему управления двигателем заправки. Найти ее легко - она установлена перпендикулярно к печатной плате и имеет 9 или 10 выводов. Выводы питания двигателя заправки соединены непосредственно с ее выводами.

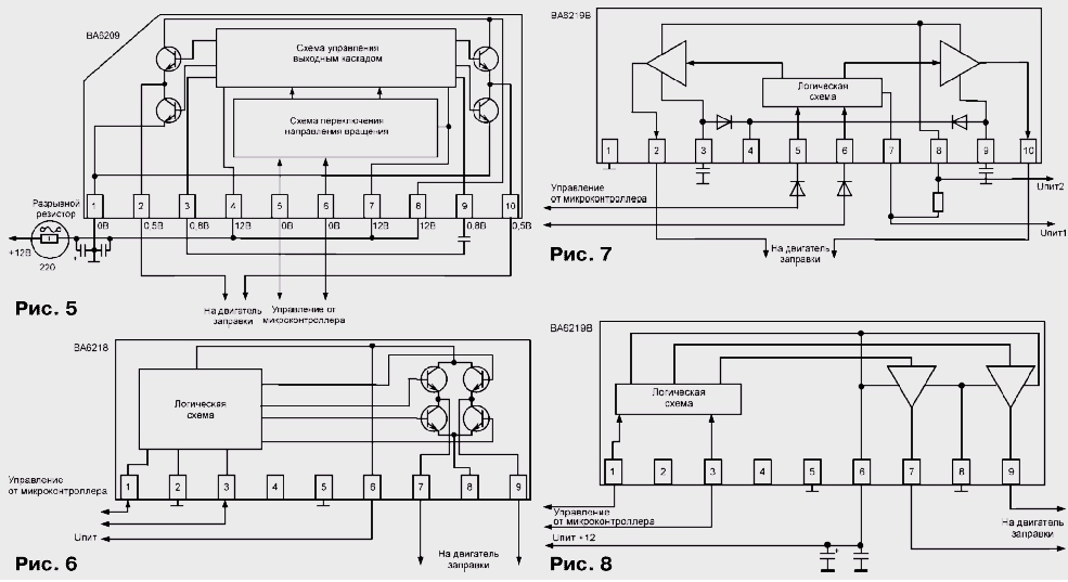
Микросхема управления может быть BA6209, BA6218, BA6219B или BA6418. Их структурные схемы изображены на рис. 5-8 соответственно.

Ремонт видеомагнитофонов и видеоплейеров. ЛМП в аппаратах фирмы SHARP
(нажмите для увеличения)

Убеждаются в поступлении питающего напряжения на микросхему от источника питания. Оно обычно равно 12 В. Если питающего напряжения на выводах микросхемы нет, проверяют исправность элементов, включенных между источником питания и микросхемой (например, блокировочные конденсаторы и разрывные резисторы на рис. 5).

Бывает, что питающее напряжение на микросхему управления приходит, а двигатель заправки все же не включается. Тогда проверяют сам двигатель (см. рис. 1, поз. 4). Для этого отключают (если это возможно) разъем, который подключен к узлу программного механизма (см. рис. 1, поз. 3), или отпаивают провода питания двигателя заправки. От внешнего источника питания подают напряжение 12 В в любой полярности на выводы двигателя. Вращение последнего свидетельствует о его исправности.

Следует также убедиться в наличии питающих напряжений на выводах микроконтроллера аппарата (обычно +5 В). Далее проверяют целостность проводников от микроконтроллера к микросхеме управления двигателем заправки (см. рис. 5-8).

Затем контролируют правильность срабатывания механического датчика заправки видеокассеты, расположенного на плате датчиков кассетоприемника (см. рис. 1, поз. 8). В исходном состоянии его контакты должны быть замкнуты. При вставлении видеокассеты они размыкаются. Для того чтобы иметь доступ к датчику, снимают переднюю панель аппарата (она закреплена на пластмассовых защелках), отключают гибкий шлейф от платы датчиков (см. рис. 1, поз. 7), вывинчивают два винта крепления кассетоприемника к станине ЛПМ (часто эти винты закрашены красной краской) и снимают пассик (см. рис. 1, поз. 5) с двигателя заправки. После этого, слегка покачивая, снимают кассетоприемник. При снятом кассетоприемнике вставляют видеокассету и, легко нажимая на нее по ходу движения, контролируют срабатывание датчика заправки кассеты.

Если все эти действия не привели в итоге к устранению неисправности, микроконтроллер аппарата подлежит замене.

Перед тем, как обратно установить кассетоприемник в ЛПМ, обратите внимание на то, чтобы ложе кассетоприемника было в крайнем переднем положении (см. рис. 2, поз. 1). Если оно отошло вглубь, вращением вала двигателя заправки (рис. 1, поз. 6) смещают его в крайнее переднее положение.

2. Не выполняются команды "Стоп" и "Выброс кассеты" из положения "Воспроизведение" или "Запись"

При выполнении этих команд ЛПМ должен удалить ленту из БВГ и реверсивно (сначала в одну, затем в другую сторону) перемотать кассету в течение 1...2 с в каждом направлении, а затем выгрузить кассету. Реверсивная перемотка видеокассеты воспринимается на слух как два громких щелчка с интервалом 2...3 с.

3. Видеокассета не перематывается в одном или обоих направлениях

4. Аппарат работает неустойчиво: вначале какая-нибудь команда управления ЛПМ отрабатывается, а через некоторое время - не выполняется

Общей причиной этих неисправностей (п. 2, 3, 4) может быть электромеханическая рассинхронизация ЛПМ или неисправность его элементов. Возможна также неисправность микроконтроллера и узла управления элементами ЛПМ, но о них пойдет речь в следующих статьях.

Для того чтобы устранить эти дефекты, проверяют исправность элементов ЛПМ. Вначале снимают переднюю панель и кассетоприемник (см. п. 1). Затем отвинчивают расположенные по периметру три винта крепления к ЛПМ узла двигателя заправки (см. рис. 1, поз. 2). Запоминают (отмечают) положение программной планки (см. рис. 3 и рис. 4, поз. 6), ее коромысла (см. рис. 3, поз. 3; рис. 4, поз. 5) и коромысла прижимного ролика (см. рис. 3, поз. 2). Разъединяют разъем (см. рис. 1, поз. 3) и, слегка покачивая корпус узла двигателя заправки, снимают его со стороны ЛПМ.

Если аппарат находится в положении "Стоп", контролируют правильность совмещения рисок программного переключателя (см. рис. 3, поз. 7, 8). Они должны находиться одна напротив другой.

Затем убеждаются в исправности программного переключателя. Для этого снимают с него диск (чаще всего красного, желтого или белого цвета, рис. 3, поз. 5), разжимая защелки крепления во внутреннем отверстии. Проверяют целостность контактных площадок и пружинного контакта, промывают их спиртом и смазывают небольшим количеством технического вазелина или специальной смазкой. Собирают программный переключатель.

Контролируют целостность напыленных на плату узла двигателя заправки пленочных резисторов (в модели SHARP-VC-6V3 они обозначены как RB21-RB25).

Далее снимают стопорную шайбу крепления коромысла прижимного ролика (см. рис. 3, поз. 2) и вынимают коромысло. Запоминают (отмечают) положение программной шестерни и также снимают ее.

Снизу освобождаются два коромысла: программной планки (см. рис. 3, поз. 3) и планки устройства заправки ленты в БВГ (на рисунке не показан). Зубья обеих планок фиксируются в канавках программной шестерни. Очень важно запомнить (отметить) положение их зубьев в ее канавках.

Проверяют целостность канавок программной шестерни как сверху, так и снизу. Осторожно снимают излишки смазки с шестерни и обрабатывают ею всю поверхность канавок. Использовать другую смазку для этих целей (например, литол) нежелательно.

Также небольшим количеством снятой смазки обрабатывают штыри крепления программной шестерни (см. рис. 3, поз. 1) и замедлительной шестерни (см. рис. 3, поз. 4).

Если программная шестерня исправна, устанавливают ее на место, следя за тем, чтобы зубья коромысла программной планки и устройства заправки ленты в БВГ попали в соответствующие канавки шестерни. Устанавливают на место коромысло прижимного ролика и фиксируют его стопорной шайбой. Вручную реверсивно вращая программную шестерню, проверяют работу механических узлов: движение программной планки, изменение по высоте положения промежуточной шестерни (рис. 4, поз. 3), движение заправочных роликов ленты в БВГ вперед и назад до упора, движение прижимного ролика к ведущему валу (см. рис. 1, поз. 10, 11).

Особое внимание обращают на то, чтобы программная шестерня вращалась без чрезмерного усилия. Максимальное сопротивление ее вращению создает программная планка, поэтому в момент наибольшего сопротивления шестерни добавляют смазку в те узлы, которые мешают поступательному продвижению планки (см. рис. 4, поз. 7-9). Реверсивно вращая программную шестерню, "размазывают" смазку по программной планке. Смазку снимают с узлов аппарата, имеющих ее излишки, или приобретают (ее называют смазкой ЛПМ для видеомагнитофонов).

Далее устанавливают в исходное положение программную шестерню, как показано на рис. 3. Совмещают риски программного переключателя (светлый треугольник напротив черного) и устанавливают узел двигателя заправки на ЛПМ так, чтобы срез штока программной шестерни совпал со срезом отверстия программного переключателя (см. рис. 3). Фиксируют узел двигателя заправки на ЛПМ тремя винтами.

Затем снимают главную и промежуточную шестерни (см. рис. 4, поз. 1 и 3 соответственно), смазывают их и устанавливают на место. Особое внимание уделяют легкости движения вверх-вниз промежуточной шестерни без залипаний в крайних положениях. Следует проверить легкость вращения подкатушников (см. рис. 4, поз. 4 и 10), предварительно освободив их от тормозных прокладок.

После этого устанавливают кассетоприемник на место и одевают его пассик на вал двигателя заправки (см. рис. 1, поз. 5, 9 соответственно). Завинчивают винты крепления кассетоприемника.

Нужно следить, чтобы пассики, подходящие к валу двигателя заправки, туго одевались и не проскакивали на шкивах. Убеждаются в хорошем качестве пассика, установленного между двигателем ведущего вала и главной шестерней (см. рис. 4, поз. 1). Еще раз проверяют качество сборки элементов, подсоединяют разъем к узлу двигателя заправки (см. рис. 1, поз. 3) и шлейф (см. рис. 1, поз. 7) к плате датчиков кассетоприемника (см. рис. 1, поз. 8).

Наконец включают аппарат и контролируют работоспособность ЛПМ. Если неисправность не устранилась, более тщательно проверяют элементы ЛПМ, исправность фотодатчиков движения подкатушников (расположены под ними) и кассетоприемника, а также транзисторов, находящихся на плате фотодатчиков кассетоприемника. В случае отсутствия дефектов заменяют микроконтроллер.

В статье ничего не сказано о неисправностях двигателя ведущего вала, но об этом - в другой раз. Дадим некоторые советы по обслуживанию ЛПМ:

1. В ЛПМ используют специальную смазку механических узлов, отечественного аналога которой в продаже нет. Если необходимо смазать те или иные элементы, следует осторожно снять ее излишки с других узлов.

2. Состояние пассиков и БВГ рекомендуется проверять не реже одного раза в год.

3. Чистить БВГ, а также магнитные головки цепей синхронизации и звука следует тонким безворсовым батистом, смоченным в спирте. Движения батиста при чистке должны происходить вдоль направления движения магнитной ленты с легким нажимом. Хорошей заменой спирта может служить специальная жидкость, входящая в комплект с чистящими дискетами для персональных компьютеров.

4. Не нужно увлекаться регулировкой внутреннего тормоза подкатушников. Если под ними стерлась фетровая прокладка, то ее следует заменить. В случае использования неисправных ("тугих") видеокассет подкатушники могут не вращаться. Если в них увеличить внутреннее подтормаживание (усилить трение между фетровым кольцом и пластмассовыми кольцами тормозного устройства подкатушника), то могут возникнуть проблемы при работе с исправными видеокассетами.

Автор: А.Родин, г.Москва

Смотрите другие статьи раздела Телевидение.

Читайте и пишите полезные комментарии к этой статье.

<< Назад

Последние новости науки и техники, новинки электроники:

Питомцы как стимулятор разума 06.10.2025

Помимо эмоциональной поддержки, домашние питомцы могут оказывать заметное воздействие на когнитивные процессы, особенно у пожилых людей. Новое масштабное исследование показало, что общение с кошками и собаками не просто улучшает настроение - оно действительно способствует замедлению возрастного снижения умственных способностей. Работа проводилась в рамках проекта Survey of Health, Ageing and Retirement in Europe (SHARE), охватывающего период с 2004 по 2022 год. В исследовании приняли участие тысячи европейцев старше 50 лет. Анализ показал, что владельцы домашних животных демонстрируют более устойчивые когнитивные функции по сравнению с теми, кто не держит питомцев. Особенно выражен эффект оказался у владельцев кошек и собак. Согласно данным ученых, владельцы собак дольше сохраняют хорошую память, в то время как хозяева кошек медленнее теряют способность к быстрому речевому взаимодействию. Исследователи связывают это с тем, что ежедневное взаимодействие с животными требует внимани ...>>

Мини-ПК ExpertCenter PN54-S1 06.10.2025

Компания ASUSTeK Computer презентовала новый мини-компьютер ASUS ExpertCenter PN54-S1. Устройство ориентировано на пользователей, которым важно сочетание производительности, энергоэффективности и универсальности - от офисных задач до мультимедийных проектов. В основе ExpertCenter PN54-S1 лежит современная аппаратная платформа AMD Hawk Point, использующая архитектуру Zen 4. Это поколение чипов отличается улучшенным управлением энергопотреблением и повышенной вычислительной мощностью. Новинка доступна в конфигурациях с процессорами Ryzen 7260, Ryzen 5220 и Ryzen 5210, представленных AMD в начале 2025 года. Таким образом, устройство охватывает широкий диапазон задач - от базовых офисных до ресурсоемких вычислений. Корпус мини-ПК выполнен из прочного алюминия и имеет размеры 130&#215;130&#215;34 мм, что делает его практически незаметным на рабочем столе или за монитором. Несмотря на компактность, внутренняя компоновка позволяет установить два модуля оперативной памяти SO-DIMM ...>>

Глазные капли, возвращающие молодость зрению 05.10.2025

С возрастом человеческий глаз постепенно теряет способность четко видеть на близком расстоянии - развивается пресбиопия, или возрастная дальнозоркость. Этот естественный процесс связан с утратой эластичности хрусталика и ослаблением цилиарной мышцы, отвечающей за фокусировку. Миллионы людей по всему миру сталкиваются с необходимостью носить очки для чтения или прибегают к хирургическим методам коррекции. Однако исследователи из Центра передовых исследований пресбиопии в Буэнос-Айресе представили решение, которое может стать удобной и неинвазивной альтернативой - специальные глазные капли, способные улучшать зрение на длительный срок. Разработку возглавила Джованна Беноцци, директор Центра. По ее словам, цель исследования состояла в том, чтобы предоставить пациентам с пресбиопией эффективный и безопасный способ коррекции зрения без хирургического вмешательства. Новые капли, созданные на основе пилокарпина и диклофенака, показали убедительные результаты: уже через час после первого пр ...>>

Случайная новость из Архива

Bluetooth-колонка Anker Soundcore Boom 3i 04.06.2025

Компания Anker представила свою новую Bluetooth-колонку Soundcore Boom 3i, разработанную с прицелом на использование в экстремальных условиях. Soundcore Boom 3i - это не просто очередная Bluetooth-колонка, а универсальный аудиогаджет, созданный для приключений. Она сочетает в себе мощный звук, выносливость и функциональность, предлагая пользователю не просто музыку, а свободу слушать ее где угодно и когда угодно.

Одной из отличительных черт устройства стала его высокая степень защиты. Boom 3i соответствует стандарту IP68, что гарантирует полную герметичность как от пыли, так и от воды, включая устойчивость к воздействию соленой воды. Дополнительно колонка спокойно выдерживает падения с метровой высоты, а значит - не подведет даже в самых жестких условиях. При этом ее размеры - 210 на 85 на 78,5 мм - делают устройство достаточно компактным и удобным для переноски, чему способствует встроенный ремешок.

Не уступает корпусу и начинка. Колонка выдает до 50 ватт мощности и может достигать громкости в 96 децибел. Любителям глубокого баса придется по душе технология BassUp 2.0, которая усиливает низкие частоты. Однако пользователи могут отключить этот режим, если предпочитают более нейтральное, сбалансированное звучание. Также доступна возможность объединения двух колонок Boom 3i в полноценную стереопару.

Заряда встроенного аккумулятора достаточно для шестнадцатичасовой автономной работы, что делает колонку надежным спутником в долгих поездках или на выезде без доступа к электросети. Интересной и необычной функцией стала опция "встряхивания пыли" - специальный режим, который помогает очищать устройство от загрязнений, возникающих при активной эксплуатации на природе.

Дополнительные функции раскрываются через фирменное мобильное приложение Soundcore. С его помощью пользователи могут записывать голосовые сообщения, гибко настраивать звуковой профиль под собственные предпочтения, а также удаленно управлять колонкой. Это превращает Boom 3i не просто в аудиосистему, а в полноценный центр управления звуком.

Колонка уже поступила в продажу и доступна на официальной платформе Anker по цене $189,99. Однако на старте продаж действует скидка в размере $40, что делает устройство особенно привлекательным по соотношению цена-качество.

Другие интересные новости:

▪ Зевание львов: рефлекс и его функции

▪ Нравственность, благотворительность и религия

▪ Перец против соли

▪ Кипяченная вода вреднее фильтрованной

▪ Никотин и колибри

Лента новостей науки и техники, новинок электроники

 

Интересные материалы Бесплатной технической библиотеки:

▪ раздел сайта Телевидение. Подборка статей

▪ статья Предрассудок! Он обломок древней правды. Крылатое выражение

▪ статья Какие реки мира входят в первую десятку по длине? Подробный ответ

▪ статья Строповка грузов. Типовая инструкция по охране труда

▪ статья Самодельная ветросиловая установка. Уход за ветродвигателем. Энциклопедия радиоэлектроники и электротехники

▪ статья Маленькая мышка с большой родней. Физический эксперимент

Оставьте свой комментарий к этой статье:

Имя:


E-mail (не обязательно):


Комментарий:





Главная страница | Библиотека | Статьи | Карта сайта | Отзывы о сайте

www.diagram.com.ua

www.diagram.com.ua
2000-2025