Menu Home

Бесплатная техническая библиотека для любителей и профессионалов Бесплатная техническая библиотека


Конвертер СТВ. Энциклопедия радиоэлектроники и электротехники

Бесплатная техническая библиотека

Энциклопедия радиоэлектроники и электротехники / Телевидение

Комментарии к статье Комментарии к статье

Три десятилетия назад многие радиолюбители интересовались сверхдальним приемом телевидения. Сколько труда, мастерства и выдумки проявляли они, совершенствуя телевизионные приемники и создавая сложные антенные системы, позволявшие "обходить" капризы распространения радиоволн.

Спутниковые ретрансляторы сделали более "стабильным" канал передачи сигналов, но техническая реализация приема нисколько не упростилась. Здесь радиолюбителям есть где приложить свои знания и умение. В статье приводится описание любительского конвертера, параметры которого не уступают лучшим образцам промышленного производства.

Разработанный автором конвертер предназначен для работы в системах приема спутникового телевидения Ku диапазона (10,95 ...12,0 ГГц) с однократным преобразованием частоты.

Конвертер имеет следующие технические характеристики:

  • Диапазон рабочих частот, ГГц - 10,95... 12,0
  • Промежуточная частота, МГц - 950...2000
  • Коэффициент шума типовой, дБ - 0,6
  • Коэффициент передачи, дБ - 60
  • Частота гетеродина, ГГц - 10,0
  • Напряжение питания, В - 13/18В
  • Потребляемый ток, мА, не более - 95
  • Поляризация входного сигнала - вертикальная/горизонтальная.

Конвертер построен по схеме малошумящего преобразователя частоты, конструкционно объединенным с облучателем антенной системы и встроенным переключателем поляризации входного сигнала. Его принципиальная схема приведена на рис. 1. Он состоит из входного волновода с погруженными в него зондами (на электрической схеме не показаны), СВЧ усилителя, выполненного на транзисторах VТ1 - VТЗ, полосового фильтра с использованием полосковых линий L9 - L18, гетеродина на частоту 10,0 ГГц на транзисторе VT4 со стабилизацией частоты, балансного смесителя на диодной сборке VD2, усилителя промежуточной частоты на микросхемах DA2 и DA3, стабилизатора напряжения на микросхеме DA4. В него входит также устройство на микросхеме DA1, выполняющее функции преобразователя напряжения +5 В в -2 В, переключатель поляризации и стабилизации токов полевых транзисторов VT1 - VT3. В конвертере применены микросхемы, транзисторы и диодные сборки производства фирмы Hewlett Packard (США).

Конвертер СТВ
(нажмите для увеличения)

Входной сигнал, сфокусированный параболическим зеркалом, поступает в облучатель и от него - в круглый волновод диаметром 19 мм. Связь полосковых линий затворов транзисторов VT1 и VT2 с волноводом осуществляется с помощью погруженных зондов, установленных под углом 90 градусов в волноводе, что позволяет принимать сигналы как с вертикальной, так и с горизонтальной поляризацией. Переключение поляризации в конвертере осуществляется напряжением питания 13/18 В, поступающим по кабелю на выходной разъем XW1. Напряжение питания через делитель на резисторах R9 - R11 подается на вход компаратора микросхемы DA1. При напряжении питания 13 В микросхема DA1 включает транзистор VT1 и на его стоке появляется напряжение +1,5 В. Транзистор VT2 в это же время закрыт отрицательным напряжением -2 В, поступающим на его затвор, и, кроме того, напряжение со стока этого транзистора снято.

При переключении напряжения питания на +18 В транзистор VT1 закрывается, а транзистор VT2 включается в нормальный режим работы. Это позволяет электронным способом менять вид поляризации принимаемого сигнала.

Суммирование сигналов с транзисторов VT1 и VT2 осуществляется с помощью моста на полосковых линиях L5, L6. Суммарный сигнал поступает на затвор транзистора VT3 - второго усилительного каскада. Транзисторы VT1 - VT3 типа ATF36077 имеют коэффициент усиления 12 дБ на частоте 12 ГГц при напряжении питания +1,5 В и токе 10 мА. Таким образом, суммарный коэффициент усиления СВЧ усилителя составляет 24 дБ при коэффициенте шума порядка 0,5 дБ.

Для достижения лучших значений коэффициента шума необходима точная настройка режима работы транзисторов и согласование их входов и выходов. Реально же удается получить коэффициент шума, отличный от паспортного на 0,1 дБ, поэтому в характеристиках приводится максимальное значение Кш на частоте 12 ГГц - 0,6 дБ.

Конвертер СТВ

Усиленный СВЧ сигнал со стока транзистора VT3 поступает на вход полосового фильтра L9 - L18, выполненного на полосковых встречно-штыревых резонаторах и имеющего полосу пропускания 10,8... 12,0 ГГц при неравномерности АЧХ З дБ.

С выхода фильтра сигнал СВЧ поступает на вход балансного смесителя, выполненного на диодной сборке VD2 СВЧ диодов с барьером Шоттки и полосковом мосте. На другой вход балансного смесителя поступает сигнал с частотой 10 ГГц с выхода гетеродина на транзисторе VT4.

Гетеродин выполнен на полевом транзисторе по схеме с общим стоком, с открытым полуволновым резонатором, включенным в цепь затвор-исток транзистора, и стабилизирующим высокодобротным цилиндрическим резонатором ZQ1 из титанатно-бариевой керамики.

Потери преобразования сигнала составляют около 7 дБ. Сигнал промежуточной частоты Fпч с выхода балансного смесителя через фильтр на элементах L19, С23, С24, R14 поступает на вход микросхемы DA2 предварительного усилителя ПЧ, выполненного по схеме, приведенной в журнале "Приборы и техника эксперимента", 1984, № 2, с. 111 (Абрамов Ф. Г., Волков Ю. А., Вонсовский Н. Н. "Согласованный широкополосный усилитель"). Усилитель на микросхеме INA51063 имеет диапазон рабочих частот 100..2400 МГц при коэффициенте усиления 22 дБ. С выхода предварительного усилителя ПЧ сигнал поступает на вход оконечного усилителя ПЧ, выполненного на микросхеме DA3 и имеющего диапазон рабочих частот 100...3000 МГц при коэффициенте усиления 23 дБ. Резисторы R14, R15, R17 сопротивлением 10 Ом предотвращают самовозбуждение каскадно включенных усилителей, особенно при рассогласовании нагрузки, подключенной к разъему XW1.

Питание конвертера осуществляется от микросхемного стабилизатора DA4, обеспечивающего стабилизацию напряжения +5 В при токе до 150 мА.

Конвертер (кроме входного волновода) выполнен на печатной плате (рис. 2) из двухстороннего фольгированного фторопласта ФАФ4 толщиной 1 мм.

Конвертер СТВ

Расположение проводников и элементов на плате показано на рис. 3.

Конвертер СТВ

Навесные элементы расположены со стороны печатных проводников, фольга обратной стороны платы использована в качестве общей шины питания. Важно, чтобы все детали имели возможно минимальную длину выводов; они должны быть установлены непосредственно напайкой на проводники. Для соединения проводников общей шины питания, которые расположены со стороны деталей, с фольгой обратной стороны платы, в ней просверливают ряд металлизированных отверстий.

В конвертере использованы резисторы типа Р1-12 с мощностью рассеяния 0,125 Вт. Возможно применение резисторов этого типа с мощностью 0,062 Вт и резисторов Р1-8 с мощностью 0,125 и 0,25 Вт.

В низкочастотных цепях и цепях питания применены конденсаторы типа К10-47в. Конденсаторы С9, С12 и С13 - К10-42. Конденсаторы в высокочастотных цепях, емкость которых на схеме не указана (С5 - С8, С15, С17, С22, С24), выполнены "печатным" способом - их емкость образуется обкладками специальной формы печатной дорожки и общей шины питания с материалом платы в качестве диэлектрика. Высокочастотный разъем XW1 типа F-75 (имеются в продаже на радиорынках стран СНГ).

Транзисторы, диодные сборки и микросхемы - фирмы HewlettPackard (США). В качестве VT4 допустимо использовать транзисторы АП324А-2 и АП325А-2, транзисторы VT1-VT3 заменимы аналогичными производства фирм Siemens, NEC, Philips или АП330А-2 и 3П343А-2, правда, в последнем случае несколько увеличится коэффициент шума конвертера. Диодную сборку HSMS2802 (VD1) можно заменить двумя диодами КД514А или КД512А, а сборку HSMS8202 (VD2) - двумя диодами КА120А или КА120АР. Вместо микросхемного стабилизатора 78L05 подойдут КР142ЕН5А, КР1157ЕН501, КР1157ЕН502. При замене резонатора ZQ1 следует использовать ТСБН-10.

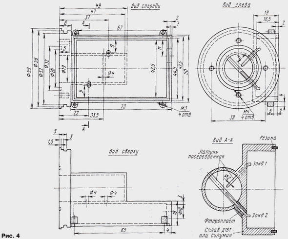
Для подключения погружных зондов (зонд 1 и зонд 2) к затворам транзисторов VT1, VT2 в платах просверлены отверстия диаметром 2 мм, а фольга с нижней стороны платы удалена вокруг отверстий в радиусе 2 мм от центра установки. Зонды фиксируются в отверстиях корпуса (рис. 4, вид А-А) фторопластовыми втулками диаметром 4 и длиной 3,5 мм. Резонатор ZQ1 приклеен к плате тонким слоем клея, приготовленного из оргстекла, растворенного в дихлорэтане.

Монтаж элементов на плату выполняют низковольтным паяльником с заземленным жалом припоем марок ПОСК 50-18 или ПОИ.

Полностью изготовленную плату с установленными на ней элементами помещают в литой или фрезерованный корпус (см. рис. 4), автор использовал готовый от аналогичного изделия фирмы Microelectronics Inc. Корпус изготовлен из сплавов алюминия (силумин, дюралюминий и др.) и закрыт сверху крышкой (рис. 5), привинченной к корпусу винтами М2. Крышка фрезерованная или литая обеспечивает разделение платы на отсеки и предотвращает образование паразитных обратных связей и просачивание сигнала гетеродина на вход усилителя СВЧ.

Конвертер СТВ

При изготовлении конвертера в любительских условиях можно использовать упрощенный вариант корпуса. Для этого на токарном станке необходимо по рис. 4 выточить фланец с волноводом из латуни и на него напаять короб для крепления платы, согнутый из листовой латуни. Крышку также изготавливают из листовой латуни и в необходимых местах напаивают на нее перегородки для разделения короба на отсеки.

Для предотвращения возбуждения паразитных колебаний в отсеках конвертера к внутренней стороне крышки в указанных на рис. 5 местах (заштрихованные участки) приклеены куски резины толщиной 3 мм с нанесенным на них поглощающим слоем из смеси порошка карбонильного железа, смешанного с клеем БФ. В крышке напротив торца поверхности резонатора просверлено отверстие (на рисунке не показано, это место уточняют после установки резонатора) и нарезана резьба М5 для латунного регулировочного винта. Он обеспечивает подстройку частоты гетеродина путем изменения расстояния между винтом (корпусом) и резонатором ZQ1. При удалении винта от резонатора частота гетеродина уменьшается, а при приближении - увеличивается. Поэтому перед настройкой конвертера регулировочный винт должен быть ввинчен лишь на несколько первых ниток резьбы.

Конвертер СТВ

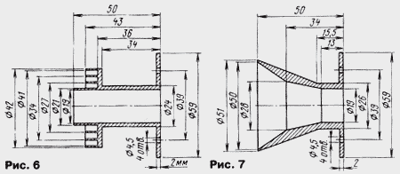
Для герметизации конвертера предусмотрены вторая крышка и резиновая прокладка, уложенная в специальный паз в корпусе конвертера (см. рис. 4). Волноводный фланец конвертера подсоединяется к фланцу облучателя, установленного в фокусе антенны с помощью четырех винтов М4. Герметизация волновода осуществляется путем установки резиновой прокладки в паз фланца конвертера и фторопластовой пленки толщиной 10...20 мкм - между фланцами. Чертежи облучателей для прямофокусной и офсетной антенн приведены на рис. 6 и рис. 7 соответственно.

Настройка конвертера осуществляется в следующей последовательности. К разъему XW1 подключается регулируемый источник питания +10...20 В с выходным током не менее 100 мА. Устанавливают напряжение питания +13 В и вольтметром измеряют напряжения на выводах транзисторов и микросхем. Их значения должны отличаться от указанных на схеме не более чем на 10 %, в противном случае заменяют неисправный элемент. Далее, увеличивая напряжение питания до +18 B, убеждаются, что компаратор переключился и на стоке транзистора VT2 появилось напряжение +1,5 В, а на стоке транзистора VT1 напряжение стало равно нулю.

Чтобы проверить наличие СВЧ напряжения на выходе гетеродина, к верхнему (по схеме) выводу резистора R12 подключают милливольтметр СВЧ (подойдет и милливольтметр, описанный в журнале "Радио", 1995, № 9, с. 40) и убеждаются в наличии СВЧ колебаний. Точно измерить амплитуду падающей волны от гетеродина не представляется возможным, но если показания милливольтметра лежат в пределах 10...70 мВ, гетеродин работает.

Подключая милливольтметр постоянного тока к левой по схеме обкладке конденсатора С23, проверяют наличие в этой точке устройства небольшого постоянного напряжения (2...10 мВ). Это свидетельствует о работоспособности балансного смесителя (идеально подобрать пару диодов и сбалансировать мост практически невозможно).

После этого конвертер закрывают первой крышкой и подключают к облучателю антенны с одной стороны и к тюнеру - с другой. Перестройкой тюнера находят один из принимаемых каналов. Регулировочным винтом устанавливают точное значение частоты гетеродина 10 ГГц %1 МГц, сравнивая полученную частоту с известной частотой данного канала. Затем конвертер закрывают второй крышкой и герметизируют.

Автор: В.Жук, г.Минск

Смотрите другие статьи раздела Телевидение.

Читайте и пишите полезные комментарии к этой статье.

<< Назад

Последние новости науки и техники, новинки электроники:

Оптимальная продолжительность сна 12.11.2025

Сон играет ключевую роль в поддержании здоровья, когнитивных функций и общего самочувствия. Несмотря на широко распространенный стереотип о восьмичасовом сне, последние исследования показывают, что оптимальная продолжительность сна для большинства здоровых взрослых ближе к семи часам. Эволюционный биолог из Гарварда, Дэниел Э. Либерман, утверждает, что традиционная норма восьми часов сна - это скорее культурное наследие индустриальной эпохи, чем биологическая необходимость. По его словам, полевые исследования, проведенные в сообществах, не использующих электричество, показывают, что средняя продолжительность сна составляет 6-7 часов, что значительно отличается от общепринятого стандарта. Современные эпидемиологические данные подтверждают этот взгляд. Исследования выявили так называемую "U-образную кривую" зависимости между продолжительностью сна и рисками для здоровья. Минимальные показатели заболеваемости и смертности наблюдаются именно у людей, спящих около семи часов в сутки. ...>>

Дефицит кислорода усиливает выброс закиси азота 12.11.2025

Парниковые газы играют ключевую роль в изменении климата, а закись азота (N2O) - один из наиболее опасных среди них. Этот газ не только втрое сильнее углекислого газа в удержании тепла, но и разрушает озоновый слой. Недавнее исследование американских ученых показало, что микробы в зонах с низким содержанием кислорода активно производят N2O, усиливая глобальные климатические риски. Команда из Университета Пенсильвании изучала прибрежные воды у Сан-Диего и провела наблюдения на глубинах от 40 до 120 метров в Восточной тропической северной части Тихого океана - одной из крупнейших зон дефицита кислорода. Исследователи сосредоточились на том, как морские микроорганизмы превращают нитраты в закись азота. В ходе работы выяснилось, что существует два пути образования N2O. Один путь начинается с нитрата, другой - с нитрита. На первый взгляд более короткий путь должен быть эффективнее, однако микробы, использующие нитрат, продуцируют больше газа, поскольку этот "сырьевой" источник более д ...>>

Омега-3 помогают молодым кораллам выживать 11.11.2025

Сохранение коралловых рифов становится все более актуальной задачей в условиях глобального изменения климата. Молодые кораллы особенно уязвимы на ранних стадиях развития, когда стрессовые условия и нехватка питательных веществ могут привести к высокой смертности. Недавнее исследование ученых из Технологического университета Сиднея показывает, что специальные пищевые добавки способны существенно повысить выживаемость личинок кораллов. В ходе работы исследователи разработали особый состав "детского питания" для коралловых личинок. В него вошли масла, богатые омега-3 жирными кислотами, а также важные стерины, необходимые для формирования клеточных мембран. Личинки, получавшие эти добавки, развивались быстрее, становились крепче и демонстрировали более высокую устойчивость к стрессовым факторам. Особое внимание ученые уделили липидам. Анализ показал, что личинки активно усваивают эти вещества, что напрямую влияет на их жизнеспособность. Стерины, содержащиеся в корме, повышают устойчи ...>>

Случайная новость из Архива

Ключевой фактор раннего полового созревания у детей 03.10.2024

Раннее половое созревание у детей, особенно девочек, представляет собой серьезную проблему, затрагивающую как физическое, так и психологическое здоровье. В последние десятилетия частота этого явления резко возросла, особенно среди девочек, у которых менструации начинаются до 9 лет. С 1950-х годов число случаев раннего полового созревания увеличилось более чем в три раза. Наибольший рост наблюдается среди девочек из малообеспеченных семей, что привлекло внимание ученых к поиску факторов, которые могут способствовать этому тревожному явлению.

Традиционно считалось, что раннее половое созревание связано с такими факторами, как наследственность, избыточный вес и социально-экономические трудности. Однако недавно международная группа ученых выявила еще один важный элемент - химические вещества, присутствующие в повседневной жизни. Исследования показали, что синтетический ароматизатор под названием мускус амбретты, используемый в различных средствах личной гигиены, может играть ключевую роль в преждевременной активации полового созревания.

Это исследование стало первым, которое глубоко изучило воздействие химических веществ на головной мозг и их влияние на начало полового созревания. Ученые обнаружили, что некоторые химические соединения могут имитировать или нарушать работу гормонов, отвечающих за регуляцию эндокринной системы. Мускус амбретты взаимодействует с рецепторами в гипоталамусе - области мозга, отвечающей за контроль репродуктивной функции. Это взаимодействие может активировать высвобождение гонадотропин-рилизинг гормона (ГнРГ), который запускает производство половых гормонов, таких как эстроген, прогестерон и тестостерон.

Доктор Натали Шоу, детский эндокринолог и ведущий автор исследования, подчеркивает, что факторы окружающей среды играют значимую роль в раннем половом созревании. Хотя ожирение долгое время рассматривалось как один из основных факторов, Шоу указывает, что его недостаточно для объяснения такого значительного снижения возраста начала полового созревания. "Мы наблюдаем раннее половое созревание даже у детей с нормальным весом", - отмечает Шоу, что подчеркивает необходимость учитывать более широкий спектр экологических факторов.

Последствия раннего полового созревания выходят далеко за рамки физиологических изменений. У девочек, которые рано начинают половое развитие, повышается риск таких заболеваний, как диабет, сердечно-сосудистые болезни и некоторые виды рака, включая рак груди и эндометрия. Это делает проблему особенно важной для исследования. Широкое использование мускусной амбретты в продуктах, таких как парфюмерия, мыло, освежители воздуха и стиральные порошки, вызывает дополнительную озабоченность, так как это химическое вещество легко проникает в повседневную жизнь человека.

Кроме того, было установлено, что мускус амбретты накапливается в окружающей среде, включая сточные воды и пресноводные организмы, такие как рыба. Это свидетельствует о его устойчивости и способности к биоаккумуляции, что представляет угрозу не только для здоровья людей, но и для экосистемы в целом. Несмотря на то, что влияние мускусной амбретты на половое созревание еще нуждается в дальнейших исследованиях, доктор Шоу призывает родителей быть более внимательными и сократить использование продуктов, содержащих это химическое соединение.

С ростом числа исследований, посвященных влиянию химических веществ на здоровье, становится все очевиднее, что окружающая среда играет важную роль в развитии различных заболеваний и нарушений. Химические загрязнители, в том числе содержащиеся в средствах личной гигиены, могут серьезно нарушать гормональный баланс и приводить к ряду долгосрочных проблем. Исследование мускусной амбретты согласуется с множеством других научных данных, указывающих на необходимость ужесточения контроля за использованием синтетических химикатов в потребительских товарах и повышения прозрачности их состава.

Данное открытие позволяет предположить, что более строгие меры по регулированию синтетических веществ и повышенное внимание к их влиянию на организм помогут не только снизить риски раннего полового созревания, но и защитить здоровье будущих поколений в целом.

Другие интересные новости:

▪ Игровой монитор Acer Predator X34

▪ Полностью защищенный промышленный бизнес-планшет Fujitsu Stylistic V535

▪ Выпуск аналоговых телевизоров сворачивается

▪ Выбирают дети

▪ Электромеханическая повязка

Лента новостей науки и техники, новинок электроники

 

Интересные материалы Бесплатной технической библиотеки:

▪ раздел сайта Веселые задачки. Подборка статей

▪ статья Устройство колодца. Советы домашнему мастеру

▪ статья Какая шутка Пастернака оказалась пророческой для Цветаевой? Подробный ответ

▪ статья Цитрус уншиу. Легенды, выращивание, способы применения

▪ статья Получение смолянокислых эфиров. Простые рецепты и советы

▪ статья Резонанс маятников. Физический эксперимент

Оставьте свой комментарий к этой статье:

Имя:


E-mail (не обязательно):


Комментарий:





Главная страница | Библиотека | Статьи | Карта сайта | Отзывы о сайте

www.diagram.com.ua

www.diagram.com.ua
2000-2025