Menu Home

Бесплатная техническая библиотека для любителей и профессионалов Бесплатная техническая библиотека


Возможности видеомагнитофонов при записи высококачественного звука, обслуживание и ремонт. Энциклопедия радиоэлектроники и электротехники

Бесплатная техническая библиотека

Энциклопедия радиоэлектроники и электротехники / Телевидение

Комментарии к статье Комментарии к статье

Последнее время многих наших читателей заинтересовали системы "домашнего кинотеатра", для которых у нас в стране используют в основном видеокассеты VHS для воспроизведения не только изображений, но и высококачественного (Hi-Fi) стереозвукового сопровождения. О связанных с этим проблемах и пойдет речь в публикуемой статье.

Стремительный рост интереса к системам "домашнего кинотеатра" за рубежом и в России стимулировал производителей аудио- и видеотехники к значительному расширению ассортимента всех ее видов. В 1997-98 гг. в продаже появилось множество моделей таких аппаратов в самых доступных для покупателей ценовых категориях. Несмотря на появление новых носителей и источников видеои звуковой информации, таких как DVD, спутниковые каналы, видеокомпакт-диски и др., в России основным источником программ для "домашнего кинотеатра" по-прежнему остаются видеокассеты VHS со стереозвуковым сопровождением. Ассортимент фильмов с DOLBY SURROUND PROLOGIC (DPL) и музыкальных программ в последние годы также стремительно растет и, учитывая появление в продаже стереовидеоплейеров по цене 200...300 долл., можно утверждать, что соответствующая аппаратура стала относительно доступной и быстро завоевывает популярность в самых различных уголках России.

При реализации на практике принципиально новых технических направлений у потребителей и сервисных служб возникает много самых различных вопросов, получить ответы на которые не всегда возможно. А в условиях России имеется и ряд нюансов, не характерных для других стран. Например, наличие языкового барьера у большей части населения. Уже не один десяток лет зарубежные фильмы у нас смотрят либо полностью продублированными, либо с закадровым переводом, а не с краткими титрами, как это принято во многих странах Европы. Для систем "домашнего кинотеатра" особенно важно качество звукового сопровождения фильмов, поэтому наложение звука при дубляже - операция весьма ответственная. Плохо сделанный (в техническом отношении) дубляж уже стал источником разочарования у многих наших владельцев систем "домашнего кинотеатра".

Коротко остановимся на некоторых общих технических вопросах, касающихся таких систем. Исторически первой была "домашняя" версия системы объемного звука DOLBY STEREO, используемая в кинотеатрах уже не первый десяток лет. Эта версия получила название DOLBY SURROUND PROLOGIC, или сокращенно DРL. Суть ее работы заключается в декодировании стереофонической фонограммы звуковой дорожки (SOUNDTRACK) фильмов, записанных по системе DOLBY STEREO, и получении из нее четырех каналов: левого, правого, центрального и эффектов. SOUNDTRACK DOLBY STEREO имеют большинство наиболее популярных фильмов. Соответствующий логотип наверняка видели многие любители видеофильмов в конце титров к ним.

Развитием системы DOLBY STEREO стал так называемый эксперимент инженера Тома Холмана (Тom Holman), сокращенно система ТНХ, проведенный в фирме LUCASFILM. ТНХ, применяемая в системах "домашнего кинотеатра", использует ту же стереофоническую фонограмму, что и DPL, однако к ее декодеру и компонентам предъявляются особые технические требования по спецификациям фирмы LUCASFILM. Добавлены еще два искусственно формируемых канала: сверхнизкочастотный и дополнительный тыловой. Введены различные коррекции АЧХ и другие усовершенствования. В результате, по мнению инженеров фирмы, просмотр фильмов становится более реалистичным и эффектным.

Технические решения ТНХ запатентованы фирмой, поэтому за право нанесения соответствующего логотипа производители аппаратуры платят ей лицензионные отчисления. В результате компоненты "домашнего кинотеатра" на основе системы ТНХ значительно дороже соответствующих компонентов DPL. Более подробно технические подробности системы рассмотрены в [1].

Существует и ряд других, как правило, цифровых систем "домашнего кинотеатра": DOLBY DIGITAL (AC-3), DTS, ТНХ5.1 и др. Кроме того, многие фирмы-производители аудиотехники встраивают в аппаратуру различные устройства для усиления эффекта присутствия, снабжая их собственными наименованиями. Особенно преуспела в этом фирма YAMAHA, разработавшая процессор "CINEMA DSP TM" (патент США №5.261.005; микросхема YSS-245, 64 вывода) для фонограмм DPL и модификацию "TRI-field CINEMA TM" для DOLBY DIGITAL (AC-3).

Однако при ближайшем рассмотрении "продвинутые" системы "домашнего кинотеатра" в России трудно использовать. Причина - почти полное отсутствие источников программ для них. Поэтому на текущий момент практически монопольное положение на рынке систем "домашнего театра" у нас занимает DPL.

Какие же источники для нее доступны массовым потребителям в России в настоящее время? Наземное телевидение, насколько известно автору, не имеет определенных планов внедрения стереозвукового сопровождения передач даже в отдаленном будущем. Действующие отечественные спутниковые каналы, в том числе НТВ+, остаются монофоническими. Зарубежное спутниковое телевидение труднодоступно по причине языкового барьера.

Следовательно, остаются программы на различных видеодисках - LD, VIDEO-CD, DVD и некоторых других и на видеокассетах VHS и S-VHS. Однако дублированных фильмов на дисках не так уж много, да и цены на них и аппаратуру воспроизведения пока исключают их широкое использование в России. Поэтому, повторим, подавляющее распространение у нас получили программы на видеокассетах VHS. Цена чистых кассет Е-180 - менее двух долларов, что во много раз меньше, чем у любых дисков (к тому же возможность бесплатной перезаписи у нас особенно ценится).

К сожалению, качество звукового сопровождения большого числа дублированных видеофильмов, мягко говоря, оставляет желать лучшего. По наблюдениям автора, большое количество продаваемых кассет представляет собой, в приложении к "домашнему кинотеатру", явный брак (оценка сделана для местного рынка). Можно выделить несколько типичных проявлений такого "качества" отечественной видеопродукции:

на обложке так называемых "лицензионных" запечатанных в целлофан кассет красуется логотип Hi-Fi STEREO или DOLBY PROLOGIC; на самом деле на записи присутствует только обычный моноканал звука, правда, такие подделки владельцы Hi-Fi видеомагнитофонов распознают сразу - не включаются соответствующие индикаторы;

стереоканалы на записи имеются, однако в обоих одна и та же информация, т. е. монорежим с вариациями по качеству от соответствующего обычным видеозаписям до довольно высокого (например, таким псевдостереозвуком характеризуются многие кассеты фирмы СОЮЗ, на музыкальных сборниках которых только часть материала стереофоническая);

стереорежим имеется, однако громоподобный голос переводчика практически лишает возможности активизировать центральный канал, приходится уменьшать его уровень до предела (обычно 12...16 дБ).

И наконец, профессионально сделанный дубляж, сочетающийся с действительно высоким качеством звукового сопровождения, встречается довольно редко, и как ни странно, почти на всех фильмах в системе NTSC (тут, очевидно, сказывается и невозможность использования простейшей техники с сумматорами на двух резисторах).

Отдельно стоит вопрос о техническом качестве звука и о совместимости записей по каналам Hi-Fi стерео. Отличительной особенностью звукозаписи вращающимися головками можно назвать высокую чувствительность видеомагнитофонов к отклонениям параметров считываемой сигналограммы от стандартных значений. Независимо от причины, вызвавшей такие отклонения, их проявление сводится к появлению треска, периодическому выключению Hi-Fi каналов, к необходимости частой ручной подстройки трекинга. Заметность треска и других помех в системах "домашнего кинотеатра" столь велика, что говорить о других параметрах качества звуковоспроизведения просто не имеет смысла до устранения помех.

Существует довольно много причин, по которым возникает несовместимость конкретных видеозаписей с тем или иным Hi-Fi видеомагнитофоном. Первой в этом ряду стоит изношенность записывающей аппаратуры на тиражирующих студиях, поскольку на редкой из них следят за ее техническим состоянием в приложении именно к записи Hi-Fi звукового сопровождения. Персонал студии обычно регулярно проводит только профилактические чистки видеоголовок и элементов ЛПМ, что совершенно недостаточно. Дело в том, что большинство имеющихся бытовых видеомагнитофонов обеспечивают значительно меньший ресурс наработки по каналам Hi-Fi звука, чем по видео. В частности, по собранным автором сведениям, предстоящая наработка новых бытовых видеомагнитофонов, при которой у потребителей видеопродукции не возникнет проблем с качеством Hi-Fi звука, находится в пределах 600...1500 ч в зависимости от модели видеомагнитофонов, магнитных лент и условий эксплуатации. Беспроблемная наработка по видеоканалу, по крайней мере, в два-три раза больше. Эта информация получена по результатам инструментальных измерений параметров более ста различных видеомагнитофонов, работающих в одной из крупных тиражирующих студий Ростова-на-Дону.

Имея в виду работу аппаратуры в режиме записи с сохранением параметров сигналограммы Hi-Fi звука, можно выделить наиболее надежные в этом отношении модели из выборки, сделанной автором. На первом месте по наработке находятся видеомагнитофоны PANASONIC: NV-F55AM, NVFS88EE, NV-FS200EG, AG-5700E и другие аппараты различных фирм, оборудованные ЛПМ фирмы MATSUSHITA типа А или Б (с двигателем отката ленты) по классификации в [2]. Затем идут модели PANASONIC: NV-HD100AM, NVHD100EE, AG-5260E. Значительно меньший ресурс у аппаратов PANASONIC: NV-HD650AM, NV-HD650EE, NV-HD750AM и особенно низкий у сравнительно новых и дешевых записывающих видеоплейеров PANASONIC: NV-SR70AM, NV-HP10RAM.

Что касается аппаратуры других фирм-разработчиков, то у автора имеются сведения только по небольшому числу моделей фирмы JVC (HRJ727MS - два экземпляра, HRS6900EE - один, HR-S7000EG - один) и отдельным экземплярам фирм SONY и HITACHI. Их наработка 600...800 ч соответствует аппаратам PANASONIC: NV-HD650, NV-HD750.

Определенное влияние на совместимость вносят и различные подходы изготовителей аппаратуры к взаимному расположению видео- и звуковых головок на верхнем цилиндре БВГ. Дело в том, что существует два варианта их расположения: со сдвигом 42о (138о ) и 60о (120о) между осями. Причина этого предположительно лежит в патентно-лицензионной области. Угловой разнос 138о поддерживают фирмы JVC, SONY, PHILIPS, SABA, UNIVERSUM и некоторые другие. На 120о разносят головки фирмы MATSUSHITA, MITSUBISHI, BLAUPUNKT и др.

На рис. 1,а схематично показано взаимное расположение видео- и звуковых головок на верхнем цилиндре при виде сверху. Звуковая головка ГЗ1 "подлетает" к началу сигналограммы в точке 0о, а идущая с отставанием в 120о или 138о видеоголовка ВГ1 размагничивает тонкий верхний слой ленты на части записанной звуковой дорожки (рис. 1,б и в). При стандартной скорости в системах PAL/SECAM ширина дорожек видео и звука равна 49 мкм, пространственный сдвиг между ними - около 10 мкм (сдвиг 138о) или 16 мкм (сдвиг 120о ). Следовательно, звуковые и видеодорожки на ленте не совпадают (рис. 1,б), причем уже изначально существует неполная совместимость около 6 мкм (примерно 12%) между двумя вариантами расположения головок. Для новой и точно настроенной аппаратуры это не имеет значения, видеомагнитофоны JVC без проблем воспроизводят записи, сделанные на аппаратах PANASONIC, и наоборот. Совершенно другая картина наблюдается в изношенной или неточно настроенной аппаратуре.

Возможности видеомагнитофонов при записи высококачественного звука, обслуживание и ремонт

На мой взгляд, критическим можно считать сдвиг динамической траектории звуковой головки относительно соответствующей дорожки на сигналограмме около 50% (24 мкм). Практика показывает, что такой сдвиг встречается весьма часто. Среди пользователей Hi-Fi видеомагнитофонов на этот счет ходят самые разнообразные слухи и домыслы. Некоторые из них не лишены оснований. В частности, подмечено, что некоторые покупные видеозаписи на многих современных Hi-Fi видеоплейерах воспроизводятся с треском или вообще без Hi-Fi каналов, в то время как те же записи на дорогих видеомагнитофонах звучат вполне нормально.

Для прояснения ситуации автором был проведен ряд измерений и проанализированы особенности конструкций популярных видеоплейеров PANASONIC-NV-SR70AM (шесть аппаратов). Аппарат (дальше для краткости 70-й) представляет собой мультисистемный односкоростной записывающий видеоплейер со стандартными для такого класса техники функциями. ЛПМ выполнен на литом шасси, как у большинства моделей PANASONIC серий SD, HD. Верхний цилиндр - VEH0714 с четырьмя головками (две - для Hi-Fi звука и две - для видеосигнала стандартного режима). Привод БВГ - с нижним расположением двигателя. Предварительный усилитель (блок REF.NO.500) собран на микросхемах BA7180AFS (20 выводов, видеосекция) и ВА7743FS (24 вывода, Hi-Fi секция) фирмы ROHM, канал изображения (блок REF.NO.300) - на БИС AN3553NFBP (84 вывода) фирмы MATSUSHITA и ПЗС матрице TL8949P фирмы TOSHIBA (16 выводов). Канал Hi-Fi STEREO размещен на отдельной плате (блок REF.NO.4500). Как и во многих других моделях видеомагнитофонов PANASONIC, субмодуль Hi-Fi звука разработан и изготовлен фирмой MACLORD/HSS&HSL (такова маркировка микросхем). В рассматриваемом случае он выполнен на БИС XLH7773AKS (80 выводов) этой фирмы. Система управления и авторегулирования (блок REP.NO.6000) базируется на микропроцессоре MN67434VRSY (84 вывода). Электропривод БВГ выполнен на микросхеме AN3814K фирмы MATSUSHITA ведущего вала - на BA6871S фирмы ROHM, а система управления двигателем заправки - на ВА6887 последней. В видеоплейере использован трансформаторный источник питания с линейными стабилизаторами на транзисторах 2SD1273, 2SD1275. Практически тождественным рассматриваемому, в том числе по внешнему виду, можно назвать и популярный видеоплейер PANASONIC-NVHP10RAM.

В процессе испытаний нескольких экземпляров видеоплейеров был выявлен ряд недостатков. Первое, что вызвало удивление, это низкая точность установки головок управления по положению, т. е. расстояния между зазором головки управления и концом строчки записи (в формате VHS оно равно 79,244 мм). Сложилось впечатление, что на сборочном заводе либо вообще не проводилась соответствующая технологическая операция, либо сказалось влияние "человеческого" фактора при сборке (речь идет о конкретной партии из шести экземпляров видеоплейеров). Визуально это проявляется в отсутствии Hi-Fi каналов и наличии помех на изображении в первые секунды после загрузки кассеты и включении воспроизведения тесткассет. Кроме того, записи, сделанные на этих видеоплейерах, не всегда возможно с хорошим качеством воспроизвести в режиме СТОП-КАДР даже на трех- и четырехголовочных видеомагнитофонах.

Для устранения указанного недостатка требуется юстировка головки управления по положению, для чего нужно воспользоваться образцовой тест-кассетой (можно, например, записать сигнал "белое поле" на новом видеомагнитофоне как можно более высокого качества). Вход Х осциллографа при проведении юстировки подключают к контрольной точке ТР2001 - "HEAD.SW", а вход Y - к точке ТР3001 - "ENV".

Перед началом работ необходимо восстановить перемычку К1101, расположенную на вертикальной плате блока питания в правой части корпуса (на заводе ее перекусывают после окончания регулировки). При отсутствии специальной отвертки для проведения юстировки (VFK0330 - FINE ADJUSTEMENT GEARDRIVER) отпускают два винта крепления платформы головки управления, включают режим воспроизведения тест-кассеты, большим и указательным пальцами левой руки, поворачивая платформу вокруг оси, находят положение, при котором уровень огибающей сигнала яркости максимален. Не отпуская платформу, осторожно и поочередно фиксируют винты крепления отверткой в правой руке. Затем снимают перемычку, чем активизируют систему автотрекинга системы авторегулирования и проверяют работу аппарата с различными кассетами. Изображение после включения воспроизведения должно появляться сразу без помех, Hi-Fi каналы в зависимости от конкретной видеозаписи могут включаться сразу или через несколько секунд.

Весьма серьезным недостатком некоторых экземпляров видеоплейеров следует назвать неточную установку трекинга по дорожкам Hi-Fi звука системой автотрекинга. Дело в том, что образцовым сигналом для нее служит продетектированный сигнал (огибающая) с выхода предусилителя канала яркости, а правильность следования головок Hi-Fi звука по соответствующим дорожкам сигналограммы определяется только точностью их установки на верхнем цилиндре и изготовления самих головок. К сожалению, во многих испытанных автором видеоплейерах эти точности явно недостаточны, т. е. никакой юстировкой направляющих стоек не удается получить точные проходы видео- и звуковых головок по своим дорожкам. Складывается впечатление, что у фирмы MATSUSHITA существуют различные подходы при выпуске аппаратуры различных ценовых категорий в допусках на узлы и детали аппаратуры. Впрочем, это только личное мнение автора. Устранить неточность установки головок на верхнем цилиндре без специального оборудования очень трудно, поэтому владельцам рассматриваемых видеоплейеров рекомендуется устанавливать трекинг вручную по отсутствию треска в каналах Hi-Fi звука.

Другой особенностью, негативно влияющей на качество воспроизведения звука по Hi-Fi каналам 70-х видеоплейеров, является сравнительно высокий порог срабатывания их системы идентификации качества фонограмм. Иными словами, в тех случаях, когда большинство видеомагнитофонов еще не выключают канал Hi-Fi стерео, 70-е включают режим воспроизведения "нормального" канала звука (с линейной дорожки). Необходимо отметить то обстоятельство, что уровень намагниченности звуковых дорожек у различных покупных видеокассет колеблется в широких пределах. По экспериментальным измерениям автора, разброс может достигать 10...16 дБ (по напряжению на выходе предусилителя контрольного видеомагнитофона). Порог срабатывания системы идентификации "плохо/хорошо" - линейный/Hi-Fi каналы изготовители видеоаппаратуры никак не нормируют, поэтому есть много примеров, когда одна и та же запись воспроизводится по-разному на конкретных исправных аппаратах ("NORM" или "Hi-Fi" по индикатору). В этом отношении 70-й малочувствителен (высокий порог срабатывания), и, возможно, это сделано не случайно, имея в виду ранее высказанное предположение о разных классах точности аппаратуры. А последствия при воспроизведении ЧМ сигналов с низкими уровнями проявляются аналогично тем, что и при неуверенном приеме УКВ ЧМ станций.

К сожалению, приходится продолжать перечень недостатков простых и дешевых видеоплейеров. Относительно 70-го (и НР10), например, необходимо отметить отсутствие предусмотренных разработчиками весьма важного подстроечного резистора VR7 ("REC-Y" - уровень записи сигнала яркости), вместо которого стоит перемычка, и некоторых других важных элементов тракта каналов изображения и звука.

Как улучшить качество записи звуковой Hi-Fi дорожки подбором тока записи сигнала яркости будет рассказано в следующих публикациях. Хочется только указать на возможность существенного "продления жизни" верхних цилиндров таким способом. В общем, можно и с изношенными головками делать Hi-Fi стереозаписи очень высокого качества.

Следует подчеркнуть исключительно ограниченное толкование недостатков рассматриваемых видеоплейеров - ведь только шесть экземпляров подверглись испытаниям, и выявлены серьезные нарушения технологии при массовом производстве.

О результатах испытаний некоторых распространенных моделей видеомагнитофонов на предмет высококачественного звуковоспроизведения и записи также будет рассказано в следующих публикациях. Они (результаты), на взгляд автора, весьма интересны и могут заинтересовать многих любителей магнитной звукозаписи. В частности, без комментариев им предлагается сделать самим выводы по измерениям тракта записи-воспроизведения видеомагнитофона JVC-HRJ627MS на БИС JCP0056 (JVC) при подаче меандроподобного сигнала, что показано на рис. 2.

Возможности видеомагнитофонов при записи высококачественного звука, обслуживание и ремонт

Теперь рассмотрим некоторые интересные случаи ремонта таких видеомагнитофонов.

В видеомагнитофоне JVC-HRJ727MS оказалась заблокированной кассета. При включении в сеть слышалась работа двигателей в течение нескольких секунд, после чего аппарат переходил в дежурный режим. При снятии крышки оказалось, что лента на заблокированной кассете смотана до конца (виден прозрачный ракорд слева), что указывало на неполадки в системе идентификации состояния кассетоприемника.

Как известно, в видеомагнитофонах VHS указанная система способна обнаруживать начало, конец и обрывы ленты в кассете. Датчиками служат инфракрасные фотодиоды (левый и правый), излучателем - центральный светодиод. В большинстве моделей, выпущенных до начала 90-х годов, фотодиоды датчиков размещены непосредственно на боковинах кассетоприемника, а центральный светодиод - на специальной стойке в центре ЛПМ. В последнее время многие фирмы из технологических соображений размещают их на главной плате видеомагнитофона (под ЛПМ), а световые потоки проходят на кассету и улавливаются после нее через призмы, причем используют свето- и фотодиоды самых различных конструкций. Такой подход позволяет исключить ручные операции по пайке и удешевить производство.

В рассматриваемой модели использован именно второй подход: датчиком окончания ленты служит фотодиод Q605, расположенный на главной плате и включенный по схеме, изображенной на рис. 3.

Возможности видеомагнитофонов при записи высококачественного звука, обслуживание и ремонт

Начальное напряжение смещения на него подано через резистор R688 во всех режимах, кроме дежурного. Сигнал идентификации с него через резистор R611 поступает непосредственно на микропроцессор структуры КМОП системы управления IC602 (HD6433927F фирмы HITACHI). Проверить исправность фотодиода Q605 можно, подключив к нему высокоомный осциллограф или вольтметр. Включив видеомагнитофон в сеть и нажав кнопку OPERATE, каким-нибудь способом перекрывают световой поток, поступающий на него. Исправный фотодиод должен обеспечивать напряжение уровня 0 не более 1 В (затемненное состояние) и уровня 1 не менее 3,5 В (освещенное состояние).

В неисправном аппарате уровень 0 превышал 2 В, т. е. почти соответствовал уровню 1, а уровень 2 был в норме (около 5 В). Поскольку подобрать необходимую замену миниатюрному фотодиоду довольно трудно, был уменьшен начальный ток смещения фотодиода: вместо бескорпусного резистора R688 был включен резистор ОМЛТ-0,125 сопротивлением 27 кОм. На функционирование видеомагнитофона это никак не влияет, так как сопротивление входа микропроцессора по выводу 32 равно несколько сотен килоом. В другом экземпляре видеомагнитофона JVC-HR-J727MS с такой же неисправностью потребовалось еще более увеличить номинал резистора R688 - до 51 кОм.

Рассмотренный способ восстановления работоспособности можно применить и для других моделей линейки фирмы JVC 1995-1997 гг.: HR-J627MS, HR-P80A, HR-P90, HR-J429EE, HRJ329EE, HR-J229EE - а также для видеомагнитофонов фирмы PHILIPS, "начинка" которых сделана на заводах JVC: VR-755/55, VR-355/55, VR-255/55 (во всех перечисленных моделях позиционные обозначения, типы и номиналы элементов соответствуют указанным на рис. 3).

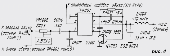
Повторяющиеся неисправности, заключающиеся в отсутствии записи звука в линейном канале, наблюдались в нескольких видеомагнитофонах PANASONIC-NV-F55EE (и NVHD100AM). Причиной отказов во всех случаях было отсутствие тока ВЧ подмагничивания в сигнале, подаваемом на головку записи, из-за дефекта подстроечного резистора R4002 ("А.BIAS"). Заменять его лучше какимнибудь герметизированным резистором, например, СПЧ-1а (б или в) с параметрами 200 кОм и 0,25 Вт.

После замены резистора требуется подбор оптимального тока подмагничивания, его проверяют общепринятым для звуковых магнитофонов способом. Измеряют напряжение ВЧ подмагничивания на головке записи (контакт 3 разъема Р4001 на главной плате видеомагнитофона, что указано на фрагменте схемы, показанной на рис. 4) высокоомным осциллографом при различных значениях сопротивления резистора R4002.

Возможности видеомагнитофонов при записи высококачественного звука, обслуживание и ремонт

На вход линейного звукового канала подают синусоидальный сигнал с уровнем 100...150 мВ и частотой 1...3 кГц и записывают его. Воспроизводя затем сделанную запись, находят значение напряжения подмагничивания, при котором уровень сигнала звука на выходе максимален. Оптимальный размах напряжения подмагничивания на контакте 3 разъема P4001 обычно находится в пределах 25...35 В (действующее значение - 8,5...10,5 В).

Литература

  1. Схейбал П., Клаус О. ТНХ. - STEREO&VIDEO, 1995, №7-8, с. 66-69.
  2. Петропавловский Ю. Видеотехника формата VHS. Стратегия ремонта. - Радио, 1995, №8, с. 12-15.

Автор: Ю.Петропавловский

Смотрите другие статьи раздела Телевидение.

Читайте и пишите полезные комментарии к этой статье.

<< Назад

Последние новости науки и техники, новинки электроники:

Власть является ключевым фактором счастья в отношениях 11.03.2026

Исследования семейных и романтических отношений показывают, что длительное счастье пары зависит не только от привычных факторов, таких как доверие, уважение и преданность, но и от более тонких психологических аспектов. Современные ученые ищут закономерности, которые отличают действительно счастливые пары от остальных, чтобы понять, какие механизмы поддерживают гармонию в отношениях. Группа исследователей из Университета Мартина Лютера в Галле-Виттенберге и Бамбергского университета провела опрос среди 181 пары, которые состояли в совместных отношениях более восьми лет и прожили вместе хотя бы месяц. Участники заполняли анкету, описывая различные аспекты своих отношений, включая распределение обязанностей, эмоциональную поддержку и степень вовлеченности в совместные решения. Анализ данных показал интересный паттерн: пары, где оба партнера ощущали высокий уровень личной власти, оказывались наиболее счастливыми и удовлетворенными. В данном контексте под властью понимается способност ...>>

Защищенная колонка-повербанк Anker Soundcore Boom Go 3i 11.03.2026

Компания Anker представила новую модель линейки Soundcore - колонку Soundcore Boom Go 3i, ориентированную на активное использование на улице. Новинка отличается высокой степенью защиты: корпус соответствует стандарту IP68, что обеспечивает водо- и пыленепроницаемость, а ударопрочный дизайн выдерживает падение с высоты до одного метра. За качество звука отвечает 15-ваттный драйвер, обеспечивающий пик громкости до 92 дБ, а технология BassUp 2.0 усиливает низкие частоты, делая звучание более насыщенным. Колонка обладает автономностью до 24 часов, а LED-индикатор позволяет контролировать уровень заряда батареи. Кроме того, Soundcore Boom Go 3i может выполнять функцию павербанка: согласно внутренним тестам, устройство способно зарядить iPhone 17 с нуля до 40% за один час, что делает его полезным аксессуаром в походах и поездках. Среди функциональных особенностей модели стоит выделить технологию Auracast, которая улучшает подключение и позволяет создавать стереопару из двух колонок ...>>

Раннее воздержание от алкоголя перестраивает мозг и иммунитет 10.03.2026

Алкогольная зависимость - хроническое расстройство с компульсивным употреблением спиртного, которое влияет не только на поведение, но и на функционирование мозга и иммунной системы. Недавние исследования показали, что даже на ранних этапах воздержания организм начинает перестраиваться, открывая новые возможности для терапии зависимости. Ученые сосредоточились на пациентах, находящихся в первые недели абстиненции, и зафиксировали значительные изменения в мозговой активности. С помощью функциональной магнитно-резонансной томографии они выявили перестройку сетей нейронных связей, отвечающих за контроль импульсов и принятие решений. Эти изменения могут быть ключевыми для восстановления самоконтроля и снижения риска рецидива. Одновременно с нейронной перестройкой исследователи наблюдали колебания иммунной системы. В крови повышался уровень цитокинов - сигнальных белков, регулирующих воспалительные процессы. Эти данные свидетельствуют о существовании нейроиммунного взаимодействия, при ...>>

Случайная новость из Архива

Оперативное выявление лесных пожаров 03.03.2025

Лесные пожары - это стихийное бедствие, которое наносит огромный ущерб экосистемам и представляет угрозу для жизни людей. В условиях изменения климата и увеличения частоты засух проблема обнаружения и тушения лесных пожаров становится все более актуальной.

Ученые разработали новый тип ИИ, имитирующий работу человеческого мозга, который способен автоматически обнаруживать лесные пожары на спутниковых снимках с точностью до 93%. Эта технология особенно важна для тропических лесов Амазонии, где в 2023 году произошло более 98 тысяч пожаров.

Технология основана на использовании "искусственных нейронных сетей" и "глубокого обучения". Исследователи использовали сверточную нейронную сеть (CNN), которая анализирует спутниковые снимки, имитируя работу человеческого мозга. CNN обучалась на изображениях, полученных со спутников Landsat 8 и 9, оснащенных приборами ближнего и коротковолнового инфракрасного диапазона. Эти инструменты позволяют выявлять изменения в растительности и температуре поверхности, что является ключевым для обнаружения пожаров.

Для обучения CNN использовались 200 снимков с лесными пожарами и 200 снимков без них. Несмотря на относительно небольшое количество данных, сеть достигла высокой точности в 93%. Это говорит о том, что данная технология имеет огромный потенциал в борьбе с лесными пожарами.

Профессор Синтия Элевтерио из Федерального университета Амазонас отмечает: "Способность выявлять и реагировать на лесные пожары имеет решающее значение для сохранения хрупкого экологического баланса этих жизненно важных экосистем. Результаты нашего исследования могут улучшить обнаружение лесных пожаров в экосистеме Амазонии и других регионах мира".

В настоящее время существующие системы мониторинга в Амазонии имеют ограниченное разрешение, что затрудняет обнаружение мелких деталей и небольших очагов возгорания. Новая технология, основанная на CNN, позволяет преодолеть эти ограничения и обеспечить более точный и детальный анализ.

Профессор Карлос Мендес, соавтор исследования, подчеркивает: "Модель CNN может служить ценным дополнением, делая возможным более детальный анализ в конкретных регионах. Сочетая широкий временной охват текущих датчиков с пространственной точностью нашей модели, мы можем значительно улучшить мониторинг лесных пожаров".

Важно отметить, что новая технология не заменяет существующие системы мониторинга, такие как MODIS и VIIRS, а дополняет их. Эти системы обеспечивают глобальный мониторинг лесных пожаров, в то время как CNN позволяет проводить более детальный и локализованный анализ.

В будущем исследователи планируют увеличить количество обучающих изображений для CNN, чтобы повысить точность модели. Они также рассматривают возможность применения этой технологии для мониторинга вырубки лесов.

Внедрение этой технологии может стать важным шагом в защите тропических лесов Амазонии и других экосистем мира от разрушительного воздействия пожаров. Сочетание ИИ со спутниковыми данными открывает новые возможности для сохранения природных ресурсов нашей планеты.

Другие интересные новости:

▪ Водонепроницаемая гарнитура Jaybird X4

▪ Компьютерный взгляд на искусство

▪ Телевизоры LG LA9700 формата Ultra HD

▪ Твердотельные накопители Kingston SSDNow E50

▪ Социология пересадки органов

Лента новостей науки и техники, новинок электроники

 

Интересные материалы Бесплатной технической библиотеки:

▪ раздел сайта Эффектные фокусы и их разгадки. Подборка статей

▪ статья Влияние курения на здоровье человека. Основы безопасной жизнедеятельности

▪ статья Что такое радиотелескоп? Подробный ответ

▪ статья Параграс. Легенды, выращивание, способы применения

▪ статья Антенны. Измерения, настройка, согласование. Справочник

▪ статья Стабилитрон в качестве невосстанавливающегося предохранителя. Энциклопедия радиоэлектроники и электротехники

Оставьте свой комментарий к этой статье:

Имя:


E-mail (не обязательно):


Комментарий:





Главная страница | Библиотека | Статьи | Карта сайта | Отзывы о сайте

www.diagram.com.ua

www.diagram.com.ua
2000-2026