Menu Home

Бесплатная техническая библиотека для любителей и профессионалов Бесплатная техническая библиотека


Приемник ЧМ 400-450 МГц. Энциклопедия радиоэлектроники и электротехники

Бесплатная техническая библиотека

Энциклопедия радиоэлектроники и электротехники / Радиоприем

Комментарии к статье Комментарии к статье

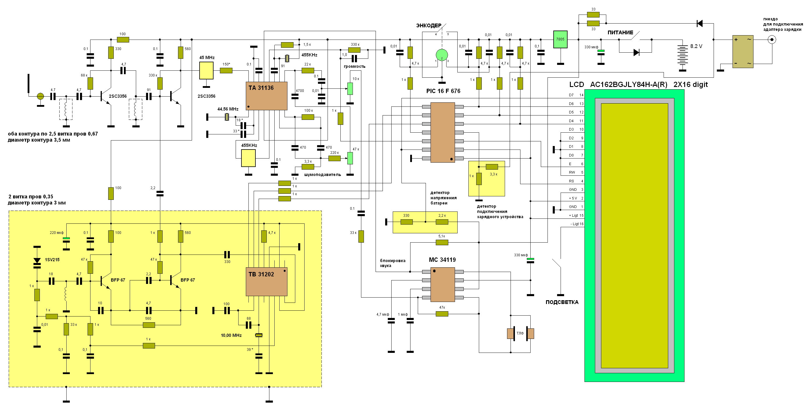
Приемник построен по схеме супергетеродина с двойным преобразованием частоты. Он предназначен для приема узкополосной ЧМ в диапазоне 400 - 450 МГц. Чувствительность около 0,5 мкВ. Цель его создания - максимально"захватить" частоты, на которые выпускаются промышленностью ПАВ резонаторы 4ХХ МГц диапазона. Однако пределы перестройки могут быть и другими (см. даташит на примененный в конструкции СЧ).

Схема классическая и особенностей не имеет.

Приемник ЧМ 400-450 МГц. Схема
(нажмите для увеличения)

Первая ПЧ - 45 МГц (выбирается при программировании контроллера).Вторая 455 кГц . Минимальный шаг перестройки частоты 5 кГц, максимальный 1 МГц (выбирается при программировании контроллера). Минимальный и максимальный пределы перестройки частоты (400 - 450 МГц) задаются также на этапе программирования контроллера. Несмотря на то, что пределы перестройки довольно широкие, шум синтезатора практически незаметен.

Правда, для этого пришлось подбирать номиналы loop фильтра СЧ и марку варикапа довольно тщательно.

Частота гетеродина приемника ниже частоты принимаемого сигнала на величину ПЧ (выбирается при программировании контроллера).

На дисплее отображаются частота и уровень принимаемого сигнала а также уровень заряда батареи питания. Ток потребляемый приемником на средней громкости (УНЧ нагружен на наушники 30 Ом) около 50 мА (с выключенной подсветкой).

Настройка

Настройка приемника сводится в основном к "укладке" диапазона перестройки СЧ в нужные рамки.

При этом особое внимание нужно уделить тому, чтобы напряжение на варикапе оставалось бы с " запасом " приблизительно в 0,7 вольт на самой нижней частоте и на самой верхней частоте. То есть следует добиться раздвиганием витков контура гетеродина, чтобы на нижнем пределе частоты, напряжение на варикапе (удобно измерять без вмешательства в его настройку на емкостях loop фильтра) было бы 0,7 в, а на верхнем пределе около 3 в.Если весь блок СЧ запитать от отдельного стабилизатора 7805 (что лучше, чем простая развязка, состоящая из 100 Ом резистора и конденсатора большой емкости, как на схеме), то напряжение на самой высокой частоте настройки может быть 4- 4,5 в.

Экранировка блока СЧ крайне необходима

На фото блок СЧ еще без верхней крышки.

Внимание! В процессе настройки СЧ резистор 100 кОм, через который подается напряжение настройки на варикап был заменен на 1 кОм (в схеме и плате исправлено), что благоприятно сказалось на шумовых характеристиках СЧ. Фото сделано еще до его замены.

Приемник ЧМ 400-450 МГц

Приемник ЧМ 400-450 МГц

Приемник ЧМ 400-450 МГц

Детали

По большей части выпаяны из отслуживших срок радиотелефонов. В том числе фильтр второй ПЧ и дискриминатор на 455 кГц.

Фильтр на 45 МГц вынут из мобильного телефона стандарта NMT.

Нагрузкой смесителя может быть, как резистор (на схеме), так и резонасный контур (на фото).На низких ПЧ 10,7 и 21,4 особой разницы не замечено, на 45 МГц ПЧ лучшие результаты с контуром. Однако предварительную настройку удобнее производить все таки с резистором, так как смеситель нагруженный на контур может самовозбудиться и ввести в заблуждение. СМД контур состоит из 15 витков, емкость, параллельная ему 56 пФ. Индуктивность не замерялась - был взят первый попавшийся под руку с количеством витков, более или менее правдоподобным для частоты 45 МГц.

Кварц на частоту 44,560 МГц может быть заменен на 14, 850 МГц, так как он все равно гармониковый.

Индикатор любой 2 строчки по 16 символов на основе контроллера HD44780.Возможные нюансы - несовпадение выводов с примененным в данной конструкции.

Возможно потребуется включить вывод 3 через делитель напряжения для настройки оптимального уровня контрастности (см даташит на индикаторы на основе HD44780).

У дисплея, примененного в данной конструкции, уровень контрастности оптимален, когда 3 вывод на массе.

Индикатор уровня батареи питания имеет 5 уровней.

Самый низкий уровень при 7 вольтах (батарея разряжена).

Самый высокий уровень при 8,2 вольтах (батарея заряжена).Корректируется резисторами " детектора уровня батареи ", если необходимо.

Монтаж выполнен на платах из двустороннего стеклотекстолита. Обратные стороны плат - общая шина.

EEPROM

При программировании контроллера в его память заносятся основные установки для правильной работы устройства. 01 1В 16 - последняя частота гетеродина приемника без учета ПЧ, на которую он был настроен перед выключением питания. Эти цифры в процессе эксплуатации будут изменяться. При следующем включении питания приемника, гетеродин установится на эту же частоту.

Приемник ЧМ 400-450 МГц

Расчитывается она следующим образом

Допустим установленные пределы перестройки приемника 400 - 450 МГц. Пределы перестройки гетеродина без учета ПЧ будут такими. Нижний 400 - 45 = 355 МГц. Верхний 450 - 45 = 405 МГц. Следовательно установки частоты гетеродина в первых трех ячейках памяти не должны выходить за эти пределы.

01 1В 16 соответствует частоте отображаемой на дисплее 407,350 МГц и реальной частоте гетеродина 407,350 - ПЧ (45) = 362, 350.

Для вычисления значения, заносимого в память, следует частоту гетеродина разделить на шаг.

362,350 (МГц) : 0,005 (МГц) = 72470 (Dec) или 01 1В 16 (Нех). На инженерном калькуляторе число будет выглядеть как 1 1В 16.В пустой старший разряд заносим 0.

Следующие три ячейки заняты числом 01 15 58.

Приемник ЧМ 400-450 МГц

Это нижний предел перестройки частоты гетеродина.

Эти установки соответствуют реальной частоте гетеродина 355 МГц (отображаемая на дисплее частота будет 400 МГц, так как прибавится ПЧ).

Расчитывается аналогично...

355 (МГц) : 0,005 (МГц) = 71000 (Dec) или 01 15 58 (Нех).

Установка верхнего предела перестройки гетеродина занимает следующие три адреса.

Приемник ЧМ 400-450 МГц

Это трехбайтное число 01 3С 68, что соответствует реальной частоте 405 МГц (на дисплее будет 450 МГц, так как прибавится ПЧ - 45 МГц)
Для верхнего предела способ расчета такой же.

405 (МГц) : 0,005 (МГц) = 81000 (Dec) или 01 3С 68 (Hex).

Далее расположено двубайтное число 07 D0.

Приемник ЧМ 400-450 МГц

Это коэффициент для опорного генератора СЧ приемника.

Кварцевый резонатор, примененный в данном случае, на частоту 10 МГц.

Коэффициент расчитывается путем деления частоты опорного генератора на шаг.

10 (МГц) : 0,005 (МГц) = 2000 (Dec) или 07 D0 (Hex).

Следующие два байта 0F 00 - опциональные установки СЧ.

Приемник ЧМ 400-450 МГц

Их менять не нужно.

Последние три байта верхней строчки число 00 AF C8 - это ПЧ (45 МГц).

Приемник ЧМ 400-450 МГц

00 AF С8 (Hex) или 45000 (Dec).Cоответственно, если ПЧ планируется к примеру 10,7 МГц, то и число будет 00 29 СС (Нех) что в десятичном виде 10700.

Первый байт второй строки 01. Это знак ПЧ.

Приемник ЧМ 400-450 МГц

01 означает, что ПЧ прибавляется к частоте гетеродина для отображения на дисплее.

Если в ячейку записать 00, то ПЧ будет отниматься от частоты гетеродина.

С8 - максимальный шаг перестройки частоты.

Приемник ЧМ 400-450 МГц

Если, нажав вал энкодера, провернуть его на 1 шаг, то приемник перестроится на 200 шагов сразу С8 (Нех) или 200 (Dec), что соответствует 1 МГц.

Последняя цифра, записываемая в память контроллера при программировании - коррекция нуля для S meter.

Приемник ЧМ 400-450 МГц

Дело в том, что даже при отсутствии сигнала, на соответствующем выводе микросхемы УПЧ все равно есть напряжение шумов, это приводит к показаниям Sметра "впустую". Показания можно было бы скорректировать делителем напряжения, однако такой способ отрицательно повлиял бы на масштаб и точность показаний. Да и УПЧ может быть собран на другой микросхеме, отличающейся по параметрам от ТА 31136.

Величина поправки "сдвигает" шкалу влево за "пределы дисплея" на столько делений, сколько прописано в ячейке. В данном экземпляре устройства это 14 (Нех) или 20 (Dec).

Скачать печатную плату Lay и прошивку HEX

Автор: Сергей (blaze), г Кременчуг, blaze2006@ukr.net, тел. 8-050-942-35-95; Публикация: cxem.net

Смотрите другие статьи раздела Радиоприем.

Читайте и пишите полезные комментарии к этой статье.

<< Назад

Последние новости науки и техники, новинки электроники:

Власть является ключевым фактором счастья в отношениях 11.03.2026

Исследования семейных и романтических отношений показывают, что длительное счастье пары зависит не только от привычных факторов, таких как доверие, уважение и преданность, но и от более тонких психологических аспектов. Современные ученые ищут закономерности, которые отличают действительно счастливые пары от остальных, чтобы понять, какие механизмы поддерживают гармонию в отношениях. Группа исследователей из Университета Мартина Лютера в Галле-Виттенберге и Бамбергского университета провела опрос среди 181 пары, которые состояли в совместных отношениях более восьми лет и прожили вместе хотя бы месяц. Участники заполняли анкету, описывая различные аспекты своих отношений, включая распределение обязанностей, эмоциональную поддержку и степень вовлеченности в совместные решения. Анализ данных показал интересный паттерн: пары, где оба партнера ощущали высокий уровень личной власти, оказывались наиболее счастливыми и удовлетворенными. В данном контексте под властью понимается способност ...>>

Защищенная колонка-повербанк Anker Soundcore Boom Go 3i 11.03.2026

Компания Anker представила новую модель линейки Soundcore - колонку Soundcore Boom Go 3i, ориентированную на активное использование на улице. Новинка отличается высокой степенью защиты: корпус соответствует стандарту IP68, что обеспечивает водо- и пыленепроницаемость, а ударопрочный дизайн выдерживает падение с высоты до одного метра. За качество звука отвечает 15-ваттный драйвер, обеспечивающий пик громкости до 92 дБ, а технология BassUp 2.0 усиливает низкие частоты, делая звучание более насыщенным. Колонка обладает автономностью до 24 часов, а LED-индикатор позволяет контролировать уровень заряда батареи. Кроме того, Soundcore Boom Go 3i может выполнять функцию павербанка: согласно внутренним тестам, устройство способно зарядить iPhone 17 с нуля до 40% за один час, что делает его полезным аксессуаром в походах и поездках. Среди функциональных особенностей модели стоит выделить технологию Auracast, которая улучшает подключение и позволяет создавать стереопару из двух колонок ...>>

Раннее воздержание от алкоголя перестраивает мозг и иммунитет 10.03.2026

Алкогольная зависимость - хроническое расстройство с компульсивным употреблением спиртного, которое влияет не только на поведение, но и на функционирование мозга и иммунной системы. Недавние исследования показали, что даже на ранних этапах воздержания организм начинает перестраиваться, открывая новые возможности для терапии зависимости. Ученые сосредоточились на пациентах, находящихся в первые недели абстиненции, и зафиксировали значительные изменения в мозговой активности. С помощью функциональной магнитно-резонансной томографии они выявили перестройку сетей нейронных связей, отвечающих за контроль импульсов и принятие решений. Эти изменения могут быть ключевыми для восстановления самоконтроля и снижения риска рецидива. Одновременно с нейронной перестройкой исследователи наблюдали колебания иммунной системы. В крови повышался уровень цитокинов - сигнальных белков, регулирующих воспалительные процессы. Эти данные свидетельствуют о существовании нейроиммунного взаимодействия, при ...>>

Случайная новость из Архива

Пластик автоматически разлагается после использования 12.05.2024

Проблема загрязнения пластиком становится все более актуальной, и исследователи стремятся найти решение в виде нового материала, способного разлагаться под воздействием бактерий. Новый биоразлагаемый пластик, созданный на базе термопластичного полиуретана (ТПУ) и бактерий Bacillus subtilis, обещает стать значимым шагом в этом направлении.

Исследователи из Университета Сан-Диего (UC San Diego) представили новый тип пластика, который не только обладает свойствами ТПУ, но и способен самостоятельно разлагаться под воздействием специальных бактерий. Этот материал создает новые перспективы в области промышленности и экологии.

Команда исследователей провела ряд экспериментов, чтобы доказать эффективность нового пластика. Оказалось, что споры бактерий Bacillus subtilis, проникающие в структуру пластика, могут выдерживать высокие температуры до 135 градусов Цельсия, что необходимо для смешивания с ТПУ.

Важным достижением стало обнаружение того, что биоразлагаемый пластик подвергается разложению уже через пять месяцев в условиях компостирования. Дополнительно, добавление спор бактерий улучшает механические свойства пластика, делая его более прочным и устойчивым.

Этот материал обладает значительным потенциалом для широкого применения в различных сферах промышленности, включая производство электроники, автомобильной промышленности и медицинского оборудования. Биоразлагаемый пластик представляет собой важный шаг к снижению негативного воздействия человечества на окружающую среду.

Открытие нового типа биоразлагаемого пластика открывает новые горизонты как в промышленности, так и в охране окружающей среды. Этот материал не только обладает необходимыми техническими характеристиками, но и способен эффективно разлагаться под воздействием бактерий, что делает его ценным вкладом в решение проблемы загрязнения пластиком.

Другие интересные новости:

▪ Суперкар Draco GTE

▪ Технологии Big Data для здравоохранения

▪ Новая серия кварцевых резонаторов

▪ Обнаружено место с безжизненной почвой

▪ Электрическая стрекоза

Лента новостей науки и техники, новинок электроники

 

Интересные материалы Бесплатной технической библиотеки:

▪ раздел сайта Телефония. Подборка статей

▪ статья История психологии. Шпаргалка

▪ статья Какое слово можно употребить 8 раз подряд, составив корректное предложение без знаков препинания? Подробный ответ

▪ статья Настольный фрезерный станок. Домашняя мастерская

▪ статья Электротехнические материалы. Кабели. Энциклопедия радиоэлектроники и электротехники

▪ статья Зарядное устройство для дозарядки аккумуляторных батарей. Энциклопедия радиоэлектроники и электротехники

Оставьте свой комментарий к этой статье:

Имя:


E-mail (не обязательно):


Комментарий:





Главная страница | Библиотека | Статьи | Карта сайта | Отзывы о сайте

www.diagram.com.ua

www.diagram.com.ua
2000-2026