Бесплатная техническая библиотека
УКВ ЧМ приемник на одном транзисторе. Энциклопедия радиоэлектроники и электротехники

Энциклопедия радиоэлектроники и электротехники / Радиоприем
Комментарии к статье
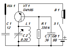
Самый простой УКВ ЧМ приемник, доступный для повторения начинающему радиолюбителю можно собрать по схеме однотранзисторного синхронно-фазового детектора. Принципиальная схема такого приемника показана на рисунке.

Сигнал принимается антенной WA 1, роль которой может выполнять отрезок монтажного провода. Этот сигнал поступает в колебательный контур L1C2, подстраивая конденсатор С2 контур можно перестраивать в пределах УКВ ЧМ диапазона 65.8-73 МГц. Выделенное этим контуром напряжение сигнала поступает через конденсатор С3 на базу транзистора VT1. Этот транзисторный каскад выполняет одновременно несколько функций: функции фазового детектора, фильтра нижних частот, усилителя постоянного тока и усилителя низкой частоты. Фазовое детектирование происходит на р-n переходах транзистора, эквивалентных переходам диодов. Собрать приемник можно объемным монтажом, или можно разработать печатную плату на основе принципиальной схемы, а детали на ней расположить в том же порядке как на схеме. Катушка L1 не имеет каркаса, для намотки берется хвостовик сверла диаметром 7 мм и на нем наматывается катушка проводом ПЭВ 0,4...0,5 мм. Катушка L1 содержит 14 витков. После намотки сверло из катушки извлекается (оно служит только в качестве оправки для намотки).
Транзистор П416Б можно заменить на ГТ308А, КТ603Б. Телефон - любой высокоомный малогабаритный. Конденсатор С2 типа КПК - керамический, на 8...30p, 5...20р или 4...15р, он настраивается вращением винта, расположенного посредине. В качестве источника питания можно использовать элемент питания Крона на 9 В. Выключатель любой, например тумблер.
Настройка относительно проста. Нужно подключить телефон, питание и антенну - кусок монтажного провода, чем длиннее тем лучше. Антенну желательно вывесить в окно или повесить на оконную раму. Теперь нужно одеть головные телефоны (в них должно быть слабое шипение) и вращением ротора конденсатора С2 попытаться поймать одну станцию. Если это не получается нужно немного растянуть витки катушки и повторить.
Хороших результатов от такого простого приемника не добиться, но он может принимать две-три станции в УКВ ЧМ диапазоне. Поэкспериментируйте с растяжением и зжатием витков катушки L1, длиной и расположением антенны, напряжением питания. Можно вместо наушников подключить резистор на 1...3 кОм и с точки соединения этого резистора и эмиттером транзистора подать НЧ напряжение на УНЧ, тогда можно будет слушать на динамики.
Автор: Е.Лапин, г.Нижний Тагил; Публикация: cxem.net
Смотрите другие статьи раздела Радиоприем.
Читайте и пишите полезные комментарии к этой статье.
<< Назад
Последние новости науки и техники, новинки электроники:
Оптимальная продолжительность сна
12.11.2025
Сон играет ключевую роль в поддержании здоровья, когнитивных функций и общего самочувствия. Несмотря на широко распространенный стереотип о восьмичасовом сне, последние исследования показывают, что оптимальная продолжительность сна для большинства здоровых взрослых ближе к семи часам.
Эволюционный биолог из Гарварда, Дэниел Э. Либерман, утверждает, что традиционная норма восьми часов сна - это скорее культурное наследие индустриальной эпохи, чем биологическая необходимость. По его словам, полевые исследования, проведенные в сообществах, не использующих электричество, показывают, что средняя продолжительность сна составляет 6-7 часов, что значительно отличается от общепринятого стандарта.
Современные эпидемиологические данные подтверждают этот взгляд. Исследования выявили так называемую "U-образную кривую" зависимости между продолжительностью сна и рисками для здоровья. Минимальные показатели заболеваемости и смертности наблюдаются именно у людей, спящих около семи часов в сутки. ...>>
Дефицит кислорода усиливает выброс закиси азота
12.11.2025
Парниковые газы играют ключевую роль в изменении климата, а закись азота (N2O) - один из наиболее опасных среди них. Этот газ не только втрое сильнее углекислого газа в удержании тепла, но и разрушает озоновый слой. Недавнее исследование американских ученых показало, что микробы в зонах с низким содержанием кислорода активно производят N2O, усиливая глобальные климатические риски.
Команда из Университета Пенсильвании изучала прибрежные воды у Сан-Диего и провела наблюдения на глубинах от 40 до 120 метров в Восточной тропической северной части Тихого океана - одной из крупнейших зон дефицита кислорода. Исследователи сосредоточились на том, как морские микроорганизмы превращают нитраты в закись азота.
В ходе работы выяснилось, что существует два пути образования N2O. Один путь начинается с нитрата, другой - с нитрита. На первый взгляд более короткий путь должен быть эффективнее, однако микробы, использующие нитрат, продуцируют больше газа, поскольку этот "сырьевой" источник более д ...>>
Омега-3 помогают молодым кораллам выживать
11.11.2025
Сохранение коралловых рифов становится все более актуальной задачей в условиях глобального изменения климата. Молодые кораллы особенно уязвимы на ранних стадиях развития, когда стрессовые условия и нехватка питательных веществ могут привести к высокой смертности. Недавнее исследование ученых из Технологического университета Сиднея показывает, что специальные пищевые добавки способны существенно повысить выживаемость личинок кораллов.
В ходе работы исследователи разработали особый состав "детского питания" для коралловых личинок. В него вошли масла, богатые омега-3 жирными кислотами, а также важные стерины, необходимые для формирования клеточных мембран. Личинки, получавшие эти добавки, развивались быстрее, становились крепче и демонстрировали более высокую устойчивость к стрессовым факторам.
Особое внимание ученые уделили липидам. Анализ показал, что личинки активно усваивают эти вещества, что напрямую влияет на их жизнеспособность. Стерины, содержащиеся в корме, повышают устойчи ...>>
Случайная новость из Архива Найден метод значительного увеличения сил оптического взаимодействия
19.10.2017
Известно, что свет представляет собой поток фотонов. И если два световода, оптоволоконных проводника, к примеру, расположены в непосредственной близости друг от друга, то движение фотонов заставляет эти световоды притягиваться или отталкиваться друг от друга. Это влияние проводников возникает из-за так называемых сил оптического взаимодействия, но эффект их действия является чрезвычайно слабым для того, чтобы его можно было использовать на практике.
Физики из Технологического университета Чалмерса и Свободного университета Брюсселя нашли метод значительного увеличения оптической силы. Этот метод открывает перед учеными массу возможностей в области нанотехнологий, в разработке новых оптоэлектронных устройств и датчиков.
Для того, чтобы заставить свет вести себя абсолютно новым способом, ученые разработали световоды из искусственного материала, структура которого позволяет "обманывать" фотоны. Структура этого материала вынуждает все фотоны потока света сместиться и двигаться, концентрируясь только возле одной стороны волновода. Когда фотоны, двигающиеся в соседнем волноводе, делают так же, то при определенном взаимном расположении волноводов сила взаимодействия между ними увеличивается в 10 раз.
"Фотонам обычно безразлично, по какому участку волновода они движутся" - рассказывает Филипп Тассен (Philippe Tassin), профессор из Технологического университета Чалмерса, - "Мы нашли способ обмана фотонов, заключенный в структуре метаматериала, который вынуждает их группироваться в определенной области внутренней поверхности волновода".
Увеличение концентрации фотонов на краю волновода и увеличение сил взаимодействия между волноводами может быть использовано для создания крошечных нанодвигателей. Такие нанодвигатели, работающие за счет энергии света, могут обеспечивать работу наномеханизмов, выполняющих различную работу, по сортировке живых клеток и наночастиц, к примеру, и нанороботов, действующих прямо внутри тела человека.
"Метод концентрации фотонов открывает новые возможности для использования волноводов в качестве "искусственных мускулов" крошечных механизмов" - рассказывает Винсент Джинис (Vincent Ginis), ученый из Свободного университета Брюсселя, - "Весьма увлекательно видеть, как искусственные материалы со сложной структурой очень могут повлиять, резко изменить принципы поведения света и его основные параметры. И, я надеюсь, нам удастся найти еще множество областей применения света, "измененного" материалами, по которым он движется в данный момент времени".
|
Другие интересные новости:
▪ Видеокарта GIGABYTE GeForce GTX 1650 D6 Eagle OC
▪ Traco Power TMG - компактные AC-DC модули на плату
▪ Графический ускоритель Radeon RX 6600 XT
▪ Мобильное устройство Samsung SPH-P9000
▪ Органические матрицы для фотокамер
Лента новостей науки и техники, новинок электроники
Интересные материалы Бесплатной технической библиотеки:
▪ раздел сайта Жизнь замечательных физиков. Подборка статей
▪ статья Прогнозирование и моделирование условий возникновения опасных ситуаций. Основы безопасной жизнедеятельности
▪ статья На какую высоту крокодилы могут лазать по деревьям? Подробный ответ
▪ статья Начальник лаборатории по контролю производства. Должностная инструкция
▪ статья Электроника в автодиагностике. Энциклопедия радиоэлектроники и электротехники
▪ статья Морковный пульверизатор. Физический эксперимент
Оставьте свой комментарий к этой статье:
Главная страница | Библиотека | Статьи | Карта сайта | Отзывы о сайте

www.diagram.com.ua
2000-2025