Áåñïëàòíàÿ òåõíè÷åñêàÿ áèáëèîòåêà
Ýôôåêòèâíûé ÓÂ× äëÿ ïðèåìíèêà. Ýíöèêëîïåäèÿ ðàäèîýëåêòðîíèêè è ýëåêòðîòåõíèêè

Ýíöèêëîïåäèÿ ðàäèîýëåêòðîíèêè è ýëåêòðîòåõíèêè / Ðàäèîïðèåì
Êîììåíòàðèè ê ñòàòüå
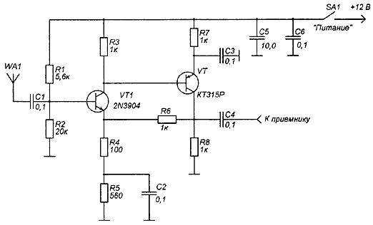
Ñõåìà ýëåêòðè÷åñêàÿ ïðèíöèïèàëüíàÿ ÓÂ× ïðèâåäåíà íà ðèñóíêå 1. Ïðåäóñèëèòåëü ïðåäíàçíà÷åí äëÿ èñïîëüçîâàíèÿ â ñîñòàâå ïåðåíîñíîãî ðàäèîïðèåìíèêà, èñïîëüçóþùåãî â êà÷åñòâå àíòåííû êîðîòêèé îòðåçîê ìåäíîãî ïðîâîäà äèàìåòðîì 2 ìì. Ïîëîñà ïðîïóñêàíèÿ óñèëèòåëÿ ñîñòàâëÿåò 100 êÃö ...50 ÌÃö, ÷òî ïîçâîëÿåò ïîëó÷èòü íåïëîõîå çíà÷åíèå ýôôåêòèâíîé ÷óâñòâèòåëüíîñòè â øèðîêîì äèàïàçîíå ÷àñòîò.
Ðèñ.1. Ïðèíöèïèàëüíàÿ ñõåìà
Óêàçàííàÿ âûøå ïîëîñà ïðîïóñêàíèÿ ïîëó÷åíà áëàãîäàðÿ òîìó, ÷òî òðàíçèñòîð VT1 èìååò ãàëüâàíè÷åñêóþ (íåïîñðåäñòâåííóþ) ñâÿçü ñî âòîðûì òðàíçèñòîðîì óñèëèòåëÿ. Îòðèöàòåëüíàÿ îáðàòíàÿ ñâÿçü ìåæäó êàñêàäàìè îñóùåñòâëÿåòñÿ ÷åðåç ðåçèñòîðû R4, R6. Ïðè îòñóòñòâèè îòðèöàòåëüíîé îáðàòíîé ñâÿçè ÓÂ× èìååò äîñòàòî÷íî áîëüøîé êîýôôèöèåíò ïåðåäà÷è, ïîýòîìó ôàêòè÷åñêèé êîýôôèöèåíò ïåðåäà÷è áóäåò îïðåäåëÿòüñÿ îòíîøåíèåì ñîïðîòèâëåíèé ðåçèñòîðîâ R6, R4. Äëÿ ïèòàíèÿ óñèëèòåëÿ æåëàòåëüíî èñïîëüçîâàòü îòäåëüíûé èñòî÷íèê ïîñòîÿííîãî òîêà (áàòàðåéêà).
Àâòîð: Â. Äóáèíèí, ã. Ëèïåöê; Ïóáëèêàöèÿ: cxem.net
Ñìîòðèòå äðóãèå ñòàòüè ðàçäåëà Ðàäèîïðèåì.
×èòàéòå è ïèøèòå ïîëåçíûå êîììåíòàðèè ê ýòîé ñòàòüå.
<< Íàçàä
Ïîñëåäíèå íîâîñòè íàóêè è òåõíèêè, íîâèíêè ýëåêòðîíèêè:
Ïèòîìöû êàê ñòèìóëÿòîð ðàçóìà
06.10.2025
Ïîìèìî ýìîöèîíàëüíîé ïîääåðæêè, äîìàøíèå ïèòîìöû ìîãóò îêàçûâàòü çàìåòíîå âîçäåéñòâèå íà êîãíèòèâíûå ïðîöåññû, îñîáåííî ó ïîæèëûõ ëþäåé. Íîâîå ìàñøòàáíîå èññëåäîâàíèå ïîêàçàëî, ÷òî îáùåíèå ñ êîøêàìè è ñîáàêàìè íå ïðîñòî óëó÷øàåò íàñòðîåíèå - îíî äåéñòâèòåëüíî ñïîñîáñòâóåò çàìåäëåíèþ âîçðàñòíîãî ñíèæåíèÿ óìñòâåííûõ ñïîñîáíîñòåé.
Ðàáîòà ïðîâîäèëàñü â ðàìêàõ ïðîåêòà Survey of Health, Ageing and Retirement in Europe (SHARE), îõâàòûâàþùåãî ïåðèîä ñ 2004 ïî 2022 ãîä.  èññëåäîâàíèè ïðèíÿëè ó÷àñòèå òûñÿ÷è åâðîïåéöåâ ñòàðøå 50 ëåò. Àíàëèç ïîêàçàë, ÷òî âëàäåëüöû äîìàøíèõ æèâîòíûõ äåìîíñòðèðóþò áîëåå óñòîé÷èâûå êîãíèòèâíûå ôóíêöèè ïî ñðàâíåíèþ ñ òåìè, êòî íå äåðæèò ïèòîìöåâ. Îñîáåííî âûðàæåí ýôôåêò îêàçàëñÿ ó âëàäåëüöåâ êîøåê è ñîáàê.
Ñîãëàñíî äàííûì ó÷åíûõ, âëàäåëüöû ñîáàê äîëüøå ñîõðàíÿþò õîðîøóþ ïàìÿòü, â òî âðåìÿ êàê õîçÿåâà êîøåê ìåäëåííåå òåðÿþò ñïîñîáíîñòü ê áûñòðîìó ðå÷åâîìó âçàèìîäåéñòâèþ. Èññëåäîâàòåëè ñâÿçûâàþò ýòî ñ òåì, ÷òî åæåäíåâíîå âçàèìîäåéñòâèå ñ æèâîòíûìè òðåáóåò âíèìàíè ...>>
Ìèíè-ÏÊ ExpertCenter PN54-S1
06.10.2025
Êîìïàíèÿ ASUSTeK Computer ïðåçåíòîâàëà íîâûé ìèíè-êîìïüþòåð ASUS ExpertCenter PN54-S1. Óñòðîéñòâî îðèåíòèðîâàíî íà ïîëüçîâàòåëåé, êîòîðûì âàæíî ñî÷åòàíèå ïðîèçâîäèòåëüíîñòè, ýíåðãîýôôåêòèâíîñòè è óíèâåðñàëüíîñòè - îò îôèñíûõ çàäà÷ äî ìóëüòèìåäèéíûõ ïðîåêòîâ.
 îñíîâå ExpertCenter PN54-S1 ëåæèò ñîâðåìåííàÿ àïïàðàòíàÿ ïëàòôîðìà AMD Hawk Point, èñïîëüçóþùàÿ àðõèòåêòóðó Zen 4. Ýòî ïîêîëåíèå ÷èïîâ îòëè÷àåòñÿ óëó÷øåííûì óïðàâëåíèåì ýíåðãîïîòðåáëåíèåì è ïîâûøåííîé âû÷èñëèòåëüíîé ìîùíîñòüþ. Íîâèíêà äîñòóïíà â êîíôèãóðàöèÿõ ñ ïðîöåññîðàìè Ryzen 7260, Ryzen 5220 è Ryzen 5210, ïðåäñòàâëåííûõ AMD â íà÷àëå 2025 ãîäà. Òàêèì îáðàçîì, óñòðîéñòâî îõâàòûâàåò øèðîêèé äèàïàçîí çàäà÷ - îò áàçîâûõ îôèñíûõ äî ðåñóðñîåìêèõ âû÷èñëåíèé.
Êîðïóñ ìèíè-ÏÊ âûïîëíåí èç ïðî÷íîãî àëþìèíèÿ è èìååò ðàçìåðû 130×130×34 ìì, ÷òî äåëàåò åãî ïðàêòè÷åñêè íåçàìåòíûì íà ðàáî÷åì ñòîëå èëè çà ìîíèòîðîì. Íåñìîòðÿ íà êîìïàêòíîñòü, âíóòðåííÿÿ êîìïîíîâêà ïîçâîëÿåò óñòàíîâèòü äâà ìîäóëÿ îïåðàòèâíîé ïàìÿòè SO-DIMM ...>>
Ãëàçíûå êàïëè, âîçâðàùàþùèå ìîëîäîñòü çðåíèþ
05.10.2025
Ñ âîçðàñòîì ÷åëîâå÷åñêèé ãëàç ïîñòåïåííî òåðÿåò ñïîñîáíîñòü ÷åòêî âèäåòü íà áëèçêîì ðàññòîÿíèè - ðàçâèâàåòñÿ ïðåñáèîïèÿ, èëè âîçðàñòíàÿ äàëüíîçîðêîñòü. Ýòîò åñòåñòâåííûé ïðîöåññ ñâÿçàí ñ óòðàòîé ýëàñòè÷íîñòè õðóñòàëèêà è îñëàáëåíèåì öèëèàðíîé ìûøöû, îòâå÷àþùåé çà ôîêóñèðîâêó. Ìèëëèîíû ëþäåé ïî âñåìó ìèðó ñòàëêèâàþòñÿ ñ íåîáõîäèìîñòüþ íîñèòü î÷êè äëÿ ÷òåíèÿ èëè ïðèáåãàþò ê õèðóðãè÷åñêèì ìåòîäàì êîððåêöèè. Îäíàêî èññëåäîâàòåëè èç Öåíòðà ïåðåäîâûõ èññëåäîâàíèé ïðåñáèîïèè â Áóýíîñ-Àéðåñå ïðåäñòàâèëè ðåøåíèå, êîòîðîå ìîæåò ñòàòü óäîáíîé è íåèíâàçèâíîé àëüòåðíàòèâîé - ñïåöèàëüíûå ãëàçíûå êàïëè, ñïîñîáíûå óëó÷øàòü çðåíèå íà äëèòåëüíûé ñðîê.
Ðàçðàáîòêó âîçãëàâèëà Äæîâàííà Áåíîööè, äèðåêòîð Öåíòðà. Ïî åå ñëîâàì, öåëü èññëåäîâàíèÿ ñîñòîÿëà â òîì, ÷òîáû ïðåäîñòàâèòü ïàöèåíòàì ñ ïðåñáèîïèåé ýôôåêòèâíûé è áåçîïàñíûé ñïîñîá êîððåêöèè çðåíèÿ áåç õèðóðãè÷åñêîãî âìåøàòåëüñòâà. Íîâûå êàïëè, ñîçäàííûå íà îñíîâå ïèëîêàðïèíà è äèêëîôåíàêà, ïîêàçàëè óáåäèòåëüíûå ðåçóëüòàòû: óæå ÷åðåç ÷àñ ïîñëå ïåðâîãî ïð ...>>
Ñëó÷àéíàÿ íîâîñòü èç Àðõèâà Âèçóàëüíûé ïðîöåññîð íîâîãî ïîêîëåíèÿ Movidius Myriad 2
10.08.2014
 íà÷àëå 2014 ã. êîìïàíèÿ Movidius ïðåäñòàâèëà Myriad-1 - ñâîåé ïåðâûé âèçóàëüíûé ïðîöåññîð (VPU - Vision Processing Unit â òåðìèíîëîãèè êîìïàíèè). Ýòîò ÷èï Google èñïîëüçîâàëà â ñìàðòôîíå Project Tango, êîòîðûé âûçâàë áîëüøîé èíòåðåñ ïóáëèêè. Òåïåðü Movidius ïðåäñòàâèëà ñâîé VPU íîâîãî ïîêîëåíèÿ Myriad-2, êîòîðûé ïîÿâèòñÿ â êîììåð÷åñêèõ ïðîäóêòàõ â ñëåäóþùåì ãîäó.
 òî âðåìÿ êàê Myriad-1 ñîçäàâàëñÿ ñ öåëüþ êàê ìîæíî ðàíüøå äàòü â ðóêè ðàçðàáîò÷èêîâ âîçìîæíîñòè VPU, ãëàâíàÿ çàäà÷à Myriad-2 - ïîâûñèòü ïðîèçâîäèòåëüíîñòü áåç óùåðáà ýíåðãîýôôåêòèâíîñòè. Ñòîèò îòìåòèòü, ÷òî íîâûé ÷èï îáðàòíî ñîâìåñòèì ñ Myriad-1, òàê ÷òî ëþáîé ñóùåñòâóþùèé êîä áóäåò ðàáîòàòü íà íåì áåç êàêèõ-ëèáî ìîäèôèêàöèé, íî ãîðàçäî áûñòðåå áëàãîäàðÿ ðÿäó ãëóáîêèõ àïïàðàòíûõ îïòèìèçàöèé Movidius.
Âòîðîå ïîêîëåíèå VPU îò Movidius èñïîëüçóåò ñìåñü àïïàðàòíûõ áëîêîâ ñ ôèêñèðîâàííîé ôóíêöèîíàëüíîñòüþ è ïðîãðàììèðóåìûõ áëîêîâ, òîãäà êàê ïåðâîå ïîêîëåíèå ïîëàãàëîñü öåëèêîì íà ïðîãðàììèðóåìûå áëîêè. Ïîíÿòíî, ÷òî ïðîñòûå íåáîëüøèå áëîêè, èñïîëíÿþùèå îïðåäåëåííûå ôóíêöèè, ìîãóò ñóùåñòâåííî óâåëè÷èòü ïðîèçâîäèòåëüíîñòü, íå ïîâûøàÿ ïðè ýòîì ýíåðãîïîòðåáëåíèå.  ñâîþ î÷åðåäü, áîëåå ñëîæíûå ïðîãðàììèðóåìûå áëîêè îáû÷íî ìåíåå ýôôåêòèâíû â ðåøåíèè ïðîñòûõ çàäà÷.
Êîìïàíèÿ îòìå÷àåò, ÷òî Myriad-2 ïîëó÷èë 12 îñíîâíûõ ÿäåð, òîãäà êàê ÷èï ïðåäûäóùåãî ïîêîëåíèÿ âêëþ÷àë 8 ÿäåð. Âäîáàâîê ê ðîñòó ÷èñëà áëîêîâ, èõ ðàáî÷àÿ ÷àñòîòà áûëà ïîâûøåíà áîëåå ÷åì âòðîå: ñî 180 ÌÃö äî 600 ÌÃö. Ñîâîêóïíàÿ âû÷èñëèòåëüíàÿ ïðîèçâîäèòåëüíîñòü ÷èïà äîñòèãàåò 2 Òåðàôëîïñ (î÷åíü òåîðåòè÷åñêàÿ öèôðà, ó÷èòûâàþùàÿ ðàáîòó áëîêîâ ñ ôèêñèðîâàííîé ôóíêöèîíàëüíîñòüþ), ïðè ýòîì ýíåðãîïîòðåáëåíèå ñîñòàâëÿåò âñåãî 500 ìÂò, òàê ÷òî Myriad-2 ìîæíî èñïîëüçîâàòü â ìîáèëüíûõ óñòðîéñòâàõ.
Çàäåéñòâîâàòü ìîùü ÷èïà Myriad 2 ìîæíî ïðè ïîìîùè îòêðûòîãî API OpenCL. Êàê îòìå÷àåò ïðîèçâîäèòåëü, ãëàâíàÿ çàäà÷à VPU - îáåñïå÷èòü ñúåìêó ìîáèëüíûìè óñòðîéñòâàìè ôîòîãðàôèé ñ êà÷åñòâîì, áëèçêèì ê çåðêàëüíûì êàìåðàì. Èñïîëüçîâàòü â ìîáèëüíûõ óñòðîéñòâàõ áîëüøóþ ìàòðèöó è ìàññèâíûå îáúåêòèâû íåâîçìîæíî, òàê ÷òî âñå ýòî äîëæíû çàìåíèòü òåõíîëîãèè âû÷èñëèòåëüíîé ôîòîãðàôèè.
Çàäà÷à ñîñòîèò â òîì, ÷òîáû ðåêîíñòðóèðîâàòü âèçóàëüíóþ èíôîðìàöèþ ïðè ïîìîùè àëãîðèòìîâ è äîïîëíèòåëüíûõ äàííûõ (ìíîãîêàäðîâîé ñúåìêè, âòîðîé êàìåðû, ñòàòèñòèêè è òàê äàëåå). Íà êàæäîì êàäðå - ìèëëèîíû ïèêñåëåé, ïîýòîìó íóæíû áîëüøèå âû÷èñëèòåëüíûå ìîùíîñòè äëÿ îáðàáîòêè äàííûõ. Îäíàêî, åñëè ðå÷ü èäåò î ìîáèëüíûõ óñòðîéñòâàõ, òî ñëåäóåò äóìàòü è îá ýíåðãîïîòðåáëåíèè.
Ñðåäè äðóãèõ íàïðàâëåíèé èñïîëüçîâàíèÿ Myriad 2 ìîãóò áûòü 3D-ñêàíèðîâàíèå, 3D-ìîäåëèðîâàíèå, 3D-ðåêîíñòðóêöèÿ è òàê äàëåå - íå çðÿ Google èñïîëüçîâàëà òàêîé ÷èï â ñâîåì âèçóàëüíîì ñìàðòôîíå Tango. Íàïðèìåð, òàêèå ñìàðòôîíû ñìîãóò íà îñíîâå ôîòîãðàôèè ïðåäîñòàâëÿòü òî÷íûå ðàçìåðû îêðóæàþùèõ ïðåäìåòîâ, ÷òî ìîæåò áûòü ïîëåçíî ïðè ïîêóïêå ìåáåëè. VPU òàêæå ìîãóò ïðèìåíÿòüñÿ è â äðóãèõ ñèñòåìàõ, ãäå âàæíû òåõíîëîãèè îáðàáîòêè âèçóàëüíûõ äàííûõ: íàáëþäåíèå, áåçîïàñíîñòü àâòîìîáèëåé, ðîáîòîòåõíèêà è ðàçâëå÷åíèÿ, òî åñòü âåçäå, ãäå åñòü êàìåðû.
|
Äðóãèå èíòåðåñíûå íîâîñòè:
▪ Ëàçåðû äëÿ ïîðòíîãî
▪ Ñòèðàíèå âîñïîìèíàíèé
▪ Êîãäà âîäà îïüÿíÿåò
▪ Ñàìîëåòèê íà ïàðîâîé ðåàêòèâíîé òÿãå
▪ MCP1811/12 - ñåìåéñòâî ëèíåéíûõ ðåãóëÿòîðîâ ñ óëüòðàíèçêèì òîêîì ïîêîÿ
Ëåíòà íîâîñòåé íàóêè è òåõíèêè, íîâèíîê ýëåêòðîíèêè
Èíòåðåñíûå ìàòåðèàëû Áåñïëàòíîé òåõíè÷åñêîé áèáëèîòåêè:
▪ ðàçäåë ñàéòà Îãðàíè÷èòåëè ñèãíàëà, êîìïðåññîðû. Ïîäáîðêà ñòàòåé
▪ ñòàòüÿ Ñàõàð-ðàôèíàä. Èñòîðèÿ èçîáðåòåíèÿ è ïðîèçâîäñòâà
▪ ñòàòüÿ Îòêóäà ïðèøëè â Àìåðèêó èíäåéöû? Ïîäðîáíûé îòâåò
▪ ñòàòüÿ Ðàáîòà ñ ëþëüêè âûøêè (ïîäúåìíèêà). Òèïîâàÿ èíñòðóêöèÿ ïî îõðàíå òðóäà
▪ ñòàòüÿ Âñåâîëíîâàÿ àíòåííà D2T. Ýíöèêëîïåäèÿ ðàäèîýëåêòðîíèêè è ýëåêòðîòåõíèêè
▪ ñòàòüÿ Èìïóëüñíûé ðåãóëÿòîð íàïðÿæåíèÿ äëÿ íèçêîâîëüòíûõ ýëåêòðîïàÿëüíèêîâ. Ýíöèêëîïåäèÿ ðàäèîýëåêòðîíèêè è ýëåêòðîòåõíèêè
Îñòàâüòå ñâîé êîììåíòàðèé ê ýòîé ñòàòüå:
Ãëàâíàÿ ñòðàíèöà | Áèáëèîòåêà | Ñòàòüè | Êàðòà ñàéòà | Îòçûâû î ñàéòå

www.diagram.com.ua
2000-2025