Menu Home

Бесплатная техническая библиотека для любителей и профессионалов Бесплатная техническая библиотека


Пассивные регуляторы тембра. Энциклопедия радиоэлектроники и электротехники

Бесплатная техническая библиотека

Энциклопедия радиоэлектроники и электротехники / Регуляторы тембра, громкости

Комментарии к статье Комментарии к статье

В этой статье вниманию читателей предлагается ряд различных по схемотехнике и функциональным возможностям регуляторов тембра, которые могут быть использованы радиолюбителями при разработке и модернизации звуковоспроизводящей аппаратуры.

Основной недостаток еще недавно популярных активных регуляторов тембра состоит в использовании глубокой частотно-зависимой ООС и больших дополнительных искажениях, вносимых ими в регулируемый сигнал. Вот почему в высококачественной аппаратуре желательно применять пассивные регуляторы. Правда, и они не лишены недостатков. Самый крупный из них - значительное затухание сигнала, соответствующее диапазону регулирования. Но так как глубина регулирования тембра в современной звуковоспроизводящей аппаратуре невелика (не более 8...10 дБ), то в большинстве случаев вводить в тракт сигнала дополнительные каскады усиления не требуется.

Другой, не столь существенный недостаток таких регуляторов - необходимость применения переменных резисторов с экспоненциальной зависимостью сопротивления от угла поворота движка (группа "В"), обеспечивающих плавное регулирование. Однако простота конструкции и высокие качественные показатели все же склоняют конструкторов к применению именно пассивных регуляторов тембра.

Следует отметить, что эти регуляторы требуют низкого выходного сопротивления предшествующего им каскада и высокого входного сопротивления последующего.

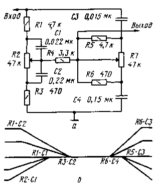
Разработанный английским инженером Баксандалом еще в 1952 г. регулятор тембра [1] стал, пожалуй, самым распространенным частотным корректором в электроакустике. Классический его вариант состоит из образующих мост двух звеньев фильтра первого порядка - низкочастотного R1C1R3C2R2 и высокочастотного C3R5C4R6R7 (рис. 1,а). Аппроксимированные логарифмические амплитудно-частотные характеристики (ЛАЧХ) такого регулятора показаны на рис. 1,б. Там же приведены расчетные зависимости для определения постоянных времени точек перегиба ЛАЧХ.

Пассивные регуляторы тембра
Puc. 1

Теоретически максимально достижимая крутизна АЧХ для звеньев первого порядка составляет 6 дБ на октаву, но при практически реализуемых характеристиках из-за незначительного различия частот перегиба (не более декады) и влияния предшествующих и последующих каскадов она не превышает 4...5 дБ на октаву. При регулировании тембра фильтр Баксандала меняет только наклон АЧХ без изменения частот перегиба. Вносимое регулятором на средних частотах затухание определяется соотношением n=R1/R3. Диапазон регулирования АЧХ при этом зависит не только от величины затухания n, но и от выбора частот перегиба частотной характеристики, поэтому для его увеличения частоты перегиба устанавливают в области средних частот, что, в свою очередь, чревато взаимным влиянием регулировок.

В традиционном варианте рассматриваемого регулятора R1/R3=C2/C1= =C4/C3=R5/R6=n, R2=R7=n-R1. При этом достигается приблизительное совпадение частот перегиба АЧХ в области ее подъема и спада (в общем случае они различны), что обеспечивает относительно симметричное регулирование АЧХ (спад даже в этом случае неизбежно получается более крутым и протяженным). При обычно используемом п=10 (для этого случая указаны минимальные значения номиналов элементов на рис. 1,а-3,а) и выборе частот раздела вблизи 1 кГц регулирование тембра на частотах 100 Гц и 10 кГц относительно частоты 1 кГц составляет ±14...18дБ.

Как отмечалось выше, для достижения плавного регулирования переменные резисторы R2, R7 должны иметь экспоненциальную характеристику регулирования (группа "В") и, кроме того, для получения линейной АЧХ в среднем положении движков регуляторов соотношение сопротивлений верхнего и нижнего (по схеме) участков переменных резисторов также должно быть равно п. При "хайэндовском" п=2...3, что соответствует диапазону регулирования ±4...8 дБ, вполне допустимо использовать переменные резисторы с линейной зависимостью сопротивления от угла поворота движка (группа "А"), но при этом несколько огрубляется регулировка в области спада АЧХ и растягивается в области подъема, а плоская АЧХ получается отнюдь не в среднем положении движков регуляторов. С другой стороны, сопротивление секций сдвоенных переменных резисторов с линейной зависимостью лучше согласовано, что уменьшает рассогласование АЧХ каналов стереофонического усилителя, так что неравномерное регулирование в этом случае можно считать допустимым.

Наличие резистора R4 не принципиально, его назначение - снизить взаимное влияние звеньев и сблизить частоты перегиба АЧХ в области высших звуковых частот. Как правило, R4= =(0,3...1,2)'R1. Как показано ниже, от него в ряде случаев можно вообще отказаться. Для снижения влияния на регулятор предшествующих и последующих каскадов их выходное Rвых и входное Rвх сопротивления должны быть соответственно Rвых<<R3, Rвх>>R2.

Приведенный "базовый"вариант регулятора применяется обычно в радиоаппаратуре высокого класса. В бытовой аппаратуре используют несколько упрощенный вариант (рис. 2,а). Аппроксимированные логарифмические амплитудно-частотные характеристики (ЛАЧХ) такого регулятора приведены на рис. 2,6. Упрощение его высокочастотного звена привело к некоторой расплывчатости регулирования в области высших частот и к более заметному влиянию предшествующего и последующего каскадов на АЧХ в этой области.

Пассивные регуляторы тембра

Puc. 2

Подобный корректор при n=2 (с переменными резисторами группы "А") был особенно популярен в простых любительских усилителях [2] конца 60-х - начала 70-х годов (главным образом, из-за малого затухания), но вскоре величина п возросла до привычных сегодня значении. Все сказанное выше относительно диапазона регулирования, согласования и выбора регуляторов справедливо и для упрощенного варианта корректора.

Если отказаться от требования симметричного регулирования АЧХ на участках их подъема и спада (кстати, необходимость спада практически не возникает), то можно еще более упростить схему (рис. 3,а). Приведенные на рис. З.б ЛАЧХ регулятора соответствуют крайним положениям движков резисторов R2, R4. Достоинство такого регулятора - простота, но поскольку все его характеристики взаимосвязаны, для удобства регулирования целесообразно выбирать n=3...10. С ростом n крутизна подъема растет, а спада - снижается. Все сказанное выше о традиционных вариантах корректора Баксандала в полной мере относится и к этому, предельно упрощенному варианту.

Пассивные регуляторы тембра
Puc. 3

Однако схема регулятора тембра Баксандала и ее варианты - отнюдь не единственная возможная реализация пассивного двухполосного регулятора тембра. Вторая группа регуляторов выполнена не на базе мостов, а на базе частотно-зависимого делителя напряжения. В качестве примера изящного схемотехнического решения регулятора можно привести темброблок, в свое время использовавшийся в различных вариациях в ламповых усилителях электрогитар. "Изюминкой" данного регулятора является изменение частот перегиба АЧХ в процессе регулирования тембра, что приводит к интересным эффектам в звучании "классической" электрогитары. Базовая его схема изображена на рис. 4,а, а аппроксимированные ЛАЧХ - на рис. 4,6. Там же приведены расчетные зависимости для определения постоянных времени точек перегиба.

Пассивные регуляторы тембра
Puc. 4

Нетрудно заметить, что регулировка в области низших звуковых частот изменяет частоты перегиба, не меняя наклон АЧХ. Когда движок переменного резистора R4 находится в нижнем (по схеме) положении, АЧХ на низших частотах линейна. При перемещении же движка вверх на ней появляется подъем, причем точка перегиба в процессе регулирования сдвигается в область более низких частот. При дальнейшем перемещении движка верхняя (по схеме) секция резистора R4 начинает шунтировать резистор R2, что вызывает сдвиг высокочастотной точки перегиба в область более высоких частот. Таким образом, при регулировании подъем низких частот дополняется спадом средних. Регулятор высших звуковых частот представляет собой простейший фильтр первого порядка и особенностей не имеет.

На базе этой схемы можно построить несколько вариантов темброблоков, позволяющих регулировать АЧХ в области низших и высших частот. Причем в области низших частот возможен и подъем, и спад АЧХ, а на высших - только подъем.

Вариант темброблока с регулированием частоты перегиба АЧХ в низкочастотной области показан на рис. 5,а, его ЛАЧХ - на рис. 5,6. Резистор R2 регулирует частоту перегиба АЧХ, a R5 - ее наклон. Совместное действие регуляторов позволяет получить значительные пределы и большую гибкость регулирования.

Пассивные регуляторы тембра
Puc. 5

Схема упрощенного варианта темброблока приведена на рис. 6,а, его ЛАЧХ - на рис. 6,6. Он представляет собой, в сущности, гибрид низкочастотного звена темброблока, показанного на рис. 3,а, и высокочастотного звена темброблока, показанного на рис. 4,а.

Пассивные регуляторы тембра
Puc. 6

Объединив функции регулирования АЧХ в низкочастотной и высокочастотной областях, можно получить простой комбинированный регулятор тембра с одним органом управления, весьма удобный для применения в радиоприемной и автомобильной аппаратуре. Его принципиальная схема показана на рис. 7,а и ЛАЧХ - на рис. 7,6. В нижнем (по схеме) положении движка переменного резистора R1 АЧХ близка к линейной во всем диапазоне частот. При перемещении .его вверх появляется подъем на низших частотах, причем низкочастотная точка перегиба в процессе регулирования сдвигается в область более низших частот. При дальнейшем перемещении движка верхняя (по схеме) секция резистора R1 включает в работу конденсатор С1, что приводит к подъему высших частот.

Пассивные регуляторы тембра
Puc. 7

При замене переменного резистора R1 переключателем (рис. 8,а и 8,6) рассмотренный регулятор превращается в простейший тон-регистр (положение 1 - classic; 2 - jazz; 3 - rock), популярный в 50-х - 60-х годах и вновь используемый в эквалайзерах магнитол и музыкальных центров в 90-х.

Пассивные регуляторы тембра
Puc. 8

Несмотря на то что о регулировании тембра, казалось бы, все давно уже сказано, многообразие пассивных корректирующих цепей не исчерпывается предложенными вариантами. Немало забытых схемотехнических решений переживают сейчас второе рождение на новом качественном уровне. Весьма перспективен, например, регулятор громкости с раздельной регулировкой тонкомпенсации по низким и высоким частотам [З].

Литература

  1. Шкритек П. Справочное руководство по звуковой схемотехнике (пер. с нем.). - М.: Мир, 1991, с. 151-153.
  2. Крылов Г. Широкополосный УНЧ. - Радио, 1973, N 9, c.56,57.
  3. Шихатов А. Комбинированный блок регулирования АЧХ. - Радио, 1993, N 7, с. 16.

Автор: А. Шихатов; Публикация: bluesmobile.com/shikhman

Смотрите другие статьи раздела Регуляторы тембра, громкости.

Читайте и пишите полезные комментарии к этой статье.

<< Назад

Последние новости науки и техники, новинки электроники:

Оптимальная продолжительность сна 12.11.2025

Сон играет ключевую роль в поддержании здоровья, когнитивных функций и общего самочувствия. Несмотря на широко распространенный стереотип о восьмичасовом сне, последние исследования показывают, что оптимальная продолжительность сна для большинства здоровых взрослых ближе к семи часам. Эволюционный биолог из Гарварда, Дэниел Э. Либерман, утверждает, что традиционная норма восьми часов сна - это скорее культурное наследие индустриальной эпохи, чем биологическая необходимость. По его словам, полевые исследования, проведенные в сообществах, не использующих электричество, показывают, что средняя продолжительность сна составляет 6-7 часов, что значительно отличается от общепринятого стандарта. Современные эпидемиологические данные подтверждают этот взгляд. Исследования выявили так называемую "U-образную кривую" зависимости между продолжительностью сна и рисками для здоровья. Минимальные показатели заболеваемости и смертности наблюдаются именно у людей, спящих около семи часов в сутки. ...>>

Дефицит кислорода усиливает выброс закиси азота 12.11.2025

Парниковые газы играют ключевую роль в изменении климата, а закись азота (N2O) - один из наиболее опасных среди них. Этот газ не только втрое сильнее углекислого газа в удержании тепла, но и разрушает озоновый слой. Недавнее исследование американских ученых показало, что микробы в зонах с низким содержанием кислорода активно производят N2O, усиливая глобальные климатические риски. Команда из Университета Пенсильвании изучала прибрежные воды у Сан-Диего и провела наблюдения на глубинах от 40 до 120 метров в Восточной тропической северной части Тихого океана - одной из крупнейших зон дефицита кислорода. Исследователи сосредоточились на том, как морские микроорганизмы превращают нитраты в закись азота. В ходе работы выяснилось, что существует два пути образования N2O. Один путь начинается с нитрата, другой - с нитрита. На первый взгляд более короткий путь должен быть эффективнее, однако микробы, использующие нитрат, продуцируют больше газа, поскольку этот "сырьевой" источник более д ...>>

Омега-3 помогают молодым кораллам выживать 11.11.2025

Сохранение коралловых рифов становится все более актуальной задачей в условиях глобального изменения климата. Молодые кораллы особенно уязвимы на ранних стадиях развития, когда стрессовые условия и нехватка питательных веществ могут привести к высокой смертности. Недавнее исследование ученых из Технологического университета Сиднея показывает, что специальные пищевые добавки способны существенно повысить выживаемость личинок кораллов. В ходе работы исследователи разработали особый состав "детского питания" для коралловых личинок. В него вошли масла, богатые омега-3 жирными кислотами, а также важные стерины, необходимые для формирования клеточных мембран. Личинки, получавшие эти добавки, развивались быстрее, становились крепче и демонстрировали более высокую устойчивость к стрессовым факторам. Особое внимание ученые уделили липидам. Анализ показал, что личинки активно усваивают эти вещества, что напрямую влияет на их жизнеспособность. Стерины, содержащиеся в корме, повышают устойчи ...>>

Случайная новость из Архива

Миниатюрное устройство для чтения генома 13.02.2018

Молекулярные биологи из Ноттингемского университета (Великобритания) и Калифорнийского университета в Санта-Крузе создали секвенатор - аппарат для анализа последовательностей ДНК - размером с обычный телефон. Он "читает" более длинные фрагменты генома, чем ряд существующих полноразмерных секвенаторов, за счет чего собирать полную последовательность ДНК из кусочков становится проще. Разработчики надеются, что их прибор будут использовать не только в научных лабораториях, но и в больницах.

В основе устройства лежит принцип нанопорового секвенирования. Молекула ДНК при этом проходит через отверстие крайне малого диаметра - нанопору. Преодолевая ее, каждый тип "строительных блоков" ДНК, нуклеотидов (а всего таких типа 4), генерирует свой уникальный электрический сигнал. Так и определяется последовательность нуклеотидов в молекуле. Утверждается, что это происходит с точностью 99,5 процентов.

Главные достоинства нового секвенатора - это его размер, а также длина участков ДНК, которые он способен "прочесть". Устройство умещается в ладонь, что делает его переносным и позволяет использовать практически везде. По словам одного из авторов работы, его уже применяли в Африке во время эпидемии лихорадки Эбола. А тот факт, что анализируемые им фрагменты ДНК особенно длинные, позволяет с большей легкостью собирать геном воедино.

Дело в том, что в ДНК практически любого организма содержит в себе множество коротких практически идентичных участков. Понять, какой из них в каком месте целой молекулы находится, весьма непросто. А секвенирование его с соседними нуклеотидами, которые уже будут отличаться от повторов, позволяет расставить повторяющиеся участки в нужном для понимания строения генома порядке. За счет этого нанопоровое секвенирование дает возможность изучать фрагменты ДНК, ранее практически не поддававшиеся этому. В их число входят теломеры - концевые участки хромосом, не несущие информации о белках, но защищающих хромосомы от укорачивания.

Стоимость и сложность секвенирования геномов постоянно снижаются. Если всего десять лет назад эта процедура была финансово доступна далеко не всем и могла проводиться только в хорошо оборудованных лабораториях, то с появлением устройств, подобных описанному, секвенирование вскорости может стать доступным и в обычных больницах.

Другие интересные новости:

▪ Интернет-автомат

▪ 2,5-дюймовые накопители Transcend SSD250N для сетевых хранилищ

▪ Два киви в день спасают от депрессии

▪ Объединение двух теорий времени

▪ Ветромобиль

Лента новостей науки и техники, новинок электроники

 

Интересные материалы Бесплатной технической библиотеки:

▪ раздел сайта Параметры, аналоги, маркировка радиодеталей. Подборка статей

▪ статья Без драки попасть в большие забияки. Крылатое выражение

▪ статья Где живут бактерии? Подробный ответ

▪ статья Слесарь по ремонту и обслуживанию топливной аппаратуры автомобилей. Типовая инструкция по охране труда

▪ статья Приготовление олифы без варки. Простые рецепты и советы

▪ статья Безопасная зарядка Li-ion аккумуляторов. Энциклопедия радиоэлектроники и электротехники

Оставьте свой комментарий к этой статье:

Имя:


E-mail (не обязательно):


Комментарий:





Главная страница | Библиотека | Статьи | Карта сайта | Отзывы о сайте

www.diagram.com.ua

www.diagram.com.ua
2000-2025