Бесплатная техническая библиотека
Любительский радиотелефон РТФ-92. Энциклопедия радиоэлектроники и электротехники

Энциклопедия радиоэлектроники и электротехники / Телефония
Комментарии к статье
Специально по заданию редакции "РЛ" разработана простая схема любительского радиотелефона "РТФ-92" с выходом на АТС. С помощью этого устройства можно звонить по телефону из машины, с дачи, или в туристическом походе, включать сигнализацию квартиры и служебного помещения, а также использовать "РТФ-92" как беспроводную трубку-телефон.
Принцип работы "РТФ-92" основан на обычном тональном радиоуправлении. Блок-схема "РТФ-92" изображена на рис.1 и рис.2 и включает в себя мобильную и стационарную части.

Мобильная часть состоит из дуплексной радиостанции, тонального генератора сигналов трех частот, усилителя низкой частоты для приема тонального вызова и номеронабирателя.
(нажмите для увеличения)
Стационарная часть состоит из дуплексной радиостанции, трех приемников тональных сигналов (ПТС1, ПТС2, ПТC3), дифференциальной системы, тиристорного устройства включения-выключения дифси-стемы и передатчика, реле вызова, тонального генератора вызова и реле времени.
(нажмите для увеличения)
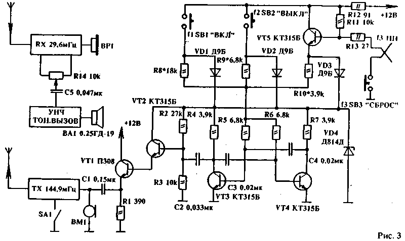
Принципиальная схема мобильной части приведена на рис.3. На транзисторах VT3, VT4 собран тональный генератор, который включается кнопками SB1, SB2, SB3 или номеронабирателем через диоды VD1 - VD3, а частота генератора подбирается резисторами R8, R9, R10 под частоту приемников тональных сигналов ПТС1 - ПТC3. На транзисторах VT1, VT2 собран усилитель, с выхода которого напряжение тональных сигналов поступает через конденсатор С1 на микрофонный вход передатчика. На транзисторе VT5 собран электронный ключ для номеронабирателя и кнопки сброса SB3. Выключатель SA1 предназначен для включения передатчика.
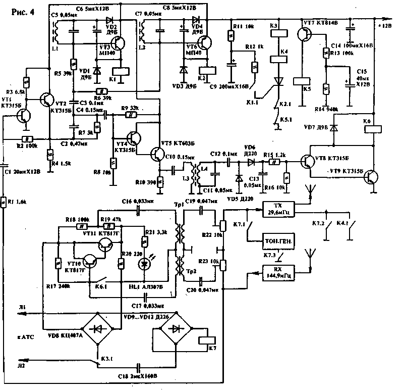
Принципиальная схема стационарной части изображена на рис.4. На транзисторах VT1, VT2 собран общий усилитель тональных сигналов, поступающих с НЧ выхода приемника через резистор R1 и конденсатор С1 на его вход. Приемник тонального сигнала с частотой 1610 Гц (ПТС-1) на транзисторе VT3 и элементах L1, С5, К1 предназначен для включения дифсистемы и передатчика контактами К1.1, КЗ. Г, К4.1.
(нажмите для увеличения)
На транзисторе VT6 и элементах L2, С7, К2 собран приемник тонального сигнала с частотой 2400 Гц (ПТС-2) для возвращения стационарной части в исходное состояние контактами К2.1. (Все элементы коммутации на схеме - в исходном состоянии). Тональные сигналы включения и выключения стационарной части подаются с выхода общего усилителя через С2, R7, C3, R5, R6 на базы транзисторов VT3 и VT6.
На транзисторах VT4, VT5 выполнен усилитель тональных сигналов с частотой 3580 Гц для номеронабирателя и сброса. Транзисторы VT8, VT9 и элементы L4, С 11, Кб составляют приемник тональных сигналов с частотой 3580 Гц для номеронабирателя (ПТС-3), который при помощи контактов К6.1 управляет дифсистемой (VT10, VT11), производя тем самым набор номера АТС. При ответе абонента АТС разговорное напряжение поступает с делителя R18, R19, R20 через С16, согласующий переходной трансформатор Т1 и С19, R22 на вход передатчика и далее принимается приемником мобильной части.
Разговорное напряжение абонента мобильной части поступает на вход передатчика мобильной части и далее принимается приемником стационарной части, с НЧ выхода которого оно через цепочку R23, с20,. переходной трансформатор Т2, С17 поступает на базу VT10 и далее - в линию АТС.
Дифференциальная система питается от линии АТС через диодный мост VD8. Другой диодный мост VD9 - VD12 с конденсатором С 18 предназначены для приема вызова с линий АТС. Последний нагружен обмоткой реле К7, контакты которого (К7.1, К7.3) подключают тональный генератор вызова ко входу передатчика, а контакты К7.2 включают передатчик. Принципиальная схема тонального генератора вызова приведена на рис.5.

Тиристор VS1 предназначен для удержания в рабочем состоянии стационарной части "РТФ-92". На транзисторе VT7 собрано реле времени, контакты К5.1 которого разрывают цепь тиристора VS1 при включении-выключении источника питания стационарной части, т.к. при подаче питания на стационарную часть контакты приемников тональных сигналов самопроизвольно срабатывают до момента восстановления рабочего режима (т.е. на 15-20 сек - интервал, на который рассчитано реле времени).
Мобильная часть "РТФ-92" выполнена внутри корпуса обычного телефонного аппарата с номеронабирателем. В трубку аппарата -заведены от дуплексной радиостанции телефонный капсюль BF1 и микрофон BMI. Рычажный (или герконовыи) переключатель аппарата используется при снятии трубки для включения передатчика.
. На переднюю, панель телефонного аппарата выведены три кнопки SB1 - SB3 и красный светодиод для контроля за работой передатчика. Стационарная часть "РТФ-92" выполнена в отдельной коробке (размеры зависят от применяе мых деталей) и подключена многожильным кабелем к радиостанции и двухжильным - к линии АТС.
Работа "РТФ-92" очень проста. Необходимо лишь соблюдать следующий порядок пользования устройством.
Поднять трубку телефонного аппарата.
Нажать на несколько секунд кнопку SB1 - "вкл."
Услышав сигнал АТС, набрать номер абонента.
При наборе другого номера нажать на несколько секунд кнопку SB3 - "сброс".
По окончании разговора нажать на несколько секунд кнопку SB2 - "выкл."
Положить трубку на место. Светодиод HL1 предназначен для контроля за работой дифси-стемы.
Детали для "РТФ-92" можно применить любые. Реле К1 -Кб - герконовые типа РЭС55А (паспорт 0602).
Трансформаторы Т1 и Т2 -переходные от радиоприемника "Альпинист 405" или аналогичного. Средние выводы не используются.
Реле К7 - типа РКМ-1 (паспорт РС4.500.873.).
Катушки LI, L2, L4 намотаны на ферритовых кольцах с внешним диаметром 10 мм и высотой 5 мм;
L3 - выполнена вместе с L4 на одном кольце. Провод для намотки L1 - L4 - ПЭВ-0,1. L1 имеет 460 витков; L2 - 300 витков; L3 - 45 витков; L4 - 245 витков. R14 - составной, последовательно соединены два резистора по 470 К.
Диодный мост VD8 можно собрать на диодах типа D226, КД105 и т.п., рассчитанных на Uo6p - 100 В. Тиристор VS1 -любой.
Транзисторы VT10, VT11 высоковольтные - на 80 - 100 В. Наладка "РТФ-92" заключается прежде всего в организации дуплексной чистой радиосвязи, а затем подстройке резисторов R22, R23 по наилучшей слышимости разговора абонентов.
Автор: В.Табунщиков (RV6ACM), г.Новороссийск; Публикация: cxem.net
Смотрите другие статьи раздела Телефония.
Читайте и пишите полезные комментарии к этой статье.
<< Назад
Последние новости науки и техники, новинки электроники:
Большой адронный коллайдер прекращает работу
16.01.2026
Физика элементарных частиц - одна из самых передовых областей науки, где каждый эксперимент может изменить наше понимание мироздания. Центральным инструментом этих исследований является Большой адронный коллайдер (LHC), уникальный ускоритель частиц, позволяющий изучать самые фундаментальные законы природы. Недавно стало известно, что LHC временно прекращает свою работу для масштабной модернизации, которая подготовит его к новому этапу экспериментов с гораздо большей производительностью.
Коллайдер, расположенный в подземном тоннеле вдоль швейцарско-французской границы, создает столкновения частиц на невероятно высоких энергиях. Именно здесь в 2012 году ученые открыли бозон Хиггса - ключевую частицу, объясняющую, почему другие элементарные частицы имеют массу. Это открытие стало одним из самых значимых событий современной физики и подтвердило предсказания Стандартной модели.
Причиной временной остановки LHC стало развертывание проекта High-Luminosity LHC (HL-LHC). Модернизация позв ...>>
Робот-бармен AI Barmen
16.01.2026
Американские инженеры создали AI Barmen - робота-бармена, способного не только готовить коктейли, но и запоминать предпочтения гостей.
AI Barmen представляет собой автономную систему, которую можно устанавливать практически в любых местах - от баров и ресторанов до гостиниц, аэропортов и корпоративных мероприятий. Робот сочетает механический манипулятор с интеллектуальной программой, которая подбирает напитки на основе истории заказов конкретного пользователя. Гости могут оставаться анонимными или разрешить системе запоминать их вкусы, что позволяет получать одинаково качественный персонализированный коктейль в любой точке, где установлен AI Barmen.
Робот готовит широкий спектр коктейлей с высокой точностью, контролирует запасы ингредиентов и автоматически ведет учет, что снижает затраты и минимизирует ошибки. Для работы устройства достаточно стандартной розетки, подключение к воде не требуется, что делает его мобильным и удобным для эксплуатации в самых разных условиях.
Систе ...>>
Стерильного нейтрино не существует
15.01.2026
В физике элементарных частиц поиск новых, пока не обнаруженных объектов играет ключевую роль в понимании устройства Вселенной. Иногда такие поиски приводят к громким открытиям, а иногда - к не менее важным отрицательным результатам, которые позволяют отбросить неверные направления. Именно к таким случаям относится недавний вывод ученых о судьбе стерильного нейтрино - одной из самых интригующих гипотетических частиц последних десятилетий.
Исследователи из американской лаборатории Fermilab официально сообщили, что им не удалось найти доказательства существования стерильного нейтрино. К такому выводу пришла команда эксперимента MicroBooNE после многолетнего анализа столкновений нейтрино, которые ранее рассматривались как возможный намек на существование четвертого типа этих частиц. Предполагалось, что стерильное нейтрино взаимодействует с материей исключительно через гравитацию, что делало его крайне трудным объектом для обнаружения.
В рамках современной физики нейтрино известны в т ...>>
Случайная новость из Архива Полупрозрачные солнечные панели на основе вольфрама
06.09.2024
Современные технологии солнечной энергетики постоянно развиваются, и ученые ищут пути повышения эффективности и доступности солнечных панелей. Традиционные кремниевые панели уже доказали свою эффективность, но исследователи не останавливаются на достигнутом, стремясь найти более гибкие, экономичные и эстетически привлекательные решения. Одним из таких прорывов стало создание полупрозрачных солнечных панелей на основе вольфрама. Эксперты из Стэнфордского университета в сотрудничестве с бельгийским исследовательским центром Imec разработали новую технологию, которая позволяет массово производить такие панели, обходясь без использования кремния.
Исследователи сделали ставку на дыхалькогенидные переходные металлы (TMD), которые обладают высоким коэффициентом поглощения солнечного света. Эти материалы имеют двумерную структуру, гибки и могут быть нанесены на различные поверхности, включая стекла, что делает их идеальными кандидатами для создания полупрозрачных солнечных элементов. Однако сложность производства TMD ранее ограничивала их применение.
В ходе исследования была разработана инновационная технология, позволяющая масштабировать производство пленок из вольфрама диселенида (WSe2). Эти пленки, толщиной всего 30 нанометров, наносятся на пластины толщиной 150 миллиметров. В процессе производства используются два подхода к селенизации: с использованием твердого источника селена (SS-Se) и селенида водорода (H2Se). Первый метод требует нагрева до 900 градусов Цельсия, в то время как второй - до 650 градусов. Несмотря на различия в температурных режимах, оба подхода обеспечивают получение пленок WSe2 с шириной запрещенной зоны от 1,2 до 1,3 эВ, что делает их оптимальными для использования в солнечных элементах.
Одним из ключевых достижений стало увеличение времени жизни носителей заряда материала до 144 наносекунд, что в 14 раз больше, чем в ранее производимых аналогах. Это существенно повышает эффективность преобразования энергии, которая может достигать 22,3%, что сопоставимо с коммерческими солнечными панелями на основе кремния.
Полупрозрачные солнечные панели на основе WSe2 могут найти широкое применение в архитектуре, где их можно использовать для остекления окон, что позволит зданиям генерировать электроэнергию, сохраняя при этом светопроницаемость. Гибкость этих материалов открывает возможности для интеграции солнечных элементов в одежду, автомобили и даже портативные устройства, создавая новую эру в использовании солнечной энергии.
Процесс производства таких панелей не только относительно прост, но и экономически выгоден. Это делает технологию доступной для массового применения и сулит значительное снижение стоимости солнечной энергии. Высокая эффективность при малом весе (до 64 Вт на грамм в упакованной ячейке) делает эти панели привлекательными для использования в наноэлектронике и других инновационных областях.
Новая технология производства полупрозрачных солнечных панелей на основе вольфрама открывает широкие перспективы для солнечной энергетики. Высокая эффективность, гибкость и экономическая доступность таких панелей могут значительно изменить подход к использованию возобновляемых источников энергии, делая солнечные технологии более интегрированными в повседневную жизнь.
|
Другие интересные новости:
▪ Чип, определяющий количество алкоголя в крови
▪ Математика в помощь почтальону
▪ Туризм - основная причина возможной экологической катастрофы
▪ Сенсорная клавиатура-дисплей DS Pixel Keyboard
▪ Антивирусные свойства бананов
Лента новостей науки и техники, новинок электроники
Интересные материалы Бесплатной технической библиотеки:
▪ раздел сайта Эффектные фокусы и их разгадки. Подборка статей
▪ статья Урология. Шпаргалка
▪ статья Где на Рождество можно купить фигурку папы римского, справляющего большую нужду? Подробный ответ
▪ статья Каянус. Легенды, выращивание, способы применения
▪ статья Конвертер ДМВ с фильтром ПАВ для узкополосной АМ/ЧМ. Энциклопедия радиоэлектроники и электротехники
▪ статья Подключение звуковой карты к телефону. Энциклопедия радиоэлектроники и электротехники
Оставьте свой комментарий к этой статье:
Главная страница | Библиотека | Статьи | Карта сайта | Отзывы о сайте

www.diagram.com.ua
2000-2026