Menu Home

Бесплатная техническая библиотека для любителей и профессионалов Бесплатная техническая библиотека


Импульсные понижающие стабилизаторы. Справочные данные

Бесплатная техническая библиотека

Энциклопедия радиоэлектроники и электротехники / Справочные материалы

 Комментарии к статье

В предлагаемой вниманию читателей статье описаны два импульсных понижающих стабилизатора: на дискретных элементах и на специализированной микросхеме. Первое устройство разработано для питания автомобильной аппаратуры напряжением 12 Вот 24-вольтной бортовой сети грузовых автомобилей и автобусов. Второе устройство - основа для лабораторного источника питания.

Импульсные стабилизаторы напряжения (понижающие, повышающие и инвертирующие) занимают особое место в истории развития силовой электроники. Еще не так давно каждый источник питания с выходной мощностью более 50 Вт имел в своем составе понижающий импульсный стабилизатор. Сегодня область применения подобных устройств сократилась в связи с удешевлением источников питания с бестрансформаторным входом. Тем не менее применение импульсных понижающих стабилизаторов в ряде случаев оказывается экономически более выгодным, чем каких-либо других преобразователей постоянного напряжения.

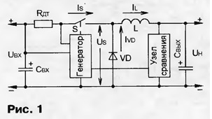
Функциональная схема понижающего импульсного стабилизатора показана на рис. 1, а временные диаграммы, поясняющие его работу в режиме непрерывного тока дросселя L, - на рис. 2. Во время tвкл электронный коммутатор S замкнут и ток протекает по контуру: плюсовой вывод конденсатора Свх, резистивный датчик тока Rдт, накопительный дроссель L, конденсатор Свых, нагрузка, минусовый вывод конденсатора Свх. На этом этапе ток дросселя lL равен току электронного коммутатора S и практически линейно увеличивается от lLmin до lLmax.

Импульсные понижающие стабилизаторы

Импульсные понижающие стабилизаторы

По сигналу рассогласования от узла сравнения либо по сигналу перегрузки от датчика тока или по их сочетанию генератор переводит электронный коммутатор S в разомкнутое состояние. Поскольку ток через дроссель L мгновенно измениться не может, то под действием ЭДС самоиндукции откроется диод VD и ток lL потечет по контуру: катод диода VD, дроссель L, конденсатор СВыХ, нагрузка, анод диода VD. Во время tlKл, когда электронный коммутатор S разомкнут, ток дросселя lL совпадает с током диода VD и линейно уменьшается от

lLmax до lL min. За Период Т конденсатор Свых получает и отдает приращение заряда ΔQсвых. соответствующее заштрихованной области на временной диаграмме тока lL [1]. Это приращение и определяет размах напряжения пульсаций ΔUСвых на конденсаторе Свых и на нагрузке.

При замыкании электронного коммутатора диод закрывается. Этот процесс сопровождается резким увеличением тока коммутатора до значения Ismax из-за того, что сопротивление цепи - датчик тока, замкнутый коммутатор, восстанавливающийся диод - очень мало. Для уменьшения динамических потерь следует применять диоды с малым временем обратного восстановления. Кроме того, диоды понижающих стабилизаторов должны выдерживать большой обратный ток. С восстановлением закрывающих свойств диода начинается следующий период преобразования.

Если импульсный понижающий стабилизатор работает при малом токе нагрузки, возможен его переход в режим прерывистого тока дросселя. В этом случае ток дросселя к моменту замыкания коммутатора прекращается и его увеличение начинается от нуля. Режим прерывистого тока нежелателен при токе нагрузки, близком к номинальному, поскольку в этом случае возникают повышенные пульсации выходного напряжения. Наиболее оптимальна ситуация, когда стабилизатор работает в режиме непрерывного тока дросселя при максимальной нагрузке и в режиме прерывистого тока, когда нагрузка уменьшается до 10...20% от номинальной.

Выходное напряжение регулируют изменением отношения времени замкнутого состояния коммутатора к периоду следования импульсов. При этом, в зависимости от схемотехники, возможны различные варианты реализации способа управления. В устройствах с релейным регулированием переход от включенного состояния коммутатора к выключенному определяет узел сравнения. Когда выходное напряжение больше заданного, коммутатор выключен, и наоборот. Если зафиксировать период следования импульсов, то выходное напряжение можно регулировать изменением длительности включенного состояния коммутатора. Иногда используют методы, при которых фиксируют либо время замкнутого, либо время разомкнутого состояния коммутатора. В любом из способов регулирования необходимо ограничивать ток дросселя на этапе замкнутого состояния коммутатора для защиты от перегрузки по выходу. Для этих целей применяют резистивный датчик или импульсный трансформатор тока.

Выбор основных элементов импульсного понижающего стабилизатора и расчет их режимов проведем на конкретном примере. Все соотношения, которые при этом используются, получены на основе анализа функциональной схемы и временных диаграмм, а за основу взята методика [1].

Пусть необходимо рассчитать импульсный понижающий стабилизатор со следующими параметрами: UBX=18...32 В, Ulx=12B, Iвых=5А.

1. На основе сравнения исходных параметров и предельных допустимых значений тока и напряжения ряда мощных транзисторов и диодов предварительно выбираем биполярный составной транзистор КТ853Г (электронный коммутатор S) и диод КД2997В (VD) [2, 3].

2. Рассчитаем минимальный и максимальный коэффициенты заполнения:

γmin=tи min /Tmin=(UBыX+Uпр)/(UBX max+Usвкл - URдТ+Uпр)=(12+0,8)/(32-2-0,3+0,8)=0,42;

γmах = tи max /Tmax = (UBыx+Uпp)/(UBx min - Usbкл -URдт+Uпp)=( 12+0,8)/( 18-2-0,3+0,8)=0,78, где Uпp=0,8 В - прямое падение напряжения на диоде VD, полученное из прямой ветви ВАХ для тока, равного IВыХ в наихудшем случае; Usbкл = 2 В - напряжение насыщения транзистора КТ853Г, выполняющего функцию коммутатора S, при коэффициенте передачи тока в режиме насыщения h21э = 250; URдТ = 0,3 В - падение напряжения на датчике тока при номинальном токе нагрузки.

3. Выбираем максимальную и минимальную частоту преобразования.

Этот пункт выполняется, если период следования импульсов не постоянен. Выбираем способ управления с фиксированной длительностью разомкнутого состояния электронного коммутатора. При этом выполняется условие: t=( 1 - γmax)/fmin = ( 1 -γmin)/fmax=const.

Поскольку коммутатор выполнен на транзисторе КТ853Г, который имеет плохие динамические характеристики, то максимальную частоту преобразования выберем сравнительно низкой: fmax=25 кГц. Тогда минимальную частоту преобразования можно определить как

fmin=fmax( 1 - γmax)/( 1 - γmin) =25·103]( 1 - 0,78)/(1-0,42)=9,48 кГц.

4. Вычислим мощность потерь на коммутаторе.

Статические потери определяются действующим значением тока, протекающим через коммутатор. Поскольку форма тока - трапеция, то Is = Iвых где α=lLmax /llx=1,25 - отношение максимального тока дросселя к выходному току. Коэффициент а выбирают в пределах 1,2... 1,6. Статические потери коммутатора PScтaт=lsUSBKn=3,27-2=6,54 Вт.

Динамические потери на коммутаторе Рsдин·0,5fmax·UBX max(lsmax·tф+α·llx·tcn),

где Ismax - амплитуда тока коммутатора, обусловленная обратным восстановлением диода VD. Приняв lSmax=2lBыX, получаем

Рsдин=0, 5fmax·UBX max ·Iвых( 2tф+ α∙ tcn )=0,5· 25·103·32·5(2·0,78-10-6+1,25-2-10-6)=8,12 Вт, где tф=0,78·10-6 с - длительность фронта импульса тока через коммутатор, tcn=2·10-6 с - длительность спада.

Общие потери на коммутаторе составляют: Рs=Рscтат+Рsдин=6,54+8,12=14,66 Вт.

Если бы преобладающими на коммутаторе были статические потери, расчет следовало проводить для минимального входного напряжения, когда ток дросселя максимален. В случае, когда трудно прогнозировать преобладающий вид потерь, их определяют как при минимальном, так и при максимальном входном напряжении.

5. Рассчитываем мощность потерь на диоде.

Поскольку форма тока через диод - также трапеция, его действующее значение определим как

Статические потери на диоде PvDcTaT=lvD·Uпр=3,84-0,8=3,07 Вт.

Динамические потери диода обусловлены в основном потерями при обратном восстановлении: РVDдин=0,5fmax·lsmaxvUBx max·toB·fmax·lBыx·Uвх max ·toв·25-103 -5-32·0,2·10-6=0,8 Вт, где tOB=0,2-1C-6 с - время обратного восстановления диода.

Суммарные потери на диоде составят: PVD=PМDcтaт+PVDдин=3,07+0,8=3,87 Вт.

6. Выбираем теплоотвод.

Основная характеристика теплоотвода - его тепловое сопротивление, которое определяется как отношение между разностью температур окружающей среды и поверхности теплоотвода к рассеиваемой им мощности: Rг=ΔТ/Ррасс. В нашем случае следует закрепить коммутирующий транзистор и диод на одном теплоотводе через изолирующие прокладки. Чтобы не учитывать тепловое сопротивление прокладок и не усложнять расчет, температуру поверхности выбираем низкой, примерно 70°С. Тогда при температуре окружающей среды 40°СΔТ=70-40=30°С. Тепловое сопротивление теплоотвода для нашего случая Rt=ΔT/(Ps+Pvd)=30/(14,66+3,87)=1,62°С/Вт.

Тепловое сопротивление при естественном охлаждении приводят, как правило, в справочных данных на теплоотвод. Для уменьшения габаритов и массы устройства можно применить принудительное охлаждение с помощью вентилятора.

7. Рассчитаем параметры дросселя.

Вычислим индуктивность дросселя: L= (UBX max - Usbkл-URдт - UBых)γmin /[2Iвыx·fmax(α-1)]=(32-2-0,3-12)·0,42/[2·5·25·103 (1,25-1)]=118,94 мкГн.

В качестве материала магнитопровода выбираем прессованный Мо-пермаллой МП 140 [4]. Переменная составляющая магнитного поля в магнитопроводе в нашем случае такова, что потери на гистерезис не являются ограничивающим фактором. Поэтому максимальную индукцию можно выбрать на линейном участке кривой намагничивания вблизи точки перегиба. Работа на криволинейном участке нежелательна, поскольку при этом магнитная проницаемость материала будет меньше по сравнению с начальной. Это, в свою очередь, повлечет за собой уменьшение индуктивности по мере увеличения тока дросселя. Выбираем максимальную индукцию Вm равной 0,5 Тл и вычисляем объем магнитопровода: Vp=μμ0·L(αIвыx)2/Bm2=140·4π·10-7·118,94· 10-6(1,25-5)20,52=3,27 см3, где μ=140 - начальная магнитная проницаемость материала МП140; μ0=4π·10-7 Гн/м - магнитная постоянная.

По вычисленному объему выбираем магнитопровод. Из-за конструктивных особенностей магнитопровод из пермаллоя МП140 выполняют, как правило, на двух сложенных кольцах. В нашем случае подходят кольца КП24х13х7. Площадь поперечного сечения магнитопровода Sc=20,352 =0,7 см2, а средняя длина магнитной линии λс=5,48 см. Объем выбранного магнитопровода составляет: VC=SC· λс=0,7·5,48=3,86 cm3>Vp.

Рассчитываем число витков: Принимаем число витков равным 23.

Диаметр провода с изоляцией определим исходя из того, что обмотка должна уложиться в один слой, виток к витку по внутренней окружности магнитопровода: dиз=πdKk3/w=π·13-0,8/23= 1,42 мм, где dK=13 мм - внутренний диаметр магнитопровода; к3=0,8 - коэффициент заполнения окна магнитопровода обмоткой.

Выбираем провод ПЭТВ-2 диаметром 1,32 мм.

Перед тем как наматывать провод, магнитопровод следует изолировать пленкой ПЭТ-Э толщиной 20 мкм и шириной 6...7 мм в один слой.

8. Вычислим емкость выходного конденсатора: CBыx=(UBX max-UsBкл - URдт) ·γmin/[8·ΔUCBыx·L·fmax2]=(32-2-0,3)·0,42/ [8·0,01·118,94-·10-6(25·103)2]=1250 мкФ, где ΔUСвыx=0,01 В - размах пульсаций на выходном конденсаторе.

Приведенная формула не учитывает влияния внутреннего, последовательного сопротивления конденсатора на пульсации. С учетом этого, а также допуска 20% на емкость оксидных конденсаторов выбираем два конденсатора К50-35 на номинальное напряжение 40 В емкостью 1000 мкФ каждый. Выбор конденсаторов с завышенным номинальным напряжением связан с тем, что с увеличением этого параметра у конденсаторов уменьшается последовательное сопротивление.

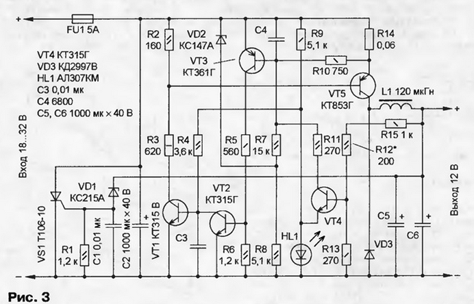
Схема, разработанная в соответствии с полученными в ходе расчета результатами, показана на рис. 3.

Рассмотрим работу стабилизатора подробнее. Во время открытого состояния электронного коммутатора - транзистора VT5 - на резисторе R14 (датчик тока) формируется пилообразное напряжение. Когда оно достигнет определенного значения, откроется транзистор VT3, который, в свою очередь, откроет транзистор VT2 и разрядит конденсатор C3. При этом закроются транзисторы VT1 и VT5, а также откроется коммутирующий диод VD3. Ранее открытые транзисторы VT3 и VT2 закроются, но транзистор VT1 не откроется, пока напряжение на конденсаторе C3 не достигнет порогового уровня, соответствующего напряжению его открывания. Таким образом, будет сформирован временной интервал, в течение которого коммутирующий транзистор VT5 будет закрыт (приблизительно 30 мкс). По окончании этого интервала откроются транзисторы VT1 и VT5 и процесс повторится снова.

Резистор R10 и конденсатор С4 образуют фильтр, подавляющий всплеск напряжения на базе транзистора VT3 из-за обратного восстановления диода VD3.

Для кремниевого транзистора VT3 напряжение база-эмиттер, при котором он переходит в активный режим, составляет около 0,6 В. В этом случае на датчике тока R14 рассеивается относительно большая мощность. Чтобы уменьшить напряжение на датчике тока, при котором открывается транзистор VT3, на его базу поступает постоянное смещение около 0,2 В по цепи VD2R7R8R10.

На базу транзистора VT4 подается напряжение, пропорциональное напряжению выхода, с делителя, верхнее плечо которого образуют резисторы R15, R12, а нижнее - резистор R13. Цепь HL1R9 формирует образцовое напряжение, равное сумме прямого падения напряжения на светодиоде и эмиттерном переходе транзистора VT4. В нашем случае образцовое напряжение составляет 2,2 В. Сигнал рассогласования равен разности между напряжением на базе транзистора VT4 и образцовым.

Выходное напряжение стабилизируется благодаря суммированию усиленного транзистором VT4 сигнала рассогласования с напряжением на базе транзистора VT3. Предположим, что напряжение на выходе увеличилось. Тогда напряжение на базе транзистора VT4 станет больше образцового. Транзистор VT4 приоткроется и сместит напряжение на базе транзистора VT3 так, что он тоже начнет открываться. Следовательно, транзистор VT3 откроется при меньшем уровне пилообразного напряжения на резисторе R14, что приведет к сокращению интервала времени, при котором коммутирующий транзистор будет открыт. Выходное напряжение при этом будет снижаться.

Если выходное напряжение уменьшится, процесс регулирования будет аналогичен, но происходит в обратном порядке и приводит к увеличению времени открытого состояния коммутатора. Поскольку ток резистора R14 непосредственно участвует в формировании времени открытого состояния транзистора VT5, то здесь, кроме обычной обратной связи по выходному напряжению, имеется обратная связь по току. Это позволяет стабилизировать выходное напряжение без нагрузки и обеспечить быструю реакцию на скачкообразное изменение тока на выходе устройства.

В случае замыкания в нагрузке или перегрузки стабилизатор переходит в режим ограничения тока. Напряжение на выходе начинает уменьшаться при токе 5,5...6 А, а ток замыкания примерно равен 8 А. В этих режимах время открытого состояния коммутирующего транзистора сокращается до минимума, что уменьшает рассеиваемую на нем мощность.

При неправильной работе стабилизатора, вызванной отказом одного из элементов (например, пробоем транзистора VT5), на выходе возрастает напряжение. В этом случае нагрузка может выйти из строя. Для предотвращения аварийных ситуаций преобразователь снабжен узлом защиты, который состоит из тринистора VS1, стабилитрона VD1, резистора R1 и конденсатора С1. Когда выходное напряжение превысит напряжение стабилизации стабилитрона VD1, через него начинает протекать ток, который включает тринистор VS1. Его включение приводит к уменьшению практически до нуля выходного напряжения и перегоранию предохранителя FU1.

Устройство предназначено для питания 12-вольтной аудиоаппаратуры, рассчитанной в основном на легковой автотранспорт, от бортовой сети грузовых автомобилей и автобусов напряжением 24 В. Из-за того, что входное напряжение в этом случае имеет низкий уровень пульсаций, у конденсатора С2 сравнительно небольшая емкость. Она недостаточна при питании стабилизатора непосредственно от сетевого трансформатора с выпрямителем. В этом случае выпрямитель следует снабдить конденсатором емкостью не менее 2200 мкФ на соответствующее напряжение. Трансформатор должен иметь габаритную мощность 80... 100 Вт.

В стабилизаторе применены оксидные конденсаторы К50-35 (С2, С5, С6). Конденсатор C3 - пленочный К73-9, К73-17 и т. д. подходящих размеров, С4 - керамический с малой собственной индуктивностью, например, К10-176. Все резисторы, кроме R14, - С2-23 соответствующей мощности. Резистор R14 выполнен из отрезка длиной 60 мм константановой проволоки ПЭК 0,8 с погонным сопротивлением примерно 1 Ом/м.

Чертеж печатной платы, выполненной из односторонне фольгированного стеклотекстолита, показан на рис. 4.

Диод VD3, транзистор VD5 и тринистор VS1 прикреплены к теплоотводу через изолирующую теплопроводящую прокладку с помощью пластиковых втулок. На этом же теплоотводе закреплена и плата. Внешний вид собранного устройства показан на рис. 5.

Сегодня разработка импульсных стабилизаторов значительно упростилась. Стали доступны (в том числе и по цене) интегральные микросхемы, включающие в себя все необходимые узлы. Кроме того, производители полупроводниковых приборов стали сопровождать свои изделия большим количеством информации по применению, содержащей типовые схемы включения, которые удовлетворяют потребителя в подавляющем большинстве случаев. Это практически исключает из разработки этапы предварительных расчетов и макетирования. Пример тому - микросхема КР1155ЕУ2 [5].

В ее состав входят коммутатор, датчик тока, источник образцового напряжения (5,1 В ±2%), узел управления тринистором для защиты от превышения напряжения на нагрузке, узел плавного запуска, узел сброса для внешних устройств, узел для дистанционного выключения, узел защиты микросхемы от перегрева.

Рассмотрим лабораторный источник питания, разработанный на основе КР1155ЕУ2.

Технические характеристики

  • Входное нестабилизированное напряжение, В......35...46
  • Интервал регулирования выходного стабилизированного напряжения, В......5,1...30
  • Максимальный ток нагрузки, А......4
  • Размах (двойная амплитуда) пульсаций выходного напряжения при максимальной нагрузке, мВ......30
  • Интервал регулирования срабатывания защиты по току, А......1...4

Схема устройства приведена на рис. 6. Она мало отличается от стандартной схемы включения, причем позиционные обозначения элементов совпадают. Здесь реализован способ управления с фиксированным периодом следования импульсов, т. е. широтноимпульсное управление.

Конденсатор С1 - входной фильтр. Он имеет большую, чем указано в типовой схеме включения, емкость, что обусловлено сравнительно большим потребляемым током.

Резисторы R1 и R2 управляют уровнем защиты по току. Максимальному суммарному их сопротивлению соответствует максимальный ток срабатывания защиты, а минимальному сопротивлению - минимальный ток.

С помощью конденсатора С4 осуществляется плавный запуск стабилизатора. Кроме того, его емкость определяет период перезапуска при превышении порога защиты по току.

Резистор R5 и конденсаторы С5, С6 - элементы частотной компенсации внутреннего усилителя ошибки.

Конденсатор C3 и резистор R3 определяют несущую частоту широтно-импульсного преобразователя.

Конденсатор С2 задает время между резким уменьшением выходного напряжения (вызванного внешними причинами, например, кратковременной перегрузкой по выходу) и переходом сигнала RESO (вывод 14 DA1) в состояние, соответствующее нормальной работе, когда транзистор, включенный между выводами RESO и GND внутри микросхемы, закрывается. Резистор R6 обеспечивает нагрузку открытого коллектора этого транзистора. Если планируется использовать сигнал RESO с привязкой его к напряжению, отличному от выходного напряжения стабилизатора, то резистор R6 не устанавливают, а нагрузку открытого коллектора подключают внутри приемника сигнала RESO.

Резистор R4 обеспечивает нулевой потенциал на входе INHI (вывод 6 DA1), что соответствует нормальной работе микросхемы. Стабилизатор можно выключить внешним сигналом высокого ТТЛ уровня.

Применение диода КД636АС (его суммарный допустимый ток значительно превосходит требуемый в этом стабилизаторе) позволяет увеличить КПД на 3...5% при незначительном удорожании устройства. Это приводит к снижению температуры теплоотвода и, следовательно, к уменьшению его габаритов и массы.

Резисторы R7 и R8 служат для регулирования выходного напряжения. Когда движок резистора R7 находится в нижнем по схеме положении, напряжение на выходе минимально и равно образцовому напряжению микросхемы DA1, соответственно, когда в верхнем - выходное напряжение максимально.

Тринистор VS1 открывается сигналом СВО (вывод 15 DA1), если напряжение на входе CBI (вывод 1 DA1) превышает внутреннее образцовое микросхемы DA1 приблизительно на 20%. Так осуществляется защита нагрузки от превышения напряжения на выходе.

Все оксидные конденсаторы - К50-35, кроме С1 - К50-53. Конденсатор С6 - керамический К10-176, остальные пленочные (К73-9, К73-17 и т. д.). Все постоянные резисторы - С2-23. Переменные резисторы R2 и R7 - СПЗ-4аМ мощностью 0,25 Вт. Их устанавливают на плате с помощью кронштейнов. Дроссель L1 наматывают на двух сложенных кольцевых магнитопроводах К20х 12x6,5 из пермаллоя МП140. Обмотка содержит 42 витка провода ПЭТВ-2 1,12, намотанных в два слоя: первый - 27-28 витков, второй - остальные.

Стабилизатор собран на плате из односторонне фольгированного стеклотекстолита. Чертеж платы показан на рис. 7.

Микросхему, диод и тринистор закрепляют на одном теплоотводе. При этом микросхему в большинстве случаев можно не изолировать от поверхности теплоотвода, поскольку ее фланец соединен с выводом 8 (GND). Диод и тринистор необходимо изолировать. Теплоотвод выбирают из расчета рассеиваемой мощности приблизительно 15...20 Вт и перегрева 30°С. Уменьшить габариты и массу теплоотвода можно, применяя вентилятор (если это возможно).

Следует уделить особое внимание сетевому трансформатору и выпрямителю. Трансформатор рассчитывают на выходную мощность не менее 150 Вт и выходное напряжение холостого хода приблизительно 33 В. При максимальной нагрузке допустимо уменьшение выходного напряжения не более чем на 1,5 В относительно напряжения холостого хода. Выпрямитель выбирают на ток З...3,5 А при суммарном падении напряжения на его диодах не более 2 В. Выпрямитель (в случае монолитного исполнения) или отдельные диоды можно закрепить на том же теплоотводе, что и стабилизатор.

Хорошей альтернативой сетевому трансформатору и выпрямителю может служить импульсный преобразователь.

Анализируя два рассмотренных устройства, можно увидеть их различия. Очевидно, что первый стабилизатор дешевле второго. Более того, пути дальнейшего удешевления первого весьма очевидны (замена диода КД2997В на КД213В при незначительном ухудшении КПД и дорогостоящего пермаплоевого дешевым ферритовым магнитопроводом). Во втором устройстве КД213В (как, впрочем, и КД2997В) уже не подойдет из-за инерционности, а замена магнитопровода не приведет к заметному уменьшению стоимости. Детали для первого стабилизатора можно найти в рабочем столе любого радиолюбителя, чего не скажешь о втором.

Однако первое устройство требует повышенных затрат времени на этапе проектирования. Кроме этого, оно имеет большее число элементов при меньших функциональных возможностях.

Литература

  1. Титце У., Шенк К. Полупроводниковая схемотехника: Справочное руководство. Пер. с нем. - М.: Мир, 1982.
  2. Полупроводниковые приборы. Транзисторы средней и большой мощности: Справочник/ А. А. Зайцев, А. И. Миркин, В. В. Мо-кряков и др. Под ред. А. В. Голомедова. - М.: Радио и связь, 1989.
  3. Полупроводниковые приборы. Диоды выпрямительные, стабилитроны, тиристоры: Справочник/ А. Б. Гитцевич, А. А. Зайцев, В. В. Мокряков и др. Под ред. А. В. Голомедова. - М.: Радио и связь, 1988.
  4. http:/ /ferrite.ru
  5. bryansk.ru/siV1155EU2.zip

Автор: Ю.Семенов, г.Ростов-на-Дону

Смотрите другие статьи раздела Справочные материалы.

Читайте и пишите полезные комментарии к этой статье.

<< Назад

Последние новости науки и техники, новинки электроники:

Глазные капли, возвращающие молодость зрению 05.10.2025

С возрастом человеческий глаз постепенно теряет способность четко видеть на близком расстоянии - развивается пресбиопия, или возрастная дальнозоркость. Этот естественный процесс связан с утратой эластичности хрусталика и ослаблением цилиарной мышцы, отвечающей за фокусировку. Миллионы людей по всему миру сталкиваются с необходимостью носить очки для чтения или прибегают к хирургическим методам коррекции. Однако исследователи из Центра передовых исследований пресбиопии в Буэнос-Айресе представили решение, которое может стать удобной и неинвазивной альтернативой - специальные глазные капли, способные улучшать зрение на длительный срок. Разработку возглавила Джованна Беноцци, директор Центра. По ее словам, цель исследования состояла в том, чтобы предоставить пациентам с пресбиопией эффективный и безопасный способ коррекции зрения без хирургического вмешательства. Новые капли, созданные на основе пилокарпина и диклофенака, показали убедительные результаты: уже через час после первого пр ...>>

Цифровая рация Xiaomi Digital Walkie Talkie 05.10.2025

Компания Xiaomi представила современное устройство, объединившее классические принципы радиосвязи с возможностями цифровых технологий. Новинка под названием Xiaomi Digital Walkie Talkie демонстрирует, как привычные рации могут быть переосмыслены в духе времени. Устройство оснащено цветным дисплеем диагональю 1,57 дюйма, который отображает список контактов, параметры соединения и даже примерное местоположение собеседника. Такой подход превращает стандартную рацию в компактное средство связи, сочетающее функциональность смартфона и устойчивость профессиональной техники. Одним из ключевых преимуществ стала высокая автономность. Встроенный аккумулятор емкостью 2500 мА·ч обеспечивает до 100 часов работы в режиме ожидания и около 14 часов непрерывных разговоров, что особенно важно в экспедициях, на дальних маршрутах или в зонах, где подзарядка невозможна. Согласно данным портала unionrayo.com, такое время работы выгодно отличает устройство от большинства аналогов. По дальности дейст ...>>

Открыт обращаемый драйвер старения 04.10.2025

Недавняя работа ученых из Сямэньского университета в Китае показала, что в гипоталамусе, главном регуляторе внутренних функций организма, кроется один из ключей к продлению молодости. Команда под руководством Лиге Ленга обнаружила, что снижение уровня белка менина в гипоталамусе связано с ускорением процессов старения. Менин, как выяснилось, играет важную роль в предотвращении воспаления и поддержании нормальной работы нейронов. Когда его уровень снижается, в мозге возрастает активность воспалительных сигналов, что запускает цепную реакцию возрастных изменений во всем организме - от ослабления когнитивных функций до потери плотности костей и истончения кожи. Чтобы понять, как именно менин влияет на старение, ученые вывели генномодифицированных мышей, у которых этот белок можно было выборочно отключить. Даже у молодых животных такое вмешательство быстро привело к ухудшению памяти, снижению прочности костей и эластичности кожи, а также к укорочению жизни. Эти результаты убедительно ...>>

Случайная новость из Архива

Смарфоны ASUS Zenfone Series 09.01.2014

Компания Asus представила смартфоны Zenfone 4, Zenfone 5 и Zenfone 6, каждый из которых допускает одновременное использование сразу двух SIM-карт и управляется операционной системой Android 4.3 с адаптированным под её среду фирменным пользовательским интерфейсом ZenUI (в будущем есть возможность обновления до платформы Android 4.4).

Все аппараты поддерживают стандарт 3G-связи DC-HSPA+ со скоростью приёма до 42 Мбит/с и снабжены слотом для microSD-карт, модулями Wi-Fi 802.11b/g/n и Bluetooth 4.0, а также портом microUSB.

Модель Zenfone 4 обладает габаритами 124,4 x 61,4 x 11,2 мм при весе 115 г, оборудована 4-дюймовым мультисенсорным TN-дисплеем с WVGA-разрешением 800 x 480 пикселей, построена на двухъядерном процессоре Intel Atom Z2520 с тактовой частотой 1,2 ГГц, имеет 1 Гбайт оперативной памяти и располагает 5-мегапиксельной тыловой камерой, которая дополнена фронтальной VGA-камерой. Возможность автономной работы обеспечивает съёмная перезаряжаемая батарея ёмкостью 1170 мА·ч.

Более продвинутая новинка Zenfone 5 с размерами 148,2 x 72,8 x 10,3 мм и весом 140 г получила 5-дюймовый мультисенсорный IPS-экран с HD-разрешением 1280 x 720 пикселей, вводить информацию через который можно как в перчатках (функция GloveTouch), так и при помощи обычной ручки, выступающей в роли стилуса (функция PenTouch). Устройство базируется на двухъядерном чипе Intel Atom Z2580 с тактовой частотой 2 ГГц и имеет в арсенале 1 Гбайт оперативной памяти, 4 Гбайт внутренней флеш-памяти, 2-мегапиксельную фронтальную камеру, 8-мегапиксельную тыловую камеру с технологией PixelMaster, диафрагмой f/2,0 и режимом PanoSpheres для получения сферических панорамных изображений, а также встроенный литий-полимерный аккумулятор ёмкостью 2050 мА·ч.

Что же касается фаблета Zenfone 6, то он тоже основан на двухъядерном процессоре Intel Atom Z2580 с тактовой частотой 2 ГГц, однако может похвастаться наличием 6-дюймового IPS-экрана с HD-разрешением 1280 x 720 пикселей, который "дружит" с функциями GloveTouch и PenTouch. Ещё в оснащении присутствуют 13-мегапиксельная тыловая камера с технологией PixelMaster и диафрагмой f/2,0, аудиоподсистема с технологией SonicMaster для улучшения качества звука и встроенная перезаряжаемая батарея ёмкостью 3240 мА·ч. Кроме того, в зависимости от модификации, на борту есть 1 или 2 Гбайт оперативной памяти и 8 либо 16 Гбайт внутренней флеш-памяти. При этом габариты "планшетофона" составляют 166,9 x 84,3 x 9,9 мм, а его вес равен 200 г.

Ожидается, что на территории США купить Zenfone 4, Zenfone 5 и Zenfone 6 можно будет по цене $100, $150 и $200 соответственно, причём в каждом случае на выбор будут доступны несколько версий цветового исполнения корпуса.

Другие интересные новости:

▪ Новые двухкаскадные токовые датчики

▪ Коровы в виртуальном мире

▪ 8-ядерный LTE-чип ARMADA PXA1936 от Marvell

▪ VL6180X - датчик расстояния, освещенности и жестов

▪ Умная футболка предупредит астматический приступ

Лента новостей науки и техники, новинок электроники

 

Интересные материалы Бесплатной технической библиотеки:

▪ раздел сайта Акустические системы. Подборка статей

▪ статья Наши предки Рим спасли. Крылатое выражение

▪ статья Какие морепродукты могут вызвать удушение во время их поедания? Подробный ответ

▪ статья Камыш озерный. Легенды, выращивание, способы применения

▪ статья Антенна QUAD на три диапазона. Энциклопедия радиоэлектроники и электротехники

▪ статья Спичка-Феникс. Секрет фокуса

Оставьте свой комментарий к этой статье:

Имя:


E-mail (не обязательно):


Комментарий:





Главная страница | Библиотека | Статьи | Карта сайта | Отзывы о сайте

www.diagram.com.ua

www.diagram.com.ua
2000-2025