Menu Home

Бесплатная техническая библиотека для любителей и профессионалов Бесплатная техническая библиотека


Микросхема КР1182ПМ1 - фазовый регулятор мощности. Справочные данные

Бесплатная техническая библиотека

Энциклопедия радиоэлектроники и электротехники / Справочные материалы

 Комментарии к статье

Микросхемы КР1182ПМ1 - еще одно решение задачи регулирования мощности высоковольтных мощных нагрузок. Микросхемы можно применять для плавного включения и выключения электрических ламп накаливания и изменения яркости свечения, для управления более мощными полупроводниковыми переключающими приборами, для регулирования частоты вращения электрических двигателей. Приборы изготовлены по эпитаксиальной технологии с изоляцией диэлектриком.

Из особенностей регулятора следует отметить его способность ограничивать мощность в нагрузке при достижении предельно допустимой температуры корпуса прибора.

Регулятор КР1182ПМ1 оформлен в пластмассовом корпусе общеевропейской конструкции POWEP-DIP (12+4). Это шестнадцативыводный корпус (рис. 1) с метрическим шагом выводов, у которого выводы 4, 5 и 12, 13 оставлены свободными. Механически и электрически эти выводы объединены и предназначены для отведения тепла от кристалла. Кроме этих, не использованы также выводы 1, 2, 7, 8. Масса прибора - не более 1,5 г.

Микросхема КР1182ПМ1 - фазовый регулятор мощности

На ранних стадиях освоения микросхемы в производстве ее выпускали в бескорпусном варианте и в широкораспространенном европейском корпусе DIP16.

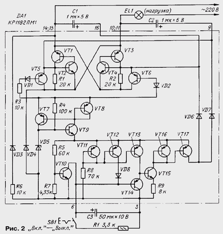
На рис. 2 показана принципиальная схема регулятора и типовая схема его включения. Микросхема состоит из двух тринисторов, собранных каждый по схеме транзисторного аналога тринистора (VT1, VT2 и VT3, VT4) и включенных встречно-параллельно, и узла управления (VT5-VT17). Выход узла управления связан с управляющими выводами тринисторов разделительными диодами VD6, VD7.

Микросхема КР1182ПМ1 - фазовый регулятор мощности

Узел управления питается от диодного моста, подключенного по переменному напряжению к сетевым выводам 14, 15 и 10, 11 микросхемы. Конфигурация моста несколько отличается от традиционной (рис. 3). Резисторы R3 и R6 играют роль балластных.

Микросхема КР1182ПМ1 - фазовый регулятор мощности

Внешние конденсаторы С1, С2 обеспечивают необходимую задержку включения тринисторов на каждой полуволне сетевого напряжения относительно момента его перехода через "нуль". Эти конденсаторы также не позволяют тринисторам открываться в момент подачи напряжения сети.

Узел управления, в свою очередь, состоит из стабилизированного источника питания на транзисторах VT7-VT9, генератора тока на транзисторах VT11, VT12, который заряжает внешний времязадающий конденсатор C3, преобразователя напряжение-ток на транзисторах VT13-VT15 и "токового зеркала" VT16-VT17. На транзисторе VT10 и резисторах R5, R7 собрано устройство тепловой защиты микросхемы.

На рис. 2 в качестве примера показана схема внешней цепи управления - элементы C3, R1, SB1 - для использования регулятора в устройстве плавного включения и выключения осветительной лампы EL1. Регулятор мощности работает следующим образом. При подаче сетевого напряжения тринисторы VT1, VT2 и VT3, VT4 закрыты. На узел управления от источника питания поступает напряжение питания 6,3 В и он вырабатывает некоторый выходной ток Iвых (ток коллектора транзистора VT17).

Предположим, что в текущий момент на объединенных выводах 14, 15 положительное напряжение сети, а на 10, 11 - отрицательное. Выходным током узла управления микросхемы через диод VD7 будет заряжаться задерживающий конденсатор С2. Через некоторое время напряжение на этом конденсаторе увеличится до уровня, при котором откроется тринистор VT1, VT2.

С этого момента и до конца полупериода через нагрузку - лампу EL1 - будет протекать ток, а выпрямительный мост, питающий узел управления, окажется шунтированным открытым тринистором. Конденсатор С1 остается разряженным.

После смены полярности сетевого напряжения начинается зарядка конденсатора С1 и с такой же задержкой откроется тринистор VT3, VT4. Конденсатор С2 в течение этого полупериода быстро разрядится через резистор R1 и транзистор VT5.

На рис. 4 изображены временные диаграммы напряжения на конденсаторах С1 и С2. Сплошными линиями показаны описанные выше процессы, соответствующие некоторому промежуточному значению выходного тока узла управления. Видно, что открывание тринисторов происходит при напряжении на конденсаторах С1, С2, равном 0,7 В. Форма напряжения на нагрузке показана на рис. 4,г.

Микросхема КР1182ПМ1 - фазовый регулятор мощности

Задержка включения тринисторов в секундах относительно начала полупериода равна tзад=0,7С2/Iвых, где 0,7 В - пороговое напряжение открывания тринисторов; С2=С1 - емкость задерживающих конденсаторов (в микрофарадах); Iвых - выходной ток (в микроамперах) узла управления.

Если изменять выходной ток узла управления, будет меняться задержка включения тринисторов в каждом полупериоде сетевого напряжения, а значит, и мощность, выделяющаяся в нагрузке. На рис. 4 это проиллюстрировано жирными штриховыми линиями. При минимальном значении выходного тока Iвых min задержка должна превышать половину периода.

В первые несколько полупериодов после подачи на регулятор (рис. 2) сетевого напряжения разряженный времязадающий конденсатор C3 замыкает выводы 3 и 6 микросхемы подобно проволочной перемычке, поэтому выходной ток Iвых=Iвых min. Однако, поскольку генератор тока на транзисторах VT11, VT12, резисторе R8 и диоде VD8 обеспечивает вытекающий стабильный ток через вывод 6, конденсатор C3 плавно заряжается.

Это приводит к увеличению напряжения на базе транзистора VT14, из-за чего транзистор VT15 начинает открываться. В результате выходной ток узла управления увеличивается, задержка включения тринисторов в каждом последующем полупериоде уменьшается - яркость свечения лампы EL1 плавно увеличивается от нуля до максимума.

Если теперь замкнуть контакты выключателя SB1, конденсатор C3 будет разряжаться через резистор R1, а яркость лампы - убывать до полного погасания. Ток разрядки конденсатора должен быть больше тока его зарядки со стороны вывода 6 микросхемы.

Основные технические характеристики при Токр.ср=25°С

Потребляемый ток, мА, не более, при коммутируемом напряжении 400 В и напряжении управляющего входа (выв. 6) нулевом 6 В   2 5
Напряжение насыщения открытого тринистора, В, не более, при токе нагрузки 0,5 А 2
Входной вытекающий ток управляющего входа, мкА, при нулевом напряжении на нем и коммутируемом напряжении 100 В 40...150
Выходной ток узла управления тринистором, мА, при коммутируемом напряжении 100 В и напряжении управляющего входа нулевом, не более 3 В 6 В   0,2 0,15...0,9 0,4...1,2
Ток утечки управляющего входа, мкА, не более, при напряжении на нем 6 В и нулевом коммутируемом напряжении 30
Частота сетевого напряжения, Гц 40...70
Тепловое сопротивление, °С/Вт, не более кристалл-теплоотводящие выводы кристалл-окружающая среда   14 80
Рабочий интервал температуры окружающей среды, °С -40...+70
Температура хранения, °С -55...+150
Предельно эксплуатационные значения
Напряжение сети (действующее значение), В 80...276
Наибольший ток нагрузки, А 1,2
Наибольшая мощность нагрузки, Вт 150
Рассеиваемая мощность, Вт, не более, при температуре теплоотводящих выводов 90°С окружающей среды 70°С   4 1
Наибольшее напряжение статического электричества, В 500

Отсутствие активного закрывания тринисторов микросхемы позволяет использовать ее для регулирования мощности индуктивной нагрузки, поскольку после перехода фазы сетевого напряжения через "нуль" соответствующий тринистор останется открытым до полного прекращения тока через нагрузку.

Для того чтобы обеспечить нормальную работу регулятора мощности, необходимо определить минимальный и максимальный выходной ток узла управления микросхемы. Так, для задержки открывания тринисторов на 10 мс при емкости С1=С2=1 мкФ и пороговом открывающем напряжении 0,7 В упомянутая формула дает значение минимального выходного тока около 70 мкА.

Микросхема КР1182ПМ1 - фазовый регулятор мощности

На рис. 5-9 представлены основные графические зависимости эксплуатационных характеристик микросхем серии КР1182ПМ1. Зависимость напряжения насыщения тринисторов микросхемы от тока нагрузки изображена на рис. 5; на этом и других рисунках заштрихована зона технологического разброса. На рис. 6 и 7 показаны зависимости потребляемого тока и тока управления тринисторами от напряжения на управляющем входе микросхемы (выв. 6).
Рис. 8 показывает, как зависит потребляемый микросхемой ток от значения коммутируемого напряжения, а на рис. 9 изображены температурные характеристики напряжения насыщения тринисторов и тока управления ими.

Основная схема включения регулятора КР1182ПМ1 представлена на рис. 2. При разомкнутых контактах выключателя SB1 подачей сетевого напряжения лампа EL1 плавно включается, после размыкания - плавно гаснет.

Изменяя емкость времязадающего конденсатора C3 от 20 до 100 мкФ, можно изменять время включения от десятых долей секунды (зрительно плавность незаметна, но нить лампы будет защищена от чрезмерно большого броска тока) до 1...2 с. Время выключения устанавливают подборкой резистора R1 в пределах от 47 Ом до нескольких килоом.

На рис. 10 показана схема ручного регулятора мощности лампы накаливания, электропаяльника или частоты вращения бытового вентилятора. Здесь сетевой выключатель SA1 желательно совместить с регулятором уровня мощности - резистором R1, причем контакты SA1 должны размыкаться после установки движка резистора R1 в положение минимального сопротивления, что соответствует выключению нагрузки. В этом положении следует и включать регулятор в сеть.

Микросхемы КР1182ПМ1 допускают параллельное включение двух и более приборов. Это позволяет увеличить выходную мощность регулятора. Так, устройство, схема которого изображена на рис. 11, может работать с нагрузкой Rн мощностью до 300 Вт. Число навесных элементов при параллельном включении микросхем остается прежним.

Легко видеть, что тринисторы обоих регуляторов DA1 и DA2 открываются напряжением, формируемым микросхемой DA2. Управляющие выводы 6 и 3 всех дополнительных регуляторов замыкают.

При значительной мощности нагрузки может оказаться, что конструкция выключателя SA1, совмещенного с регулировочным резистором R1, не рассчитана на столь большой ток. В этом случае придется несколько видоизменить схему, перенеся выключатель регулятора в цепь управления, как изображено на рис. 11 штриховыми линиями.

Микросхема КР1182ПМ1 - фазовый регулятор мощности

Заметим, что в новом схемном варианте регулятор выключен, когда контакты SA1 замкнуты (а не разомкнуты, как в исходном). Включать такой регулятор в сеть необходимо при замкнутых контактах SA1 и в положении минимального сопротивления регулировочного резистора R1. Перед выключением нагрузки желательно уменьшить до минимума мощность на ней, установив движок резистора R1 в верхнее по схеме положение.

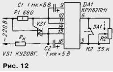
Решительного увеличения мощности нагрузки (до 1 кВт) можно добиться введением в регулятор мощного дискретного симистора VS1 (рис. 12).

Микросхема КР1182ПМ1 - фазовый регулятор мощности

При использовании регулятора КР1182ПМ1 для управления яркостью ламп накаливания необходимо помнить, что сопротивление холодной спирали лампы почти в 10 раз меньше, чем раскаленной. Из-за этого амплитудное значение тока в момент включения сетевой лампы мощностью 150 Вт может достигать 10 А. Конструкция микросхемы допускает такой ток в течение лишь единиц микросекунд, тогда как разогревание спирали продолжается несколько полупериодов сетевого напряжения.

При рекомендуемых номиналах внешней цепи управления накаливания для плавного включения и выключения лампы накаливания (см. рис. 2) ток через лампу мощностью 150 Вт за весь процесс ее включения не превышает 2...2,5 А.

Автор: А.Немич, г.Брянск

Смотрите другие статьи раздела Справочные материалы.

Читайте и пишите полезные комментарии к этой статье.

<< Назад

Последние новости науки и техники, новинки электроники:

Хорошо управляемые луга могут компенсировать выбросы от скота 15.02.2026

Животноводство, особенно разведение крупного рогатого скота, часто обвиняют в значительном вкладе в глобальное потепление из-за мощного парникового газа - метана, который выделяется при пищеварении у жвачных животных. Это вызывает острые политические споры и призывы к сокращению потребления мяса. Однако ученые напоминают, что полная картина климатического воздействия отрасли не ограничивается только выбросами от животных: огромную роль играет окружающая экосистема - пастбища, почва и растительность, которые способны активно поглощать углекислый газ из атмосферы. Исследователи из Университета Небраски-Линкольна решили глубже изучить этот баланс. Группа под руководством профессора Галена Эриксона сосредоточилась на том, как правильно организованные пастбища накапливают углерод в растениях и грунте благодаря естественным процессам, стимулируемым выпасом скота. Ученые подчеркивают, что при достаточном уровне осадков и грамотном управлении такие луга превращаются в мощные природные погло ...>>

NASA тестирует инновационную технологию крыла 15.02.2026

Коммерческая авиация ежегодно расходует колоссальные объемы керосина, что сказывается не только на бюджете авиакомпаний, но и на состоянии окружающей среды. В 2024 году глобальные затраты на авиационное топливо достигли 291 миллиарда долларов, и эта сумма продолжает расти. Чтобы справиться с этими вызовами, NASA активно работает над технологиями, способными заметно повысить аэродинамическую эффективность самолетов. Одним из самых перспективных направлений стало создание специальной конструкции крыла, которая максимизирует естественный ламинарный поток воздуха и минимизирует сопротивление. В январе 2026 года специалисты NASA Armstrong Flight Research Center успешно провели важный этап наземных испытаний концепции Crossflow Attenuated Natural Laminar Flow (CATNLF). Для эксперимента под фюзеляж исследовательского самолета F-15B закрепили вертикально ориентированную масштабную модель высотой около 0,9 м (3 фута), напоминающую узкий киль. Такая компоновка позволила подвергнуть прототип р ...>>

Забота о внуках очень полезна для здоровья мозга 14.02.2026

Общение между поколениями приносит радость всей семье, но мало кто задумывается, насколько активно бабушки и дедушки, заботящиеся о внуках, поддерживают свою умственную форму. Регулярное взаимодействие с детьми стимулирует мозг пожилых людей, помогая сохранять память, скорость мышления и общую когнитивную активность. Новые научные данные подтверждают, что такая добровольная помощь не только важна для общества, но и может замедлять возрастные изменения в мозге. Исследователи из Тилбургского университета в Нидерландах провели анализ, чтобы понять, приносит ли уход за внуками реальную пользу здоровью пожилых людей. Ведущий автор работы Флавия Черечес отметила, что многие бабушки и дедушки регулярно присматривают за детьми, и оставался открытым вопрос, насколько это положительно сказывается на их собственном благополучии, особенно в плане когнитивных функций. Ученые поставили цель выяснить, способен ли регулярный уход за внуками замедлить снижение памяти и других умственных способ ...>>

Случайная новость из Архива

Отучение студентов от телефонов на лекциях 16.10.2024

В век цифровых технологий смартфоны стали неотъемлемой частью повседневной жизни, особенно среди студентов. Постоянное присутствие телефона рядом и соблазн проверить уведомления или соцсети могут негативно сказываться на концентрации и усвоении учебного материала. В попытках решить эту проблему, американские ученые предложили необычное решение, которое не связано с жестким запретом использования смартфонов, а, напротив, дает студентам возможность ненадолго отвлечься в специально отведенное время.

Ученые из Southern Illinois University провели исследование, чтобы выяснить, как можно эффективно снизить частоту использования смартфонов во время учебных занятий. Вместо полного запрета на гаджеты, они предложили ввести короткие "технологические перерывы" - минуты, когда студентам официально разрешается воспользоваться своими устройствами.

Эксперимент показал, что такие короткие паузы, продолжительностью около одной минуты, позволяют студентам удовлетворить потребность проверить смартфон, не нарушая учебный процесс. Исследователи обнаружили, что минута - оптимальное время: его достаточно, чтобы прочитать или ответить на несколько сообщений, но не настолько долго, чтобы студенты успевали вовлечься в продолжительное общение или "зависнуть" в соцсетях. Если же перерыв сделать дольше, студенты могут начать получать новые уведомления и сообщения, что затягивает процесс.

Этот подход привел к неожиданным результатам: в классах, где были внедрены минутные технологические паузы, успеваемость студентов значительно возросла. Средний балл по результатам занятий достигал 80 из 100. По мнению профессора Райана Реднера, одного из авторов исследования, такая динамика объясняется тем, что степень отвлеченности студентов на уроках уменьшалась. Они знали, что будет предусмотренное время для использования телефона, и поэтому меньше отвлекались в остальное время.

Интересным оказалось и психологическое объяснение успеха этой методики. Когда студенты получают возможность на короткое время обратиться к смартфону, их тревожность, связанная с пропущенными сообщениями или уведомлениями, снижается. Это создает эффект "разрядки", после чего они могут сосредоточиться на учебном процессе с большей эффективностью.

Такой метод не только помогает студентам контролировать использование смартфонов, но и делает их более ответственными в плане управления своим временем. Вместо того чтобы постоянно отвлекаться на сообщения, студенты знают, что у них будет специальный момент для этого, и могут спокойно погрузиться в материал. Кроме того, эта система не требует строгих запретов, которые часто вызывают негативную реакцию, что делает ее более привлекательной для внедрения в учебные заведения.

Профессор Реднер и его коллеги полагают, что такие перерывы могут стать эффективным инструментом для повышения концентрации не только в учебных учреждениях, но и в других сферах, где важно поддерживать высокий уровень сосредоточенности. Главное - найти баланс между временем для работы и временем для кратковременных отвлечений, что помогает сохранять продуктивность.

Технология "умеренных перерывов" может стать полезной инновацией в образовательной системе, позволяя улучшить концентрацию студентов и повысить их успеваемость без строгих ограничений и запретов на использование смартфонов.

Другие интересные новости:

▪ Изучение истории появления клопов в Британии

▪ Песни в часах

▪ Система навигации для пожарных

▪ Автономный сельскохозяйственный погрузчик Loadix

▪ Граната-помехогенератор

Лента новостей науки и техники, новинок электроники

 

Интересные материалы Бесплатной технической библиотеки:

▪ раздел сайта Преобразователи напряжения, выпрямители, инверторы. Подборка статей

▪ статья Архитектура, градостроение. Справочник кроссвордиста

▪ статья Какое вещество в человеческом организме самое твердое? Подробный ответ

▪ статья Директор предприятия жилищного хозяйства. Должностная инструкция

▪ статья Инфракрасный генератор электронного пароля с шифратором. Энциклопедия радиоэлектроники и электротехники

▪ статья Микросхемы. Преобразователь постоянного напряжения КР1446ПН1Е. Энциклопедия радиоэлектроники и электротехники

Оставьте свой комментарий к этой статье:

Имя:


E-mail (не обязательно):


Комментарий:




Комментарии к статье:

Валерий
Очень полезная статья.

Александр
Очень полезно.


Главная страница | Библиотека | Статьи | Карта сайта | Отзывы о сайте

www.diagram.com.ua

www.diagram.com.ua
2000-2026