Menu Home

Бесплатная техническая библиотека для любителей и профессионалов Бесплатная техническая библиотека


Предварительный УЗЧ на микросхемах серии К174

Бесплатная техническая библиотека

Энциклопедия радиоэлектроники и электротехники / Предварительные усилители

 Комментарии к статье

Двухканальный предварительный усилитель звуковых частот с тонкомпенсированной электронной регулировкой громкости и тембра по низким и высоким частотам можно построить на специализированных малошумящих микросхемах серии К174. Несложное устройство, о котором пойдет разговор в этой статье, предназначено для модернизации стационарной промышленной аппаратуры 2-й...4-й групп сложности прежних лет выпуска или для установки в аналогичные самодельные аппараты.

Применение электронных регулировок позволяет устранить прохождение сигнала через переменные резисторы, устранив тем самым свойственные им шумы, шорохи и искажения, возникающие при недостаточно хорошем контакте токосъемного контакта с резистивным слоем. Кроме того, цепи регулировки становятся нечувствительными к фоновым наводкам сетевой частоты 50 Гц, что позволяет разместить переменные резисторы в любом удобном месте аппарата.

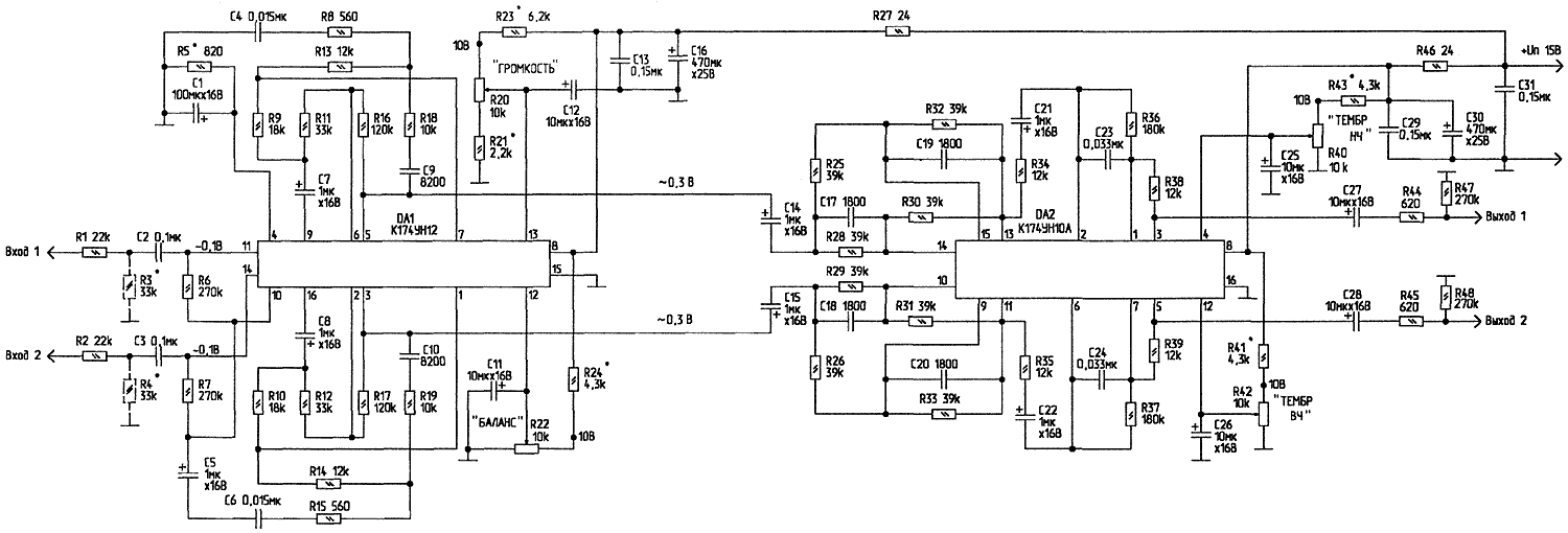
Предварительный УЗЧ на микросхемах серии К174. Принципиальная схема ПУЗЧ
(нажмите для увеличения)

Узел регулировки баланса и регулятор громкости с тонкомпенсацией построены на микросхеме DA1 типа К174УН12 (импортный аналог - ТСА730). Переменное напряжение звуковой частоты через входные резистивные делители напряжения и разделительные конденсаторы С2, C3 поступает на входы микросхемы DA1 (вывод 11 -вход первого канала, вывод 14 - вход второго канала). Коэффициент передачи по напряжению (-60...+18 дБ) для обоих каналов зависит от управляющего напряжения на выводе 13 DA1. Его регулировка производится резистором R20 "Громкость". Баланс каналов регулируется переменным резистором R22. Выходные напряжения при регулировке баланса изменяются на ±8 дБ.

Особенности человеческого слуха таковы, что при снижении уровня громкости чувствительность к низкочастотному и высокочастотному участкам звукового диапазона снижается. Поэтому, чтобы при уменьшении громкости частотное восприятие фонограммы не изменялось, необходимо осуществлять подъем НЧ- и ВЧ-составляющих звука. Для этого и предназначена так называемая тон-компенсация. Ее глубина зависит от значения управляющего напряжения на выводе 4 DA1.

Микросхема DA1 питается однополярным напряжением +15 В через RC-фильтр R27-C16-C13. Особенностью этой микросхемы является то, что при уменьшении напряжения питания ниже 2 В оба ее канала закрываются, что предотвращает появление искаженного, постепенно затихающего звука после отключения питания аппарата.

Электронный регулятор тембра построен на микросхеме DA2 типа К174УН10А, (импортный аналог - ТСА740). Диапазон регулировки тембра по НЧ и ВЧ для каждого канала - не менее ±15 дБ. Коэффициент передачи на частоте 1 кГц при изменении управляющего напряжения на выводах 4 и 12 в диапазоне 1...10 В изменяется не более чем на ±2 дБ. Тембр на низких частотах регулируется переменным резистором R40, на высоких - R42. Выходное напряжение первого и второго каналов снимается соответственно с выводов 3 и 5 DA2. Входное сопротивление подключаемой нагрузки должно быть не менее 22 кОм, что в большинстве случаев легко выполнимо.

Предварительный усилитель звуковой частоты питается стабилизированным напряжением +15±1,5 В и потребляет ток не более 80 мА.

Детали. Постоянные резисторы могут быть типов С2-8, С1-4, С2-14, МЛ Т. Следует учитывать, что резисторы одного типа но меньшей мощности имеют большее напряжение собственных шумов. Переменные резисторы - любого типа, например, СПЗ-30, СПЗ-33, СПЗ-4. Резистор R22 "Баланс" - обязательно с линейной характеристикой (группы "А"). Резистор регулировки громкости R20 - группы "В" или "А". Резисторы регулировки тембра R40, R42 - группы "А".

Оксидные конденсаторы можно взять типов К50-24, К50-35 или их импортные аналоги. Блокировочные конденсаторы С13, С29, С31 -керамические, типов К10-17, КМ-5, КМ-6. Остальные - К73-9, К73-2, К73-17. Конденсаторы С7, С8, С14, С15, С21, С22, по возможности, лучше взять неполярные (пленочные).

Микросхему К174УН10А можно заменить на К174УН10Б, но у последней немного больше уровень шума и гармоник.

Налаживание правильно собранного усилителя рассмотрим на примере его установки в стационарный магнитофон. Оба входа усилителя временно соединяются вместе и подключаются к выходу усилителя воспроизведения или системы шумопонижения. При отсутствии схемы магнитофона нужно найти резистор регулировки громкости и подключить входы усилителя к его движку. Если аппарат имеет цепи регулировки баланса и тембра, то их нужно исключить из схемы прохождения сигнала.

Далее, в магнитофон вставляется пленка с записанным сигналом частотой 1000 Гц и уровнем 0 дБ. Регуляторы громкости, баланса и тембра настраиваемого усилителя устанавливаются в среднее положение. При необходимости, подбирая резисторы R3, R4, на входах 11, 14 DA1 устанавливается напряжение 100...200 мВ. Измеряется напряжение на выходах усилителя. Так как технология производства микросхем не идеальна, а навесные компоненты имеют некоторый разброс, то вполне вероятно, что выходные напряжения каналов будут несколько отличаться одно от другого. Уравнять их можно дополнительным подбором сопротивления одного из резисторов R3 или R4.

Установка вместо постоянных резисторов R1, R3 и R2, R4 подстроечных нежелательна, так как снижается надежность, может существенно возрасти уровень шумов. Теперь входы подсоединяются к своим каналам. Резистор R20 устанавливается в нижнее по схеме положение. Резистор R21 подбирается так, чтобы при громкости, близкой к нулевой, незначительное перемещение движка резистора R20 вверх приводило бы к увеличению громкости. Резисторами R23, R24, R41, R43 устанавливается напряжение 9...10 В в соответствующих точках, резистором R5 устанавливается желаемая величина тонкомпенсации. С уменьшением его сопротивления тонкомпенсация увеличивается. Если вместо этого резистора установить переменный сопротивлением 2,2 кОм, то можно будет регулировать глубину тонкомпенсации.

Устройство можно смонтировать на печатной плате размерами 120x50 мм из двустороннего фольгированного стеклотекстолита. Фольга со стороны установки деталей используется как общий провод. Это снижает требования к разводке сигнальных и питающих цепей, что существенно для тех, у кого опыт в конструировании и изготовлении высококачественной звуковоспроизводящей аппаратуры невелик. Если используется односторонний фольгированный материал, то слой фольги служит общим проводом, а все остальные соединения выполняются проводными перемычками.

В зависимости от обстоятельств, вовсе не обязательно собирать рассмотренный усилитель полностью. Если, к примеру, вам нужен только регулятор тембра, то можно собрать соответствующий узел на микросхеме К174УН10 с деталями ее обрамления.

Электронная регулировка режимами работы открывает пути по дальнейшему развитию конструкции. Например, вместо резисторной можно сделать псевдосенсорную кнопочную регулировку громкости и тембра.

Источники

  1. А.В.Нефедов, А.И.Аксенов. Элементы схем бытовой радиоаппаратуры. Микросхемы. Справочник. - М.: Радио и связь, 1995, С.113-118.
  2. Д.И.Атаев, В.А.Болотников. Функциональные узлы усилителей высококачественного звуковоспроизведения. - М.: Радио и связь, 1989, С.121-138.

Автор: А.Бутов, с.Курба; Публикация: cxem.net

Смотрите другие статьи раздела Предварительные усилители.

Читайте и пишите полезные комментарии к этой статье.

<< Назад

Последние новости науки и техники, новинки электроники:

Канада планирует построить космодром 06.04.2026

Развитие космической инфраструктуры все чаще становится вопросом не только науки и технологий, но и национальной безопасности. Многие государства стремятся получить независимый доступ к космическим запускам, чтобы не зависеть от внешних партнеров и укреплять собственный технологический суверенитет. На этом фоне Канада объявила о запуске масштабного проекта по созданию собственного космодрома. Министр обороны Канады Дэвид Мак-Гинти сообщил, что правительство страны инвестирует 200 млн канадских долларов, что составляет около 150 млн долларов США, в строительство национального космодрома. Эти средства станут частью долгосрочной программы развития суверенных возможностей космических запусков. По словам Мак-Гинти, Министерство обороны подписало 10-летнее соглашение с компанией MLS на сумму 200 млн долларов. В рамках этого контракта планируется строительство стартовой площадки, которая будет использоваться не только военными структурами, включая Министерство обороны и Вооруженные силы ...>>

Обновленные телевизоры Xiaomi S Mini LED TV 2026 06.04.2026

Компания Xiaomi представила обновленную серию телевизоров S Mini LED TV 2026, которая заметно отличается от версии, недавно вышедшей на европейский рынок. Новое поколение ориентировано на расширенные возможности отображения и более гибкую конфигурацию экранов, что делает линейку более универсальной для разных сценариев использования. В обновленной серии Xiaomi S Mini LED TV 2026 предлагается сразу пять диагоналей, начиная от 55 дюймов и заканчивая внушительными 100 дюймами. Флагманская модель оснащена 1920 зонами локального затемнения, способна достигать пиковой яркости до 2000 нит и поддерживает частоту обновления изображения до 288 Гц, что делает ее особенно привлекательной для динамичного контента и игр. Младшая модель в линейке отличается в первую очередь количеством зон локального затемнения, которых здесь 576, однако остальные ключевые характеристики остаются на уровне старших версий. Это позволяет сохранить высокое качество изображения даже в более доступном сегменте, не ж ...>>

Беспилотный грузовой самолет с двигателем AEP100 05.04.2026

Авиационная отрасль стоит перед масштабной задачей перехода к экологически чистым технологиям, и одним из наиболее перспективных направлений считается использование водорода в качестве топлива. Этот элемент рассматривается как потенциальная альтернатива традиционным видам авиационного топлива благодаря своей энергоэффективности и отсутствию углеродных выбросов при использовании. На этом фоне Китай сообщил об успешном испытании беспилотного грузового самолета, оснащенного турбовинтовым двигателем AEP100 мегаваттного класса, работающим на водороде. Это событие стало важным этапом в развитии авиационных технологий, так как позволило протестировать двигатель в реальных условиях полета, а не только в лабораторной среде. Испытательный полет был проведен в субботу, 4 апреля, в городе Чжучжоу, расположенном в китайской провинции Хунань. Именно там впервые в реальных условиях был задействован водородный авиационный двигатель подобной мощности, что дало возможность оценить его стабильность ...>>

Случайная новость из Архива

Оптические системы сортировки и AI для черники и фруктов 14.02.2026

Каждый год потребители ожидают увидеть на прилавках свежие, ровные по размеру и цвету ягоды черники без признаков порчи или обезвоживания, при этом производители стремятся минимизировать потери и сохранить естественную привлекательность продукта. В эпоху растущих требований к качеству и дефицита квалифицированной рабочей силы традиционные методы сортировки фруктов уже не всегда справляются с задачей. Именно поэтому компании активно внедряют оптические сканеры в сочетании с искусственным интеллектом, способные анализировать ягоды с невероятной точностью и скоростью, сохраняя при этом их товарный вид.

На выставке Fruit Logistica 2026 в Берлине компания Tomra Food презентовала свои последние достижения в области постуборочной обработки. Центральное место на стенде занимает совершенно новая оптическая сортировочная система, специально разработанная для свежей черники и предназначенная для использования непосредственно в упаковочных цехах. Эта машина охватывает весь путь ягод - от загрузки до выгрузки - с особым акцентом на обнаружение обезвоженных экземпляров, сохранение природного воскового налета (bloom), высокую точность классификации и максимальную пропускную способность.

Конструкторы уделили особое внимание механике: все точки контакта и переходы настроены так, чтобы свести к минимуму абразивное воздействие, давление и высоту падения. Благодаря этому поверхность ягод повреждается значительно реже, что позволяет поставлять на рынок продукт с идеальным внешним видом и продленным сроком хранения.

"Эта новая оптическая сортировочная машина представляет собой важный шаг вперед для всей индустрии черники", - подчеркнул Трой Кливер, старший менеджер по продуктам в Tomra Food. По его словам, разработчики сосредоточились именно на тех аспектах, которые наиболее важны для производителей и упаковщиков: бережная обработка, сохранение воскового покрытия, точность сортировки и достижение оптимальной производительности линии.

В основе системы лежит платформа Spectrim, усиленная технологией глубокого обучения LUCAi. На выставке посетители смогут увидеть живые демонстрации работы Spectrim с LUCAi, а также InVision2 с LUCAi, и лично понаблюдать, как операторы взаимодействуют с программным обеспечением в реальном времени. Алгоритмы LUCAi обучены на огромных массивах реальных изображений дефектов, собранных за несколько сезонов, в разных производственных регионах и сегментах рынка.

Благодаря такому подходу система распознает даже те недостатки, которые традиционные камеры и датчики фиксируют с трудом или вовсе пропускают. Это особенно ценно в условиях, когда найти опытных сортировщиков становится все сложнее, а сезонные работники могут давать нестабильные результаты. Постоянная точность и воспроизводимость сортировки помогают упаковочным предприятиям уверенно поддерживать высокие стандарты качества независимо от внешних факторов.

Другие интересные новости:

▪ Внешние видеокарты Gigabyte Aorus RTX 3080/3090 Gaming Box

▪ Хлопковый проводник

▪ Электрический кроссовер DS Aero Sport Lounge

▪ Европа в серной кислоте

▪ Возвращение к Эдисону

Лента новостей науки и техники, новинок электроники

 

Интересные материалы Бесплатной технической библиотеки:

▪ раздел сайта История техники, технологии, предметов вокруг нас. Подборка статей

▪ статья Жан Мари Гюйо. Знаменитые афоризмы

▪ статья Как часто змеи сбрасывают кожу? Подробный ответ

▪ статья Ямсовая фасоль. Легенды, выращивание, способы применения

▪ статья Микрофонный усилитель с симметричным входом. Энциклопедия радиоэлектроники и электротехники

▪ статья Дождь монет из воздуха. Секрет фокуса

Оставьте свой комментарий к этой статье:

Имя:


E-mail (не обязательно):


Комментарий:




Комментарии к статье:

Корнукопия
Имею желание переделать древний Волна 307, но там 4 ползунка лев, прав, нч, вч. А т.к большие запасы данных микрух, хочу использовать именно их. Вопрос, можно ли в К174УН12 вместо баланса сделать 2 громкости ?


Главная страница | Библиотека | Статьи | Карта сайта | Отзывы о сайте

www.diagram.com.ua

www.diagram.com.ua
2000-2026