Menu Home

Бесплатная техническая библиотека для любителей и профессионалов Бесплатная техническая библиотека


УМЗЧ с симметричным входом без общей ООС. Энциклопедия радиоэлектроники и электротехники

Бесплатная техническая библиотека

Энциклопедия радиоэлектроники и электротехники / Усилители мощности транзисторные

 Комментарии к статье

Усилитель отличается использованием петли местной обратной связи компенсационного типа, уменьшающей искажения выходного каскада. Применение высоколинейного входного каскада исключило необходимость введения общей ООС, а его симметрия в широкой полосе частот практически устраняет влияние внешних наводок на усилитель.

Преимущества УМЗЧ с общей ООС хорошо известны и не раз были рассмотрены в специализированной литературе [1] и на страницах журнала "Радио". Однако, несмотря на высокие технические характеристики, их реальное качество звуковоспроизведения нередко далеко от идеала, тогда как относительно простые УМЗЧ без общей ООС (или с ООС до 20 дБ) отличаются более естественным звучанием, чем УМЗЧ с глубокой ООС.

Разработчики пришли к выводу, что главным виновником являются динамические искажения, связанные с неудачным выбором и реализацией АЧХ и ФЧХ каскадов усилителя, охваченного глубокой ООС. В аудиоиндустрии возникло даже отдельное направление - это усилители с малокаскадным сигнальным трактом без общей ООС, а иногда и с компенсацией нелинейных искажений [2]. УМЗЧ этого типа выполняют на специально отобранных лампах или транзисторах, работающих в классе А или АВ с большим током покоя, и характеризуются высокой стоимостью. Разработчики таких УМЗЧ используют только высококачественные компоненты, входные каскады строят по симметричным (балансным) схемам, а для достижения малого выходного сопротивления применяют большое число мощных транзисторов с подобранными параметрами, что, собственно, и обеспечивает повторяемость заявленных характеристик УМЗЧ.

В предлагаемом УМЗЧ без общей ООС применен симметричный входной каскад на основе повторителя тока [3]. Схема УМЗЧ функционально проста и включает усилитель напряжения и усилитель тока. Такая структура соответствует одному из принципов High End audio - минимум "электрической длины", т. е. минимум каскадов усиления и компонентов в сигнальном тракте. В усилителе используется местная обратная связь, уменьшающая искажения выходного каскада.

При разработке УМЗЧ основное внимание уделялось сокращению числа усилительных каскадов и повышению исходной линейности усилителя напряжения.

Особенность УМЗЧ - это отсутствие усилительных каскадов, выполненных по схеме с общим эмиттером (ОЭ) или с общим истоком (ОИ). Известно, что дифференциальный каскад обычно представляет собой пару транзисторов, включенных по схеме с ОЭ или ОИ [1], и вносит заметные нелинейные искажения [4]. Используя схемы включения с общей базой (ОБ), общим коллектором (ОК) и общим стоком (ОС) совместно с малой длиной усилительного тракта, удалось создать УМЗЧ без общей ООС с параметрами, которые не уступают параметрам промышленных изделий. Высокие параметры усилителя достигаются за счет чисто схемных решений и, в отличие от характерного для High End экзотического и материаловедческого подходов, не требуют применения дорогостоящих компонентов.

УМЗЧ имеет низкоомный симметричный вход (1200 Ом) и предназначен для работы с источниками сигнала, имеющими симметричный регулируемый выход. Для полной реализации возможностей УМЗЧ источник сигнала должен иметь "открытый" выход (без разделительных конденсаторов). Отметим то, что большинство современных высококачественных источников сигнала способны без искажений передавать сигнал на относительно низкоомную нагрузку (до сотен ом). В студийной или профессиональной аппаратуре сопротивление симметричного выхода источника сигнала уже рассчитано на нагрузку 600 Ом и это - промышленный стандарт. Поэтому в таких случаях представляется излишним добиваться высокого входного сопротивления в высококачественном УМЗЧ.

На рис. 1 представлена общая структурная схема, где входной каскад состоит из симметричного усилителя напряжения на транзисторах VT1, VT2, включенных по схеме с ОБ. Этот каскад нагружен на токовое зеркало (транзисторы VT3, VT4), транзистор следящей связи VT5 и цепь R6CK- Транзистор в схеме включения с ОБ имеет более линейную передаточную характеристику и лучшие частотные свойства [5, 6]. Сигнал в виде дифференциального входного напряжения (относительно шины +U1) подается на два равных по сопротивлению резистора R1, R2 и преобразуется во входной ток эмиттеров транзисторов VT1, VT2. Оконечный каскад А1 - повторитель напряжения.

УМЗЧ с симметричным входом без общей ООС

Похожая схема усилителя напряжения с дополнительным входным дифференциальным каскадом на полевых транзисторах была использована в [7]. Отдельные элементы этой схемы приводил еще И. Достал в своей монографии [8]. Принцип работы такого усилителя напряжения достаточно подробно освещен в литературе [7, 8].

Оконечный каскад А1 может быть выполнен на биполярных или полевых транзисторах. Выход усилителя напряжения (в точке С) является достаточно низкоомным. Это позволяет использовать в качестве А1 одноступенчатый комплементарный повторитель напряжения, хотя не исключена возможность применения в оконечном каскаде двух- или трехступенчатой структуры с большим коэффициентом усиления по току [1].

Такой УМЗЧ вносит в выходной сигнал меньше искажений по сравнению с усилителем классической структуры, и реальный выигрыш составляет 10...12 дБ. Это справедливо, как правило, всегда, если источник сигнала имеет малое выходное сопротивление и может работать на нагрузку 600 Ом без увеличения нелинейных искажений. В такой схеме источник сигнала связан с шиной питания +U1. В УМЗЧ используются два источника двухполярного питания с трансформатором Т1: один - для каскада усиления напряжения (обмотка II, диодный мост VD4 и сглаживающие конденсаторы фильтра питания С1, С2), а второй - для питания оконечного каскада (обмотка III, диодный мост VD5 и конденсаторы C3, С4). На рис. 1 общий провод источников питания и далее обозначен прямоугольником.

Усилитель на рис. 1 характеризуется принципиально линейной входной характеристикой, задающей исходную линейность всего УМЗЧ. Кроме этого, усиление УМЗЧ определяется только отношением резисторов R6/R2 (или R6/R1) и не зависит от параметров используемых транзисторов. Его можно устанавливать с высокой степенью точности и варьировать в широких пределах. Измерения показывают, что без резисторов R5, R6 коэффициент усиления каскада достаточно высок и составляет на частоте 400 Гц более 500000.

К недостаткам УМЗЧ можно отнести некоторые ограничения на параметры источника сигнала. Он обязательно должен быть симметричным и желательно - с открытым выходом по постоянному току. Кроме того, схема с повторителем тока на входе ухудшает отношение сигнал/шум [3].

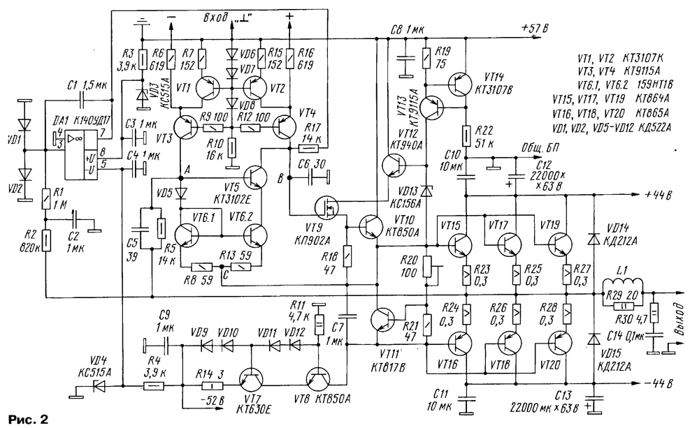
Теперь рассмотрим принципиальную схему УМЗЧ, показанную на рис. 2. Усилитель отличается высокими параметрами и без цепей ООС. Входной усилитель выполнен на транзисторах VT3, VT4, которые нагружены на токовое зеркало каскодного типа VT5, VT6.1, VT6.2, VD5, R8, R13, в котором для повышения точности применена пара согласованных транзисторов К159НТ1В (VT6).

УМЗЧ с симметричным входом без общей ООС
(нажмите для увеличения)

Основной нагрузкой усилителя напряжения служит резистор R17. Активные источники тока VT1, VT2 (с элементами VD6, VD7, R7, R15) в эмиттерных цепях входных транзисторов повышают линейность усилителя напряжения в режиме большого сигнала. В итоге коэффициент гармоник каскада усиления напряжения снижается почти на порядок и составляет, к примеру, 0,007% на частоте 2 кГц при выходном напряжении 31 В (эфф.).

Составной повторитель напряжения на элементах VT9, VT10, VT12-VT14, VD13, R18, R19, R22 обеспечивает эффективную развязку усилителя напряжения от оконечного каскада. Такое решение почти полностью исключило и влияние нелинейной емкости затвор-сток транзистора VT9 на параметры усилителя напряжения. В этом повторителе входная емкость VT9 практически не меняется, так как напряжения между выводами этого транзистора фиксированы.

Неполное использование напряжения питания в повторителе на положительной полуволне сигнала потребовало его повышения, поэтому двухполярное напряжение питания несимметрично относительно общего провода блока питания и составляет +57 В и -52 В.

Оконечный каскад УМЗЧ особенностей не имеет и представляет собой двухтактный повторитель на мощных транзисторах VT15 - VT20, работающий в классе АВ с током покоя 300 мА. Источник стабильного тока на 220 мА (VT7, VT8, R11, R14, VD9-VD12) также построен по каскодной схеме ОБ-ОБ. Транзисторы VT7, VT8, VT10, как и мощные транзисторы, расположены на теплоотводах. Ток покоя оконечного каскада стабилизирует термодатчик на транзисторе VT11, имеющий тепловой контакт с транзисторами оконечного каскада.

Интегратор на прецизионном ОУ К140УД17 (DA1) и элементах R1-R4, R17, С1-С4, VD1-VD4 поддерживает минимальное напряжение постоянного тока на выходе УМЗЧ, независимое от температуры и асимметрии питающих напряжений.

Для развязки каскадов, повышения линейности УМЗЧ и увеличения КПД оконечного каскада усилитель напряжения питается стабилизированным напряжением +57 В и 52 В, а оконечный каскад - нестабилизированным напряжением ±44 В.

Дифференциальный коэффициент усиления УМЗЧ определяется отношением 2(R17/R6) и составляет около 45. Соединение выхода усилителя с точкой А через цепь R5C5 приводит к частичной компенсации нелинейных искажений оконечного каскада и снижает выходное сопротивление УМЗЧ на частоте 1 кГц с 0,2 до 0,035 Ом (измерения проводились без выходной цепи L1R28). Выходное сопротивление УМЗЧ слабо меняется в диапазоне частот до 10 кГц и составляет 0,05 Ом на частоте 20 кГц. Измерения показали, что выходное сопротивление УМЗЧ не зависит от изменения тока покоя оконечного каскада в широких пределах (в интервале 50...3000 мА), что говорит об эффективности примененной ООС.

Для измерения коэффициента гармоник (Кг) УМЗЧ использованы автоматический измеритель нелинейных искажений С6-8, анализатор спектра С4-74, а также генератор сигналов ГЗ-118 совместно с симметрирующим устройством. В качестве эквивалента нагрузки применены три параллельно включенных резистора по 20 Ом ПЭВ-50 (сопротивление 7 Ом), а для эквивалента на 4 Ом - пять таких резисторов. Выходное напряжение измерялось с помощью вольтметра ВЗ-39. Нижний предел измерения Кг с таким устройством составляет почти -90 дБ.

Суммарный Кг УМЗЧ без компенсации искажений (цепь R5C5 отключена) при выходной мощности 105 Вт и нагрузке на 7 Ом на частоте 1 кГц составлял 0,099%, а на 20 кГц - 0,096%. Спектр сигнала содержит в основном вторую и третью гармоники сравнимой амплитуды, а также высшие гармоники меньшей амплитуды (последствия работы оконечного каскада в режиме АВ).

При подключении цепи R5C5 местной ООС Кг УМЗЧ на частоте 1 кГц снизился до 0,035%, а на частоте 20 кГц - до 0,043% при той же выходной мощности. При максимальной выходной мощности 125 Вт на 7 Ом на частоте 1 кГц (выходной сигнал на пороге ограничения) искажения в УМЗЧ все еще не превышают 0,1%.

Следует отметить, что оконечные транзисторы специально не подобраны, и в случае их предварительного отбора возможно улучшение характеристик УМЗЧ. Так получилось, что в данном макете УМЗЧ реальный разброс коэффициента усиления по току эмиттера у комплементарной пары эквивалентных транзисторов оказался невелик, около 10%. Обобщенное значение коэффициента усиления по току при lK = 1 А и Uкэ = 5 В для верхнего плеча (три параллельно соединенных транзистора КТ864А) составляет 96, а для нижнего (три транзистора КТ865А) - 87. При больших значениях тока коллектора коэффициент передачи тока базы транзисторов оконечного каскада снижается. Максимальная выходная мощность УМЗЧ на нагрузке 4 Ом равна 170 Вт (при этом на частоте 1 кГц Кг = 0,18%). Используя в оконечном каскаде более мощные импортные приборы, выходную мощность УМЗЧ на нагрузке 4...2 Ом можно повысить даже без увеличения числа транзисторов.

Интермодуляционные искажения в УМЗЧ составляют менее -70 дБ (0,03%), когда на нагрузке 7 Ом действует измерительный сигнал с амплитудой чуть ниже уровня ограничения, представляющий собой сумму двух синусоидальных сигналов равной амплитуды с частотами 20 и 21 кГц. Интермодуляционные искажения оценивались с помощью спектроанализа-тора С4-74, который имеет динамический диапазон не менее 70 дБ. Оценивалась составляющая разностной частоты 1 кГц. Амплитуда этой спектральной составляющей лежит на уровне шумов спектроанализатора и различима только при больших временах интегрирования анализатора (полоса пропускания - 300 Гц, развертка - 5 с). Следует отметить, что данный режим измерения выбран как наиболее информативный, и при усилении реальных звуковых сигналов такая экстремальная ситуация маловероятна.

Ниже приведены основные технические характеристики макета УМЗЧ (рис. 2) при работе на активный эквивалент нагрузки (резистор).

  • Номинальное входное дифференциальное напряжение, В......1,2
  • Номинальное входное сопротивление, Ом......619
  • Номинальный диапазон частот, Гц......5...200000
  • Отношение сигнал/шум, дБ, невзвешенное (в полосе от 0,5 кГц до 1 МГц), не менее......93
  • Выходная мощность (долговременная) на нагрузке 7 Ом, в диапазоне частот 20...20000 Гц, Вт, не менее.....105
  • Выходная мощность (долговременная) на нагрузке 4 Ом, в диапазоне частот 20...20000 Гц, Вт, не менее.....156
  • Выходное сопротивление в диапазоне частот 20...20000 Гц с подключенной цепью L1R29, Ом, не более......0,06
  • Скорость нарастания выходного напряжения, В/мкс, не менее......60
  • Уровень интермодуляционных искажений при максимальном выходном напряжении УМЗЧ на нагрузке 7 Ом (частота 20 и 21 кГц, соотношение амплитуд 1:1), %, не более......0,03
  • Суммарный коэффициент гармонических искажений при мощности 50 Вт/75 Вт/105 Вт на нагрузке 7 Ом, %, на частоте 1 кГц......0,017/0,026/0,035
  • 10 кГц.....0,018/0,031 /0,039
  • 20 кГц.....0,026/0,033/0,043
  • Суммарный коэффициент гармонических искажений при мощности 75 Вт/100 Вт/156 Вт на нагрузке 4 Ом, %, на частоте 1 кГц......0,043 / 0,055 / 0,082
  • 10 кГц.....0,045 / 0,056 / 0,097
  • 20 кГц......0,049/0,06/0,131

В УМЗЧ можно использовать отечественные и импортные компоненты. Транзисторы КТ9115А (VT3, VT4) лучше подобрать в пары с одинаковым коэффициентом усиления по току (еще лучше - применить согласованные пары высоковольтных транзисторов структуры p-n-р, выполненных на одной подложке). Вместо КТ9115А можно применить КТ632Б или импортные приборы 2SA1184, 2N5415. Вместо 159НТ1В можно использовать любую согласованную пару транзисторов структуры n-p-n (критерий выбора - возможно больший h21Э). В УМЗЧ вместо КП902А хорошо работают маломощные МОП-транзисторы серии КП305. Резисторы R5-R8, R13 и R15-R17 - С2-29, причем R6 и R16, R7 и R15 с возможно меньшим допуском (в авторском варианте эти резисторы имеют допуск 0,05%). Остальные резисторы - МЛТ и С5-16МВ. Катушка L1 содержит 9 витков изолированного провода диаметром 1,53 мм, намотанного с шагом 2,5 мм на оправке диаметром 10 мм. Конденсаторы - КМ-6, К73-16, К73-17.

Из-за особенностей подключения источника сигнала к входу УМЗЧ нужно изменить и принцип "заземления" корпуса усилителя. С металлическим корпусом конструкции следует соединить шину "+57 В" стабилизированного источника питания УМЗЧ. Общий провод источника сигнала подключают к этой же точке общего провода.

Общий провод цепей питания и конденсаторов фильтра питания необходимо изолировать от корпуса усилителя. Также нужно изолировать и выходные клеммы УМЗЧ. Если в УМЗЧ применены два раздельных и полностью независимых блока питания для каждого из каналов, то их шины питания "+57 В" следует соединить в одной точке с корпусом УМЗЧ. Средние точки блоков питания соединять между собой не надо.

В случае архитектуры типа "двойное моно" два канала УМЗЧ соединены между собой (и с корпусом конструкции) только через шину питания +57 В, что при отсутствии общих сильноточных цепей благоприятно сказывается на развязке между каналами.

Этот вариант УМЗЧ проектировался для работы с профессиональным микшерным пультом, не имеющим на выходе разделительных конденсаторов (выход по постоянному току). При таком способе "питания" через входные резисторы УМЗЧ всегда потребляет от источника сигнала небольшой постоянный ток (около 2 мА по каждому входу). В других случаях для нормальной работы УМЗЧ также потребуется источник звукового сигнала с симметричным низкоомным выходом и возможностью регулировки уровня сигнала.

При отсутствии источника сигнала, имеющего симметричный выход, можно использовать любой несимметричный источник сигнала, дополнив его устройством, которое преобразует несимметричный сигнал в симметричный. Сегодня существует достаточно много вариантов устройств, реализующих эту функцию: от простейших на основе симметрирующего трансформатора до специализированных микросхем, например, SSM2142.

Для этих же целей автор иногда использовал устройство, известное как "Di-Box" (Active Direct Inject Box), модель Dl 100 фирмы Behringer. Такие устройства популярны у музыкантов, работающих с "живым звуком", и состоят из высококачественного симметрирующего трансформатора и повторителя напряжения. Вносимые ими нелинейные искажения достаточно малы (обычно менее 0,005 %).

На рис. 3 представлена схема "симметратора", выполненная с перекрестно-симметричной ОС на сдвоенных ОУ DA1 (в одном корпусе) и прецизионных резисторах R1- R8.

УМЗЧ с симметричным входом без общей ООС

Степень симметрии выходного сигнала зависит от индивидуального разброса парных резисторов и реально потребует дополнительной корректировки (сопротивление этих резисторов может составлять единицы - десятки килоом). Более сложная схема с возможностью подстройки симметрии приведена на рис. 4 (резисторы R1-R14 имеют допуск 0,05 %). Все измерения параметров УМЗЧ были выполнены именно с помощью этого устройства.

УМЗЧ с симметричным входом без общей ООС

Предложенные симметрирующие устройства можно использовать как буферный элемент выходного каскада источника сигнала, хотя лучшим решением следует признать использование специализированной микросхемы SSM2142, которая при стоимости около $4 уже содержит все необходимые ОУ и резисторы (30 кОм) и специально спроектирована для работы на нагрузку 600 Ом. Нелинейные искажения узла на SSM2142 - менее 0,006% при выходном сигнале 10 В на нагрузке 600 Ом в диапазоне частот 20.. .20000 Гц.

Правильно собранный усилитель в налаживании почти не нуждается. Перед включением движок подстроечного резистора R20 должен находиться в верхнем по схеме положении. Перед первым включением и последующими регулировками без нагрузки в разрыв цепей питания оконечного каскада надо включить два мощных защитных резистора сопротивлением по 10...20 Ом. Эти резисторы защитят транзисторы оконечного каскада, например, при ошибках в монтаже.

Если возникает самовозбуждение, нужно увеличить емкости конденсаторов нейтрализации и коррекции (С5, С6).

Далее проверяют постоянное напряжение на выходе УМЗЧ. Оно не должно быть более 1...2 мВ. Затем по падению напряжения на одном из защитных резисторов регулировкой сопротивления R20 устанавливают ток покоя оконечного каскада. После прогрева усилителя в течение 1 - 2 часов его значение должно составлять 300...350 мА.

На этом регулировку УМЗЧ следует закончить и исключить защитные резисторы из цепей питания оконечного каскада.

В симметрирующем устройстве ОУ должны хорошо работать на нагрузку 600 Ом. Здесь можно применять ОУОРА604 (ОРА2604), ОРА134 (0РА2134, 0РА4134), LT1468, LT1469, LM6171, LM6172. Подойдут также LM837, AD841.

Литература

  1. Шкритек П. Справочное руководство по звуковой схемотехнике: Пер. с нем. - М.: Мир, 1991, 446 с.
  2. Сибасаки Цутому. Сверхлинейные усилители без отрицательной обратной связи. - Мусэн то дзиккэн = Stereo Technic, 1989,76, №5, с. 96-103.
  3. Полонников Д. Е. Операционные усилители: Принципы построения, теория, схемотехника. - М.: Энергоатомиздат, 1983, 216с.
  4. Op'Teynde Frank Wambaco Piet, Sansen Willy. On the relationship between the CMRR or PSRR and the second harmonic distortion of differential input amplifiers. - IEEE Journal Solid-State Circuits, 1989, 24, №6, p. 1740-1744.
  5. Уточкин Г. В. Интегральные и многотранзисторные каскады избирательных усилителей. - М.: Энергия, 1978, 80 с.
  6. Войшвилло Г. В. Современная техника усиления сигналов. - М.: Советское радио, 1978, 104 с.
  7. Орлов А. УМЗЧ с однокаскадным усилением напряжения. - Радио, 1997, №12, с. 14-16.
  8. Достал И. Операционные усилители: Пер. с англ. - М.: Мир, 1982, 512 с.Автор: А.Орлов, г.Иркутск

Автор: А.Орлов, г. Иркутск

Смотрите другие статьи раздела Усилители мощности транзисторные.

Читайте и пишите полезные комментарии к этой статье.

<< Назад

Последние новости науки и техники, новинки электроники:

Оптимальная продолжительность сна 12.11.2025

Сон играет ключевую роль в поддержании здоровья, когнитивных функций и общего самочувствия. Несмотря на широко распространенный стереотип о восьмичасовом сне, последние исследования показывают, что оптимальная продолжительность сна для большинства здоровых взрослых ближе к семи часам. Эволюционный биолог из Гарварда, Дэниел Э. Либерман, утверждает, что традиционная норма восьми часов сна - это скорее культурное наследие индустриальной эпохи, чем биологическая необходимость. По его словам, полевые исследования, проведенные в сообществах, не использующих электричество, показывают, что средняя продолжительность сна составляет 6-7 часов, что значительно отличается от общепринятого стандарта. Современные эпидемиологические данные подтверждают этот взгляд. Исследования выявили так называемую "U-образную кривую" зависимости между продолжительностью сна и рисками для здоровья. Минимальные показатели заболеваемости и смертности наблюдаются именно у людей, спящих около семи часов в сутки. ...>>

Дефицит кислорода усиливает выброс закиси азота 12.11.2025

Парниковые газы играют ключевую роль в изменении климата, а закись азота (N2O) - один из наиболее опасных среди них. Этот газ не только втрое сильнее углекислого газа в удержании тепла, но и разрушает озоновый слой. Недавнее исследование американских ученых показало, что микробы в зонах с низким содержанием кислорода активно производят N2O, усиливая глобальные климатические риски. Команда из Университета Пенсильвании изучала прибрежные воды у Сан-Диего и провела наблюдения на глубинах от 40 до 120 метров в Восточной тропической северной части Тихого океана - одной из крупнейших зон дефицита кислорода. Исследователи сосредоточились на том, как морские микроорганизмы превращают нитраты в закись азота. В ходе работы выяснилось, что существует два пути образования N2O. Один путь начинается с нитрата, другой - с нитрита. На первый взгляд более короткий путь должен быть эффективнее, однако микробы, использующие нитрат, продуцируют больше газа, поскольку этот "сырьевой" источник более д ...>>

Омега-3 помогают молодым кораллам выживать 11.11.2025

Сохранение коралловых рифов становится все более актуальной задачей в условиях глобального изменения климата. Молодые кораллы особенно уязвимы на ранних стадиях развития, когда стрессовые условия и нехватка питательных веществ могут привести к высокой смертности. Недавнее исследование ученых из Технологического университета Сиднея показывает, что специальные пищевые добавки способны существенно повысить выживаемость личинок кораллов. В ходе работы исследователи разработали особый состав "детского питания" для коралловых личинок. В него вошли масла, богатые омега-3 жирными кислотами, а также важные стерины, необходимые для формирования клеточных мембран. Личинки, получавшие эти добавки, развивались быстрее, становились крепче и демонстрировали более высокую устойчивость к стрессовым факторам. Особое внимание ученые уделили липидам. Анализ показал, что личинки активно усваивают эти вещества, что напрямую влияет на их жизнеспособность. Стерины, содержащиеся в корме, повышают устойчи ...>>

Случайная новость из Архива

Скука полезна творческим людям 16.06.2025

Когда информационный поток непрерывно заполняет наше сознание, умение сделать паузу становится особенно важным. Именно в моменты кажущейся скуки мозг получает возможность перезагрузиться и активировать скрытые ресурсы, стимулирующие творческое мышление и саморефлексию. Ученые из Университета Саншайн-Кост в Австралии провели исследование, которое подтверждает, что короткие периоды скуки могут быть полезны для творческих людей и не только.

Скука возникает в тот момент, когда способность человека удерживать внимание начинает снижаться, и активируется так называемая сеть пассивного режима мозга. Эта система отвечает за внутренние мысли и саморефлексию, в то время как активность исполнительной сети, которая обычно помогает сосредоточиться, заметно снижается. Таким образом, скука становится не просто неприятным ощущением, а своего рода переключателем, дающим мозгу возможность отдохнуть от постоянной концентрации.

Современный ритм жизни сопровождается постоянной стимуляцией симпатической нервной системы, отвечающей за реакцию "бей или беги". Постоянная активация этой системы может привести к эмоциональному выгоранию, тревожности и физической усталости. В этом контексте скука становится важным фактором, помогающим снизить уровень стресса и восстановить внутреннее равновесие.

В периоды скуки включается поток мыслей, который способствует развитию самостоятельного мышления и творческого процесса. Без постоянных внешних раздражителей человек получает возможность углубиться в свои идеи и переживания, что особенно важно для творческих личностей, ищущих вдохновение в тишине и покое.

Исследователи подчеркивают, что скука помогает укрепить эмоциональную устойчивость, позволяя человеку научиться проживать свои эмоции без бегства в цифровые устройства или другие формы мгновенного удовольствия. Это уменьшает зависимость от постоянного внешнего развлечения и формирует способность концентрироваться на внутренних переживаниях.

Еще одним значимым эффектом скуки является снижение тревожности через своеобразную "перегрузку" нервной системы. Она выступает как естественный механизм восстановления баланса, когда мозг перестает находиться в состоянии постоянного возбуждения.

Таким образом, скука - это не просто безделье или потеря времени, а важный биологический процесс, способствующий творческому мышлению и психическому здоровью. В эпоху информационной перегрузки умение принять и использовать моменты скуки может стать ключом к повышению креативности и внутренней гармонии.

Другие интересные новости:

▪ Магнитное поле улучшает мышцы

▪ Эффективный механизм архивирования данных

▪ Токопроводящий белок для сборки 3D-микрочипов

▪ Экшен-камера Osmo Action 4

▪ Птицы могут видеть магнитные поля

Лента новостей науки и техники, новинок электроники

 

Интересные материалы Бесплатной технической библиотеки:

▪ раздел сайта Электронные справочники. Подборка статей

▪ статья Третий Рим. Крылатое выражение

▪ статья Кто может выворачивать желудок через рот наизнанку для его очистки? Подробный ответ

▪ статья Обработчик информационного материала. Должностная инструкция

▪ статья Доработка прибора для измерения комплексного сопротивления. Энциклопедия радиоэлектроники и электротехники

▪ статья Транзисторы полевые КП931 - КП948. Энциклопедия радиоэлектроники и электротехники

Оставьте свой комментарий к этой статье:

Имя:


E-mail (не обязательно):


Комментарий:





Главная страница | Библиотека | Статьи | Карта сайта | Отзывы о сайте

www.diagram.com.ua

www.diagram.com.ua
2000-2025