Menu Home

Бесплатная техническая библиотека для любителей и профессионалов Бесплатная техническая библиотека


Синтезатор частоты на современной элементной базе. Энциклопедия радиоэлектроники и электротехники

Бесплатная техническая библиотека

Энциклопедия радиоэлектроники и электротехники / Синтезаторы частоты

Комментарии к статье Комментарии к статье

В настоящее время промышленностью освоен выпуск интегральных схем, которые позволяют строить компактные синтезаторы частот с высокими эксплуатационными параметрами. Синтезаторы могут быть использованы в радиоприемниках, радиопередатчиках и другой подобной аппаратуре. Особенно важно иметь компактный и экономичный синтезатор частоты (СЧ) вносимой аппаратуре связи на диапазоны 27 МГц и 144...146 МГц. Одной из таких микросхем является микросхема типа КР1015ХК2 [1]. Синтезатор частоты с ее применением строится по структурной схеме, описанной в "РЛ" N 1/92 г. Принципиальная схема синтезатора частоты для радиостанции из "РЛ" № 2, 4, 5/92 г. на диапазон 144...146 МГц и промежуточной частотой 10,7 МГц приведена на рис.1.

Принципиальная схема синтезатора частоты. Рис.1

Рассмотрим его работу. Микросхема DD2 КР1015ХК2 имеет 20-разрядный приемный регистр с последовательным вводом информации, в который записываются данные, устанавливающие коэффициенты деления делителя с переменным коэффициентом деления (ДПКД), поглощающего счетчика (ПС) и делителя частоты с фиксированным коэффициентом деления (ДФКД). Формат приемного регистра и временная диаграмма процесса записи в него информации приведены на рис.2.

Синтезатор частоты на современной элементной базе
Рис.2 (нажмите для увеличения)

Перезапись информации из приемного регистра микросхемы в ее буферный регистр осуществляется подачей импульса положительной полярности на вывод 7 после прихода на вывод 5 двадцатого информационного разряда. На вывод 6 микросхемы поступают такты для записи информации в приемный регистр. Первый разряд регистра определяет коэффициент деления ДФКД. Если он установлен равным 0, то его коэффициент деления равен 1024, если 1 - то 2560. Разряды со 2 по 8 определяют коэффициент счета поглощающего счетчика, а разряды с 9 по 20 - коэффициент деления ДПКД. Первым вводится в микросхему 20 разряд, последним - 1.

Генератор С4, управляемый напряжением (ГУН), выполнен по схеме емкостной трехточки с общей базой на транзисторе VT2 типа КТ316Д. Перестройка его частоты осуществляется варикапом VD2 типа КВ109Б. С ГУ На сигнал поступает на усилители на транзисторах VT3 и VT4 типа КТ399А. С выхода транзистора VT4 сигнал через емкости С24 и С25 поступает на приемник и передатчик соответственно. С выхода усилителя на транзисторе VT3 сигнал приходит на делитель частоты 64/65, выполненный на микросхеме DD1 типа КФ193ПЦ8. С вывода 2 этой микросхемы предварительно поделенный сигнал рабочей частоты попадает на микросхему DD2 типа КР1015ХК2, выполняющую роль ДПКД, ДФКД, ИЧФД и имеющую в своем составе элементы ФНЧ. Опорный генератор также построен на этой микросхеме. Его частота определяется кварцевым резонатором ZQ1 на частоту 12,800МГц. Таким образом, при записи "1" в первый разряд регистра управления микросхемы DD2 эта частота будет делиться до частоты 12,5 кГц, на которой и происходит сравнение. Сигнал с ИЧФД через вывод 16DD2 поступает на ФНЧ на элементах С7, С8, R4, который определяет полосу захвата и полосу удержания системы ФАПЧ.

При элементах, указанных на схеме, полоса захвата ФАПЧ будет около 15 МГц, а время установления около 250 мс. Далее управляющее напряжение через резистор R6 и катушку L1 поступает на варикап VD2 и осуществляет перестройку ГУН. С вывода 1 микросхемы DD2 сигнал, фиксирующий срыв слежения ФАПЧ, подается на детектор на диоде VD1 типа КД522Б и далее - на ключ на транзисторе VT1 типа КТ315Б, который управляет светодиодом. При захвате кольца ФАПЧ светодиод HL1 будет погашен. Запись информации в микросхему DD2 осуществляется через вывод 1 платы, а тактовая частота и стробирующий сигнал подаются через выводы 3 и 2 платы соответственно. Модулирующее напряжение поступает на вывод 4 платы и далее через ФНЧ на элементах С12, R8, С14 - на варикап VD2, где осуществляется частотная модуляция. Необходимую девиацию частоты можно выставить резистором R7.

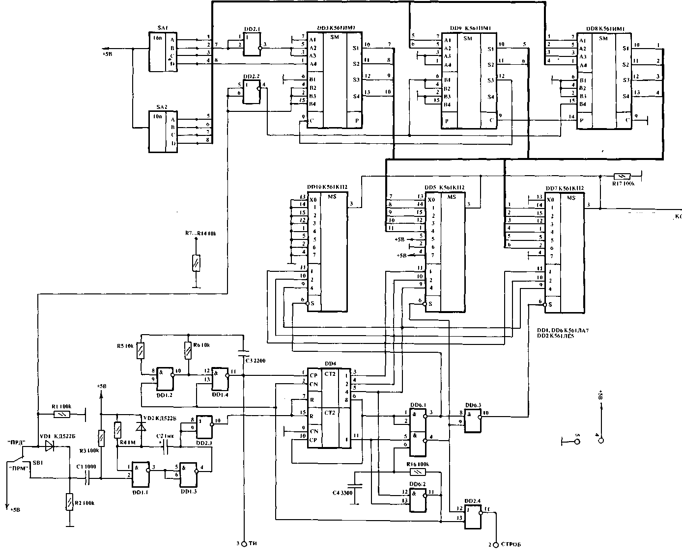
Для записи кода частоты в регистр микросхемы DD2 СЧ и управления коммутацией "прием-передача" служит блок управления, показанный на рис.3.

Принципиальная схема блока управления. Рис.3

Работа блока управления основана на том, что на входах мультиплексоров DD5, DD7, DD10 типа К561КП2 устанавливается необходимый код частоты и далее, в последовательном виде, выдается через вывод 1 платы. Так как мультиплексор DD10 служит для выдачи восьми нулей, то его с успехом можно заменить истоковым повторителем на транзисторе КП303В, но при построении подобного синтезатора на диапазон 430...470 МГц он понадобится. Номер необходимого канала устанавливается на переключателях SA1 и SA2, причем переключатель SA1 имеет 16 положений, а переключатель SA2 -10. Переключателем SA2 выставляют номер группы каналов, а переключателем SA1 - номер канала в группе. Таким образом можно установить 160 каналов через 12,5 кГц. На микросхемах DD3, DD8, DD9T типа K561ИM1 построен сумматор, который вычитает промежуточную частоту в режиме приема. Сумматор работает в дополнительном коде. Тактовый генератор блока управления собран на элементах DD1.2 и DD1.4, Узел переключения "прием-передача" имеет кнопку SB1, диод VD1 - типа КД522Б и одновибратор - на элементах DD1.1 и DD1.3 типа К561ЛА7. На счетчике DD4 типа К561ИЕ10 и элементе D6.1 построен узел счета до 20. Питается СЧ от двух стабилизированных источников напряжением +5 В и +9 В.

Синтезатор частоты вместе с блоком управления собран на печатной плате из двустороннего фольгированного стеклотекстолита толщиной 1,5 мм и размером 190х55 мм. При изготовлении платы необходимо сохранить максимальную площадь общего провода как со стороны установки элементов, так и с противоположной стороны. Катушка L2 бескаркасная, имеет 4 витка провела ПСР 0,8, намотанных на оправке диаметром 5 мм. Длина намотки катушки - 6 мм. Катушки L1, L3 и L4 представляют собой дроссели типа ДМ-01 индуктивностью 10 мкГн. Их также можно намотать на кольцах из феррита марки 600 НН...2000НН, типоразмера К7х4х2, уложив 15 витков провода ПЭВ-2 толщиной 0,25 мм равномерно по всей окружности. Настройка синтезатора частоты сводится к установке при помощи конденсатора С15 необходимой частоты, генерируемой ГУНом. Вместе с тем, с помощью конденсатора С6 необходимо выставить частоту опорного генератора как можно ближе к 12,8МГц. Может понадобиться подбор элементов ФНЧ: R4, С7, С8. Это необходимо для расширения полосы захвата ФАПЧ при его отсутствии в момент перехода с приема на передачу, хотя последнее маловероятно. На этом настройка синтезатора заканчивается.

Литература

1. Якубайтис С. В. Цифровые и аналоговые интегральные микросхемы., М.: Радио и связь, 1989г., с.496.

Автор: В.Стасенко, г.Россошь; Публикация: Н. Большаков, rf.atnn.ru

Смотрите другие статьи раздела Синтезаторы частоты.

Читайте и пишите полезные комментарии к этой статье.

<< Назад

Последние новости науки и техники, новинки электроники:

Польза белкового завтрака 14.01.2026

Правильное питание по утрам играет ключевую роль в поддержании здоровья и контроле веса. Многочисленные исследования подтверждают, что состав завтрака может влиять на аппетит в течение всего дня и качество употребляемой пищи. Австралийские ученые провели масштабный эксперимент, который показал, что употребление белковой пищи с утра помогает дольше чувствовать сытость и предотвращает переедание. В исследовании участвовали более 9 тысяч человек среднего возраста 46 лет. В период с 2011 по 2012 год специалисты анализировали рационы респондентов, оценивая долю основных макронутриентов. В среднем участники потребляли 43% углеводов, 31% жиров, 18% белков, 2% клетчатки и 4% алкоголя. Такой рацион позволил ученым проследить взаимосвязь между утренним приемом пищи и пищевым поведением в течение дня. Выяснилось, что участники, чей завтрак содержал недостаточное количество белка, ощущали повышенный аппетит в течение дня. Они ели больше, чем необходимо, и часто выбирали продукты с высоким со ...>>

Технология SmartPower HDR 14.01.2026

Ноутбуки стремительно развиваются в плане графики и мультимедийных возможностей, но яркие дисплеи с высоким динамическим диапазоном (HDR) часто становятся серьезной нагрузкой для аккумуляторов. Длительная работа с видео высокого качества или играми в HDR приводит к быстрой разрядке батареи, что ограничивает мобильность пользователей и снижает комфорт работы. Решить эту проблему призвана новая технология SmartPower HDR, разработанная совместно компаниями Samsung Display и Intel. Суть технологии заключается в динамическом управлении напряжением OLED-панелей. Чипсет ноутбука в реальном времени анализирует пиковую яркость каждого кадра и передает эти данные контроллеру дисплея, который оптимизирует подачу напряжения в зависимости от количества активных пикселей. В отличие от традиционных режимов HDR, где яркость часто фиксируется на максимальном уровне, SmartPower HDR адаптируется к конкретному контенту, что снижает энергопотребление без потери качества изображения. Технология позвол ...>>

Недосып существенно сокращает жизнь 13.01.2026

Сон является одной из самых фундаментальных потребностей человека. Он влияет на обмен веществ, работу сердца и мозга, иммунитет и общее самочувствие. Современный ритм жизни часто заставляет людей жертвовать сном ради работы, учебы или развлечений, но ученые предупреждают: регулярный недосып может иметь далеко идущие последствия для здоровья и долголетия. Исследователи из Орегонского университета здравоохранения и науки пришли к выводу, что сон менее семи часов в сутки связан с сокращением продолжительности жизни. По данным специалистов, хроническая нехватка сна не только вызывает усталость и снижение работоспособности, но и постепенно сказывается на здоровье органов и систем, увеличивая риски развития различных заболеваний. Для анализа ученые использовали обширную национальную базу данных США, сопоставляя показатели ожидаемой продолжительности жизни на уровне штатов с результатами опросов Центров контроля и профилактики заболеваний за период с 2019 по 2025 годы. Они учитывали мно ...>>

Случайная новость из Архива

Аэрозоль с наноботами 03.08.2018

Ученые из Массачусетского технологического института создали первый в мире аэрозоль, содержащий наноботы. Открытие может радикально изменить развитие робототехники. Эти наноботы могут делать практически все, от выявления опасных протечек в трубах до диагностирования проблем со здоровьем

Каждый сенсор в аэрозольном спрее состоит из двух частей. Первая - это коллоид, крохотная нерастворимая частица или молекула. Коллоиды настолько малы, что могут парить в воздухе или воде вечно - сила частиц, сталкивающихся вокруг них, больше силы притяжения.

Вторая часть - это сложная схема, состоящая из химического детектора, построенного из двухмерного материала, вроде графена. Когда этот сенсор встречает определенное химическое вещество в окружающей среде, его способность проводить электричество усиливается. В схеме также предусмотрен фотодиод, устройство, способное конвертировать свет вокруг в электрический ток. Он обеспечивает систему энергией, необходимой для сбора данных и памяти нанобота.

Исследователи привили схему на коллоиды, таким образом дав последним способность путешествовать в уникальных окружающих средах. После совмещения ученые придали наноботам форму спрея, то есть, теперь их можно разбрызгивать. Такой метод доставки был бы невозможен без коллоидов. "Схемы не могли бы существовать без субстрата, - говорит ведущий автор исследования Майкл Страно. - Мы должны были внедрить схемы в частицы, чтобы придать системе прочность, а также сделать достаточно большими, чтобы боты могли путешествовать с потоком".

Для чего нужны такие наноботы? Ученые продемонстрировали несколько способов их использования. Например, они спроектировали сенсоры так, чтобы те фиксировали ядовитый аммиак, и протестировали эту способность в секции трубы. Они распылили сенсоры с одного конца, а с другого собрали их с помощью марли. Проанализировав информацию в схемах, они смогли сказать, вступали ли сенсоры в контакт с аммиаком.

В реальном мире технология может избавить инспекторов от необходимости осматривать всю трубу снаружи, так как можно будет просто распылить там аэрозоль с наноботами.

Эта же технология может помочь с диагностикой заболеваний в человеческом организме, путешествуя по пищеварительному тракту, собирая информацию и доставляя ее врачам.

Другие интересные новости:

▪ Измерено время существования свободного нейтрона

▪ LTE-рация Motorola TLK110 Wave

▪ Робот помогает чинить колено

▪ Плеер Apple iPod

▪ Пластиковая дорога из переработанных бутылок

Лента новостей науки и техники, новинок электроники

 

Интересные материалы Бесплатной технической библиотеки:

▪ раздел сайта Ограничители сигнала, компрессоры. Подборка статей

▪ статья Фармакология. Шпаргалка

▪ статья Что больше: энергия, выделяемая при распаде одного ядра урана, или энергия, затрачиваемая комаром на один взмах крыла? Подробный ответ

▪ статья Акушерка смотрового кабинета. Должностная инструкция

▪ статья Простой индикатор антенного тока. Энциклопедия радиоэлектроники и электротехники

▪ статья Не спешите выбрасывать энергосберегающую лампу. Энциклопедия радиоэлектроники и электротехники

Оставьте свой комментарий к этой статье:

Имя:


E-mail (не обязательно):


Комментарий:




Комментарии к статье:

Андрей
Где теперь найти такие КР1015ХК2 - переставшие выпускаться с 1991 микросхемы? [cry] [?] Если и есть, то брак - и дорогой, причем. Наверно, доступнее делать, если без микроконтроллера, на 74 или 4000 серии логики в SMD.


Главная страница | Библиотека | Статьи | Карта сайта | Отзывы о сайте

www.diagram.com.ua

www.diagram.com.ua
2000-2026