Бесплатная техническая библиотека
Синтезатор частоты для автомобильной радиостанции диапазона 27 МГц. Энциклопедия радиоэлектроники и электротехники

Энциклопедия радиоэлектроники и электротехники / Синтезаторы частоты
Комментарии к статье
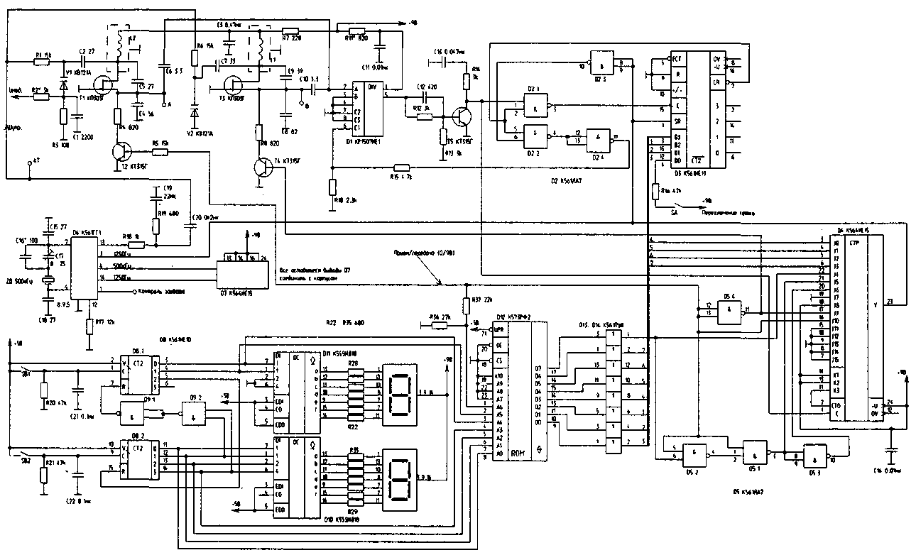
Данный синтезатор частот (СЧ), показанный на рис. 1, использован в автомобильной радиостанции с двойным преобразованием частоты. Первая ПЧ имеет стандартное значение 10,7 МГц. СЧ вырабатывает стандартную 40 канальную сетку частот для работы передатчика и необходимую сетку гетеродинных частот для работы первого смесителя приемника. В данной конструкции предусмотрено смещение сетки на 5 кГц.
Принципиальная схема. Рис.1
Рабочий диапазон в режиме передачи 26975...27365 кГц (26970...27360 кГц) (вход А). Рабочий диапазон в режиме приема - 16275...16665 кГц (16270...16660кГц) (выход В). Шаг сетки- 10 кГц. Уровень модулирующего НЧ напряжения - 300...900 мВ. Крутизна характеристики управления - 300 кГц/В. Время перестройки частоты: не более 100 мс.
Хотя на сегодняшний день имеются однокристальные СЧ, все они имеют динамическое управление и предполагают запись многоразрядного слова в последовательном коде. При этом схема управления для таких синтезаторов получается довольно сложной и содержит - 14 - 16 корпусов серии 561 для устройства, подобного приведенному в статье. По сравнению с другими подобными конструкциями СЧ, включая опубликованные в "РЛ", данная конструкция обладает наибольшим отношением эффективность/затраты.
Данный СЧ представляет собой однопетлевое кольцо фазовой автоподстройки частоты (ФАПЧ) с импульснофазовым детектором с тремя состояниями (ИЧФДЗ). Управляемый генератор (УГ) для работы на передачу собран на Т1 по схеме емкостной трехточки и включается при открывании Т2. Сигнал через С6 поступает на делитель с переключаемым коэффициентом деления (ДПКД), который образован элементами D1, D2, D3, D4. Коэффициент деления ДПКД M=4x(10N+A). Число A зaдается на управляющих входах D3 в двоично-десятичном коде.
Число N устанавливается на входах D4. Составными частями ДПКД являются: высокочастотный предварительный делитель на 40/44, программируемый счетчик D3, низкочастотный делитель D4. Сигнал с УГ вначале поступает на D 1, который в зависимости от сигнала управления работает в режиме деления на 40 или 44. С выхода D1 (вывод 5) импульсная последовательность поступает на преобразователь уровня ЭСЛ -> КМОП, собранный на Т5, и затем через схему блокировки (D2) подается на счетный вход программируемого счетчика D3. С помощью счетчика D3 происходит управление делителем D1. На D6 собран опорный генератор (ОГ), вырабатывающий колебания 500 кГц. На этом же элементе собран ИЧФДЗ. На элементе D7 собран делитель сигнала ОГ до значения Fоп=1250Гц.
Сигнал с выхода ДПКД и опорное колебание 1250 Гц поступают на вход ФД. В зависимости от соотношения фаз на выходе ФД (вывод 13 D6) появляется управляющее напряжение (Uупр), которое через ФНЧ (R18, R19, С19, С20) воздействует на варикап V1 (V2) УГ и подстраивает его так, что бы фазовое рассогласование свести к минимуму. В режиме захвата частота УГ будет точно равна Fуг=FопM и ее нестабильность не будет превышать нестабильности кварцевого генератора. Схема управления и индикации собрана на элементах D8, D9, D10, D11, HG1, HG2, D12, D13, D14. Кнопка SB1 управляет счетчиком младших разрядов, a SB2 - старших, что удобно при поиске нужного канала. Все кодовые комбинации, необходимые для управления СЧ, записаны в РПЗУ D12.
Настройка СЧ сводится к точной установке частоты 500 кГц конденсаторами С16, С17. Катушками L2 (в режиме передачи) и L1 (в режиме приема) необходимо выставить Uупр=4,5 В в точке КТ (при двадцатом номере канала на индикаторе). Частота УГ определяется соотношением (в режиме передачи) Fпер=1/2пSqr(L2Cт). Ст=С2+С4*С5/С4+С5. Ток потребления определяется в основном собственно схемой управления и индикации, а синтезатор имеет Iпотр=12 мА. Варикапы V1, V2 лучше использовать типа КВ132А, вместо 564ИЕ15 можно использовать КА561ИЕ15А. Конденсатор С19 должен быть с минимальным током утечки (оксидно-полупроводниковый).
Литература
1. Левин В. и др. Синтезаторы частот с системой импульсно-фазовой автоподстройки.- М.: Радио и связь, 1989.
2. Манасевич В. Синтезаторы частот. Пер. с англ. - М., 1979.
Автор: В. Васильев, г.Оренбург; Публикация: Н. Большаков, rf.atnn.ru
Смотрите другие статьи раздела Синтезаторы частоты.
Читайте и пишите полезные комментарии к этой статье.
<< Назад
Последние новости науки и техники, новинки электроники:
Хорошо управляемые луга могут компенсировать выбросы от скота
15.02.2026
Животноводство, особенно разведение крупного рогатого скота, часто обвиняют в значительном вкладе в глобальное потепление из-за мощного парникового газа - метана, который выделяется при пищеварении у жвачных животных. Это вызывает острые политические споры и призывы к сокращению потребления мяса. Однако ученые напоминают, что полная картина климатического воздействия отрасли не ограничивается только выбросами от животных: огромную роль играет окружающая экосистема - пастбища, почва и растительность, которые способны активно поглощать углекислый газ из атмосферы.
Исследователи из Университета Небраски-Линкольна решили глубже изучить этот баланс. Группа под руководством профессора Галена Эриксона сосредоточилась на том, как правильно организованные пастбища накапливают углерод в растениях и грунте благодаря естественным процессам, стимулируемым выпасом скота. Ученые подчеркивают, что при достаточном уровне осадков и грамотном управлении такие луга превращаются в мощные природные погло ...>>
NASA тестирует инновационную технологию крыла
15.02.2026
Коммерческая авиация ежегодно расходует колоссальные объемы керосина, что сказывается не только на бюджете авиакомпаний, но и на состоянии окружающей среды. В 2024 году глобальные затраты на авиационное топливо достигли 291 миллиарда долларов, и эта сумма продолжает расти. Чтобы справиться с этими вызовами, NASA активно работает над технологиями, способными заметно повысить аэродинамическую эффективность самолетов. Одним из самых перспективных направлений стало создание специальной конструкции крыла, которая максимизирует естественный ламинарный поток воздуха и минимизирует сопротивление.
В январе 2026 года специалисты NASA Armstrong Flight Research Center успешно провели важный этап наземных испытаний концепции Crossflow Attenuated Natural Laminar Flow (CATNLF). Для эксперимента под фюзеляж исследовательского самолета F-15B закрепили вертикально ориентированную масштабную модель высотой около 0,9 м (3 фута), напоминающую узкий киль. Такая компоновка позволила подвергнуть прототип р ...>>
Забота о внуках очень полезна для здоровья мозга
14.02.2026
Общение между поколениями приносит радость всей семье, но мало кто задумывается, насколько активно бабушки и дедушки, заботящиеся о внуках, поддерживают свою умственную форму. Регулярное взаимодействие с детьми стимулирует мозг пожилых людей, помогая сохранять память, скорость мышления и общую когнитивную активность.
Новые научные данные подтверждают, что такая добровольная помощь не только важна для общества, но и может замедлять возрастные изменения в мозге.
Исследователи из Тилбургского университета в Нидерландах провели анализ, чтобы понять, приносит ли уход за внуками реальную пользу здоровью пожилых людей. Ведущий автор работы Флавия Черечес отметила, что многие бабушки и дедушки регулярно присматривают за детьми, и оставался открытым вопрос, насколько это положительно сказывается на их собственном благополучии, особенно в плане когнитивных функций.
Ученые поставили цель выяснить, способен ли регулярный уход за внуками замедлить снижение памяти и других умственных способ ...>>
Случайная новость из Архива Микроб с тепловым управлением
25.04.2012
Ученые из Университета Джорджии создали микроба, управляемого с помощью температуры. Новый микроорганизм может стать эффективным средством производства сложных химических веществ из простых исходных материалов.
Первоначально ученые взяли микроба Pyrococcus furiosus, который живет в горячих морских отложениях и активно размножается при температуре около 100 градусов Цельсия. Этот микроорганизм является археем, одноклеточным прокариотом, который похож на бактерию, но имеет существенные отличия на молекулярном уровне и способен выполнять процессы, недоступные бактериям.
В настоящее время многие производственные процессы зависят от микроорганизмов. Однако производственную деятельность бактерий очень сложно контролировать, особенно переключать их с одного вида деятельности на другой.
Американские ученые нашли способ контролировать теплолюбивых микробов с помощью температурного переключателя. Проще говоря, при высоких температурах микроб производит один продукт, а при низких - другой или не производит вовсе. Это существенно упрощает использование микроорганизмов в качестве миниатюрных заводов по производству полезных веществ, таких как биотопливо. Также ученым впервые удалось внести изменения в геном гипертермофильной бактерии, что открывает новые возможности в создании генно-модифицированных микроорганизмов с уникальными функциями.
Как и другие гипертермофильные бактерии, Pyrococcus furiosus может функционировать при высоких температурах, что очень полезно во множестве производственных процессов химической промышленности. Однако не все вещества можно произвести в таких условиях - некоторые ферменты могут работать только при низких температурах.
Для решения этой проблемы ученые взяли определенный ген у бактерии Caldicellulosiruptor bescii, которая живет в более прохладных условиях (72 градуса Цельсия), и поместили его в геном Pyrococcus furiosus. В результате при высокой температуре Pyrococcus furiosus функционирует как обычно, а при понижении температуры начинает производить другой, несвойственный ей продукт, - лактатдегидрогеназу.
|
Другие интересные новости:
▪ Непрозрачная прозрачность
▪ В доспехах на пробежку
▪ Робот пошел по грибы
▪ Цифровая видеокамера со встроенным накопителем на жестком диске
▪ Бесплатное электричество и чистая вода
Лента новостей науки и техники, новинок электроники
Интересные материалы Бесплатной технической библиотеки:
▪ раздел сайта Цифровая техника. Подборка статей
▪ статья Раздача слонов. Крылатое выражение
▪ статья В каком месте можно встретить Новый год трижды за один час? Подробный ответ
▪ статья Работа на шлифовальном полуавтомате для обработки очковых линз. Типовая инструкция по охране труда
▪ статья Отечественные электронные пускорегулирующие аппараты. Энциклопедия радиоэлектроники и электротехники
▪ статья Шесть подходящих чисел. Секрет фокуса
Оставьте свой комментарий к этой статье:
Главная страница | Библиотека | Статьи | Карта сайта | Отзывы о сайте

www.diagram.com.ua
2000-2026