Menu Home

Бесплатная техническая библиотека для любителей и профессионалов Бесплатная техническая библиотека


Радиостанция с амплитудной модуляцией. Энциклопедия радиоэлектроники и электротехники

Бесплатная техническая библиотека

Энциклопедия радиоэлектроники и электротехники / Гражданская радиосвязь

Комментарии к статье Комментарии к статье

Предлагаю схему радиостанции с амплитудной модуляцией Многие узлы взяты из известных конструкций, в некоторые внесены собственные доработки и изменения.

Особое внимание при разработке уделялось простоте конструкции, повторяемости, отсутствию дефицитной элементной базы, простоте настройки .

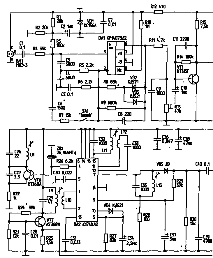
Принципиальная схема радиостанции приведена на рис.1а и рис.1б.

Кнопка SA2 служит переключателем режимов "прием-передача". При ее нажатии подается питание на передатчик, и к его выходу подключается антенна Микрофонный усилитель выполнен как в [1] Применение электретного микрофона и усилителя-компрессора с коррекцией АЧХ позволило повысить разборчивость речи.

При нажатии кнопки SA1 "Вызов", каскад на ОУ DA1 генерирует тональный сигнал с частотой, определяемой цепью С6, R7

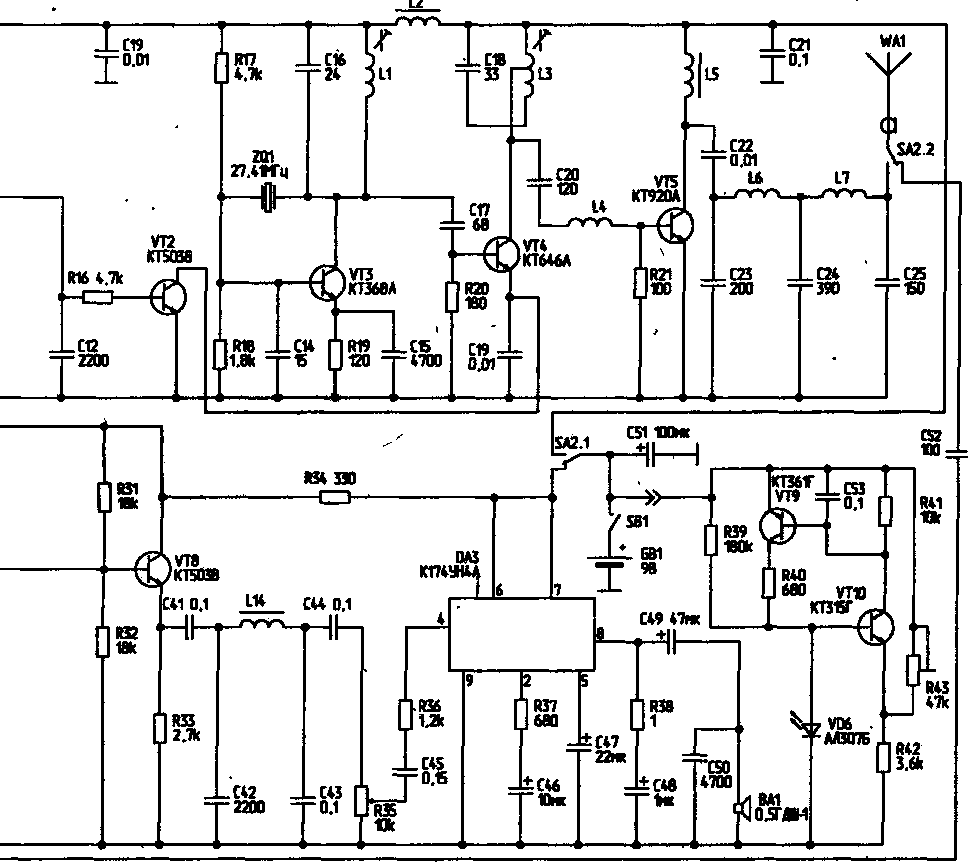
Усиленный сигнал с микрофонного усилителя поступает на регулятор глубины модуляции R13. Далее сигнал подается на второй каскад усиления и коррекции на транзисторе VT1 Роль модулятора выполняет каскад на VT2 Задающий генератор передатчика выполнен на транзисторе VT3, частота стабилизирована кварцем ZQ1. Сигнал с частотой 27,41 МГц через конденсатор С17 поступает на базу транзистора VT4. в эмиттерную цепь которого включен модулятор на VT2. Промодулированный и усиленный сигнал через цепь С20, L14 подается на оконечный усилитель на транзисторе VT5 С выхода усилителя мощности через конденсатор С22, выходной П-контур и переключатель SA2.2 сигнал с рабочей частотой поступает в антенну WA1.

Приемная часть радиостанции выполнена на микросхеме К174ХА2 (DA2). Сигнал с антенны WA1 через кнопку SA2 2 поступает на входной усилитель на транзисторе VT7, нагрузкой которого служит контур L9,C29. С катушки связи L10 сигнал поступает на выводы 1,2 микросхемы DA2. Внешний гетеродин, стабилизированный кварцем ZQ2 с частотой 26,945 МГц, собран на транзисторе VT6. Сигнал гетеродина поступает на вывод 4 DA2. Сигнал промежуточной частоты (465 кГц) с выхода 7 микросхемы DA2 подается на детектор. Продетектированный сигнал, усиленный каскадом ни транзисторе VT8, через ФВЧ С42, L14, С43 поступает на регулятор громкости R35. Далее через цепь R36, С45 сигнал подается на УНЧ на микросхеме DA3 типа К174УН4А. С вывода 8 микросхемы DA3 сигнал поступает на динамическую головку ВА1 с сопротивлением обмотки 8 Ом.

На транзисторах VT9 и VT10 выполнен индикатор разряда аккумуляторной батареи. При снижении напряжения питания до 6,5 В зажигается светодиод VD6. Порог срабатывания индикатора регулируется резистором R43.

Конструкция

В радиостанции можно использовать резисторы типов ВС и МЛТ-0,125 Вт Подстроечные резисторы - типа СПЗ-38а. Электролитические конденсаторы - К50-35 или импортного производства на рабочее напряжение не ниже 16 В, остальные конденсаторы - КМ, КД или импортные дисковые. Микросхему DA1 можно заменить на КР140УД1208 с сохранением нумерации выводов, но при этом резистор R10 необходимо соединить с общим проводом. Транзисторы КТ920А можно заменить на КТ904А...Б, КТ610А...Б, но при этом уменьшится выходная мощность передатчика. Диоды VD2...VD4 -любые из серий КД521, КД522. Кнопки SA1, SA2 - типа КМ-3, МР-1. Динамическую головку 0,5 ГДШ-1 можно заменить на 0,25 ГДШ-2 или 0.1ГД-17 (50 Ом). Микрофон МКЭ-3 - от переносных магнитофонов.

Намоточные данные катушек индуктивности приведены в таблице.

Каркасы L11, L12, L13-стандартные (контура ПЧ транзисторных приемников).

Позиция Кол. витков Провод Каркас Примечаниие
L1 12 ПЭВ 0.25 мм Диам.5 мм
L2 - Стандартный ДПМО,1 40...50 мГн
L3 12 ПЭВ 0,25 мм Диам.5 мм Отвод от 3 витка
L4 8 ПЭВ 0.2 мм Бескаркасная на оправке диам.6 мм
L5 9 ПЭВ 0,35 мм Кольцо М400...600 10х6х3 мм
L6 7 ПЭВ 0,8 мм Бескаркасная диам.6 мм
L7 5 ПЭВ 0,8 мм Бескаркасная диам.6 мм
L8 12 ПЭВ 0,25 мм Диам.5 мм
L9 10 ПЭВ 0,25 мм Диам.5 мм
L10 4 ПЭВ 0,25 MM Диам.5 мм Поверх L9
L11 82+85 ПЭВ 0,1 мм
L12 21 ЛЭВ 0,1 мм 1 Поверх L11
L13 82+85 ПЭВ 0.1 мм

Кварцевые резонаторы ZQ1 и ZQ2 можно использовать и с другой частотой, например 27,12 МГц и 26.655 МГц.

Транзистор VT4 снабжен радиатором в виде тонной пластины, по размеру чуть больше корпуса транзистора. Для транзистора VT5 использован цилиндрический радиатор из дюраля диаметром 16 мм и высотой 17 мм.

Радиостанция выполнена на печатной плате из одностороннего фольгированного стеклотекстолита толщиной 1,2...1,5 мм. В плате сделаны вырезы под динамическую головку, микрофон, регулятор громкости, разъем СР-50 и кнопки. Индикатор разряда батареи выполнен на отдельной плате.

Питание радиостанции осуществляется от семи аккумуляторов Д-0,55. Отсек питания отделен от основной платы перегородкой.

В радиостанции использовано два вида спиральных антенн. Их каркасы выполнены из полиэтилена от телевизионных кабелей марки РК. Диаметр первой заготовки - 9 мм, второй - 7 мм. Сначала из разъема СР-50-74ФВ вывинчивается верхняя гайка. Отверстие внутри надо рассверлить и нарезать резьбу М9х1,25, а на заготовке для первого случая нарезать резьбу на длину 10 мм. Для второй антенны - резьба М7х0,75 мм. Предварительно вытянув центральную жилу кабеля и отступив от края резьбы 15 мм, в заготовке под углом делается отверстие, чтобы продеть по центру конец обмоточного провода. Этот провод соединяется с центральным штырем разъема СР-50. После сборки разъема приступают к намотке антенны. Для первой антенны (диаметром 9 мм) сначала виток к витку наматывают 77 витков провода ПЭВ-2 диаметром 0,4 мм, а затем равномерно по длине 150 мм располагают еще 29 витков. Конец обмотки закрепляют путем вплавления провода в полиэтилен. Антенна подробно описана в [2]. Для второй антенны также подготавливают обмоточный провод перед намоткой. Наматывают плотно, виток к витку, провод - ПЭВ-2 диаметром 0,5 мм на длину 160 мм, а затем отматывают 6 витков. Антенна была описана в [3]. Констуктивные данные антенн справедливы для частоты 27,14 МГц. При других частотах для первой антенны надо намотать 80 + 29 витков, для второй - вплотную на длину 160 мм. Конец обмотки временно закрепляют лентой. Антенну подключают к радиостанции, и в режиме "передача", отматывая по 1 витку (в первом случае от 80 витков), настраивают на максимум излучения.

Контроль ведут по индикатору напряженности поля, схема которого представлена на рис.2. Все детали индикатора собраны на клеммах головки М24. В качестве антенны служит кусок медного провода длиной 15...25 мм.

Радиостанция с амплитудной модуляцией

После окончательной настройки антенн их надо поместить в защитную оболочку. По длине антенн плюс 2...3 см отрезают кусок хлорвиниловой трубки диаметром 8...10 мм. Помещают его в банку и заливают ацетоном или растворителем на 5...10 мин. Время уточняется экспериментально. Трубка должна полностью погрузиться в жидкость. Затем ее вынимают, стряхивают ацетон и одевают на антенну. Трубка становится эластичной, и ее можно натянуть и на разъем СР-50. В углублении, где находится вращающаяся часть разъема, трубка закрепляется 3...5 витками прочной нити. Затем второй конец вытягивают так, чтобы трубка плотно обтягивала обмотку антенны. Той же нитью трубка стягивается у конца антенны. За вытянувшийся свободный конец хлорвиниловой трубки антенну подвешивают на 2...3 суток, и лишь затем нити удаляют, а концы защитной оболочки аккуратно обрезают. На верхнюю часть антенны можно одеть колпачок от фломастера.

Антенны настраивают после сборки и настройки передатчиков. Для измерения ВЧ-напряжений, если нет ВЧ-вольтметра, можно использовать цифровой мультиметр со входным сопротивлением не менее 1 МОм и выносной высокочастотный детектор. Схема ВЧ-детектора показана на рис.3.

Радиостанция с амплитудной модуляцией

Настройку начинают с микрофонного усилителя и УНЧ. Выход резистора R13 соединяют с конденсатором С44 и подают питание на оба усилителя. Разговаривая в микрофон, проверяют их работу. При желании конденсатором С6 можно подобрать частоту тонального вызова. Генератор настраивают вращением подстроечника катушки L1. ВЧ-вольтметр (мультиметр) подключают к базе транзистора VT4. Добившись максимальных показаний, подстройкой L1 добиваются устойчивой генерации. Подключают эквивалент антенны с сопротивлением 50 Ом (2 резистора МЛТ-1 по 100 Ом параллельно) к антенному разъему СР-50, а вольтметр - к базе VT5. Подают питание кнопкой SA2, и вращением сердечника L3, сжатием или растяжением витков катушки L4 добиваются максимальных показаний прибора. Затем ВЧ-вольтметр подключают к эквиваленту антенны. Выходной П-контур настраивают растяжением или сжатием витков катушек L6, L7.

Настройка приемной части особенностей не имеет.

Питать радиостанцию при настройке в режиме "передача" желательно от стабилизированного источника питания с напряжением 9 В, т.к. при этом потребляется ток около 400 мА (при приеме на средней громкости - 25...30 мА). Если радиостанция установлена стационарно, блок питания можно выполнить по схеме, описанной в [4], понизив напряжение питания до 9 В. При напряжении питания 12 В номинал резистора R34 следует увеличить на 100...150 Ом. При испытании радиостанции со спиральными антеннами в условиях перенаселенной местности дальность связи достигала 3...5 км. Если использовать антенну, описанную в [5], дальность увеличивается до 8...10 км.

Зарядное устройство для аккумуляторов Д-0,55, НГКЦ-0,5 можно выполнить по схеме, приведенной на рис.4. Для аккумуляторов Д-0,25 емкость конденсатора С1 надо уменьшить до 0,47 мкФ.

Радиостанция с амплитудной модуляцией

Литература

  1. Радио,1995, №9, С.6.
  2. Радиолюбитель, 1992, №5, С.14.
  3. Радиолюбитель, 1991, №8, С.14.
  4. Радио,1998,№2, С.82.
  5. Радиолюбитель, 1994, №2, С.59.

Автор: М.Троценко, г.Белгород; Публикация: Н. Большаков, rf.atnn.ru

Смотрите другие статьи раздела Гражданская радиосвязь.

Читайте и пишите полезные комментарии к этой статье.

<< Назад

Последние новости науки и техники, новинки электроники:

Хорошо управляемые луга могут компенсировать выбросы от скота 15.02.2026

Животноводство, особенно разведение крупного рогатого скота, часто обвиняют в значительном вкладе в глобальное потепление из-за мощного парникового газа - метана, который выделяется при пищеварении у жвачных животных. Это вызывает острые политические споры и призывы к сокращению потребления мяса. Однако ученые напоминают, что полная картина климатического воздействия отрасли не ограничивается только выбросами от животных: огромную роль играет окружающая экосистема - пастбища, почва и растительность, которые способны активно поглощать углекислый газ из атмосферы. Исследователи из Университета Небраски-Линкольна решили глубже изучить этот баланс. Группа под руководством профессора Галена Эриксона сосредоточилась на том, как правильно организованные пастбища накапливают углерод в растениях и грунте благодаря естественным процессам, стимулируемым выпасом скота. Ученые подчеркивают, что при достаточном уровне осадков и грамотном управлении такие луга превращаются в мощные природные погло ...>>

NASA тестирует инновационную технологию крыла 15.02.2026

Коммерческая авиация ежегодно расходует колоссальные объемы керосина, что сказывается не только на бюджете авиакомпаний, но и на состоянии окружающей среды. В 2024 году глобальные затраты на авиационное топливо достигли 291 миллиарда долларов, и эта сумма продолжает расти. Чтобы справиться с этими вызовами, NASA активно работает над технологиями, способными заметно повысить аэродинамическую эффективность самолетов. Одним из самых перспективных направлений стало создание специальной конструкции крыла, которая максимизирует естественный ламинарный поток воздуха и минимизирует сопротивление. В январе 2026 года специалисты NASA Armstrong Flight Research Center успешно провели важный этап наземных испытаний концепции Crossflow Attenuated Natural Laminar Flow (CATNLF). Для эксперимента под фюзеляж исследовательского самолета F-15B закрепили вертикально ориентированную масштабную модель высотой около 0,9 м (3 фута), напоминающую узкий киль. Такая компоновка позволила подвергнуть прототип р ...>>

Забота о внуках очень полезна для здоровья мозга 14.02.2026

Общение между поколениями приносит радость всей семье, но мало кто задумывается, насколько активно бабушки и дедушки, заботящиеся о внуках, поддерживают свою умственную форму. Регулярное взаимодействие с детьми стимулирует мозг пожилых людей, помогая сохранять память, скорость мышления и общую когнитивную активность. Новые научные данные подтверждают, что такая добровольная помощь не только важна для общества, но и может замедлять возрастные изменения в мозге. Исследователи из Тилбургского университета в Нидерландах провели анализ, чтобы понять, приносит ли уход за внуками реальную пользу здоровью пожилых людей. Ведущий автор работы Флавия Черечес отметила, что многие бабушки и дедушки регулярно присматривают за детьми, и оставался открытым вопрос, насколько это положительно сказывается на их собственном благополучии, особенно в плане когнитивных функций. Ученые поставили цель выяснить, способен ли регулярный уход за внуками замедлить снижение памяти и других умственных способ ...>>

Случайная новость из Архива

Скоростная зарядка электрокаро 19.09.2025

Одним из главных факторов, сдерживающих повсеместное распространение электромобилей, остается не столько их запас хода, сколько длительность зарядки. Если проблема дальности уже фактически решена, то ожидание у зарядной станции по-прежнему вызывает у многих автовладельцев недовольство. Южнокорейские ученые из KAIST совместно с компанией LG Energy Solution сообщили о достижении, которое может изменить ситуацию.

Исследователи представили литий-металлический аккумулятор, способный зарядиться с 10 до 80 процентов всего за пятнадцать минут. Такой результат превосходит привычные литий-ионные батареи, которые по-прежнему преобладают на рынке. Li-ion-технология остается безопасной и надежной, но она уже достигла границ своих возможностей, в то время как литий-металлические системы открывают путь к аккумуляторам нового поколения.

Ключевое отличие заключается в аноде. В традиционных литий-ионных батареях энергия накапливается в графитовой структуре, что ограничивает плотность хранения. Литий-металлические аккумуляторы используют вместо этого тончайший слой чистого лития, что существенно увеличивает запас энергии и позволяет автомобилям проходить большее расстояние на одном заряде.

Однако ускоренная зарядка таких устройств долгое время считалась проблематичной. Высокие токи приводят к образованию дендритов - тонких игольчатых наростов на аноде, которые со временем могут повредить внутренние барьеры аккумулятора и вызвать короткое замыкание или возгорание. Даже без критических последствий дендриты снижают емкость батареи и заметно сокращают срок ее службы.

Группа ученых под руководством профессора Хи-Так Кима сумела объяснить природу этого процесса. С помощью криогенной электронной просвечивающей микроскопии они впервые наблюдали, как во время быстрой зарядки возникают разрозненные кристаллические области размером всего несколько нанометров. Это связано с неравномерной межфазной когезией лития, когда под воздействием сильного тока компоненты электролита комкуются и формируют нестабильный экран, стимулирующий рост дендритов.

Для преодоления проблемы исследователи экспериментировали с разными вариантами электролитов. Наиболее эффективным оказался жидкий состав, который препятствует формированию дендритов даже при интенсивной зарядке. Интересно, что наилучшие результаты показали сравнительно "слабые" электролиты, которые не создают прочных связей с ионами лития.

Испытания показали впечатляющие результаты. Один из прототипов заряжался от 5 до 70 процентов всего за двенадцать минут и выдерживал более 350 циклов. Более емкая версия, обладающая расчетной плотностью энергии 386 ватт-часов на килограмм, восполняла заряд от 10 до 80 процентов за семнадцать минут и сохраняла стабильность на протяжении 180 циклов.

По словам профессора Хи-Так Кима, это исследование стало важной вехой: понимание процессов на межфазном интерфейсе позволило устранить главный барьер на пути применения литий-металлических аккумуляторов в автопроме. Если дальнейшие испытания подтвердят надежность технологии, автомобили будущего смогут заряжаться почти так же быстро, как сегодня заправляются топливом.

Другие интересные новости:

▪ Найден самый мощный источник энергии

▪ Мобильный телефон Ericsson K850i

▪ Электрический беспилотный паром MF Estelle с автопилотом

▪ Набор Nubia Z50S Pro Starlight Imaging Kit

▪ Хорошая музыка способствует хорошей командной работе

Лента новостей науки и техники, новинок электроники

 

Интересные материалы Бесплатной технической библиотеки:

▪ раздел сайта Электроснабжение. Подборка статей

▪ статья Солнечная электростанция. История изобретения и производства

▪ статья За что был приговорен к смерти Сократ? Подробный ответ

▪ статья Глауциум желтый. Легенды, выращивание, способы применения

▪ статья Экономичный источник питания счетчика Гейгера. Энциклопедия радиоэлектроники и электротехники

▪ статья Еще один блок управления для Маяка на AT90S1200. Энциклопедия радиоэлектроники и электротехники

Оставьте свой комментарий к этой статье:

Имя:


E-mail (не обязательно):


Комментарий:





Главная страница | Библиотека | Статьи | Карта сайта | Отзывы о сайте

www.diagram.com.ua

www.diagram.com.ua
2000-2026