Бесплатная техническая библиотека
Светодиодные индикаторы

Энциклопедия радиоэлектроники и электротехники / Справочные материалы
Комментарии к статье
Конструкция светодиодных индикаторов несколько сложнее. Конечно, при использовании специальной микросхемы управления ее можно упростить до предела, но тут притаилась маленькая неприятность. Большинство таких микросхем развивает на выходе ток не более 10 мА и яркость светодиодов в условиях автомобиля может оказаться недостаточной. Кроме того, наиболее распространены микросхемы с выходами на 5 светодиодов, а это только "программа-минимум". Поэтому для наших условий схема на дискретных элементах предпочтительней, ее можно расширять без особых усилий.
Простейший индикатор на светодиодах (рис. 4) не содержит активных элементов и в питании поэтому не нуждается. Подключение - к магнитоле по схеме "mixed mono" или с разделительным конденсатором, к усилителю - "mixed mono" или напрямую.
Рис. 4
Схема предельно проста и не требует налаживания. Единственная процедура - подбор резистора R7. На схеме указан номинал для работы со встроенными усилителями головного устройства. При работе с усилителем мощностью 40...50 Вт сопротивление этого резистора должно быть 270...470 Ом. Диоды VD1...VD7 - любые кремниевые с прямым падением напряжения 0,7...1 В и допустимым током не менее 300 мА.
Светодиоды любые, но одного типа и цвета свечения с рабочим током 10...15 мА. Поскольку светодиоды "питаются" от выходного каскада усилителя, их количество и рабочий ток увеличить в этой схеме нельзя. Поэтому придется выбрать "яркие" светодиоды или найти для индикатора такое место, где он будет защищен от прямого освещения. Еще один недостаток простейшей конструкции - малый динамический диапазон.
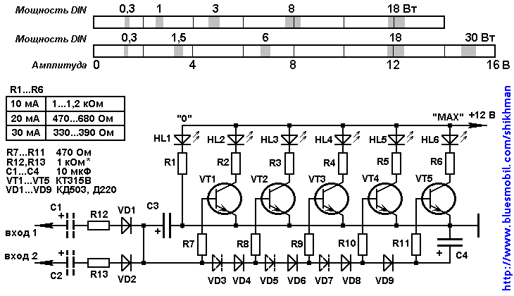
Для улучшения работы необходим индикатор со схемой управления. Помимо большей свободы в выборе светодиодов можно простыми средствами сформировать шкалу любого типа - от линейной до логарифмической, или "растянуть" только один участок. Схема индикатора с логарифмической шкалой приведена на рис. 5. Пунктиром показаны необязательные элементы.
Рис. 5 (нажмите для увеличения)
Светодиоды в этой схеме управляются ключами на транзисторах VT1...VT5. Пороги срабатывания ключей задают диоды VD3...VD9. Подбирая их количество, можно изменять динамический диапазон и тип шкалы. Общую чувствительность индикатора определяют резисторы на входе. На рисунке приведены примерные пороги срабатывания для двух вариантов схемы - с одиночными и "сдвоенными" диодами. В основном варианте диапазон измерения - до 30 Вт на нагрузке 4 Ом, с одиночными диодами - до 18 Вт.
Светодиод HL1 светится постоянно, он обозначает начало шкалы, HL6 - индикатор перегрузки. Конденсатор C4 задерживает на 0,3...0,5 сек погасание светодиода, что позволяет заметить даже кратковременную перегрузку. Накопительный конденсатор C3 определяет время обратного хода. Оно, кстати, зависит от количества светящихся светодиодов - "столбик" от максимума начинает спадать быстро,, а потом "притормаживает". Конденсаторы C1,C2 на входе устройства нужны только при работе со встроенным усилителем магнитолы. При работе с "нормальным" усилителем их исключают. Количество сигналов на входе можно увеличить, добавив цепочки из резистора и диода. Количество ячеек индикации можно увеличить простым "клонированием", главное ограничение - "пороговых" диодов должно быть не больше 10 и между базами соседних транзисторов должен быть хотя бы один диод.
Светодиоды можно использовать любые в зависимости от требований - от одиночных светодиодов до светодиодных сборок и панелей повышенной яркости. Поэтому на схеме приведены номиналы токоограничивающих резисторов для разных рабочих токов. К остальным деталям никаких специальных требований не предъявляется, транзисторы можно использовать практически любые структуры n-p-n с мощностью рассеяния на коллекторе не менее 150 мВт и двукратным запасом по току коллектора. Коэффициент передачи тока базы этих транзисторов должен быть не менее 50, а лучше - больше 100.
Эту схему можно несколько упростить, при этом в качестве побочного эффекта появляются новые свойства, весьма полезные для наших целей (рис. 6).
Рис. 6
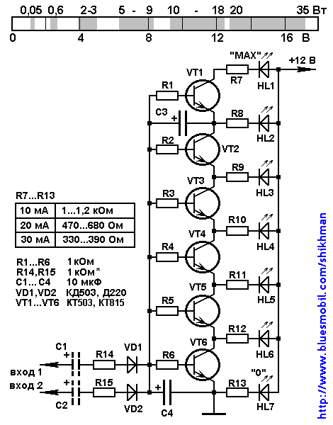
В отличие от предыдущей схемы, где транзисторные ячейки были включены параллельно, здесь использовано последовательное включение "столбиком". Пороговыми элементами являются сами транзисторы и открываются они по очереди - "снизу вверх". Но в данном случае порог срабатывания зависит от напряжения питания. На рисунке показаны примерные пороги срабатывания индикатора при напряжении питания 11 В (левая граница прямоугольников) и 15 В (правая граница). Видно, что с ростом напряжения питания больше всего смещается граница индикации максимальной мощности. В случае использования усилителя, мощность которого зависит от напряжения аккумулятора (а таких немало), подобная "автокалибровка" может принести пользу.
Однако плата за это - возросшая нагрузка на транзисторы. Через нижний по схеме транзистор протекает ток всех светодиодов, поэтому при использовании индикаторов с током более 10 мА транзисторы тоже потребуются соответствующей мощности. "Клонирование" ячеек еще более увеличивает неравномерность шкалы. Поэтому 6-7 ячеек - это предел. Назначение остальных элементов и требования к ним - те же, что и в предыдущей схеме.
Слегка модернизировав эту схему, получим другие свойства (рис. 7). В этой схеме в отличие от ранее рассмотренных, нет светящейся "линейки". В каждый момент времени светится только один светодиод, имитируя движение стрелки по шкале. Поэтому потребление энергии минимально и в этой схеме можно применить маломощные транзисторы. В остальном схема не отличается от рассмотренных ранее.

Пороговые диоды VD1...VD6 предназначены для надежного отключения неработающих светодиодов, поэтому если будет наблюдаться слабая засветка лишних сегментов, необходимо использовать диоды с большим прямым напряжением или включить последовательно по два диода. "Клонирование" ячеек уменьшает яркость свечения верхних по схеме сегментов, для устранения этого вместо резистора R9 нужно вводить генератор тока. А мы договорились - не усложнять. Поэтому в данном случае 8 ячеек - это максимум.
Автор: А. Шихатов; Публикация: bluesmobile.com/shikhman
Смотрите другие статьи раздела Справочные материалы.
Читайте и пишите полезные комментарии к этой статье.
<< Назад
Последние новости науки и техники, новинки электроники:
Хорошо управляемые луга могут компенсировать выбросы от скота
15.02.2026
Животноводство, особенно разведение крупного рогатого скота, часто обвиняют в значительном вкладе в глобальное потепление из-за мощного парникового газа - метана, который выделяется при пищеварении у жвачных животных. Это вызывает острые политические споры и призывы к сокращению потребления мяса. Однако ученые напоминают, что полная картина климатического воздействия отрасли не ограничивается только выбросами от животных: огромную роль играет окружающая экосистема - пастбища, почва и растительность, которые способны активно поглощать углекислый газ из атмосферы.
Исследователи из Университета Небраски-Линкольна решили глубже изучить этот баланс. Группа под руководством профессора Галена Эриксона сосредоточилась на том, как правильно организованные пастбища накапливают углерод в растениях и грунте благодаря естественным процессам, стимулируемым выпасом скота. Ученые подчеркивают, что при достаточном уровне осадков и грамотном управлении такие луга превращаются в мощные природные погло ...>>
NASA тестирует инновационную технологию крыла
15.02.2026
Коммерческая авиация ежегодно расходует колоссальные объемы керосина, что сказывается не только на бюджете авиакомпаний, но и на состоянии окружающей среды. В 2024 году глобальные затраты на авиационное топливо достигли 291 миллиарда долларов, и эта сумма продолжает расти. Чтобы справиться с этими вызовами, NASA активно работает над технологиями, способными заметно повысить аэродинамическую эффективность самолетов. Одним из самых перспективных направлений стало создание специальной конструкции крыла, которая максимизирует естественный ламинарный поток воздуха и минимизирует сопротивление.
В январе 2026 года специалисты NASA Armstrong Flight Research Center успешно провели важный этап наземных испытаний концепции Crossflow Attenuated Natural Laminar Flow (CATNLF). Для эксперимента под фюзеляж исследовательского самолета F-15B закрепили вертикально ориентированную масштабную модель высотой около 0,9 м (3 фута), напоминающую узкий киль. Такая компоновка позволила подвергнуть прототип р ...>>
Забота о внуках очень полезна для здоровья мозга
14.02.2026
Общение между поколениями приносит радость всей семье, но мало кто задумывается, насколько активно бабушки и дедушки, заботящиеся о внуках, поддерживают свою умственную форму. Регулярное взаимодействие с детьми стимулирует мозг пожилых людей, помогая сохранять память, скорость мышления и общую когнитивную активность.
Новые научные данные подтверждают, что такая добровольная помощь не только важна для общества, но и может замедлять возрастные изменения в мозге.
Исследователи из Тилбургского университета в Нидерландах провели анализ, чтобы понять, приносит ли уход за внуками реальную пользу здоровью пожилых людей. Ведущий автор работы Флавия Черечес отметила, что многие бабушки и дедушки регулярно присматривают за детьми, и оставался открытым вопрос, насколько это положительно сказывается на их собственном благополучии, особенно в плане когнитивных функций.
Ученые поставили цель выяснить, способен ли регулярный уход за внуками замедлить снижение памяти и других умственных способ ...>>
Случайная новость из Архива Лошади общаются с помощью мимимки
14.06.2025
Понимание невербальных сигналов у животных становится все более важной областью исследований, поскольку именно через мимику и поведение многие виды передают свои эмоции и намерения. Лошади, как социальные и чувствительные животные, также обладают богатым репертуаром мимических движений, с помощью которых общаются друг с другом. Новые исследования раскрывают, насколько сложными и разнообразными могут быть выражения их лиц в различных социальных ситуациях.
В отличие от предыдущих исследований, где изучение мимики лошадей часто проходило в искусственно созданных условиях, например, когда животным ограничивали доступ к корму, новое исследование швейцарских ученых прошло в более естественной обстановке. Используя Систему кодирования мимических движений лошадей (EquiFACS), специалисты проанализировали более 72 часов видеозаписей, чтобы подробно рассмотреть, как меняется мимика у 36 домашних лошадей в процессе разных социальных взаимодействий.
Результаты показали, что лошади используют мышцы лица - в том числе вокруг ноздрей, губ и глаз - чтобы выражать свои эмоции и состояния. Ученые разделили наблюдаемые выражения на несколько категорий: дружелюбные, игривые, агрессивные и внимательные. Интересно, что хотя многие мимические движения появлялись во всех типах взаимодействий, определенные выражения были характерны именно для конкретных ситуаций.
Так, в спокойном и дружеском общении лошади чаще всего выдвигали нос вперед, что можно рассматривать как признак расслабления и доброжелательности. Напротив, в моменты концентрации и внимания уши у животных направлялись вперед и плотно прижимались друг к другу, показывая усиленную сосредоточенность на внешних раздражителях.
Во время конфликтных ситуаций мимика приобретала более выраженный агрессивный характер: уши отводились назад и прижимались, внутренние части бровей поднимались, ноздри расширялись, а голова опускалась вниз, создавая грозное впечатление. В игровых моментах наблюдались совершенно иные выражения - опущенная нижняя губа, поднятый подбородок, приоткрытые губы и широко раскрытый рот. Уши поворачивались назад, а голова была поднята или повернута вправо, что сопровождалось увеличением видимой части белка глаза.
Ученые подчеркивают, что для правильного понимания настроения и намерений лошади недостаточно оценивать только один аспект ее мимики, например, положение ушей. Необходимо рассматривать всю комбинацию сигналов, чтобы получить полноценное представление о ее состоянии и реакции. Это открывает новые возможности в общении с этими животными, а также может помочь в улучшении условий их содержания и взаимодействия с человеком.
Исследование демонстрирует, что мимика лошадей - это сложный язык выражений, который помогает им эффективно коммуницировать в разных социальных ситуациях. Понимание этих сигналов важно не только для ученых, но и для всех, кто работает с лошадьми, так как это способствует более глубокому и уважительному контакту между человеком и животным.
|
Другие интересные новости:
▪ Цифровой Поляроид
▪ Thubber: сверхэластичная резина со свойствами металла
▪ Эффективный ветряк-труба
▪ Компьютер сковывает фантазию конструктора
▪ Планшет Toshiba Thrive
Лента новостей науки и техники, новинок электроники
Интересные материалы Бесплатной технической библиотеки:
▪ раздел сайта Дозиметры. Подборка статей
▪ статья Зоны действия негативных факторов. Основы безопасной жизнедеятельности
▪ Какое влияние оказал экономический кризис 1974-1975 гг на развитие западной цивилизации? Подробный ответ
▪ статья Техническое освидетельствование и диагностирование подземных резервуаров. Типовая инструкция по охране труда
▪ статья Доработка акустической системы Microlab B-72. Энциклопедия радиоэлектроники и электротехники
▪ статья Простой стабилизатор напряжения с защитой от КЗ, 15-38 вольт 3 ампера. Энциклопедия радиоэлектроники и электротехники
Оставьте свой комментарий к этой статье:
Главная страница | Библиотека | Статьи | Карта сайта | Отзывы о сайте

www.diagram.com.ua 2000-2026
|