Menu Home

Бесплатная техническая библиотека для любителей и профессионалов Бесплатная техническая библиотека


Фронтальный бас автомобильной акустической системы. Энциклопедия радиоэлектроники и электротехники

Бесплатная техническая библиотека

Энциклопедия радиоэлектроники и электротехники / Акустические системы

Комментарии к статье Комментарии к статье

"Всякий необходимо приносит пользу, будучи употреблен на своем месте". К. Прутков

Отношение к недорогим компонентам в автозвуковой среде носит налет снобизма. Да, с крутыми марками работать проще, хитрости не нужны. Но это не спортивный подход. Гораздо интереснее добиваться высоких результатов с общедоступными компонентами. В плане пропаганды автозвукового движения "вширь" это более действенный метод, надо учиться у большевиков. "Мир хижинам, война дворцам!".

Одна из целей, поставленных мной при создании этой аудиосистемы - доказать, что высококачественное звучание не обязательно требует вложения огромных средств. Залог успеха - правильно выбранная концепция и комплексный подход к ее реализации. Концепция этой установки - трехполосный фронт с полноценным басом, максимально широкая полоса средних частот, поддержка пищалок и сабвуфера только на границах рабочего диапазона частот. Это аксиома.

Полноценный фронтальный бас можно получить только в одном случае - корпусные акустические системы должны стоять под сиденьями. Ни один вариант дверной установки не обеспечивает полноценное воспроизведение басовой атаки. При существующем расположении слушателей вблизи одного из динамиков и поперечном распространении звуковой волны происходит компенсация самого "вкусного" участка диапазона. Разворот динамиков в дверях, высокая "борода" снижают остроту проблемы, но не решают ее полностью. Для этого излучение акустических систем должно быть направлено вдоль салона, и самое логичное - установить АС под передними сиденьями в жестком корпусе. (К вопросу экономии - отпадает проблема вибродемпфирования и герметизации дверей).

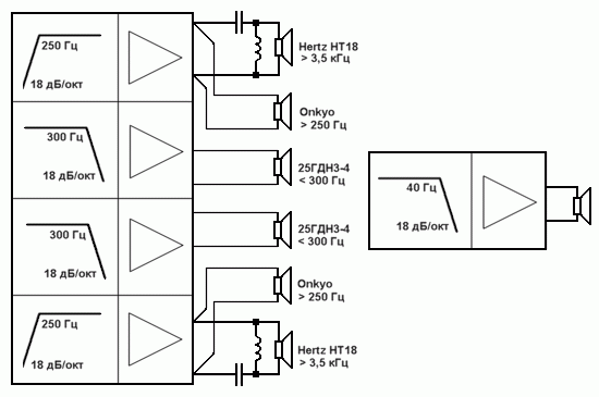
Полоса рабочих частот мидбаса под сиденьем акустически ограничена сверху значением 500-800 Гц, поэтому трехполосная акустика - жестокая необходимость, а не прихоть. Кроме того, для получения хорошего тонального баланса и слитной звуковой сцены, без хаотически перемещающихся инструментов, частоту раздела полос НЧ и СЧ нужно выбирать не выше 300 Гц.

Следующий момент - размещение среднечастотных динамиков. Известны три варианта: двери, кикпанели, торпедо. Установка СЧ в двери имеет смысл только при полулежачей посадке водителя, в противном случае динамик оказывается слишком близко и звучание привязано к нему. Установка в кикпанели лишена этого недостатка, но края звуковой сцены заметно опущены. Если править сцену высоко установленными пищалками - неизбежно "разбегание" инструментов по высоте.

При низкой частоте раздела НЧ-СЧ самый перспективный вариант - установка среднечастотников в торпедо с излучением вверх. Это обеспечивает стабильную по высоте сцену. Кроме того, в этом варианте можно установить пищалки рядом со среднечастотниками, или даже установить коаксиальные головки, реализовав идею когерентного излучателя. При этом желательно использовать головки с бумажным диффузором - только он обеспечивает наиболее естественное звучание средних частот. Поскольку бумажные диффузоры небольшого размера не подвержены зонному эффекту, полосу рабочих частот можно не ограничивать сверху, что опять же упрощает задачу - не нужен кроссовер.

Кстати, о кроссоверах. Пассивные кроссоверы - это прошлый век. Кроме того, ни в одной готовой трехполосной акустической системе частоты раздела 300 Гц нет - мотать колоссальные катушки и ставить конденсаторы на сотни микрофарад невыгодно, не говоря уже о том, что на комплексную нагрузку каждый усилитель реагирует по-разному. Поэтому для фронтальной акустики нужно использовать двухполосное усиление, это не только удобнее, но и дешевле. Раздел полос НЧ и СЧ/ВЧ производится активными фильтрами, выделение полосы пищалки - пассивным фильтром.

Фронтальный бас автомобильной акустической системы, структура тракта

Эта концепция разработана давно и неоднократно проверена на автомобилях разных марок. Однако хотелось сделать не претенциозный демо-кар для выставок, а простой повседневный автомобиль, который было бы не стыдно показать. Поэтому ключевые моменты инсталляции должны быть доступны для обозрения, а функциональность автомобиля - полностью сохранена. Дополнительное условие - минимальное вмешательство в конструкцию и скромные трудозатраты. Начались поиски автомобиля, который удовлетворил бы этим непростым условиям.

И такой автомобиль нашелся - Renault Kangoo. Высокие передние сиденья, идеально расположенные места под динамики в торпедо, прекрасная эргономика. Кроме того, в данной версии автомобиля нет левой задней двери, поэтому боковина салона самой судьбой предназначена для размещения компонентов аудиосистемы. Спартанская отделка салона, металлические элементы и фантастический обзор вызывают ассоциации с кабиной старинного бомбардировщика. Учитывая мою страсть к авиации, визуальное решение инсталляции пришло сразу - алюминий, панели, блестящие болты. Все работы выполнены своими силами в гараже и не требуют высокой квалификации и спецоборудования.

Фронтальный бас автомобильной акустической системы, метры и герцы
Благодаря высокому потолку салон автомобиля обладает специфической передаточной функцией. Чтобы нейтрализовать возможные низкочастотные резонансы, АС НЧ-звена установлены несимметрично, с разным направлением излучения. Правая АС установлена ближе к переднему обрезу подушки сиденья и излучает сигнал вперед-вверх. Левая АС сдвинута к заднему обрезу сиденья и излучает сигнал параллельно полу. Во-первых, это практически уравнивает путь звуковой волны до водительского места, во-вторых - "размывает" акустический резонанс.

Фронтальный бас автомобильной акустической системы, ящик Достоевского

Низкочастотные головки - отечественные 25ГДН3-4. При всем желании найти им адекватную замену пока не удалось - несмотря на все богатство ассортимента современных динамиков, 13-см головки выпускаются исключительно в "дверном" исполнении. Здесь же использован фазоинверторный корпус объемом 7 литров, частота настройки порта - 45 Гц (конструкция О. Леонова). Корпуса низкочастотных акустических систем изготовлены из ДСП, снаружи обтянуты кожзаменителем. Боковины оформлены накладками из МДФ, окрашенными в черный цвет. Каждая акустическая система жестко связана с каркасом сиденья и двигается вместе с ним.

Среднечастотные динамики установлены в штатных местах торпедо. Бумажный диффузор обеспечивает наиболее естественное звучание, но поиски подходящего динамика были долгими. Требовались головки диаметром 10 см, с легким (обязательно бумажным, не картонным) диффузором, достаточно большим ходом и компактной магнитной системой. Последнее условие продиктовано конструкцией торпедо. Конкурс, в котором участвовали и домашние, и автомобильные головки разных производителей выиграли Onkyo (штатные динамики KIA). Благодаря обращенному гофру и жесткому пылезащитному колпачку они уверенно воспроизводят сигнал до 10 кГц. Вот еще одно доказательство того, что штатные динамики не всегда плохи, надо просто правильно их использовать.

Пищалки тоже прошли своего рода кастинг. При столь широкой полосе СЧ от них требуется воспроизведение только верхнего участка диапазона, поэтому выбор пал на пищалки Hertz с алюминиевым куполом и комплектным кроссовером. Они установлены на защитной решетке по кроссаксиальной схеме, получился фактически точечный излучатель. Звуковая сцена на верхних частотах формируется комбинацией двух сигналов: отраженного от стекла и рассеянного сигнала среднечастотника, и прямого сигнала пищалки. На средних частотах сцену формирует в основном прямой сигнал среднечастотника (диаграмма направленности в этом диапазоне достаточно широкая).

В системе использован усилитель бюджетного класса Prology PAS-4100 с незначительными доработками.(Подробно доработки описаны в статье "Твикаем усилитель" - "Мастер 12 вольт" № 56). Изменены частоты раздела встроенного кроссовера, увеличен ток покоя, чувствительность намеренно снижена (выход головного устройства - 2 В). Хотя максимальная мощность усилителя составляет 4х100 Вт, мощность каждого канала ограничена на уровне 25-30 Вт. Большой динамический запас мощности обеспечивает неискаженное воспроизведение импульсных сигналов (щипок струны, ударные инструменты). На живых записях великолепно передается атмосфера зала.

Хотя фронт уверенно воспроизводит частоты от 45 Гц, для поддержки басового диапазона необходим сабвуфер. Использован активный саб Prology AT-1200, он установлен в багажнике и закреплен винтовыми талрепами. Скобы для крепления багажа в багажнике уже были, оставалось только установить на сабвуфер рым-болты. Для подключения питания использована обычная силовая розетка для электроплит (380 В х 40 А). Освободить багажник для груза можно за две минуты.

Наконец, головное устройство. Я перепробовал массу "голов", и выбор однодинового DVD-проигрывателя Prology DVD-100B не случаен. Качество картинки очень хорошее, но для меня главное не это. По сравнению с традиционными CD-ресиверами качество звучания DVD-100 неизмеримо выше, а возможность просмотра видеозаписей - приятное дополнение за эти деньги. Музыку по радио я никогда не слушаю (ну не могу я, не могу терпеть это издевательство над ушами), поэтому приемник мне не требуется. А новости при наличии телевизора можно узнать без лишних хлопот. (Подробнее о DVD-100B)

Поиски телевизора, наоборот, были недолгими. Практически сразу я остановился на модели Premiera RTR-800Z. Во-первых, это максимальная диагональ (8,4'), которую можно получить за разумные деньги, плюс отличная "картинка". Во-вторых, строгий дизайн, логичное управление, русскоязычное меню, неплохой тюнер и даже "Тетрис". В-третьих, он прекрасно вписался на отведенное ему место в середине торпедо. Экран не перекрывает обзор, и в то же время водитель всегда может взглянуть на него, не отрываясь от дороги. Для установки понадобилось только изготовить кронштейн ("ножка" из комплекта не прошла по габаритам). Снять и спрятать монитор в "вандалоопасных" местах можно за считанные секунды.

В цепи питания установлен конденсатор Prology CAP-1 емкостью 1 Ф, силовая проводка выполнена кабелями 4 и 8 калибра (Prology и DAXX, дистрибьюторы DAXX). В системе единственная точка заземления - на минусовой клемме конденсатора. Акустические кабели - Prology, Oehlbach. Сигнальный кабель самодельный, витая пара в экране (Canare). Его пришлось дважды перекладывать, прежде чем удалось избавиться от наводок бензонасоса.
Установка компонентов не заняла много времени: все было подготовлено заранее. Для установки усилителя штатная боковина салона заменена фанерной, обтянутой кожзаменителем в тон к остальному салону. Панель по периметру притянута болтами к корпусу, усилитель крепится к панели при помощи усовых гаек.
Управляющий выход головного устройства умощнен реле SATURN. Это позволяет включать дополнительные нагрузки (например, подсветку). После реле управляющий сигнал коммутируется переключателем так, что возможны три варианта работы усилителей:

  • Усилители выключены (демонстрация видеосистемы)
  • Только сабвуфер (соревнования по SPL)
  • Сабвуфер и фронтальная акустика (для повседневного употребления)
Усилия не пропали даром. Во время соревнований по качеству звучания в рамках фестиваля "Автоэкзотика" автомобиль занял 2 место в классе 400-600 Вт, набрав 118 очков по методике FSQ. Заметьте, что шумовиброизоляция автомобиля еще не делалась.

Фронтальный бас автомобильной акустической системы, АС в сборе Фронтальный бас автомобильной акустической системы, установка АС под сиденьем

Фронтальный бас автомобильной акустической системы, несимметричное разположение АС Фронтальный бас автомобильной акустической системы, СЧ головка Onkyo

Фронтальный бас автомобильной акустической системы, пищалка Hertz Фронтальный бас автомобильной акустической системы, расположение сабвуфера

Фронтальный бас автомобильной акустической системы, органы управленияФронтальный бас автомобильной акустической системы, установка конденсатора

Фронтальный бас автомобильной акустической системы, новая профессия бытовой розеткиФронтальный бас автомобильной акустической системы, усилитель PAS-4100

Фронтальный бас автомобильной акустической системы, там кронштейн летит пробитыйФронтальный бас автомобильной акустической системы, монтажная схема

Розничные цены

Телевизор Premiera RTR-800Z 325$
Головное устройство Prology DVD-100B 169$
Активный сабвуфер Prology AT-1200 149$
Усилитель Prology PAS-4100 99$
Пищалки Hertz HT18X 32$
СЧ Onkyo ~15$
НЧ 25ГДН3-4 ~20$
Проводка ~70$
Монтажные и отделочные материалы ~70$
ИТОГО 949$

Фронтальный бас автомобильной акустической системы

вот она какая

Фотоматериалы, не вошедшие в журнальный вариант статьи

Фронтальный бас автомобильной акустической системы, салазки водительского сиденья и проводка Фронтальный бас автомобильной акустической системы, примерка боковиныФронтальный бас автомобильной акустической системы, этап монтажа силовой проводки

Фото А.Б.Тихомиров и местами А.И.Шихатов

Автор: А. Шихатов; Публикация: bluesmobile.com/shikhman

Смотрите другие статьи раздела Акустические системы.

Читайте и пишите полезные комментарии к этой статье.

<< Назад

Последние новости науки и техники, новинки электроники:

Польза белкового завтрака 14.01.2026

Правильное питание по утрам играет ключевую роль в поддержании здоровья и контроле веса. Многочисленные исследования подтверждают, что состав завтрака может влиять на аппетит в течение всего дня и качество употребляемой пищи. Австралийские ученые провели масштабный эксперимент, который показал, что употребление белковой пищи с утра помогает дольше чувствовать сытость и предотвращает переедание. В исследовании участвовали более 9 тысяч человек среднего возраста 46 лет. В период с 2011 по 2012 год специалисты анализировали рационы респондентов, оценивая долю основных макронутриентов. В среднем участники потребляли 43% углеводов, 31% жиров, 18% белков, 2% клетчатки и 4% алкоголя. Такой рацион позволил ученым проследить взаимосвязь между утренним приемом пищи и пищевым поведением в течение дня. Выяснилось, что участники, чей завтрак содержал недостаточное количество белка, ощущали повышенный аппетит в течение дня. Они ели больше, чем необходимо, и часто выбирали продукты с высоким со ...>>

Технология SmartPower HDR 14.01.2026

Ноутбуки стремительно развиваются в плане графики и мультимедийных возможностей, но яркие дисплеи с высоким динамическим диапазоном (HDR) часто становятся серьезной нагрузкой для аккумуляторов. Длительная работа с видео высокого качества или играми в HDR приводит к быстрой разрядке батареи, что ограничивает мобильность пользователей и снижает комфорт работы. Решить эту проблему призвана новая технология SmartPower HDR, разработанная совместно компаниями Samsung Display и Intel. Суть технологии заключается в динамическом управлении напряжением OLED-панелей. Чипсет ноутбука в реальном времени анализирует пиковую яркость каждого кадра и передает эти данные контроллеру дисплея, который оптимизирует подачу напряжения в зависимости от количества активных пикселей. В отличие от традиционных режимов HDR, где яркость часто фиксируется на максимальном уровне, SmartPower HDR адаптируется к конкретному контенту, что снижает энергопотребление без потери качества изображения. Технология позвол ...>>

Недосып существенно сокращает жизнь 13.01.2026

Сон является одной из самых фундаментальных потребностей человека. Он влияет на обмен веществ, работу сердца и мозга, иммунитет и общее самочувствие. Современный ритм жизни часто заставляет людей жертвовать сном ради работы, учебы или развлечений, но ученые предупреждают: регулярный недосып может иметь далеко идущие последствия для здоровья и долголетия. Исследователи из Орегонского университета здравоохранения и науки пришли к выводу, что сон менее семи часов в сутки связан с сокращением продолжительности жизни. По данным специалистов, хроническая нехватка сна не только вызывает усталость и снижение работоспособности, но и постепенно сказывается на здоровье органов и систем, увеличивая риски развития различных заболеваний. Для анализа ученые использовали обширную национальную базу данных США, сопоставляя показатели ожидаемой продолжительности жизни на уровне штатов с результатами опросов Центров контроля и профилактики заболеваний за период с 2019 по 2025 годы. Они учитывали мно ...>>

Случайная новость из Архива

Хирургические операции по пятницам более опасны 24.02.2025

Медицинские исследования выявили тревожную тенденцию: хирургические операции, проводимые в пятницу, связаны с повышенным риском осложнений и даже смертности. Это открытие вызывает серьезные вопросы о планировании операций и распределении ресурсов в медицинских учреждениях.

Американские исследователи, проанализировав данные почти 430 тысяч пациентов, оперировавшихся в канадской провинции Онтарио в период с 2007 по 2019 год, обнаружили, что вероятность неблагоприятных послеоперационных последствий, включая смерть, повторную госпитализацию и осложнения, увеличивается на 5% для пациентов, оперируемых в пятницу. Это касается как плановых, так и экстренных операций и наблюдается в различных хирургических специальностях.

"Мы изучили как плановые, так и экстренные процедуры, проанализировали вклад различных факторов, включая опыт врачей, и рассмотрели краткосрочные, среднесрочные и долгосрочные результаты", - пояснил один из авторов исследования, Ватсала Мундра.

Эти выводы подтверждаются и другими исследованиями. Например, в Нидерландах исследование 2015 года выявило 20% увеличение 30-дневной смертности у пациентов, оперируемых в пятницу, по сравнению с понедельником. Метаанализ 2018 года, охвативший данные более 8 миллионов пациентов по всему миру, показал еще более высокий риск: пятничные операции оказались на 24% более смертельными, чем понедельничные.

Ученые объясняют этот феномен несколькими факторами. Во-первых, накануне выходных сокращается численность медицинского персонала, что может привести к тому, что осложнения не будут вовремя замечены и устранены. "Неукомплектованная команда выходных может быть менее склонна выявлять и реагировать на острые осложнения на ранней стадии их развития", - говорится в исследовании.

Во-вторых, в пятницу в операционной чаще работают молодые и менее опытные хирурги. В-третьих, медицинский персонал, работающий в выходные дни, может быть менее знаком с историей болезни пациентов, а также могут возникнуть проблемы с доступом к необходимым тестам и оборудованию.

"Два дня перегруженного, менее опытного персонала, с уменьшенной способностью диагностировать и лечить пациентов и с худшим знанием диагнозов и анамнеза пациентов, за которых они отвечают? Немного удивляет, что риск не растет больше", - отмечают исследователи.

Другие интересные новости:

▪ Раскрыт секрет походки динозавров

▪ Электровелосипед Fiido Titan

▪ Энергопотребление дисплеев OLED уменьшится

▪ На Уране идет алмазный дождь

▪ Кишечные бактерии повышают выносливость

Лента новостей науки и техники, новинок электроники

 

Интересные материалы Бесплатной технической библиотеки:

▪ раздел сайта Афоризмы знаменитых людей. Подборка статей

▪ статья И он пришел, плебей безвестный! Крылатое выражение

▪ статья Как зовут главного героя повести Пушкина Пиковая дама? Подробный ответ

▪ статья Борщевник обыкновенный. Легенды, выращивание, способы применения

▪ статья Внешние источники электромагнитных излучений. Энциклопедия радиоэлектроники и электротехники

▪ статья Стабилизатор скорости вращения электродвигателей типов ДПР, ДПМ и других. Энциклопедия радиоэлектроники и электротехники

Оставьте свой комментарий к этой статье:

Имя:


E-mail (не обязательно):


Комментарий:





Главная страница | Библиотека | Статьи | Карта сайта | Отзывы о сайте

www.diagram.com.ua

www.diagram.com.ua
2000-2026