Menu Home

Бесплатная техническая библиотека для любителей и профессионалов Бесплатная техническая библиотека


Передающая приставка TURBO-TEST. Энциклопедия радиоэлектроники и электротехники

Бесплатная техническая библиотека

Энциклопедия радиоэлектроники и электротехники / Гражданская радиосвязь

Комментарии к статье Комментарии к статье

Передающая приставка к радиоприемнику "TURBO-TEST" (см. "КВ журнал", 1993, №1, с.23-27 и №2- 3, с. 31-35) предназначена для работы СW и SSB на любительских КВ диапазонах 1,8; 3,5; 7; 10; 14; 18; 21; 24; 28 МГц. Выходная мощность на всех вышеуказанных диапазонах - не менее 10 Вт. Передающий тракт рассчитан на нагрузку сопротивлением 75 Ом. Питание - от сети переменного тока 220 В 50 Гц.

Принципиальная схема приставки показана на рис.1. При работе SSB сигнал звуковой частоты с микрофона через регулятор уровня R1 поступает на вход микрофонного усилителя (микросхема DA1). Фильтр нижних частот L1C3 ослабляет высокочастотные наводки от собственного передатчика на вход микрофонного усилителя и тем самым уменьшает опасность его самовозбуждения. С выхода этого усилителя через дополнительный ФНЧ (L2C8C9) сигнал подается на кольцевой диодный модулятор на диодах VD1-VD4. "Неполярный" разделительный конденсатор на выходе микрофонного усилителя (конденсаторы С6С7, включенные последовательно) предотвращает разбаланс модулятора из-за изменения с течением времени сопротивления утечки оксидного конденсатора.

Передающая приставка TURBO-TEST
(нажмите для увеличения)

Передающая приставка TURBO-TEST

Таблица

Обозначение по схеме Число витков Провод Каркас, мм Тип магнитопровода Примечание
L1 100 ПЭЛ 0,16 МЛТ-0,5 1МОм - Внавал на резисторе
L3 9 ПЭЛШО 0,16 5 МР-20-2 ПР №2 Поверх L4
L4 29 - " - 5 - " - Внавал
L5 29 - " - 5 - " - Внавал, отвод от 9-го витка снизу
L6 15 - " - 5 - " - Поверх L5
L7 29 - " - 5 - " - Внавал, отвод от 9-го витка снизу
L11 29 - " - 5 - " - Внавал
L12 10 - " - 5 - " - Поверх L11
T2
I
II
2,58 МГТФ 0,35 - М600НН

К10х6х5
См. рис. 7

С опорного кварцевого гетеродина, который собран на транзисторе VT8, на модулятор подается высокочастотное напряжение частотой 9 МГц . Подстроечный резистор R10 и подстроечный конденсатор С10 служат для балансировки модулятора.

Сформированный DSB сигнал поступает на первый затвор транзистора VT1 усилителя ПЧ. На второй затвор этого транзистора с резистора R59 подается управляющее напряжение 0...+ 5 В (регулировка усиления высокочастотных каскадов приставки). С контура L5C15, включенного в стоковую цепь транзистора VT1, усиленный DSB сигнал поступает на фильтр основной селекции.

Четырехкристальный кварцевый фильтр на резонаторах ZQ1-ZQ4 выделяет одну боковую полосу и подавляет остатки несущей. Сигнал усиливается вторым каскадом ПЧ (на транзисторе VT2) и далее поступает на смеситель. Он выполнен на транзисторах VT3 и VT4 по так называемой "квазибалансной схеме". Сигнал ГПД (используется сигнал гетеродина приемника) через конденсатор C30 подается на затвор транзистора VТ4.

Сигнал радиочастоты снимается со стоков транзисторов VТЗ, VТ4 и затем усиливается широкополосным каскадом, выполненном на транзисторе VТ5, включенном по схеме с общей базой. Его низкое входное сопротивление обеспечивает хорошую устойчивость смесителя, высокое выходное сопротивление в сочетании с высоким входным сопротивлением следующего каскада обеспечивает хорошую фильтрацию побочных сигналов одиночным контуром L10C36. Далее сформированный на рабочей частоте сигнал усиливается трехкаскадным усилителем мощности. Первый каскад - регулируемый усилитель на полевом транзисторе (VT6), второй - эмиттерный повторитель (VT7), третий - оконечный (VT13, VТ14) на двух транзисторах, включенных по каскодной схеме.

Нагрузкой оконечного каскада служит повышающий трансформатор Т2, с которого сигнал, через контакты К2.1 реле К2, поступает на П-контур L14C69-C77. Такое схемное решение позволило применить в П-контуре настроечный конденсатор С69С70 небольшой емкости, получить высокую добротность П-контура (что благоприятно сказывается на спектральной чистоте выходного сигнала) и уменьшить критичность усилителя к длине соединительных проводников (повысить устойчивость к самовозбуждению). С выхода П-контура сигнал РЧ поступает через гнездо XW1 в антенну. В режиме приема контакты реле К2 подключают антенный вход приемника через П-контур к антенне XW1. В режиме передачи антенных вход приемника соединен с общим проводом.

В коллекторную цепь транзистора VT13 включен амперметр PA1. По минимуму его показаний П-контур настраивают на рабочую частоту.

В телеграфный режим приставку переключают тумблером SA1. При этом напряжение питания подается на телеграфный кварцевый гетеродин, выполненный на биполярном транзисторе VТ9, а с микрофонного усилителя и опорного кварцевого гетеродина оно снимается. Манипулируют генератор по цепи коллектора (выключатель SA2 имитирует на схеме телеграфный ключ). Работа в CW режиме в остальном аналогична работе приставки в режиме SSВ.

Блок питания приставки включает в себя трансформатор питания Т1, два выпрямителя (VD5-VD8, VD9- VD12) и стабилизатор напряжения (DA2, VD13, VT10-VT12).

Нестабилизированные напряжения +40 В и +20 В использованы соответственно для питания выходного каскада усилителя мощности и обмоток реле K1 и К2. Стабилизированное напряжение +12 В - для питания остальных каскадов приставки.

Резистором R55 ("СК" - самоконтроль) регулируют усиление приемника "TURBO-TEST" в режиме передачи, устанавливая необходимый уровень самопрослушивания своего сигнала при работе телеграфом. Через этот же резистор закрывают приемный тракт в режиме передачи при работе SSB. Резистор R55 подключают к цепи АРУ приемника (к коллектору транзистора VТ13 приемника "TURBO-TEST").

Основная часть деталей передающей приставки установлена на пяти печатных платах, выполненных из фольгированного стеклотекстолита толщиной 1,5 мм. Рисунки печатных плат и расположение радиодеталей на них показаны на рис. 2-6. На основной плате (рис. 2) смонтированы каскады ПЧ, ФОС, телеграфного гетеродина, смесителя и ШПУ. Также на этой плате предусмотрена возможность установки дополнительных четырех кварцевых резонаторов для реализации восьмикристального кварцевого фильтра.

Передающая приставка TURBO-TEST

Плата на рис. 3 - опорный кварцевый генератор, плата на рис. 4 - микрофонный усилитель и модулятор, плата на рис. 5 - первый и второй каскады УМ, плата на рис. 6 - выпрямители и стабилизатор.

Передающая приставка TURBO-TEST Передающая приставка TURBO-TEST Передающая приставка TURBO-TEST

Передающая приставка TURBO-TEST

Оконечный каскад усилителя мощности выполнен навесным способом в отдельном отсеке, экранированном алюминиевыми перегородками. Детали П-контура установлены также в отдельном экранированном отсеке. В приставке применены широко распространенные радиодетали: постоянные резисторы MЛT, переменные СП3-9а, СП3-1б, СП3-4, конденсаторы КМ, КТ, К50-6, К53-4, КПК-МП. Конденсатор C36 типа КВП-100 (КПВ-125, КПВ-140). Сдвоенный блок КПЕ С69С70 - от радиоприемника "Альпинист". Переключатели SA4 - галетный 11П3Н, SA1, SA3 - микротумблер МТ-1. Реле К1 типа РЭС22 (паспорт РФ4.500.131), реле К2 типа РЭС54 (паспорт ХП4.500.011-02)

Транзисторы КП350Б можно заменить на КП306, КП303Е на КП307, КТ603Б на КТ608, КТ660 (с любыми буквенными индексами), КТ306Б на КТ342Б, КТ361Б на КТ363А(Б), П216 на П217.

Прибор PA1 - миллиамперметр с током полного отклонения не менее 500 мА.

Намоточные данные катушек и трансформатора Т2 приведены в таблице. Дроссели L2 (индуктивность - 200 мкГн±5%), L8 и L9 (30 мкГн±5%), L13 (160мкГн±5%) - унифицированные ДМ 0,2.

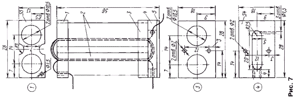
Конструкция трансформатора Т2 показана на рис. 7. Его магнитопровод 2 составлен из двух половин, каждая из которых образована десятью ферритовыми кольцами марки М600НН типоразмера K10х6х5 мм, скрепленными полоской кабельной бумаги, смазанной клеем "Марс". Магнитопроводы также можно изготовить из подходящих по размеру ферритовых трубочек. Сверху на получившиеся трубочки надевают, с тем же клеем, обойму 1, снизу - обойму 3, после чего проводом МГТФ 0,35 мм наматывают обмотки. Первичная (включаемая в коллекторную цепь транзистора VТ13) обмотка должна содержать 2,5, вторичная - 8 витков. Затем к нижней обойме прикладывают колодку 4, предварительно пропустив через просверленные в ней отверстия выводы обмоток, а к ней - пластину 5 (от обоймы 3 она отличается отсутствием отверстий диаметром 10,5 мм и меньшей толщиной 1,5 мм). Затем эти детали фиксируют двумя винтами M2,5, привинтив их к шасси. Детали 1, 3-5 изготавливают из стеклотекстолита.

Передающая приставка TURBO-TEST

Катушки L10, L14 намотаны на керамических каркасах. Их конструкция и намоточные данные показаны на рис. 8 и 9 соответственно.

Передающая приставка TURBO-TEST

Сетевой трансформатор Т1 - типа ТС-40-2 (аф0.470.025ТУ) с первичной обмоткой на 220 В и двумя вторичными обмотками на 18 В.

Передающая приставка выполнена в корпусе размерами 255х204х114 мм из дюралюминия. Шасси изготовлено из дюралюминиевой пластины толщиной 4 мм. Глубина подвала шасси - 22 мм. Вид на монтаж приставки сверху показан на рис. 10.

Передающая приставка TURBO-TEST

На лицевую панель (рис. 11) наклеены полоски бумаги с напечатанными обозначениями органов управления. Передняя панель прикрыта пластиной из прозрачного оргстекла толщиной 2 мм, защищающая надписи от повреждений. На передней панели установлены: прибор PA1, индикатор сигнализации включения приставки (на схеме рис.1 не показан), тумблеры SA1, SA3, переключатель SA4, резисторы R59, R55, а также выведены, через изолирующие поводки, оси конденсаторов C36, C69, C70. На задней панели установлены предохранитель FU1, розетки и разъемы.

Передающая приставка TURBO-TEST

Настойку приставки начинают с проверки монтажа на отсутствие коротких замыканий по цепям питания. При отсутствии таковых или после их устранения включают блок питания на холостом ходу (узлы приставки отключены) и убеждаются в наличии питающих напряжений более +40 В на плюсовом выводе С58, более +20 В на плюсовом выводе С59 и +12 В на плюсовом выводе С61. Напряжение +12 В устанавливают подстроечным резистором R50. После этого к блоку питания можно подключить все каскады согласно принципиальной схеме и продолжить настройку в режиме SSB.

В нормальной работе микрофонного усилителя убеждаются, подключив головные телефоны в точку соединения катодов конденсаторов С6С7 относительно корпуса и прослушивая выходной НЧ сигнал.

Далее запускают опорный гетеродин на VT8. Вращением подстроечника контура L11С44 добиваются устойчивой генерации гетеродина на частоте кварца и максимальной амплитуды ВЧ напряжения на выходе. Впоследствии частоту генератора устанавливают на нижний скат характеристики кварцевого фильтра, подстраивая конденсатор С43. Для контроля используют высокоомный ВЧ вольтметр, осциллограф и частотомер.

Далее при разбалансированном модуляторе (движок подстроечного резистора R10 выведен в одно из крайних положений) вращением подстроечника настраивают контур L4C11 в резонанс. Затем настраивают в резонанс контуры L5C15 и L7C25 по максимуму высокочастотного напряжения на затворе транзистора VТ3.

Кварцевый фильтр ZQ1-ZQ4 настраивают, подбирая конденсаторы C18-C21. Его амплитудно-частотную характеристику снимают с помощью измерителя АЧХ или ГСС, подавая измерительный сигнал на левый вывод конденсатора С13 (его предварительно отпаивают от других элементов).

Подав на второй вход смесителя (затвор VТ4) сигнал ГПД приемника и подстраивая конденсаторы C36, C69, C70, добиваются максимального сигнала на эквиваленте антенны, в качестве которого используют безындукционный резистор 75 Ом 10 Вт или лампочку накаливания на напряжение 28 В и мощностью 10 Вт, подключенные между антенным гнездом XW1 и корпусом. Параллельно эквиваленту подключают осциллограф. Контроль ведут по спаду тока, следя за показаниями прибора РА1. Подстройкой резистора R57 добиваются максимального сигнала на эквиваленте при синусоидальной форме сигнала. Далее, предварительно отключив микрофон, балансируют модулятор (VD1-VD4) подстроечным резистором R10 и подстроечным конденсатором C10 по ми нимуму сигнала на эквиваленте антенны. После подключения микрофона произносят перед ним длинное "а..а..а" и убеждаются в наличии однополосного сигнала на выходе приставки. Регулировку выходной мощности осуществляют резистором R59.

Затем переключателем SA1 переводят приставку в телеграфный режим. При нажатом ключе (замкнутых контактах переключателя SА2) подстройкой конденсатора C49 устанавливают частоту телеграфного гетеродина на середину полосы пропускания кварцевого фильтра. Конденсатором С53 устанавливают величину выходной мощности в телеграфном режиме так, чтобы она примерно соответствовала выходной мощности в SSB режиме.

Подбором конденсатора С51 устанавливают требуемую крутизну скатов телеграфных посылок по отсутствию щелчков или "жесткости" в СW сигнале (сигнал контролируют приемником). Резистором R55 устанавливают приемлемый уровень самоконтроля собственных телеграфных посылок.

Автор: В.Рубцов (UN7BV)

Смотрите другие статьи раздела Гражданская радиосвязь.

Читайте и пишите полезные комментарии к этой статье.

<< Назад

<< Назад

Последние новости науки и техники, новинки электроники:

Власть является ключевым фактором счастья в отношениях 11.03.2026

Исследования семейных и романтических отношений показывают, что длительное счастье пары зависит не только от привычных факторов, таких как доверие, уважение и преданность, но и от более тонких психологических аспектов. Современные ученые ищут закономерности, которые отличают действительно счастливые пары от остальных, чтобы понять, какие механизмы поддерживают гармонию в отношениях. Группа исследователей из Университета Мартина Лютера в Галле-Виттенберге и Бамбергского университета провела опрос среди 181 пары, которые состояли в совместных отношениях более восьми лет и прожили вместе хотя бы месяц. Участники заполняли анкету, описывая различные аспекты своих отношений, включая распределение обязанностей, эмоциональную поддержку и степень вовлеченности в совместные решения. Анализ данных показал интересный паттерн: пары, где оба партнера ощущали высокий уровень личной власти, оказывались наиболее счастливыми и удовлетворенными. В данном контексте под властью понимается способност ...>>

Защищенная колонка-повербанк Anker Soundcore Boom Go 3i 11.03.2026

Компания Anker представила новую модель линейки Soundcore - колонку Soundcore Boom Go 3i, ориентированную на активное использование на улице. Новинка отличается высокой степенью защиты: корпус соответствует стандарту IP68, что обеспечивает водо- и пыленепроницаемость, а ударопрочный дизайн выдерживает падение с высоты до одного метра. За качество звука отвечает 15-ваттный драйвер, обеспечивающий пик громкости до 92 дБ, а технология BassUp 2.0 усиливает низкие частоты, делая звучание более насыщенным. Колонка обладает автономностью до 24 часов, а LED-индикатор позволяет контролировать уровень заряда батареи. Кроме того, Soundcore Boom Go 3i может выполнять функцию павербанка: согласно внутренним тестам, устройство способно зарядить iPhone 17 с нуля до 40% за один час, что делает его полезным аксессуаром в походах и поездках. Среди функциональных особенностей модели стоит выделить технологию Auracast, которая улучшает подключение и позволяет создавать стереопару из двух колонок ...>>

Раннее воздержание от алкоголя перестраивает мозг и иммунитет 10.03.2026

Алкогольная зависимость - хроническое расстройство с компульсивным употреблением спиртного, которое влияет не только на поведение, но и на функционирование мозга и иммунной системы. Недавние исследования показали, что даже на ранних этапах воздержания организм начинает перестраиваться, открывая новые возможности для терапии зависимости. Ученые сосредоточились на пациентах, находящихся в первые недели абстиненции, и зафиксировали значительные изменения в мозговой активности. С помощью функциональной магнитно-резонансной томографии они выявили перестройку сетей нейронных связей, отвечающих за контроль импульсов и принятие решений. Эти изменения могут быть ключевыми для восстановления самоконтроля и снижения риска рецидива. Одновременно с нейронной перестройкой исследователи наблюдали колебания иммунной системы. В крови повышался уровень цитокинов - сигнальных белков, регулирующих воспалительные процессы. Эти данные свидетельствуют о существовании нейроиммунного взаимодействия, при ...>>

Случайная новость из Архива

Рекорд продолжительности выхода в открытый космос 21.12.2024

Китайская космическая программа сделала значительный шаг вперед: астронавты миссии "Шэньчжоу-19" провели девять часов в открытом космосе, что, вероятно, стало новым мировым рекордом. Это достижение превзошло прежний рекорд в 8 часов 56 минут, установленный американскими астронавтами в 2001 году.

Астронавты Цай Сюже и Сун Линдун успешно завершили свою первую внекорабельную деятельность на этой неделе. Их выход за пределы космической станции "Тяньгун" был частью миссии по ее строительству и обслуживанию. Важную поддержку изнутри станции оказывал третий член экипажа, инженер Ван Хаоцзе, который координировал действия коллег и помогал с операциями.

Во время выхода в открытый космос астронавты решали важные задачи, включая установку оборудования для защиты станции от космического мусора и проверку внешних систем. Эта работа является ключевым этапом в развитии китайской космической программы, которая стремится укрепить свое присутствие на орбите и подготовить почву для будущих миссий на Луну.

"Любуясь прекрасными видами из космоса, мы глубоко ощутили величие пилотируемой космонавтики," - поделился впечатлениями Сун Линдун. Эти слова отражают не только техническое мастерство, но и вдохновение, которое китайские астронавты черпают из своей работы на орбите.

Миссия "Шэньчжоу-19" включает пребывание экипажа на станции "Тяньгун" в течение шести месяцев. За это время планируется провести серию экспериментов и дополнительные выходы в открытый космос. Этот длительный полет - важный этап в китайской программе освоения космоса, нацеленной на отправку астронавтов на Луну в ближайшие годы.

Китайская станция "Тяньгун" продолжает развиваться как автономная орбитальная платформа. Она становится не только национальной гордостью, но и важным звеном в глобальной космической науке и технике. Миссия "Шэньчжоу-19" демонстрирует растущую уверенность Китая в реализации сложных космических операций и укрепляет его позицию среди мировых лидеров в области космонавтики.

Другие интересные новости:

▪ Автомобильная фара на светодиодах

▪ Белок из водорослей, сахара и света

▪ Неисправность определяют на взгляд

▪ Мозг пчелы будет скопирован

▪ Рукомойник для дальнобойщика

Лента новостей науки и техники, новинок электроники

 

Интересные материалы Бесплатной технической библиотеки:

▪ раздел сайта Переговорные устройства. Подборка статей

▪ статья На место цепей крепостных люди придумали много иных. Крылатое выражение

▪ статья В каком языке концепция временной оси противоположна привычной нам Будущее спереди, прошлое сзади? Подробный ответ

▪ статья Дихроцефала цельнолистная. Легенды, выращивание, способы применения

▪ статья USB-осциллограф на микроконтроллере. Энциклопедия радиоэлектроники и электротехники

▪ статья Импульсный стабилизатор. Энциклопедия радиоэлектроники и электротехники

Оставьте свой комментарий к этой статье:

Имя:


E-mail (не обязательно):


Комментарий:





Главная страница | Библиотека | Статьи | Карта сайта | Отзывы о сайте

www.diagram.com.ua

www.diagram.com.ua
2000-2026