Menu Home

Бесплатная техническая библиотека для любителей и профессионалов Бесплатная техническая библиотека


Двухламповый супергетеродин. Энциклопедия радиоэлектроники и электротехники

Бесплатная техническая библиотека

Энциклопедия радиоэлектроники и электротехники / Гражданская радиосвязь

Комментарии к статье Комментарии к статье

Тема ретроприемников, в частности регенеративных, всеобъемлющая и очень плодотворно развивается на многих сайтах в сети Интернет. В свое время она очень заинтересовала и меня. В результате возникла мысль сделать простой одноламповый регенератор, который в последующем "малой кровью" был преобразован в несложный, но многодиапазонный супергетеродин.

За основу взята замечательная своей простотой и изяществом конструкция однолампового регенеративного приемника на двойном триоде 6Н9М (6Н9С) [1], который при повторении конструкции был заменен его современным аналогом 6Н2П.

В процессе испытаний прототипа были сделаны некоторые доработки:

- введена ООС во втором каскаде (УНЧ) и увеличена в первом (собственно регенераторе). Это стало возможно благодаря использованию специфической особенности триодов - относительно большой проницаемости или, если угодно, существенному влиянию анодной нагрузки на цепи сетка-катод. Анодные резисторы большого сопротивления создают достаточно большую "внутреннюю" ООС, эквивалентную внесению в катод сопротивления, равного Ra/ц, в нашем случае - это 47 кОм/100=470 Ом, что и обеспечивает высокую стабильность выбранного режима;

- убрано высокое напряжение с головных телефонов (как-то жутковато осознавать, что на голову подается 200 В);

- переходные и блокировочные конденсаторы теперь выполняют функции однозвенных фНч и ФВЧ, и их емкости подобраны так, чтобы обеспечить частотную полосу 300...3000 Гц тракта НЧ.

В результате приемник обладает высокой стабильностью (на 80 метрах можно длительно слушать станцию без какой-либо подстройки!) и высокой чувствительностью, хорошей повторяемостью (благодаря ООС его параметры мало зависят от разброса характеристик ламп) и очень простым управлением.

На базе этого регенератора и был построен двухламповый четырехдиапазонный супергетеродин. Фотографии его конструкции приведены на рис. 1 - рис. 3, а схема - на рис. 4. Радиоприемник позволяет принимать SSB и CW-сигналы любительских радиостанций на диапазонах 80, 40, 20 и 10 метров. Чувствительность приемника при приеме в телеграфном (автодинном) режиме и соотношении сигнал/шум, равном 10 дБ, - не хуже 1 мкВ (на 10 метрах), 0,7 мкВ (на 20 и 40 метрах) и 3 мкВ (на 80 метрах).

Двухламповый супергетеродин
Рис. 1. Конструкция двухлампового четырехдиапазонного супергетеродина

Двухламповый супергетеродин
Рис. 2. Конструкция двухлампового четырехдиапазонного супергетеродина

Двухламповый супергетеродин
Рис. 3. Конструкция двухлампового четырехдиапазонного супергетеродина

Двухламповый супергетеродин
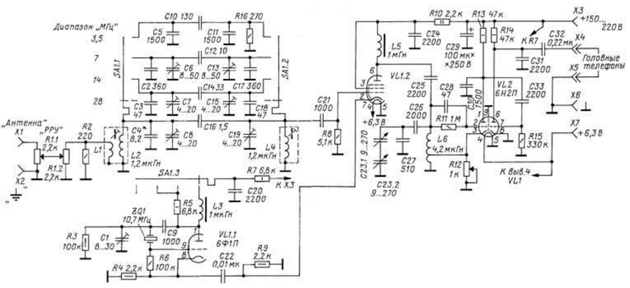
Рис. 4. Схема двухлампового четырехдиапазонного супергетеродина (нажмите для увеличения)

Двухступенчатый входной аттенюатор на переменном резисторе R1 обеспечивает нормальную работу приемника с любой, в том числе и полноразмерной антенной.

Входной двухконтурный полосовой диапазонный фильтр (ПДФ) - L2L4C2-C8C10-C19 спроектирован по упрощенной схеме так, чтобы обеспечить максимальную чувствительность на диапазоне 10 метров. На диапазоне 80 метров ПДФ имеет повышенное затухание, чем уменьшается и некоторая избыточность усиления на этом диапазоне.

Для диапазона 80 метров - это приемник прямого усиления 1-V-1 с регенеративным детектором и усилителем НЧ на лампе VL2 (пентод лампы VL1.2 работает как развязывающий УВЧ), а на остальных диапазонах - супергетеродин с переменной ПЧ и гетеродином с кварцевой стабилизацией частоты. Гетеродин выполнен на триоде лампы VL1.1 и кварцевом резонаторе ZQ1 по схеме емкостной трехточки (генератор Колпитца). На диапазонах 40 и 20 метров он работает на основной гармонике резонатора - 10,7 МГц, а на диапазоне 10 метров - на его третьей гармонике (32,1 МГц), для чего на этом диапазоне анодная нагрузка выполнена в виде резонансного контура L3C1, настроенного на частоту 32,1 МГц. На пентоде лампы VL1.2 собран смеситель.

Диапазон перестройки регенеративного приемника, выполняющего в структуре супергетеродина роль тракта ПЧ, регенеративного детектора и УНЧ, выбран равным 3,3...3,8 МГц (диапазон 80 метров), что обеспечивает достаточное перекрытие и на ВЧ-диапазонах. Соответственно на диапазоне 40 метров перекрытие составит 6,9...7,4 МГц, на 20 метрах - 14...14,5 МГц, на 10 метрах - 28,3...28,8 МГц.

Напряжения питания анодной цепи и накала ламп приемника должны быть стабилизированы. Вопрос - нужно ли стабилизировать напряжения питания (накальное и анодное) лампового регенератора часто возникает на разных ветках форумов сети, и ответы на него часто дают самые противоречивые - от ничего не надо стабилизировать и выпрямлять (и так все прекрасно работает) до обязательного применения полностью автономного, аккумуляторного, питания.

И как это ни удивительно, справедливы высказывания и тех и других (!), важно только помнить основные критерии (или, если угодно, требования), которые предъявляют к регенератору и те, и другие авторы. Если основное - это простота конструкции, к чему стабилизация питания? Регенераторы 20-50-х годов (а это сотни разных конструкций), сделанные по такому принципу, прекрасно работали и обеспечивали вполне приличный прием, особенно на радиовещательных диапазонах. Но как только поставим во главу угла чувствительность, а она, как известно, достигает максимума на пороге генерации - точке крайне неустойчивой, на которую влияют многочисленные внешние изменения параметров, причем колебания напряжения питания одни из самых весомых, то и ответ становится очевиден. Хотите получить высокие результаты - напряжение питания надо стабилизировать.

Приемник смонтирован в корпусе от старого компьютерного БП. Монтаж - навесной, выполнен на плате-шасси из фольгированного с двух сторон стеклотекстолита. Фольга одной из сторон разрезана на прямоугольники, которые служат контактными площадками, фольга противоположной стороны используется как общий провод. Требования к монтажу стандартные - максимальная жесткость крепления и минимальная длина ВЧ-про-водников.

Приемник собран из недефицитных деталей. Все блокировочные и переходные конденсаторы должны быть рассчитаны на номинальное напряжение не менее 250 В.

Катушки L2 и L4 намотаны проводом ПЭВ-2 0,17 виток к витку на каркасах диаметром 8,5 мм с подстроечниками (от контуров ПЧ цветных телевизоров). Число витков - 13. Катушка связи L1 содержит 3 витка аналогичного провода и намотана поверх катушки L2 со стороны вывода, соединенного с общим проводом. Дроссели L3, L5 - малогабаритные импортные.

Катушка L6 намотана проводом ПЭВ-2 1 на ребристом керамическом каркасе диаметром 35 мм. Число витков - 11, шаг намотки - 2 мм, отвод от 2-го витка, считая от соединенного с общим проводом вывода.

Несмотря на то что, в принципе, регенератор сможет работать (т. е. полностью регенерировать контур) практически с любой катушкой, желательно, чтобы она обладала максимально возможной конструктивной добротностью. Это позволит при тех же результатах применить меньшее включение лампы в контур и, соответственно, снизить ее дестабилизирующее влияние (как ее самой, так и всего приемника и источников питания). Поэтому катушка L6 намотана на каркасе достаточно большого диаметра.

Лучшим вариантом будет намотать катушку регенератора на кольцевом магнитопроводе марки Amidon (например, T50-6, T50-2, T68-6, T68-2). Число витков катушки для получения указанной индуктивности можно посчитать по любой программе. Например, для обычных каркасов удобна программа COIL 32 [2], а для колец Amidon - mini Ring Core calculator [3]. Положение отвода для начала можно взять от 1/5...1/8 (для обычных каркасов) до 1/10...1/20 (для Amidon) числа витков контурной катушки.

Конденсатор настройки С23 - малогабаритный двухсекционный КПЕ с воздушным диэлектриком. Его секции включены последовательно, чтобы исключить шорохи и потрескивания, а ротор и корпус изолированы от шасси (своего рода дифференциальный конденсатор). В зависимости от пределов изменения его емкости и индуктивности катушки L6, для получения требуемого диапазона перестройки емкости растягивающих конденсаторов, возможно, придется пересчитать. Это можно сделать с помощью простой программы KONTUR3C_ver. by US5MSQ [4].

Головные телефоны для радиоприемника должны быть электромагнитные и обязательно высокоомные (с катушками электромагнитов индуктивностью примерно 0,5 Гн и сопротивлением постоянному току 1500...2200 Ом), например, ТОН-1, ТОН-2, ТОН-2м, ТА-4, ТА-56м. По желанию приемник можно дооснастить усилителем мощности, собрав его по стандартной схеме на лампах 6П14П, 6Ф3П или 6Ф5П.

В этом малоламповом приемнике большое значение имеет коэффициент усиления (ц) лампы регенератора, ну и малое токопотребление 6Н2П тоже приятно - можно поставить эффективный RC-фильтр по цепи анодного питания без громоздких дросселей или электронных фильтров/стабилизаторов. Именно так сделано у меня - и никакого фона в телефонах. Впрочем, можно применить любые двойные триоды (6Н1П, 6Н3П и т. п.) без корректировки схемы и почти без ущерба (будет меньше раза в два усиление по НЧ). С другой стороны, при большем анодном токе и крутизне ламп можно вместо высокоомных головных телефонов подключить выходной трансформатор и применить более доступные современные низкоомные телефоны с большой чувствительностью.

Настройка приемника достаточно проста и стандартна. После проверки правильности монтажа подключаем питание приемника и измеряем режимы ламп по постоянному току. Включаем диапазон 80 метров и настраиваем регенератор. Его настройка заключается в основном в укладке диапазона перестройки от 3300 до 3800 кГц с небольшим (примерно 20...30 кГц) запасом по краям подбором емкостей растягивающих конденсаторов С26, С27 и обеспечении плавного подхода к точке регенерации. Для укладки диапазона подаем сигнал с ГСС через разделительный конденсатор на сетку лампы VL1.2 (вывод 2). Возможно, придется точнее подобрать отвод катушки L6, добиваясь появления генерации на нижней частоте настройки 3300 кГц (емкость КПЕ максимальна) в положении движка переменного резистора R12 (регулировки регенерации) ближе к нижнему по схеме выводу. При перестройке вверх по частоте условия генерации улучшатся и понадобится большее шунтирующее действие резистора, т. е. рабочее положение движка сместится ближе к центру в направлении верхнего по схеме вывода.

Проверяем плавность подхода к точке регенерации, т. е. при перемещении движка переменного резистора R12 к нижнему по схеме выводу шум и шорохи должны плавно возрастать до максимума, потом легкий щелчок (или просто резкое заметное уменьшение шумов) и их последующее снижение (вместе с чувствительностью) по мере увеличения уровня генерации. При обратном перемещении движка генерация должна пропадать в том же положении, в котором она возникла. Если плавность недостаточна, можно уменьшить анодный ток лампы (увеличив сопротивление анодного резистора R13) и заново подобрать точку подключения отвода, и так до получения требуемого результата.

Затем настраиваем ПДФ диапазона 80 метров, для чего подключаем ГСС на антенный вход приемника и устанавливаем на генераторе среднюю частоту диапазона - 3,65 МГц. Переводим регенератор в режим генерации (автодинный режим) и конденсатором С23 "находим" сигнал ГСС. Подстроечниками катушек L2 и L4 настраиваем ПДФ по максимуму сигнала. На этом настройка диапазона 80 метров закончена, и подстроечники этих катушек в дальнейшем не трогаем.

Далее проверяем работу гетеродина. Подключаем к катоду лампы VL1.2 (вывод 7) ламповый вольтметр переменного тока и контролируем уровень напряжения гетеродина. Включаем поочередно диапазоны 40 и 20 метров, проверяем наличие переменного напряжения уровнем 1...2 Вэфф. Затем включаем диапазон 10 метров и подстроечным конденсатором С1 устанавливаем максимальное напряжение генерации. Оно должно быть примерно такого же уровня. Если нет промышленного вольтметра, можно применить простейший диодный пробник, подробно описанный в [5], или осциллограф с полосой пропускания не менее 30 МГц и малоемкостным делителем (высокоомным пробником). В крайнем случае осциллограф можно подключить через конденсатор емкостью 3...5 пФ.

Продолжаем настройку ПДФ, начиная с диапазона 10 метров. Для этого подключаем к антенному входу ГСС и выставляем на нем среднюю частоту диапазона - 28,55 МГц. Переводим регенератор в режим генерации и, подстраивая КПЕ, "находим" сигнал ГСС.

Подстроечными конденсаторами С8 и С19 (подстроечники катушек не трогаем!) настраиваем ПДФ по максимуму сигнала. Аналогично настраиваем диапазоны 20 и 40 метров подстроечными конденсаторами С7, С15 и С6, С13, для которых соответственно средние частоты диапазонов будут 14,175 и 7,1 МГц.

Шкала радиоприемника - дисковая механическая с перекрытием в 500 кГц. На диапазонах 80 и 20 метров она прямая, а на диапазонах 40 и 10 метров - обратная (по аналогии с трансивером UW3DI). Цифровую шкалу я бы вводить в конструкцию приемника не стал. Во-первых, механическая шкала простая, калибровка стабильная и ее достаточно провести только на диапазоне 80 метров. А на остальных диапазонах разметку рисуют с простым пересчетом по измеренной частоте генератора подставки. Во-вторых, сама цифровая шкала при неудачном раскладе может стать источником помех, и надо будет хорошо продумать конструкцию и, вероятно, ввести экранировку как минимум катушки регенератора (чувствительность-то у него - единицы микровольт!), а возможно, еще и самой шкалы.

Если все же ее вводить, подключение лучше выполнить так:

- сигнал с гетеродина снимать через истоковый повторитель на транзисторе КП303 (КП302, КП307, BF245, J310 и т. п.), подключив затвор транзистора через резистор 1 кОм прямо к выводу 7 лампы VL1;

- регенератор, в зависимости от регулировки ПОС, может иметь очень малое напряжение на контуре (десятки милливольт), поэтому для сигнала регенератора потребуется не только развязка, но и усиление. Лучше всего это сделать на двухзатворном полевом транзисторе КП327 или BF9xx, включенном по стандартной схеме с напряжением смещения на втором затворе +4 В и резистором 1 кОм в цепи стока. Первый затвор транзистора подключают к катоду лампы VL2 (вывод 3) через развязывающий резистор сопротивлением 1 кОм.

Этот радиоприемник был собран достаточно давно, и тем не менее через пару лет после изготовления достал с дальней полки этот двухламповый супер, сдул пыль и включил.. Работает, это так приятно, что за два вечера ненавязчивых наблюдений на каждом из нижних диапазонов (80 и 40 метров) были приняты сигналы из всех десяти радиолюбительских районов бывшего СССР! Прием велся на антенну длиной 42 м.

Конечно, динамический диапазон и селективность по соседнему каналу маловаты, но в первом случае помогает плавный аттенюатор, а во втором - небольшое сужение полосы пропускания (ручкой регенерации). Кардинальным решением был бы переход на менее "заселенную" частоту, и тем не менее даже на "перенаселенных" участках диапазонов удается принять как минимум основную информацию. Но главное достоинство приемника (кроме простоты конструкции) - очень хорошая стабильность частоты. Можно часами слушать станции без подстройки, причем это с равным успехом не только на нижних диапазонах, но и на 10 метрах!

Заново перемерял его чувствительность - при соотношении сигнал/шум 10 дБ все соответствует приведенным выше данным. А если привязываться к выходному сигналу уровнем 50 мВ (уже достаточно громкий сигнал на телефонах ТОН-2), то результат следующий: на 10 метрах - 1...1,2 мкВ, на 20 метрах - 1,5...2 мкВ, на 40 метрах - 3...4 мкВ, на 80 метрах - 7...8 мкВ.

Литература

  1. Егоров В. Простой коротковолновый приемник. - Радио, 1950, № 3, с. 37-40.
  2. COIL 32 - расчет катушек индуктивности. - URL: us5msq.com.ua/category/ raschety-soft.
  3. Mini Ring Core calculator. - URL:  mini-ring-core-сalculator.software. informer.com/1.2.
  4. KONTUR3C - расчет растягивающих конденсаторов. - URL: us5msq.com. ua/category/raschety-soft.
  5. Степанов Б. ВЧ головка к цифровому вольтметру. - Радио, 2006, № 8, с. 58, 59.

Автор: Сергей Беленецкий (US5MSQ)

Смотрите другие статьи раздела Гражданская радиосвязь.

Читайте и пишите полезные комментарии к этой статье.

<< Назад

<< Назад

Последние новости науки и техники, новинки электроники:

Власть является ключевым фактором счастья в отношениях 11.03.2026

Исследования семейных и романтических отношений показывают, что длительное счастье пары зависит не только от привычных факторов, таких как доверие, уважение и преданность, но и от более тонких психологических аспектов. Современные ученые ищут закономерности, которые отличают действительно счастливые пары от остальных, чтобы понять, какие механизмы поддерживают гармонию в отношениях. Группа исследователей из Университета Мартина Лютера в Галле-Виттенберге и Бамбергского университета провела опрос среди 181 пары, которые состояли в совместных отношениях более восьми лет и прожили вместе хотя бы месяц. Участники заполняли анкету, описывая различные аспекты своих отношений, включая распределение обязанностей, эмоциональную поддержку и степень вовлеченности в совместные решения. Анализ данных показал интересный паттерн: пары, где оба партнера ощущали высокий уровень личной власти, оказывались наиболее счастливыми и удовлетворенными. В данном контексте под властью понимается способност ...>>

Защищенная колонка-повербанк Anker Soundcore Boom Go 3i 11.03.2026

Компания Anker представила новую модель линейки Soundcore - колонку Soundcore Boom Go 3i, ориентированную на активное использование на улице. Новинка отличается высокой степенью защиты: корпус соответствует стандарту IP68, что обеспечивает водо- и пыленепроницаемость, а ударопрочный дизайн выдерживает падение с высоты до одного метра. За качество звука отвечает 15-ваттный драйвер, обеспечивающий пик громкости до 92 дБ, а технология BassUp 2.0 усиливает низкие частоты, делая звучание более насыщенным. Колонка обладает автономностью до 24 часов, а LED-индикатор позволяет контролировать уровень заряда батареи. Кроме того, Soundcore Boom Go 3i может выполнять функцию павербанка: согласно внутренним тестам, устройство способно зарядить iPhone 17 с нуля до 40% за один час, что делает его полезным аксессуаром в походах и поездках. Среди функциональных особенностей модели стоит выделить технологию Auracast, которая улучшает подключение и позволяет создавать стереопару из двух колонок ...>>

Раннее воздержание от алкоголя перестраивает мозг и иммунитет 10.03.2026

Алкогольная зависимость - хроническое расстройство с компульсивным употреблением спиртного, которое влияет не только на поведение, но и на функционирование мозга и иммунной системы. Недавние исследования показали, что даже на ранних этапах воздержания организм начинает перестраиваться, открывая новые возможности для терапии зависимости. Ученые сосредоточились на пациентах, находящихся в первые недели абстиненции, и зафиксировали значительные изменения в мозговой активности. С помощью функциональной магнитно-резонансной томографии они выявили перестройку сетей нейронных связей, отвечающих за контроль импульсов и принятие решений. Эти изменения могут быть ключевыми для восстановления самоконтроля и снижения риска рецидива. Одновременно с нейронной перестройкой исследователи наблюдали колебания иммунной системы. В крови повышался уровень цитокинов - сигнальных белков, регулирующих воспалительные процессы. Эти данные свидетельствуют о существовании нейроиммунного взаимодействия, при ...>>

Случайная новость из Архива

Отдых на корточках 11.03.2020

Современный человек живет не так, как его далекие предки, и в этом часто видят причину разных хронических болезней - ожирения, диабета, сердечно-сосудистых болезней и т. д. Под предками в данном случае понимают охотников-собирателей, которые еще не знали скотоводства и ничего не выращивали. И для того, чтобы быть здоровыми, нужно питаться как предки (то есть придерживаться так называемой палеодиеты), спать как предки, двигаться столько же, сколько предки.

Сотрудники Университета Южной Калифорнии вместе с коллегами из других научных центров раздали людям из народа хадза устройства, которые отслеживали периоды активности и периоды покоя. Хадза живут на территории Танзании, занимаясь охотой и собирательством - то есть ведут "предковый" образ жизни, и потому к ним часто приезжают антропологи и другие исследователи, которые пытаются понять, как изменился человек с давних времен. Оказалось, что период физической активности у хадза в три раза больше того, что рекомендуют органы здравоохранения в США. Но притом в покое хадза проводят 9-10 часов в день - почти столько же, сколько и обычный современный человек, ведущий сидячий образ жизни. Однако "сидячих" хронических болезней у хадза нет.

Ученые предположили, что дело не только в большей подвижности хадза, но и в том, что отдых у них более здоровый, чем обычное сидение. Все-таки эти охотники-собиратели сидят не на диванах и не на стульях - они сидят либо корточках, либо опираются на колени. В обеих позах - и сидя на корточках, и опираясь на колени - должны напрягаться мышцы ног.

Исследователи использовали дополнительные гаджеты, которые измеряли активность мышц ног, и оказалось, что в позе на корточках мышцы действительно намного более активны, чем когда человек сидит на ягодицах. Возможно, хадза защищены от "сидячих" хронических болезней тем, что даже во время отдыха их мышцы - по крайней мере, некоторые из них - продолжают работать.

Другие интересные новости:

▪ 5-Вт ИС для быстрой беспроводной зарядки от Toshiba

▪ Запах болезни переходит с больных на здоровых

▪ Улучшение чистых метанольных топливных элементов

▪ NVIDIA начала самостоятельно собирать некоторые видеокарты

▪ В Африке образовалась трещина, которая может разломить континент

Лента новостей науки и техники, новинок электроники

 

Интересные материалы Бесплатной технической библиотеки:

▪ раздел сайта Устройства защитного отключения. Подборка статей

▪ статья Ирвин Шоу. Знаменитые афоризмы

▪ статья Почему цемент затвердевает? Подробный ответ

▪ статья Красавка обыкновенная. Легенды, выращивание, способы применения

▪ статья Самодельная ветросиловая установка. Головка. Энциклопедия радиоэлектроники и электротехники

▪ статья Блок питания + зарядное устройство для 3-х вольтовых устройств. Энциклопедия радиоэлектроники и электротехники

Оставьте свой комментарий к этой статье:

Имя:


E-mail (не обязательно):


Комментарий:





Главная страница | Библиотека | Статьи | Карта сайта | Отзывы о сайте

www.diagram.com.ua

www.diagram.com.ua
2000-2026