Menu Home

Бесплатная техническая библиотека для любителей и профессионалов Бесплатная техническая библиотека


Сверхгенератор. Энциклопедия радиоэлектроники и электротехники

Бесплатная техническая библиотека

Энциклопедия радиоэлектроники и электротехники / Радиоприем

Комментарии к статье Комментарии к статье

Что такое сверхрегенератор, как он работает, каковы его достоинства и недостатки, в каких радиолюбительских конструкциях его можно использовать? Этим вопросам и посвящена предлагаемая вниманию читателей статья.

Сверхрегенератор (его еще называют суперрегенератор) - это совершенно особый вид усилительного, или усилительно-детекторного устройства, обладающий при исключительной простоте уникальными свойствами, в частности, коэффициентом усиления по напряжению до 105...106, т.е. достигающим миллиона! Это означает, что входные сигналы с уровнем в доли микровольта могут быть усилены до долей вольта. Разумеется, обычным способом такое усиление в одном каскаде получить невозможно, но в сверхрегенераторе используется совершенно другой способ усиления.

Если автору будет позволено немного пофилософствовать, то можно не совсем строго сказать, что сверхрегенеративное усиление происходит в иных физических координатах. Обычное усиление осуществляется непрерывно во времени, а вход и выход усилителя (четырехполюсника), как правило, разнесены в пространстве. Это не относится к усилителям-двухполюсникам, например, регенератору. Регенеративное усиление происходит в том же колебательном контуре, к которому подводится входной сигнал, но опять-таки непрерывно во времени.

Сверхрегенератор работает с выборками входного сигнала, взятыми в определенные моменты времени. Затем происходит усиление выборки во времени, и через какой-то промежуток снимается выходной усиленный сигнал, часто даже с тех же зажимов или гнезд, к которым подведен и входной. Пока совершается процесс усиления, сверхрегенератор не реагирует на входные сигналы, а следующая выборка делается только тогда, когда все процессы усиления завершены. Именно такой принцип усиления и позволяет получать огромные коэффициенты, вход и выход не надо развязывать или экранировать - ведь входные и выходные сигналы разнесены во времени, поэтому не могут взаимодействовать.

В сверхрегенеративном способе усиления заложен и принципиальный недостаток. В соответствии с теоремой Котельникова-Найквиста, для неискаженной передачи огибающей сигнала (модулирующих частот) частота выборок должна быть не менее удвоенной наивысшей частоты модуляции. В случае радиовещательного АМ сигнала наивысшая модулирующая частота составляет 10 кГц, ЧМ сигнала - 15 кГц и частота выборок должна быть не менее 20...30 кГц (о стерео речь не идет). Полоса пропускания сверхрегенератора получается при этом почти на порядок больше, т. е. 200...300 кГц. Этот недостаток неустраним при приеме АМ сигналов и послужил одной из главных причин вытеснения сверхрегенераторов более совершенными, хотя и более сложными супергетеродинными приемниками, в которых полоса пропускания равна удвоенной наивысшей модулирующей частоте.

Как ни странно, при ЧМ описанный недостаток проявляется в значительно меньшей мере. Демодуляция ЧМ происходит на скате резонансной кривой сверхрегенератора - ЧМ превращается в АМ и затем детектируется. При этом ширина резонансной кривой должна быть не меньше удвоенной девиации частоты (100...150 кГц) и получается гораздо лучшее согласование полосы пропускания с шириной спектра сигнала.

Ранее сверхрегенераторы выполнялись на электронных лампах и получили значительное распространение в середине прошлого века. Тогда на диапазоне УКВ радиостанций было мало, и широкая полоса пропускания не считалась особым недостатком, в ряде случаев даже облегчая настройку и поиск редких станций. Затем появились сверхрегенераторы на транзисторах. Сейчас они используются в системах радиоуправления моделями, охранной сигнализации и лишь изредка в радиоприемниках.

Схемы сверхрегенераторов мало отличаются от схем регенераторов: если у последнего периодически увеличивать обратную связь до порога генерации, а затем уменьшать ее до срыва колебаний, то и получается сверхрегенератор. Вспомогательные гасящие колебания с частотой 20...50 кГц, периодически изменяющие обратную связь, получаются либо от отдельного генератора, либо возникают в самом высокочастотном устройстве (сверхрегенератор с самогашением).

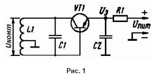
Базовая схема регенератора-сверхрегенератора

Для лучшего уяснения процессов, происходящих в сверхрегенераторе, обратимся к устройству, изображенному на рис. 1, которое, в зависимости от постоянной времени цепочки R1C2, может быть и регенератором, и сверхрегенератором.

Сверхгенератор

Эта схема была разработана в результате многочисленных экспериментов и, как представляется автору, оптимальна по простоте, легкости налаживания и получаемым результатам.

Транзистор VT1 включен по схеме автогенератора - индуктивной трехточки. Контур генератора образован катушкой L1 и конденсатором С1, отвод катушки сделан ближе к выводу базы. Таким образом осуществляется согласование высокого выходного сопротивления транзистора (цепи коллектора) с меньшим входным сопротивлением (цепи базы).

Схема питания транзистора несколько необычна - постоянное напряжение на его базе равно напряжению коллектора. Транзистор, особенно кремниевый, вполне может работать в таком режиме, ведь открывается он при напряжении на базе (относительно эмиттера) около 0,5 В, а напряжение насыщения коллектор-эмиттер составляет, в зависимости от типа транзистора, 0,2...0,4 В. В данной схеме и коллектор, и база по постоянному току соединены с общим проводом, а питание поступает по цепи эмиттера через резистор R1.

При этом напряжение на эмиттере автоматически стабилизируется на уровне 0,5 В - транзистор работает подобно стабилитрону с указанным напряжением стабилизации. Действительно, если напряжение на эмиттере упадет, транзистор закроется, эмиттерный ток уменьшится, а вслед за этим уменьшится и падение напряжения на резисторе, что приведет к возрастанию эмиттерного напряжения. Если же оно возрастет, транзистор откроется сильнее и увеличившееся падение напряжения на резисторе скомпенсирует это возрастание. Единственное условие правильной работы устройства - напряжение питания должно быть заметно больше - от 1,2 В и выше. Тогда ток транзистора удастся установить подбором резистора R1.

Рассмотрим работу устройства на высокой частоте. Напряжение с нижней (по схеме) части витков катушки L1 приложено к переходу база-эмиттер транзистора VT1 и усиливается им. Конденсатор С2 - блокировочный, для токов высокой частоты он представляет малое сопротивление. Нагрузкой в коллекторной цепи служит резонансное сопротивление контура, несколько уменьшенное из-за трансформации верхней частью обмотки катушки.

При усилении транзистор инвертирует фазу сигнала, затем ее инвертирует трансформатор, образованный частями катушки L1 - выполняется баланс фаз.

А баланс амплитуд, необходимый для самовозбуждения, получается при достаточном усилении транзистора. Последнее зависит от тока эмиттера, а его очень легко регулировать, изменяя сопротивление резистора R1, включив, например, вместо него последовательно два резистора, постоянный и переменный.

Устройство обладает рядом достоинств, к которым относятся простота конструкции, легкость налаживания и высокая экономичность: транзистор потребляет ровно столько тока, сколько необходимо для достаточного усиления сигнала. Подход к порогу генерации получается весьма плавным, к тому же регулировка происходит в низкочастотной цепи, и регулятор можно отнести от контура в удобное место. Регулировка слабо влияет на частоту настройки контура, поскольку напряжение питания транзистора остается постоянным (0,5 В), а следовательно, почти не изменяются и междуэлектродные емкости.

Описанный регенератор способен повышать добротность контуров в любом диапазоне волн, от ДВ до УКВ, причем катушка L1 не обязательно должна быть контурной - допустимо использовать катушку связи с другим контуром (конденсатор С1 в этом случае не нужен). Можно намотать такую катушку на стержень магнитной антенны ДВ-СВ приемника, причем число витков ее должно составить всего 10-20 % от числа витков контурной катушки, Q-умножитель на биполярном транзисторе получается дешевле и проще, чем на полевом.

Регенератор подойдет и для KB диапазона, если связать антенну с контуром L1C1 либо катушкой связи, либо конденсатором малой емкости (вплоть до долей пикофарады). Низкочастотный сигнал снимают с эмиттера транзистора VT1 и подают через разделительный конденсатор емкостью 0,1...0,5 мкф на усилитель ЗЧ. При приеме AM станций подобный приемник обеспечивал чувствительность 10...30 мкВ (обратная связь ниже порога генерации), а при приеме телеграфных станций на биениях (обратная связь выше порога) - единицы микровольт.

Процессы нарастания и спада колебаний

Но вернемся к сверхрегенератору. Пусть напряжение питания на описанное устройство подается в виде импульса в момент времени t0, как показано на рис. 2 сверху. Даже, если усиление транзистора и обратная связь достаточны для генерации, колебания в контуре возникнут не сразу, а будут нарастать по экспоненциальному закону некоторое время τн. По такому же закону происходит и спад колебаний после выключения питания, время спада обозначено как τс.

Сверхгенератор

В общем виде закон нарастания и спада колебаний выражается формулой Uконт = U0exp(-rt/2L), где U0 - напряжение в контуре, с которого начался процесс; r - эквивалентное сопротивление потерь в контуре; L - его индуктивность; t - текущее время. Все просто в случае спада колебаний, когда r = rп (сопротивление потерь самого контура, рис. 3).

Сверхгенератор

Иначе обстоит дело при нарастании колебаний: транзистор вносит в контур отрицательное сопротивление - rос (обратная связь компенсирует потери), и общее эквивалентное сопротивление становится отрицательным. Знак минус в показателе экспоненты исчезает, и закон нарастания запишется:

Uконт = Uсexp(rt/2L), где r = rос - rп

Из приведенной формулы можно найти и время нарастания колебаний, учитывая, что рост начинается с амплитуды сигнала в контуре Uc и продолжается только до амплитуды U0, далее транзистор входит в режим ограничения, его усиление уменьшается и амплитуда колебаний стабилизируется: τн = (2L/r)ln(U0/Uc). Как видим, время нарастания пропорционально логарифму величины, обратной уровню принимаемого сигнала в контуре. Чем больше сигнал, тем меньше время нарастания.

Если импульсы питания подавать на сверхрегенератор периодически, с частотой суперизации (гашения) 20...50 кГц, то в контуре будут происходить вспышки колебаний (рис. 4), длительность которых зависит от амплитуды сигнала - чем меньше время нарастания, тем больше длительность вспышки. Если вспышки продетектировать, на выходе получится демодулированный сигнал, пропорциональный среднему значению огибающей вспышек.

Сверхгенератор

Усиление самого транзистора может быть небольшим (единицы, десятки), достаточным лишь для самовозбуждения колебаний, в то время как усиление всего сверхрегенератора, равное отношению амплитуды демодулированного выходного сигнала к амплитуде входного, весьма велико.

Описанный режим работы сверхрегенератора называют нелинейным, или логарифмическим, поскольку выходной сигнал пропорционален логарифму входного. Это вносит некоторые нелинейные искажения, но играет и полезную роль - чувствительность сверхрегенератора к слабым сигналам больше, а к сильным меньше - здесь действует как бы естественная АРУ.

Для полноты описания надо сказать, что возможен и линейный режим работы сверхрегенератора, если длительность импульса питания (см. рис. 2) будет меньше времени нарастания колебаний. Последние не успеют нарасти до максимальной амплитуды, а транзистор - не будет входить в режим ограничения. Тогда амплитуда вспышки станет прямо пропорциональна амплитуде сигнала. Такой режим, однако, нестабилен - малейшее изменение усиления транзистора или эквивалентного сопротивления контура r приведет к тому, что либо резко упадет амплитуда вспышек, а следовательно, и усиление сверхрегенератора, либо устройство выйдет на нелинейный режим. По этой причине линейный режим сверхрегенератора используется редко.

Надо также заметить, что совершенно необязательно коммутировать напряжение питания, чтобы получить вспышки колебаний. С равным успехом можно подавать вспомогательное напряжение суперизации на сетку лампы, базу или затвор транзистора, модулируя их усиление, а значит, и обратную связь. Прямоугольная форма гасящих колебаний также неоптимальна, предпочтительнее синусоидальная, а еще лучше пилообразная с пологим нарастанием и резким спадом. В последнем варианте сверхрегенератор плавно подходит к точке возникновения колебаний, полоса пропускания несколько сужается и появляется усиление за счет регенерации. Возникшие колебания растут сначала медленно, затем все быстрее. Спад же колебаний получается максимально быстрым.

Наибольшее распространение получили сверхрегенераторы с автосуперизацией, или с самогашением, не имеющие отдельного генератора вспомогательных колебаний. Они работают только в нелинейном режиме. Самогашение, иначе говоря, прерывистую генерацию, легко получить в устройстве, выполненном по схеме рис. 1, надо лишь, чтобы постоянная времени цепочки R1C2 была больше времени нарастания колебаний.

Тогда произойдет следующее: возникшие колебания вызовут увеличение тока через транзистор, но колебания будут некоторое время поддерживаться зарядом конденсатора С2. Когда он израсходуется, напряжение на эмиттере упадет, транзистор закроется и колебания прекратятся. Конденсатор С2 начнет относительно медленно заряжаться от источника питания через резистор R1 до тех пор, пока не откроется транзистор и возникнет новая вспышка.

Эпюры напряжений в сверхрегенераторе

Осциллограммы напряжений на эмиттере транзистора и в контуре показаны на рис. 4 так, как они обычно видны на экране широкополосного осциллографа. Уровни напряжений 0,5 и 0,4 В показаны совершенно условно - они зависят от типа примененного транзистора и его режима.

Что же произойдет при поступлении в контур внешнего сигнала, ведь длительность вспышки теперь определяется зарядом конденсатора С2 и, следовательно, постоянна? С ростом сигнала, как и прежде, уменьшается время нарастания колебаний, вспышки следуют чаще. Если их продетектировать отдельным детектором, то средний уровень сигнала будет возрастать пропорционально логарифму входного сигнала. Но роль детектора с успехом выполняет и сам транзистор VT1 (см. рис. 1) -средний уровень напряжения на эмиттере падает с ростом сигнала.

Наконец, что же произойдет в отсутствие сигнала? Все то же самое, только рост амплитуды колебаний каждой вспышки будет начинаться от случайного напряжения шумов в контуре сверхрегенератора. Частота вспышек при этом минимальна, но нестабильна - период повторения меняется хаотическим образом. Усиление сверхрегенератора при этом максимально, а в телефонах или громкоговорителе слышен сильный шум. Он резко снижается при настройке на частоту сигнала. Таким образом, чувствительность сверхрегенератора по самому принципу его работы очень высока - она определяется уровнем внутренних шумов. Дополнительные сведения по теории сверхрегенеративного приема даны в [1,2].

УКВ ЧМ приемник с низковольтным питанием

А теперь рассмотрим практические схемы сверхрегенераторов. Их в литературе, особенно давних лет, можно найти довольно много. Любопытный пример: описание сверхрегенератора, выполненного всего на одном транзисторе, было опубликовано в журнале "Popular Electronics" № 3 за 1968 г., его краткий перевод дан в [3]. Сравнительно высокое напряжение питания (9 В) обеспечивает большую амплитуду вспышек колебаний в контуре сверхрегенератора, а следовательно, и большое усиление. Такое решение имеет и существенный недостаток: сверхрегенератор сильно излучает, поскольку антенна связана непосредственно с контуром катушкой связи. Подобный приемник рекомендуется включать лишь где-нибудь на природе, вдали от населенных мест.

Схема простого УКВ ЧМ приемника с низковольтным питанием, разработанного автором на основе базовой схемы (см. рис. 1), приведена на рис. 5. Антенной в приемнике служит сама контурная катушка L1, выполненная в виде одновитковой рамки из толстого медного провода (ПЭЛ 1,5 и выше). Диаметр рамки 90 мм. На частоту сигнала контур настраивают конденсатором переменной емкости (КПЕ) С1. Ввиду того, что от рамки сложно сделать отвод, транзистор VT1 включен по схеме емкостной трехточки - напряжение ОС на эмиттер подается с емкостного делителя С2С3.

Частота суперизации определяется суммарным сопротивлением резисторов R1-R3 и емкостью конденсатора С4. Если ее уменьшить до нескольких сотен пикофарад, прерывистая генерация прекращается и устройство становится регенеративным приемником. При желании можно установить переключатель, а конденсатор С4 составить из двух, например, емкостью 470 пф с подключаемым параллельно 0,047 мкф. Тогда приемник, в зависимости от условий приема, можно будет использовать в обоих режимах. Регенеративный режим обеспечивает более чистый и качественный прием, с меньшим уровнем шума, но требует значительно большей напряженности поля. Обратную связь регулируют переменным резистором R2, ручку которого (так же, как и ручку настройки) рекомендуется вывести на переднюю панель корпуса приемника.

Излучение этого приемника в сверхрегенеративном режиме ослаблено по следующим причинам: амплитуда вспышек колебаний в контуре невелика, порядка десятой доли вольта, к тому же маленькая рамочная антенна излучает крайне неэффективно, имея низкий КПД в режиме передачи.

Усилитель ЗЧ приемника двухкаскадный, собран по схеме с непосредственной связью на транзисторах VT2 и VT3 разной структуры. В коллекторную цепь выходного транзистора включены низкоомные головные телефоны (или один телефон) типов ТМ-2, ТМ-4, ТМ-6 или ТК-67-НТ сопротивлением 50-200 Ом. Подойдут телефоны от плейера.

Сверхгенератор
(нажмите для увеличения)

Необходимое смещение на базу первого транзистора УЗЧ подается не от источника питания, а через резистор R4 из эмиттерной цепи транзистора VT1, где, как упоминалось, имеется стабильное напряжение около 0,5 В. Конденсатор С5 пропускает к базе транзистора VT2 колебания ЗЧ.

Пульсации гасящей частоты 30...60 кГц на входе УЗЧ не фильтруются, поэтому усилитель работает как бы в импульсном режиме - выходной транзистор закрывается полностью и открывается до насыщения. Ультразвуковая частота вспышек телефонами не воспроизводится, но импульсная последовательность содержит составляющую со звуковыми частотами, которые и слышны. Диод VD1 служит для замыкания экстратока телефонов в момент окончания импульса и закрывания транзистора VT3, он срезает выбросы напряжения, улучшая качество и несколько повышая громкость воспроизведения звука.

Питается приемник от гальванического элемента напряжением 1,5 В или дискового аккумулятора напряжением 1,2 В. Потребляемый ток не превышает 3 мА, при необходимости его можно установить подбором резистора R4.

Налаживание приемника начинается с проверки наличия генерации, вращая ручку переменного резистора R2. Она обнаруживается по появлению довольно сильного шума в телефонах, или при наблюдении на экране осциллографа "пилы" в форме напряжения на конденсаторе С4. Частота суперизации подбирается изменением его емкости, она зависит и от положения движка переменного резистора R2. Следует избегать близости частоты суперизации к частоте стереоподнесущей 31,25 кГц или к ее второй гармонике 62,5 кГц, иначе могут прослушиваться биения, мешающие приему.

Далее нужно установить диапазон перестройки приемника, изменяя размеры рамочной антенны - увеличение диаметра понижает частоту настройки. Повысить частоту можно не только уменьшением диаметра самой рамки, но и увеличением диаметра провода, из которого она выполнена. Неплохое решение - использовать оплетку отрезка коаксиального кабеля, свернутого в кольцо. Индуктивность понижается и при изготовлении рамки из медной ленты или из двух-трех параллельных проводов диаметром 1,5-2 мм.

Диапазон перестройки достаточно широк, и операцию его установки нетрудно выполнить без приборов, ориентируясь на прослушиваемые станции. В диапазоне УКВ-2 (верхнем) транзистор КТ361 иногда работает неустойчиво - тогда его заменяют на более высокочастотный, например, КТ363. Недостатком приемника является заметное влияние рук, подносимых к антенне, на частоту настройки. Впрочем, он характерен и для других приемников, в которых антенна связана непосредственно с колебательным контуром.

Этот недостаток устраняется при использовании усилителя РЧ, как бы "изолирующего" контур сверхрегенератора от антенны. Другое полезное назначение такого усилителя - устранить излучение вспышек колебаний антенной, что практически полностью избавляет от помех соседним приемникам. Усиление УРЧ должно быть очень небольшим, ведь и усиление, и чувствительность сверхрегенератора достаточно высоки. Этим требованиям в наибольшей степени отвечает транзисторный УРЧ по схеме с общей базой или с общим затвором. Снова обращаясь к иностранным разработкам, упомянем схему сверхрегенератора с УРЧ на полевых транзисторах [4].

Экономичный сверхрегенеративный приемник

В целях достижения предельной экономичности автором был разработан сверхрегенеративный радиоприемник (рис. 6), потребляющий ток менее 0,5 мА от батареи напряжением 3 В, причем, если отказаться от УРЧ, ток снижается до 0,16 мА. В то же время чувствительность - около 1 мкВ.

Сигнал от антенны подается на эмиттер транзистора УРЧ VT1, включенного по схеме с общей базой. Поскольку его входное сопротивление невелико, и учитывая сопротивление резистора R1, получаем входное сопротивление приемника около 75 Ом, что позволяет использовать наружные антенны со снижением из коаксиального кабеля или ленточного УКВ кабеля с ферритовым трансформатором 300/75 Ом. Такая необходимость может возникнуть при удалении от радиостанций более 100 км. Конденсатор С1 небольшой емкости служит элементарным ФВЧ, ослабляя KB помехи. В лучших условиях приема годится любая суррогатная проволочная антенна.

Транзистор УРЧ работает при коллекторном напряжении, равном базовому, - около 0,5 В. Это стабилизирует режим и исключает необходимость налаживания. В коллекторную цепь включена катушка связи L1, намотанная на одном каркасе с контурной катушкой L2. Катушки содержат 3 витка провода ПЭЛШО 0,25 и 5,75 витка ПЭЛ 0,6 соответственно. Диаметр каркаса - 5,5 мм, расстояние между катушками - 2 мм. Отвод к общему проводу сделан от 2-го витка катушки L2, считая от вывода, соединенного с базой транзистора VT2. Для облегчения настройки каркас полезно оснастить подстроечником с резьбой М4 из магнитодиэлектрика или латуни. Другой вариант, облегчающий настройку, - заменить конденсатор С3 подстроечным, с изменением емкости от 6 до 25 или от 8 до 30 пф.

Конденсатор настройки С4 типа КПВ, он содержит одну роторную и две статорные пластины. Сверхрегенеративный каскад собран по уже описанной схеме (см. рис. 1) на транзисторе VT2. Режим работы подбирают подстроечным резистором R4,частота вспышек (суперизации) зависит от емкости конденсатора С5. На выходе каскада включен двухзвенный ФНЧ R6C6R7C7, ослабляющий колебания с частотой суперизации на входе УЗЧ, чтобы последний не перегружался ими.

Сверхгенератор
(нажмите для увеличения)

Использованный сверхрегенеративный каскад отдает небольшое продетектированное напряжение и, как показала практика, требует двух каскадов усиления напряжения ЗЧ. В этом же приемнике транзисторы УЗЧ работают в режиме микротоков (обратите внимание на большие сопротивления нагрузочных резисторов), усиление их меньше, поэтому использовано три каскада усиления напряжения (транзисторы VT3-VT5) с непосредственной связью между ними. Каскады охвачены ООС через резисторы R12, R13, стабилизирующей их режим. По переменному току ООС ослаблена конденсатором С9. Резистор R14 позволяет регулировать в некоторых пределах усиление каскадов.

Выходной каскад собран по схеме двухтактного эмиттерного повторителя на комплементарных германиевых транзисторах VT6, VT7. Они работают без смещения, но искажения типа "ступенька" отсутствуют, во-первых, из-за низкого порогового напряжения германиевых полупроводниковых приборов (0,15 В вместо 0,5 В у кремниевых), а во-вторых, из-за того, что колебания с частотой суперизации все-таки немного проникают через ФНЧ в УЗЧ и как бы "размывают" ступеньку, действуя подобно ВЧ подмагничиванию в магнитофонах.

Достижение высокой экономичности приемника требует использования высокоомных головных телефонов сопротивлением не менее 1 кОм. Если же задачу получения предельной экономичности не ставить, целесообразно использовать более мощный оконечный УЗЧ.

Налаживание приемника начинают с УЗЧ. Подбором резистора R13 устанавливают напряжение на базах транзисторов VT6, VT7 равным половине напряжения питания (1,5 В). Убеждаются в отсутствии самовозбуждения при любом положении движка резистора R14 (желательно, с помощью осциллографа). Полезно подать на вход УЗЧ какой либо звуковой сигнал амплитудой не более нескольких милливольт и убедиться в отсутствии искажений и симметричности ограничения при перегрузке.

Подключив сверхрегенеративный каскад, регулировкой резистора R4 добиваются появления шума в телефонах (амплитуда шумового напряжения на выходе - около 0,3 В). Полезно сказать, что, кроме указанных на схеме, в УРЧ и сверхрегенеративном каскаде хорошо работают любые другие кремниевые высокочастотные транзисторы структуры р-n-р. Теперь можно уже попытаться принять радиостанции, связав антенну с контуром через конденсатор связи емкостью не более 1 пф или с помощью катушки связи. Далее подсоединяют УРЧ и подгоняют диапазон принимаемых частот, изменяя индуктивность катушки L2 и емкость конденсатора С3.

В заключение надо заметить, что подобный приемник, ввиду его высокой экономичности и чувствительности, может найти применение и в переговорных системах, и в устройствах охранной сигнализации. К сожалению, прием ЧМ на сверхрегенератор получается не самым оптимальным образом: работа на скате резонансной кривой уже гарантирует ухудшение отношения сигнал/шум на 6 дБ. Нелинейный режим сверхрегенератора тоже не слишком способствует высококачественному приему, тем не менее качество звука получилось неплохим.

Литература

  1. Белкин М. К. Сверхрегенеративный радиоприем. - Киев: Техника, 1968.
  2. Хевролин В. Сверхрегенеративный прием.- Радио,1953, № 8,с.37.
  3. УКВ ЧМ приемник на одном транзисторе. - Радио,1970,№ 6,с.59.
  4. "Последний из могикан...". - Радио, 1997, № 4, с. 20,21

Автор: В.Поляков, г.Москва

Смотрите другие статьи раздела Радиоприем.

Читайте и пишите полезные комментарии к этой статье.

<< Назад

<< Назад

Последние новости науки и техники, новинки электроники:

Зеленый чай и метаболическое здоровье 23.01.2026

Зеленый чай на протяжении многих лет остается объектом пристального внимания ученых, поскольку его регулярно связывают с профилактикой различных хронических заболеваний. Этот напиток давно вышел за рамки повседневной традиции и стал предметом серьезных биомедицинских исследований. Недавняя научная работа показала, что полезные свойства зеленого чая могут быть гораздо шире, чем считалось ранее, особенно в контексте обмена веществ и здоровья кишечника. В рамках исследования ученые наблюдали за 40 добровольцами, среди которых 21 человек имел диагностированный метаболический синдром, а 19 участников были здоровыми взрослыми. В течение 28 дней одной группе испытуемых давали экстракт зеленого чая, тогда как другая группа получала плацебо. Такой подход позволил сравнить влияние активных компонентов напитка на разные показатели здоровья. Результаты показали, что у участников, принимавших экстракт зеленого чая, уровень глюкозы в крови оказался ниже, чем у тех, кто получал плацебо. Этот эф ...>>

Наушники Sony LinkBuds Clip 23.01.2026

Sony представила новую модель беспроводных наушников - LinkBuds Clip. Они заметно отличаются от классических устройств. Это открытые наушники с клипсой, которые не вставляются в ушной канал и не охватывают ухо. Вместо этого они фиксируются на ухе, как кафф или ювелирное украшение, позволяя слушать музыку, не отсекая окружающие звуки. Это открытые наушники с клипсовым креплением, которые не вставляются в ушной канал и не охватывают ухо целиком. Они фиксируются на внешней части уха, напоминая кафф или декоративный аксессуар, и позволяют слушать музыку, не перекрывая естественные звуки окружающей среды. В основе модели лежит концепция open-ear, благодаря которой пользователь одновременно слышит воспроизводимый контент и то, что происходит вокруг - шум транспорта, объявления или речь собеседников. По утверждению Sony, такая "всегда открытая" конструкция особенно удобна для повседневного длительного использования, поскольку отпадает необходимость каждый раз ставить воспроизведение на ...>>

Луна поглощает воздух нашей планеты 22.01.2026

Взаимодействие Земли и Луны оказывается не только гравитационным. Новые исследования показывают, что наш естественный спутник постепенно "поглощает" крошечные фрагменты атмосферы Земли, используя для этого солнечный ветер и магнитное поле нашей планеты. Этот процесс исследователи называют космическим каннибализмом. Еще во времена миссий "Аполлон" в 1970-х годах ученые обнаружили в лунном реголите необычные следы воды, углекислого газа, гелия и азота. Стало ясно, что часть этих веществ, включая ионы азота, попала на Луну из верхних слоев земной атмосферы. Долгое время считалось, что подобная передача могла происходить только до того, как Земля сформировала свое магнитное поле. Магнитосфера, как считалось, должна была защищать планету и блокировать утечку атмосферных частиц в космос. Новое моделирование показало, что это представление неверно. Ученые объединили данные лунных образцов с компьютерными моделями и выяснили, что поток ионов усиливается, когда Луна проходит через так ...>>

Случайная новость из Архива

Гиперзвуковую ракету готовит к испытаниям 18.08.2017

Американская компания Generation Orbit Launch Services в ближайшее время приступит к серии испытаний прототипа перспективной гиперзвуковой ракеты носителя GOLauncher 1, которая позволит выводить различную полезную нагрузку на суборбитальную траекторию. Как пишет Aviation Week, в ближайшее время начнутся огневые испытания ракеты, а затем летные испытания на самолете-носителе. Эти проверки будут проводиться на полигоне авиабазы ВВС США "Эдвардс" в Калифорнии.

В настоящее время американские разработчики не имеют инструментов, которые бы позволяли проводить широкий спектр исследований в области микрогравитации и высокоскоростного атмосферного полета. До 1968 года такие исследования в США проводились с помощью экспериментального ракетоплана X-15, изначально проектировавшегося для космических полетов с самолета-носителя. До закрытия программы X-15 ракетопланы с различным оборудованием применялись для исследований, данные которых использовались, в том числе, в разработке американских космических программ.

Новая гиперзвуковая ракета станет носителем для различного измерительного оборудования, которое позволит проводить исследования не только в области микрогравитации, но и астрофизики. Кроме того, ракету можно будет использовать и для вывода в космос наноспутников. Как ожидается, во время первых летных испытаний ракеты ее носителем станет модифицированный бизнес-джет Gulfstream III. С его помощью будут определяться аэродинамические характеристики ракеты и ее влияние на параметры полета носителя.

Как ожидается, после огневых и продувочных испытаний ракеты GOLauncher 1, Generation Orbit Launch Services соберет первый летный прототип, который будет полностью готов и совершит первый полет на самолете-носителе до конца 2018 года. Первые отстыковку в воздухе и самостоятельный полет ракета выполнит уже в начале 2019 года. Вскоре после этого ракету GOLauncher 1, работающую на жидком топливе, начнут использовать для первых исследовательских запусков.

Масса новой ракеты составит 1,1 тонны. Ее двигатель будет работать на керосине и жидком кислороде и сможет выдавать тягу около 22,2 килоньютона на уровне моря. GOLauncher 1 сможет нести различное оборудование или наноспутники общей массой от 136 до 454 килограммов. Ракету можно будет использовать для исследовательских запусков по суборбитальным траекториям высотой от 15,2 до 36,6 тысяч метров со скоростями полета от четырех до восьми чисел Маха (от 4,9 до 9,9 тысячи километров в час).

Другие интересные новости:

▪ Мышь-ищейка

▪ Свежие яблоки круглый год

▪ Парниковый газ - в дело

▪ Изменение климата повлияет на рождаемость людей

▪ Микро-ПК Intel Edison

Лента новостей науки и техники, новинок электроники

 

Интересные материалы Бесплатной технической библиотеки:

▪ раздел сайта Должностные инструкции. Подборка статей

▪ статья Реклама. Шпаргалка

▪ статья Где и когда для демонстрации преданности нужно было сосать соски королю? Подробный ответ

▪ статья Коричник японский. Легенды, выращивание, способы применения

▪ статья Управление RGB светодиодом. Энциклопедия радиоэлектроники и электротехники

▪ статья Ложка-выпрямитель. Химический опыт

Оставьте свой комментарий к этой статье:

Имя:


E-mail (не обязательно):


Комментарий:





Главная страница | Библиотека | Статьи | Карта сайта | Отзывы о сайте

www.diagram.com.ua

www.diagram.com.ua
2000-2026