Menu Home

Бесплатная техническая библиотека для любителей и профессионалов Бесплатная техническая библиотека


Кварцевый фильтр трансивера. Энциклопедия радиоэлектроники и электротехники

Бесплатная техническая библиотека

Энциклопедия радиоэлектроники и электротехники / Гражданская радиосвязь

Комментарии к статье Комментарии к статье

Кварцевый фильтр - это, как известно, "половина хорошего трансивера". В предлагаемой статье приведены практическая конструкция двенадцатикристального кварцевого фильтра основной селекции для высококачественного трансивера и приставки к компьютеру, позволяющие настроить этот и любые другие узкополосные фильтры.

В любительских конструкциях в последнее время в качестве фильтра основной селекции используют кварцевые восьмикристальные фильтры лестничного типа, выполненные на одинаковых резонаторах. Эти фильтры относительно просты в изготовлении и не требуют больших материальных затрат. Для их расчета и моделирования написаны компьютерные программы. Характеристики фильтров вполне удовлетворяют требованиям качественного приема и передачи сигнала. Однако при всех преимуществах у этих фильтров имеется и существенный недостаток - некоторая асимметрия АЧХ (пологий низкочастотный скат) и, соответственно, невысокий коэффициент прямоугольности.

Загруженность радиолюбительского эфира определяет достаточно жесткие требования к избирательности современного трансивера по соседнему каналу, поэтому фильтр основной селекции должен обеспечивать затухание вне полосы пропускания не хуже 100 дБ при коэффициенте прямоугольности 1,5-1,8 (по уровням -6/-90 дБ). Естественно, что потери и неравномерность АЧХ в полосе пропускания фильтра должны быть минимальны.

Руководствуясь рекомендациями, изложенными в [1], за основу был выбран десятикристальный лестничный фильтр с чебышевской характеристикой при неравномерности АЧХ 0,28 дБ. Чтобы увеличить крутизну скатов параллельно входу и выходу фильтра были введены дополнительные цепи, состоящие из последовательно включенных кварцевых резонаторов и конденсаторов. Расчеты параметров резонаторов и фильтра проводились по методике, описанной в [2]. Для полосы пропускания фильтра 2,65 кГц были получены исходные значения С1,2 = 82,2 пФ, Lкв= 0,0185 Гн, RH = 224 Ом. Схема фильтра и расчетные значения номиналов конденсаторов показаны на рис. 1.

Кварцевый фильтр трансивера
(нажмите для увеличения)

В конструкции использованы кварцевые резонаторы для телевизионных PAL-декодеров на частоту 8,867 МГц, выпускаемые ВНИИСИМС (г Александров Владимирской области). Свою роль в выборе сыграли стабильная повторяемость параметров кристаллов, их малые габариты и невысокая стоимость. Подбор частоты кварцевых резонаторов для ZQ2- ZQ11 проводился с точностью ±50 Гц. Измерения проводились с помощью самодельного автогенератора и промышленного частотомера. Резонаторы ZQ1 и ZQ12 для параллельных цепей подобраны из других партий кристаллов с частотами соответственно ниже и выше основной частоты фильтра примерно на 1 кГц.

Фильтр собран на печатной плате из двусторонне фольгированного стеклотекстолита толщиной 1 мм (рис. 2).

Кварцевый фильтр трансивера

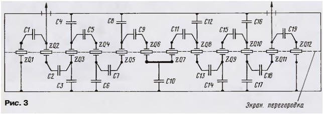
Верхний слой металлизации использован в качестве общего провода. Отверстия со стороны установки резонаторов раззенкованы. Корпусы всех кварцевых резонаторов соединены с общим проводом пайкой. Перед установкой деталей печатная плата фильтра запаивается в коробочку из луженой жести с двумя съемными крышками. Также со стороны печатных проводников припаивается экран-перегородка, проходящая между выводами резонаторов по центральной осевой линии платы. На рис. 3 приведена монтажная схема фильтра. Все конденсаторы в фильтре - КД и КМ.

Кварцевый фильтр трансивера

После того как фильтр был изготовлен, возник вопрос: каким образом в домашних условиях измерить его АЧХ с максимальным разрешением? Был задействован домашний компьютер с последующей проверкой результатов измерений построением АЧХ фильтра по точкам с применением селективного микровольтметра.

Для того чтобы просмотреть АЧХ фильтра на уровне -100 дБ, генератор должен иметь уровень боковых шумов ниже указанной величины, а детектор - хорошую линейность при максимальном динамическом диапазоне не хуже 90... 100 дБ. По этой причине генератор шума был заменен традиционным генератором качающейся частоты (рис. 4).

Кварцевый фильтр трансивера
(нажмите для увеличения)

За основу взята схема кварцевого генератора [4], у которого относительная спектральная плотность мощности шумов равна - 165 дБ/Гц. Это означает, что мощность шумов генератора при расстройке 10 кГц в полосе 3 кГц меньше мощности основного колебания генератора на 135 дБ!

Схема первоисточника немного видоизменена. Так вместо биполярных транзисторов применены полевые, а последовательно с кварцевым резонатором ZQ1 включен контур, состоящий из катушки индуктивности L1 и варикапов VD2 - VD5. Частота генератора перестраивается относительно частоты кварца в пределах 5 кГц, что вполне достаточно для измерения АЧХ узкополосного фильтра. Кварцевый резонатор в генераторе аналогичный фильтровому В режиме генератора качающейся частоты управляющее напряжение на варикапы VD2 - VD5 подается с генератора пилообразного напряжения, выполненного на одно-переходном транзисторе VT2 с генератором тока на VT1. Для ручной перестройки частоты генератора применен многооборотный резистор R11. Микросхема DA1 работает как усилитель напряжения.

От первоначально задуманного синусоидального управляющего напряжения пришлось отказаться ввиду неравномерной скорости прохода ГКЧ разных участков АЧХ фильтра, а для достижения максимальной разрешающей способности частота генератора снижена до 0,3 Гц.

Переключателем SA1 выбирается частота генератора "пилы" - 10 или 0,3 Гц. Девиация частоты ГКЧ устанавливается подстроечным резистором R10.

Принципиальная схема блока детектора показана на рис. 5. Сигнал с выхода кварцевого фильтра подается на вход Х2, если контур L1C1C2 используется в качестве нагрузки фильтра. Если измерения проводятся на фильтрах, нагруженных на активное сопротивление, этот контур не нужен. Тогда сигнал с резистора нагрузки подается на вход Х1, а на печатной плате детектора удаляется проводник, соединяющий вход Х1 с контуром.

Кварцевый фильтр трансивера
(нажмите для увеличения)

Истоковый повторитель с динамическим диапазоном более 90 дБ на мощном полевом транзисторе VT1 согласует сопротивление нагрузки фильтра и входного сопротивления смесителя. Детектор выполнен по схеме пассивного балансного смесителя на полевых транзисторах VT2, VT3 и имеет динамический диапазон более 93 дБ. На объединенные затворы транзисторов через П-контуры C17L2C20 и C19L3C21 поступают противофазные синусоидальные напряжения уровнем 3...4 В (эфф.) от опорного генератора. В опорном генераторе детектора, выполненном на микросхеме DD1, установлен кварцевый резонатор с частотой 8,862 МГц.

Образовавшийся на выходе смесителя низкочастотный сигнал усиливается примерно в 20 раз усилителем на микросхеме DA1. Так как звуковые карты персональных компьютеров имеют сравнительно низкоомный вход, в детекторе установлен мощный ОУ К157УД1. АЧХ усилителя скорректирована так, чтобы ниже частоты 1 кГц и выше частоты 20 кГц наблюдался спад усиления приблизительно - 6 дБ на октаву.

Генератор качающейся частоты смонтирован на печатной плате из двусторонне фольгированного стеклотекстолита (рис. 6). Верхний слой платы служит общим проводом, отверстия под выводы деталей, не имеющие с ним контакта, раззенкованы. Плата запаяна в коробку высотой 40 мм с двумя съемными крышками. Коробка изготовлена из луженой жести.

Кварцевый фильтр трансивера

Катушки индуктивности L1, L2, L3 намотаны на стандартных каркасах диаметром 6,5 мм с подстроечниками из карбонильного железа и помещены в экраны. L1 содержит 40 витков провода ПЭВ-2 0,21, L3 и L2 - соответственно 27 и 2+4 витка провода ПЭЛШО-0,31. Катушка L2 намотана поверх L3 ближе к "холодному" концу. Все дроссели стандартные - ДМ 0,1 68 мкГн. Постоянные резисторы МЛТ, подстроенные R6, R8 и R10 типа СПЗ-38. Многооборотный резистор - ППМЛ. Постоянные конденсаторы - КМ, КЛС, КТ, оксидные - К50-35, К53-1.

Налаживание ГКЧ начинают с установки максимального сигнала на выходе генератора пилообразного напряжения. Контролируя осциллографом сигнал на выводе 6 микросхемы DA1, подстроечными резисторами R8 (усиление) и R6 (смещение) устанавливают амплитуду и форму сигнала, приведенную на эпюре в точке А.

Подбором резистора R12 добиваются устойчивой генерации без вхождения в режим ограничения сигнала. Подбирая емкость конденсатора С14 и подстраивая контур L2L3, настраивают выходную колебательную систему в резонанс, что гарантирует хорошую нагрузочную способность генератора. Подстроечником катушки L1 устанавливают границы перестройки генератора в пределах 8,8586-8,8686 МГц, что с запасом перекрывает полосу АЧХ испытуемого кварцевого фильтра. Для обеспечения максимальной перестройки ГКЧ (не менее 10 кГц) вокруг точки соединения L1, VD4, VD5 верхний слой фольги удален. Без нагрузки выходное синусоидальное напряжение генератора равно 1 В (эфф).

Блок детектора выполнен на печатной плате из двустороне фольгированного стеклотекстолита (рис. 7). Верхний слой фольги используется в качестве общего провода. Отверстия под выводы деталей, не имеющие контакт с общим проводом, зенкуют. Плата запаивается в жестяную коробку высотой 35 мм со съемными крышками. От качества изготовления приставки зависит ее разрешающая способность.

Кварцевый фильтр трансивера

Катушки L1-L4 содержат по 32 витка провода ПЭВ-0,21, намотанных виток к витку на каркасах диаметром 6 мм. Подстроечники в катушках от броневых сердечников СБ-12а. Все дроссели типа ДМ-0,1. Индуктивность L5 - 16 мкГн, L6, L8 - 68 мкГн, L7- 40 мкГн. Трансформатор Т1 намотан на кольцевом ферритовом магнитопроводе 1000НН типоразмера К10x6x3 мм и содержит в первичной обмотке 7 витков, во вторичной - 2x13 витков провода ПЭВ-0,31.

Все подстроечные резисторы - СПЗ-38.

Во время предварительной настройки блока высокочастотным осциллографом контролируют синусоидальный сигнал на затворах транзисторов VT2, VT3 и, при необходимости, подстраивают катушки L2, L3. Подстроечником катушки L4 частота опорного генератора уводится ниже полосы пропускания фильтра на 5 кГц. Это делается для того, чтобы на рабочем участке анализатора спектра меньше наблюдалось различных помех, уменьшающих разрешающую способность устройства.

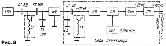
Генератор качающейся частоты подключают к кварцевому фильтру через согласующий колебательный контур с емкостным делителем (рис. 8).

Кварцевый фильтр трансивера

В процессе настройки это позволит получить малые затухание и неравномерность в полосе пропускания фильтра. Второй согласующий колебательный контур, как уже упоминалось, находится в детекторной приставке. Собрав схему измерения и подключив выход приставки (разъем Х3) на микрофонный или линейный вход звуковой карты персонального компьютера, запускаем программу спектроанализатора. Существует несколько таких программ. Автором была использована программа SpectraLab v.4.32.16, размещенная по адресу: cityradio.narod.ru/utilJties.html. Программа удобна в пользовании и обладает большими возможностями.

Итак, запускаем программу "SpektroLab" и, подстраивая частоты ГКЧ (в режиме ручного управления) и опорного генератора в детекторной приставке, выставляем пик спектрограммы ГКЧ на отметку 5 кГц. Далее, балансируя смеситель детекторной приставки, пик второй гармоники уменьшают до уровня шумов. После этого включается режим ГКЧ и на мониторе появляется долгожданная АЧХ испытуемого фильтра. Вначале включается частота качания 10 Гц и, подстраивая с помощью R11 центральную частоту, а затем и полосу качания R10 (рис. 4), устанавливаем приемлемую "картинку" АЧХ фильтра в реальном времени. Во время измерений, подстраивая согласующие контуры, добиваются минимальной неравномерности в полосе пропускания. Далее для достижения максимальной разрешающей способности устройства включаем частоту качания 0,3 Гц и устанавливаем в программе максимально возможное количество точек преобразования Фурье (FFT, у автора 4096..8192) и минимальное значение параметра усреднения (Averaging, у автора 1). Так как характеристика рисуется за несколько проходов ГКЧ, то включается режим запоминающего пикового вольтметра (Hold). В итоге на мониторе получаем АЧХ исследуемого фильтра. С помощью курсора мыши получаем необходимые цифровые значения полученной АЧХ на нужных уровнях. При этом надо не забыть измерить частоту опорного генератора в детекторной приставке, чтобы потом получить истинные значения частот точек АЧХ.

Оценив первоначальную "картинку", подстраивают частоты последовательного резонанса ZQ1n ZQ12 соответственно на нижний и верхний скаты АЧХ фильтра, добиваясь максимальной пря-моугольности на уровне -90 дБ. В заключение с помощью принтера получаем полновесный "документ" на изготовленный фильтр. В качестве примера на рис. 9 приведена спектрограмма АЧХ этого фильтра. Там же приведена спектрограмма сигнала ГКЧ. Видимая неравномерность левого ската АЧХ на уровне -3...-5 дБ устраняется перестановкой кварцевых резонаторов ZQ2-ZQ11.

Кварцевый фильтр трансивера

В итоге получаем следующие характеристики фильтра: полоса пропускания по уровню -6 дБ - 2,586 кГц, неравномерность АЧХ в полосе пропускания - менее 2 дБ, коэффициент прямоугольности по уровням -6/-60 дБ - 1,41; по уровням -6/-80 дБ - 1,59 и по уровням -6/-90 дБ - 1,67; затухание в полосе - менее 3 дБ, а за полосой - более 90 дБ.

Автор решил проверить полученные результаты и измерил АЧХ кварцевого фильтра по точкам. Для измерений потребовался селективный микровольтметр с хорошим аттенюатором, коим послужил микровольтметр типа HMV-4 (Польша) с номинальной чувствительностью 0,5 мкВ (в то же время хорошо фиксирующий сигналы с уровнем 0.05 мкВ) и аттенюатором в 100 дБ.

Для этого варианта измерений была собрана схема, приведенная на рис. 10. Согласующие контуры по входу и выходу фильтра тщательно экранированы. Соединительные экранированные провода применены хорошего качества. Также тщательно выполнены "земляные" цепи.

Кварцевый фильтр трансивера

Плавно изменяя частоту ГКЧ резистором R11 и переключая по 10 дБ аттенюатор, снимаем показания микровольтметра, проходя по всей АЧХ фильтра. Используя данные измерений и тот же масштаб, строим график АЧХ (рис. 11).

Кварцевый фильтр трансивера

Благодаря высокой чувствительности микровольтметра и малым боковым шумам ГКЧ хорошо фиксируются сигналы на уровне -120 дБ, что четко отражено на графике.

Результаты измерений получились следующие: полоса пропускания по уровню -6 дБ - 2,64 кГц; неравномерность АЧХ - менее 2 дБ; коэффициент прямоугольности по уровням -6/-60 дБ равен 1,386; по уровням -6/-80 дБ - 1,56; по уровням -6/-90 дБ - 1,682; по уровням -6/-100 дБ - 1,864; затухание в полосе - менее 3 дБ, за полосой - более 100 дБ.

Некоторые отличия результатов измерений от компьютерного варианта объясняются наличием накапливающихся ошибок цифроаналогового преобразования при изменении анализируемого сигнала в большом динамическом диапазоне.

Необходимо отметить, что приведенные графики АЧХ кварцевого фильтра получены при минимальном объеме настроечных работ и при более тщательном подборе компонентов, характеристики фильтра могут быть заметно улучшены.

Предложенная схема генератора может быть с успехом использована для измерений односигнальной избирательности, а также для измерения динамического диапазона трансиверов до 110...120 дБ.

Данное устройство с успехом можно использовать для оценки качественных показателей тракта ПЧ трансиверов, работы АРУ и детекторов. Подав сигнал генератора качающейся частоты на детектор, на выходе приставки к ПК получаем сигнал низкочастотного генератора качающейся частоты, с помощью которого можно легко и быстро настроить любой фильтр и каскад НЧ тракта трансивера.

Не менее интересно использовать предлагаемую детекторную приставку в составе панорамного индикатора трансивера. Для этого следует подключить к выходу первого смесителя кварцевый фильтр с полосой пропускания 8...10 кГц. Далее полученный сигнал усилить и подать на вход детектора. В этом случае можно наблюдать сигналы своих корреспондентов с уровнями от 5 до 9 баллов с хорошей разрешающей способностью.

Литература

  1. Усов В. Кварцевый фильтр SSB. - Радиолюбитель, 1992, № 6, с. 39,40.
  2. Дроздов В. В. Любительские KB трансиверы. - М.: Радио и связь, 1988.
  3. Klaus Reban (DG2XK). Optimizierung von Egenbau-Quarzfiltern rnit der PC-Soundkarte. - Funkamateur, №11,2001, S. 1246-1249.
  4. Frank Silva. Shrnutzeffekte vermeiden und beseitig. - FUNK, 1999.11. S. 38.

Автор: Г.Брагин (RZ4HK)

Смотрите другие статьи раздела Гражданская радиосвязь.

Читайте и пишите полезные комментарии к этой статье.

<< Назад

<< Назад

Последние новости науки и техники, новинки электроники:

Хорошо управляемые луга могут компенсировать выбросы от скота 15.02.2026

Животноводство, особенно разведение крупного рогатого скота, часто обвиняют в значительном вкладе в глобальное потепление из-за мощного парникового газа - метана, который выделяется при пищеварении у жвачных животных. Это вызывает острые политические споры и призывы к сокращению потребления мяса. Однако ученые напоминают, что полная картина климатического воздействия отрасли не ограничивается только выбросами от животных: огромную роль играет окружающая экосистема - пастбища, почва и растительность, которые способны активно поглощать углекислый газ из атмосферы. Исследователи из Университета Небраски-Линкольна решили глубже изучить этот баланс. Группа под руководством профессора Галена Эриксона сосредоточилась на том, как правильно организованные пастбища накапливают углерод в растениях и грунте благодаря естественным процессам, стимулируемым выпасом скота. Ученые подчеркивают, что при достаточном уровне осадков и грамотном управлении такие луга превращаются в мощные природные погло ...>>

NASA тестирует инновационную технологию крыла 15.02.2026

Коммерческая авиация ежегодно расходует колоссальные объемы керосина, что сказывается не только на бюджете авиакомпаний, но и на состоянии окружающей среды. В 2024 году глобальные затраты на авиационное топливо достигли 291 миллиарда долларов, и эта сумма продолжает расти. Чтобы справиться с этими вызовами, NASA активно работает над технологиями, способными заметно повысить аэродинамическую эффективность самолетов. Одним из самых перспективных направлений стало создание специальной конструкции крыла, которая максимизирует естественный ламинарный поток воздуха и минимизирует сопротивление. В январе 2026 года специалисты NASA Armstrong Flight Research Center успешно провели важный этап наземных испытаний концепции Crossflow Attenuated Natural Laminar Flow (CATNLF). Для эксперимента под фюзеляж исследовательского самолета F-15B закрепили вертикально ориентированную масштабную модель высотой около 0,9 м (3 фута), напоминающую узкий киль. Такая компоновка позволила подвергнуть прототип р ...>>

Забота о внуках очень полезна для здоровья мозга 14.02.2026

Общение между поколениями приносит радость всей семье, но мало кто задумывается, насколько активно бабушки и дедушки, заботящиеся о внуках, поддерживают свою умственную форму. Регулярное взаимодействие с детьми стимулирует мозг пожилых людей, помогая сохранять память, скорость мышления и общую когнитивную активность. Новые научные данные подтверждают, что такая добровольная помощь не только важна для общества, но и может замедлять возрастные изменения в мозге. Исследователи из Тилбургского университета в Нидерландах провели анализ, чтобы понять, приносит ли уход за внуками реальную пользу здоровью пожилых людей. Ведущий автор работы Флавия Черечес отметила, что многие бабушки и дедушки регулярно присматривают за детьми, и оставался открытым вопрос, насколько это положительно сказывается на их собственном благополучии, особенно в плане когнитивных функций. Ученые поставили цель выяснить, способен ли регулярный уход за внуками замедлить снижение памяти и других умственных способ ...>>

Случайная новость из Архива

Мягкий экзоскелет 09.07.2013

Ученым и инженерам впервые удалось создать "мягкий экзоскелет", основанный на использовании искусственных мышц, попросту говоря, это, фактически, "костюм супермена", которые можно надеть для увеличения силы и выносливости.

Необычный агрегат создан специалистами из Гарвардского и Бостонского университетов по заказу Министерства обороны США. Устройство представляет собой дополнительный набор мышц, который питается от воздушного компрессора. Это кардинально отличает данную разработку от других аналогов типа HULC, которые оснащены тяжелыми металлическими или пластиковыми "костями" с гидро- или электроприводами. Поэтому разработчики называют свое изобретение "экзокостюмом", ведь как такового скелета в нем нет: лишь сложная сетка, которая облегает ноги и с помощью пневмомышц помогает человеческим мышцам сгибать и разгибать конечности.

Костюм включает в себя пневматические мышцы, компрессор, аккумулятор давления (проще говоря баллон со сжатым воздухом) и датчики, которые устанавливаются на коленных, тазобедренных и голеностопных суставах. Датчики непрерывно контролируют положение ног и сокращают/распрямляют пневматические мышцы в строго определенный момент времени.

Повторимся: экзокостюм действует как дополнительный набор мышц и делает человека сильнее, как будто он несколько лет интенсивно занимался физподготовкой. Теоретически, экзокостюм может выдавать мощность в несколько раз большую, чем сила наших мышц, но тут встает вопрос с допустимой нагрузкой на человеческие кости и суставы, ведь у костюма нет своего искусственного скелета. Тем не менее, взрослому хорошо подготовленному человеку костюм дает серьезные преимущества в силе, даже если повышает ее "всего" на 20-30%. Кроме того, с появлением легких и мощных мышц легко будет объединить экзокостюм с экзоскелетом, принимающим на себя неподъемный для человека груз.

По словам разработчиков, использование экзокостюма очень естественное: ты просто чувствуешь, как "волшебная сила" помогает идти и поднимать тяжелые предметы. Когда экзокостюм снимаешь, чувствуешь, как лишаешься дополнительной силы. Уникальная "естественность" экзокостюма не сравнима с тяжелыми неуклюжими экзоскелетами. Конечно, экзокостюм не позволяет 10 часов нести груз в 100 кг, но зато в перспективе его можно будет можно спрятать под одеждой. Экзокостюм весит 7,5 кг и настраивается столь точно, что пользователь иногда забывает о его существовании.

Разработчики полагают, что их экзокостюм может пригодиться в трех областях. Прежде всего в военных целях, чтобы помочь солдатам пройти большее расстояние и нести более тяжелые грузы. Кроме того, он может применяться в спорте и реабилитационной медицине. В последнем случае экзокостюм может помочь людям не потерявшим способность ходить, но с ослабленными или атрофированными мышцами.

Другие интересные новости:

▪ Вода может иметь несколько жидких состояний

▪ Революционная технология ядерного синтеза

▪ Компьютер управляется мимикой

▪ Органические светодиоды для медицинских приборов

▪ Рефальт - моментальный асфальт

Лента новостей науки и техники, новинок электроники

 

Интересные материалы Бесплатной технической библиотеки:

▪ раздел сайта Музыканту. Подборка статей

▪ статья Разве я лежу на розах? Крылатое выражение

▪ статья Что такое углерод? Подробный ответ

▪ статья Специалист по налогам. Должностная инструкция

▪ статья Датчик дождя. Энциклопедия радиоэлектроники и электротехники

▪ статья Дрессированная собачка. Секрет фокуса

Оставьте свой комментарий к этой статье:

Имя:


E-mail (не обязательно):


Комментарий:





Главная страница | Библиотека | Статьи | Карта сайта | Отзывы о сайте

www.diagram.com.ua

www.diagram.com.ua
2000-2026