Menu Home

Бесплатная техническая библиотека для любителей и профессионалов Бесплатная техническая библиотека


Микросхемы для радиомодемов. Энциклопедия радиоэлектроники и электротехники

Бесплатная техническая библиотека

Энциклопедия радиоэлектроники и электротехники / Гражданская радиосвязь

Комментарии к статье Комментарии к статье

Передача данных по радиоканалу на небольшие расстояния получает все большее распространение в быту. Обычными стали уже "радиоключи" для автомобильной сигнализации и дистанционного управления различными объектами, завоевывают популярность "радиомыши" и "радиоклавиатуры" компьютеров и т. п. Пришло время и для беспроводного объединения компьютеров в сеть. Эта статья познакомит читателей со специализированными микросхемами, предназначенными для решения таких задач.

Еще недавно каждый, впервые увидевший "тыльную" сторону системного блока действующего компьютера, был поражен паутиной присоединенных к нему проводов и кабелей, которые шли к немалому числу взаимодействующих с компьютером устройств. Внедрение шины USB, обходящей все устройства последовательно, упрощает кабельную сеть, но не решает проблему окончательно.

Попытки применить для связи между компьютером и его периферией инфракрасное излучение не имеют большого успеха, так как между источником и приемником ИК-лучей обязательна прямая видимость, а реальная дальность надежной связи не превышает двух метров. К тому же конкурирующими производителями аппаратуры так и не выработан единый протокол обмена данными. Поэтому наличие в вашем компьютере адаптера IrDA еще не гарантирует возможности связаться с его помощью с любым из оборудованных IrDA устройств.

В последнее время все большее развитие получает идея организовать "ближнюю" связь между компьютерами, находящимися в одном или соседних помещениях, и взаимодействующими с ними устройствами (принтерами, сканерами, модемами и т. п.) по радиоканалу. Однако при кажущейся простоте и очевидности такого подхода трудностей на пути его реализации так много, что проблему до сих пор нельзя считать решенной. По крайней мере, до провозглашенной некоторыми разработчиками цели "добавляем в каждый компьютер и периферийное устройство по одной микросхеме - и дело в шляпе" еще очень далеко.

Тем не менее "процесс пошел". Делаются попытки выработать единые технологии и протоколы "локальной" компьютерной радиосвязи. Самые известные из них Bluetooth, IEEE 802.11, UWB и Номе RF конкурируют между собой. Выявить победителя, оценив на практике декларируемые достоинства и недостатки предлагаемых технологий, предстоит в недалеком будущем. А пока производители обязательных для связи по любому протоколу узлов - микросхем СВЧ приемопередатчиков (трансиверов) - ориентируясь на один из протоколов, тем не менее закладывают возможность использования и других. В этой статье мы расскажем о некоторых из этих микросхем.

Норвежская фирма BlueChip Communications AS <bluechip.no> выпускает однокристальные микросхемы радиотрансиверов ВСС418 и ВСС918, которые характеризуются микромощным потреблением энергии, возможностью работы в широком диапазоне температур (от -40 до +85 °С) и предназначены, главным образом, для обмена цифровыми данными в радиосетях диапазонов 400 и 900 МГц. Основные области применения этих трансиверов - дистанционные датчики, используемые в промышленности, в системах безопасности и в медицине. Кроме того, они могут быть использованы в системах мониторинга окружающей среды, в низкоскоростных компьютерных радиосетях, в дистанционных считывателях штрих-кодов, в двунаправленном пейджинге и т. п.

Микросхемы подобны по внутренней структуре и параметрам, выпускаются в пластмассовых корпусах TQFP-44 (размеры 12x12 мм) с четырехсторонним расположением выводов и различаются лишь тем, что ВСС418 перекрывает диапазон 300..600 МГц, а ВСС918 - 700..1100 МГц.

Рабочую частоту и другие режимы работы микросхем трансиверов устанавливают с помощью 80-битовой команды, заносимой последовательным двоичным кодом в специальный регистр микросхемы.

Для обеспечения гибкости применения этих микросхем предусмотрена возможность программирования восьми уровней выходной мощности передатчика (интервал - 3 дБ, максимальный уровень - 10 мВт), двух (для ВСС418) или четырех (для ВСС918) значений коэффициента усиления входных каскадов приемника (позволяет снижать чувствительность на 25..33 дБ), а также четырех значений полосы пропускания ФНЧ (10, 30, 60 или 200 кГц).

В качестве других особенностей построения данных трансиверов можно отметить использование в приемнике метода прямого преобразования частоты, наличие двухканального синтезатора частоты с внешней петлей ФАПЧ, обеспечивающего весьма густую сетку частот (сотни герц), выходы детектора захвата LockDet и уровня принимаемого сигнала RSSI, а также встроенный перестраиваемый семиполюсный эллиптический гираторный ФНЧ приемника.

Для передачи информации применяется частотная манипуляция несущей (FSK) с девиацией, которую выбирают в соответствии с требуемой скоростью приема/передачи данных. Максимальная скорость передачи, поддерживаемая микросхемами трансиверов ВСС, составляет 128 кБод. Для скоростей 9,6 кБод и менее рекомендуемая девиация - ±25 кГц. При чувствительности приемника -105 дБм и ненаправленных антеннах это гарантирует дальность связи на открытом пространстве до 700 м. Номинальное напряжение питания - 3 В. Потребляемый ток в режиме передачи - не более 50 мА, в режиме приема - 8 мА, в режиме ожидания - менее 2 мкА.

Задающим генератором передатчика и гетеродином приемника служит синтезатор частоты, состоящий из генератора, управляемого напряжением (VCO), двух программируемых делителей частоты и петли ФАПЧ (PLL). Для стабилизации частоты синтезатора рекомендовано использование высококачественного кварцевого резонатора с частотой 10 МГц.

В микросхемах трансиверов ВСС, в зависимости от требуемой скорости передачи данных, заложена возможность использования одного из четырех способов манипулирования частоты передатчика - путем изменения коэффициента деления одного из счетчиков синтезатора, переключением между двумя запрограммированными делителями частоты, модуляция (затягивание) частоты опорного кварцевого резонатора или непосредственная модуляция VCO.

Приемная часть выполнена по схеме прямого преобразования частоты и содержит цифровой частотный детектор. Демодуляция производится сравнением фаз принятого сигнала в синфазном I и квадратурном Q каналах. Если в канале I она отстает от Q, частота сигнала выше частоты гетеродина, если опережает - ниже ее. Присущий таким схемам так называемый "джиттер" (дрожание фронта) принимаемых данных, как правило, не создает каких-либо проблем при приеме цифровых данных, однако его величину необходимо учитывать в случаях, когда важен момент прихода фронта сигнала. Джиттер уменьшается с увеличением девиации частоты ΔF, при этом его максимальное значение не превышает 1/(4ΔF).

Система ФАПЧ настраивает гетеродин на среднюю частоту сигнала, поэтому в передаваемой кодовой последовательности во избежание сбоев должно содержаться равное число логических нулей и единиц. Это обычное для цифровых систем связи требование обязательно учитывают при выборе способа кодирования передаваемых данных. Фирма BlueChip Communications рекомендует для этой цели использовать Манчестерский или ЗВ4В блочный код.

Для контроля работы ФАПЧ в тран-сиверах ВСС имеется возможность использования специально предусмотренного выхода LockDet - детектора захвата.

Постоянное напряжение на выходе RSSI пропорционально логарифму мощности сигнала на входе приемника, причем эта зависимость сохраняется в динамическом диапазоне порядка 70 дБ.

Типовая схема включения микросхемы ВСС418 показана на рис. 1. Варикап D1 и его окружение - элементы VCO и ФАПЧ. Кварцевый резонатор ZQ1, как уже говорилось, задает образцовую частоту. Катушки индуктивности и большинство конденсаторов в правой части схемы входят в СВЧ цепи согласования входа и выхода приемопередатчика с антенной WA1. Цепь R15D3L3D2 служит для коммутации антенны к входу приемника или выходу передатчика микросхемы трансивера.

Микросхемы для радиомодемов
(нажмите для увеличения)

На базе микросхем ВСС418 и ВСС918 выпускают СВЧ модули RFB433, RFB868 и RFB915, построенные по схемам, подобным рассмотренной выше (рис.1). Они имеют размеры приблизительно 25x25x3 мм и выводы, приспособленные для поверхностного монтажа. Модули оптимизированы (настроены производителем) на скорость передачи 19,2 кБод и работу соответственно в ISM-диапазонах 433,4...434,4 МГц, 868,8...869 МГц и 903...927 МГц, при этом они могут работать и в более широком диапазоне частот. Согласованную антенну (с волновым сопротивлением фидера 50... 100 Ом) к модулям можно подключать непосредственно, без дополнительных СВЧ элементов. Аббревиатурой ISM принято обозначать диапазоны, предназначенные для работы на излучение аппаратуры промышленного (Industrial), научного (Scientific) и медицинского (Medical) назначения. В Европе и США какая-либо лицензия для работы в этих диапазонах не требуется.

Фирма BlueChip Communications предлагает разработчикам аппаратуры отладочные платы (Evaluation Kits, комплект состоит из 2 шт.), содержащие СВЧ модуль, печатную антенну и микроконтроллер PIC16LC63A. Воспользовавшись прилагаемым к платам программным обеспечением, можно организовать двустороннюю передачу данных между двумя компьютерами, удаленными на расстояние до 300 м. Одной из последних разработок фирмы является радиомодем MOD433, подключаемый по интерфейсу RS232 к СОМ-порту компьютера, к источнику питания 6..9 В и к внешней согласованной антенне. Радиомодем настроен на скорость передачи данных 19,2 кБод и использует десять рабочих частот в диапазоне 433,4...434,4 МГц, автоматически сканируемых с темпом 100 мс.

Приемопередатчики ISM-диапазона выпускают и другие фирмы. Например, Texas Instrument <ti.com> изготавливает микросхемы TRF6900 и TRF6901 в корпусе PQFP-48. Первая из них перекрывает полосу частот 850...950 МГц, вторая - 860...930 МГц. Мощность передатчика - 3 мВт, коэффициент шума приемника - 3,3 дБ. Внешний цифровой интерфейс приемопередатчиков ориентирован на микроконтроллер MSP430 той же фирмы.

Не осталась в стороне известная своими микросхемами памяти и микроконтроллерами американская фирма Atmel Corporation <atmel.com>. Вступив в ассоциацию Bluetooth (кстати, название произошло от прозвища короля Харальда, правившего Данией и Норвегией в X веке), она разработала ряд микросхем в поддержку этого протокола. Самая сложная из них - контроллер протокола АТ76С511. Достаточно сказать, что он выполнен в 176-выводном корпусе, содержит 32-разрядное вычислительное RISC-ядро ARM7TDMI, а для выполнения всех предусмотренных Bluetooth функций требует 256 Кбайт внешней оперативной и столько же FLASH или другой энергонезависимой памяти.

Для связи с компьютером микросхема АТ76С511 снабжена тремя различными интерфейсами: USB, PCMCIA и эмулятором UART 16550. В дальнейшем планируется выпускать упрощенные варианты, каждый из которых будет лишь с одним интерфейсом.

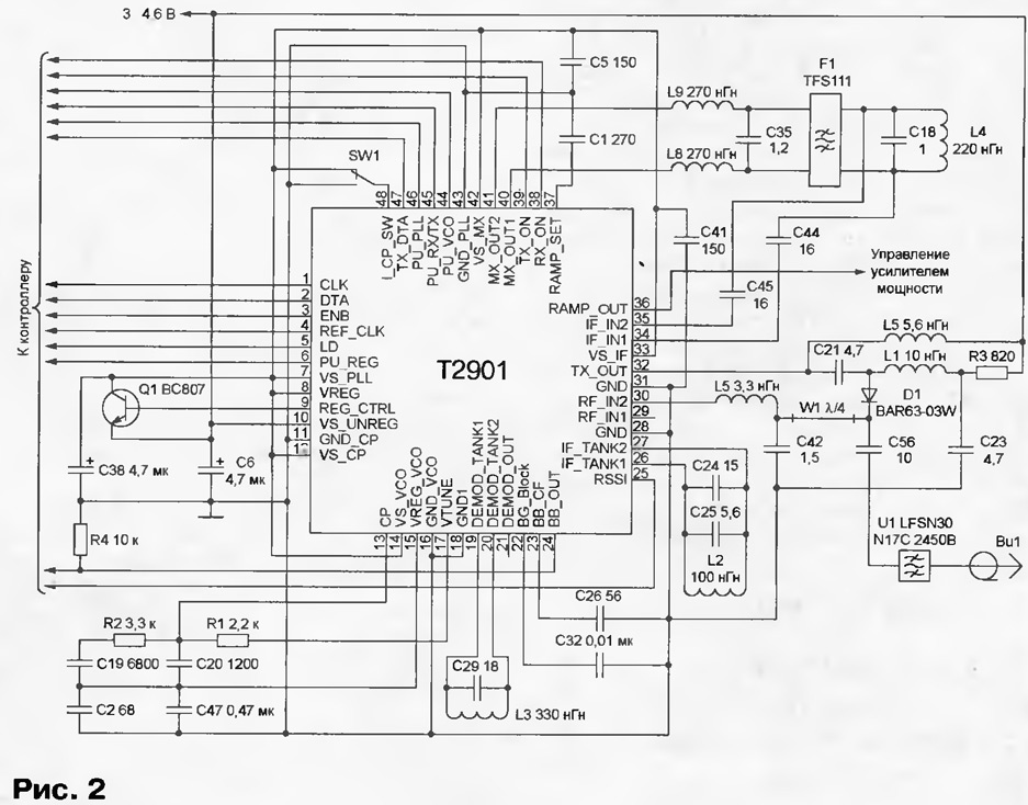
Контроллер организует радиосвязь, "командуя" СВЧ-модулем - микросхемой Т2901 той же фирмы. Связь ведется на 79 фиксированных частотах в диапазоне 2400...2500 МГц. Согласно протоколу Bluetooth, рабочая частота изменяется скачком каждые 625 мкс, причем закон изменения известен установившим связь абонентам, а для других - непредсказуем. В результате два и более канала связи, работая одновременно в одной полосе частот, не мешают друг другу. Редкие сбои, вызванные случайным кратковременным совпадением частот передатчиков, быстро устраняет предусмотренная протоколом многоуровневая система помехоустойчивого кодирования данных и коррекции ошибок. Правда, "чистая" скорость обмена данными 1 Мбит/с в результате снижается приблизительно на 20 %.

Типовая схема включения микросхемы Т2901 приведена на рис. 2, многочисленные блокировочные конденсаторы емкостью 4,7 пФ, подключенные ко всем выводам питания и управления, не показаны. Сигнал образцовой частоты подают на вывод 1 (CLK). Имеется возможность программно выбрать одно из четырех возможных ее значений. Мощность передатчика - 1 мВт. Информацию передают частотной манипуляцией несущей с номинальной девиацией ±160 кГц. Модулирующий сигнал может быть предварительно отфильтрован с помощью встроенного ФНЧ с гауссовой характеристикой. Этот фильтр включают и выключают переключателем SW1.

Микросхемы для радиомодемов
(нажмите для увеличения)

Приемник в данном случае - обычный супергетеродин с промежуточной частотой 111 МГц. Его коэффициент шума - 12 дБ. Избирательность обеспечивает ПАВ-фильтр F1, колебательные контуры с катушками L2 и L3 - элементы УПЧ и частотного дискриминатора. Транзистор Q1 входит в состав внутреннего стабилизатора напряжения питания. Потребляемый микросхемой ток почти не зависит от режима прием/передача, составляя приблизительно 60 мА, и лишь в режиме ожидания уменьшается до десятков микроампер.

Интересная особенность устройства микросхемы Т2901 - сигнал передатчика формируется на удвоенной частоте (4800...5000 МГц), которую перед подачей на выход делят на два. Демодулятор приемника также работает на частоте, вдвое меньшей промежуточной, - 55,5 МГц.

Для увеличения выходной мощности и чувствительности приемопередатчика Т2901 фирма Atmel предлагает дополнительные микросхемы СВЧ усилителя мощности (Т7023) и аналогичного усилителя, объединенного с малошумящим входным (Т7024). Их особенность - наличие специального входа регулировки выходной мощности, что позволяет плавно включать и выключать передатчик, устанавливать минимальный достаточный для поддержания связи уровень мощности излучаемого сигнала. Эти меры минимизируют помехи, создаваемые другим работающим в том же диапазоне каналам связи. Выходная мощность обеих микросхем - 200 мВт, коэффициент шума микросхемы Т7024 - не более 2,3 дБ.

Автор: А.Долгий, г.Москва

Смотрите другие статьи раздела Гражданская радиосвязь.

Читайте и пишите полезные комментарии к этой статье.

<< Назад

<< Назад

Последние новости науки и техники, новинки электроники:

Хорошо управляемые луга могут компенсировать выбросы от скота 15.02.2026

Животноводство, особенно разведение крупного рогатого скота, часто обвиняют в значительном вкладе в глобальное потепление из-за мощного парникового газа - метана, который выделяется при пищеварении у жвачных животных. Это вызывает острые политические споры и призывы к сокращению потребления мяса. Однако ученые напоминают, что полная картина климатического воздействия отрасли не ограничивается только выбросами от животных: огромную роль играет окружающая экосистема - пастбища, почва и растительность, которые способны активно поглощать углекислый газ из атмосферы. Исследователи из Университета Небраски-Линкольна решили глубже изучить этот баланс. Группа под руководством профессора Галена Эриксона сосредоточилась на том, как правильно организованные пастбища накапливают углерод в растениях и грунте благодаря естественным процессам, стимулируемым выпасом скота. Ученые подчеркивают, что при достаточном уровне осадков и грамотном управлении такие луга превращаются в мощные природные погло ...>>

NASA тестирует инновационную технологию крыла 15.02.2026

Коммерческая авиация ежегодно расходует колоссальные объемы керосина, что сказывается не только на бюджете авиакомпаний, но и на состоянии окружающей среды. В 2024 году глобальные затраты на авиационное топливо достигли 291 миллиарда долларов, и эта сумма продолжает расти. Чтобы справиться с этими вызовами, NASA активно работает над технологиями, способными заметно повысить аэродинамическую эффективность самолетов. Одним из самых перспективных направлений стало создание специальной конструкции крыла, которая максимизирует естественный ламинарный поток воздуха и минимизирует сопротивление. В январе 2026 года специалисты NASA Armstrong Flight Research Center успешно провели важный этап наземных испытаний концепции Crossflow Attenuated Natural Laminar Flow (CATNLF). Для эксперимента под фюзеляж исследовательского самолета F-15B закрепили вертикально ориентированную масштабную модель высотой около 0,9 м (3 фута), напоминающую узкий киль. Такая компоновка позволила подвергнуть прототип р ...>>

Забота о внуках очень полезна для здоровья мозга 14.02.2026

Общение между поколениями приносит радость всей семье, но мало кто задумывается, насколько активно бабушки и дедушки, заботящиеся о внуках, поддерживают свою умственную форму. Регулярное взаимодействие с детьми стимулирует мозг пожилых людей, помогая сохранять память, скорость мышления и общую когнитивную активность. Новые научные данные подтверждают, что такая добровольная помощь не только важна для общества, но и может замедлять возрастные изменения в мозге. Исследователи из Тилбургского университета в Нидерландах провели анализ, чтобы понять, приносит ли уход за внуками реальную пользу здоровью пожилых людей. Ведущий автор работы Флавия Черечес отметила, что многие бабушки и дедушки регулярно присматривают за детьми, и оставался открытым вопрос, насколько это положительно сказывается на их собственном благополучии, особенно в плане когнитивных функций. Ученые поставили цель выяснить, способен ли регулярный уход за внуками замедлить снижение памяти и других умственных способ ...>>

Случайная новость из Архива

Опасный запах дождя 14.03.2017

Всем знаком свежий запах, наполняющий воздух после дождя. Обычно он приносит с собой ощущение покоя и умиротворения, но мало кто знает, что он также может оказаться смертельным. Ученые выяснили, что дождь поднимает в воздух взвесь бактерий, некоторые из которых и в самом деле разносят болезни.

Американские ученые из Института Технологии (Массачусетс, США) объяснили, как запах "сырой земли" преодолевает расстояние от почвы до вашего носа. Все дело в химикате под названием геосмин, который отвечает за специфический аромат: человеческое обоняние настолько чувствительно к нему, что мы способны ощутить этот запах, когда на триллион других молекул приходится всего пять (!) молекул геосмина. О нем ученые знают уже давно, однако им было неизвестно, как именно он связан с каплями дождя.

С помощью высокоскоростных камер и флуоресцентной краски, исследователи снимали капли воды, падающие на различные типы почвы, в которой содержались разнообразные бактерии. В результате стало видно, как капли деликатно "катапультируют" микробы в воздух. Когда капля падает на землю с определенной скоростью, она заключает в себя крошечные пузырьки воздуха, каждый из которых не шире человеческого волоса. Как и воздушные пузыри, поднимающиеся со дна бассейна при погружении в него человека, эти тоже стремятся вверх, а потому пронзают каплю насквозь и разрываются, когда достигают ее поверхности. В результате образуется импровизированный фонтанчик, который вместе с тонкими струйками воды отправляет в воздух и бактерии.

Команда обнаружила, что при столкновении с землей одна капля воды дробится на сотни маленьких капелек, в каждой из которых содержатся тысячи живых бактерий. В этих микроскопических каплях бактерии могут прожить еще целый час, при этом ветер разносит их по всей округе. Каллен Буи, один из исследователей проекта, говорит, что следующим шагом станет выяснение того, как далеко могут путешествовать бактерии.

Бактерии не так страшны для человека, но есть причина, по которой Буи и коллеги начали исследование. С ними связался британский ученый, обеспокоенный распространением мелиоидоза в сезон дождей на территории юго-восточной Азии и северной Австралии. Эта инфекционная болезнь поддается лечению, но без надлежащих антибиотиков коэффициент смертности может достигать 90% (то есть из 10 заболевших умрут 9). Ученые связывают распространение инфекции с осадками и теперь, когда механизм ее распространения стал известен, обещают принять все надлежащие меры.

Другие интересные новости:

▪ Новая система хранения данных высокой плотности

▪ N-trig и NVIDIA улучшат сенсорный ввод в мобильных устройствах

▪ LG Concept Notebook

▪ Машина мостит улицы

▪ Прорыв в эффективности органических полупроводников

Лента новостей науки и техники, новинок электроники

 

Интересные материалы Бесплатной технической библиотеки:

▪ раздел сайта История техники, технологии, предметов вокруг нас. Подборка статей

▪ статья Электродрель-рыхлитель. Чертеж, описание

▪ статья Могут ли животные предсказывать погоду? Подробный ответ

▪ статья Главный диктор телевидения и радиовещания. Должностная инструкция

▪ статья Автомат управления освещением. Энциклопедия радиоэлектроники и электротехники

▪ статья Индикатор перегрузки стабилизатора. Энциклопедия радиоэлектроники и электротехники

Оставьте свой комментарий к этой статье:

Имя:


E-mail (не обязательно):


Комментарий:





Главная страница | Библиотека | Статьи | Карта сайта | Отзывы о сайте

www.diagram.com.ua

www.diagram.com.ua
2000-2026