Menu Home

Бесплатная техническая библиотека для любителей и профессионалов Бесплатная техническая библиотека


Аппаратура радиоуправления моделями. Энциклопедия радиоэлектроники и электротехники

Бесплатная техническая библиотека

Энциклопедия радиоэлектроники и электротехники / Аппаратура радиоуправления

Комментарии к статье Комментарии к статье

Для передачи команд используется число-импульсный код. Шифратор передатчика построен на двух микросхемах серии К561 (рис.1). Генератор передатчика собран по простейшей схеме с кварцевой стабилизацией частоты на транзисторе VT2. Колебательный контур L1C3 настроен на частоту кварцевого резонатора, равную 27,12 МГц.

Аппаратура радиоуправления моделями
Рис.1

В передатчике не предусмотрено специальных мер для согласования колебательного контура передатчика с антенной, поэтому излучаемая мощность передатчика невелика, и радиус действия системы радиоуправления составляет 5...10 м. Для повышения дальности можно повысить напряжение питания передатчика до 9 В и применить согласующий CLC-контур и удлиняющую катушку.

Схема приемника системы радиоуправления приведена на рис.2. Входной каскад приемника собран по схеме сверхрегенеративного детектора ва транзисторе VT1. Сверхрегенератор обладает замечательными свойствами - высокой чувствительностью, малой

Аппаратура радиоуправления моделями
Рис.2

зависимостью уровня выходного сигнала от уровня входного, простотой, однако ему свойственны и недостатки - малая избирательность, излучение сигнала, в результате которого он работает как маломощный передатчик и может мешать другим приемникам. Работа сверхрегенеративного детектора описана во многих книгах по радиоуправлению и здесь не рассматривается.

На нагрузочном резисторе R3 входного каскада выделяются кроме полезного сигнала пилообразные импульсы гашения с частотой 40...60 кГц, для их фильтрации используется цепь R4 С9, для этой же цели служит конденсатор С10. Эти же элементы подавляют кратковременные импульсные помехи (например, от электродвигателей модели) и частично шумы сверхрегенеративного детектора.

Примерная форма полезного сигнала на коллекторе транзистора VT2, работающего в режиме линейного усиления, показана на первой диаграмме рис.3. Этот сигнал еще далек от пачек импульсов, необходимых для работы дешифратора. Для получения хорошей прямоугольной формы импульсов служит усилитель-формирователь на транзисторе VT3. При отсутствии полезного сигнала, когда на коллекторе транзистора VT2 существует шумовой сигнал сверхрегенератора небольшой амплитуды, транзистор VT3 находится в состоянии неглубокого насыщения, напряжение между его коллектором и эмиттером составляет 250...300 мВ и он не усиливает входной сигнал. Такая рабочая точка транзистора VT3 устанавливается подстроечным резистором R6.

Аппаратура радиоуправления моделями
Рис.3

При появлении пачек радиочастотных импульсов сверхрегенеративный детектор подает на базу транзистора VT2 пачки импульсов положительной полярности, на коллекторе VT2 и базе VT3 появляются сигналы в соответствии с первой диаграммой рис.3. Отрицательная полуволна сигнала закрывает транзистор VT3, и на его коллекторе формируются импульсы положительной полярности, открывающие ключевой каскад на транзисторе VT4. На его коллекторе формируются пачки импульсов отрицательной полярности с амплитудой, равной напряжению источника питания, они подаются на вход дешифратора команд.

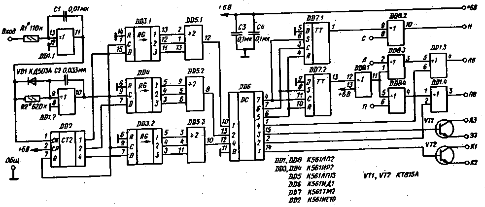
Схема дешифратора команд приведена на рис.4. Пачки входных импульсов отрицательной полярности поступают на часть дешифратора на микросхемах DD1 и DD2. После приема очередной пачки импульсов счетчик DD2 устанавливается в состояние, соответствующее числу импульсов в пачке. В качестве примера на рис.3 проиллюстрирована работа счетчика в случае приема пачек из пяти импульсов. К моменту окончания пачки на выходах 1 и 4 счетчика появляются лог. 1, на выходе 2-лог.0 (диаграммы DD2:3, DD2:4, DD2:5 на рис.3). Фронтом импульса с детектора паузы DD1.2 происходит перепись состояния счетчика в сдвигающие регистры DD3.1, DD4, DD3.2, в результате чего на их выходах 1 появляются соответственно лог. 1, лог.0, лог.1.

Аппаратура радиоуправления моделями
Рис.4 (нажмите для увеличения)

После окончания второй пачки из пяти импульсов импульс с выхода детектора паузы DD1.2 сдвигает ранее записанную информацию из разрядов 1 сдвигающих регистров в разряды 2, а в разряды 1 записывает результат подсчета числа импульсов очередной пачки и т. д. В результате при непрерывном приеме пачек из пяти импульсов на всех выходах сдвигающих регистров DD3.1 и DD3.2 будут лог.1, на всех выходах DD4 - лог.0. Эти сигналы поступают на входы мажоритарных клапанов микросхемы DD5, на их выходах появляются сигналы, соответствующие входным, они приходят на входы дешифратора DD6. На выходе 5 дешифратора появляется лог.1, которая и является признаком приема команды с числом импульсов, равным пяти.

Так происходит прием сигналов при отсутствии помех. Если же силен уровень помех, число импульсов в пачке может отличаться от необходимого. В этом случае сигналы на выходах каждого из сдвигающих регистров будут отличаться от правильных. Предположим, что при приеме одной из пачек вместо пяти счетчик насчитает шесть импульсов. После приема двух пачек из пяти импульсов и одной из шести состояния выходов регистров DD3.1, DD4 и DD3.2 будут соответственно следующими: 011,100, 111.

На входы элемента DD5.1 поступят две лог.1 и один лог.0. Поскольку выходной сигнал мажоритарного клапана соответствует большинству сигналов на его входах, он выдаст на вход 1 дешифратора DD6 лог.1. Аналогично элемент DD5.2 выдаст лог.0, элемент DD5.3 - лог.1. На выходе 5 дешифратора будет лог.1, так же как и в случае приема сигналов без помех.

Таким образом, если в последовательности пачек импульсов, поступающих на вход дешифратора команд, в любых трех подряд идущих пачках две имеют правильное число импульсов, на нужном выходе микросхемы DD6 будет постоянно поддерживаться лог. 1.

Кнопка
(рис.1)
Число
импульсов
Команда ПВ ЛВ Н Открытый
транзистор
SB1 SB2 SB3 SB4 SB5 SB6 SB7 1 2 3 4 5 6 7 Фара Вправо Сигнал Влево Стоп Вперед Назад - 0 -1 0 1 0 - - 1 - 0 0 1 0 - 0 - 0 0 0 1 VT2 - VT1 - - - -

Если не нажата ни одна из кнопок передатчика, на выходах 1,2,4 счетчика после окончания пачки из восьми импульсов лог.0 и на всех используемых выходах дешифратора DD6 также лог.0. В табл.1 приведены соответствие команд числу импульсов пачек и выходные сигналы дешифратора системы. Пачка из пяти импульсов - это команда "Стоп", при ее приеме, как уже указывалось выше, лог.1 появляется на выходе 5 DD6. Эта лог.1 поступает на входы R триггеров DD7.1 и DD7.2 и устанавливает их в 0. Мы пока не будем рассматривать роль микросхемы DD8 и будем считать, что сигнал при прохождении ее элементов не меняется. В результате приема команды "Стоп" на выходах ПВ, ЛВ и Н (назад) будут лог.0, двигатели, подключенные к указанным выходам через усилители, будут остановлены.

При подаче команды "Вперед" лог.1 появится на выходе 6 DD6, она установит триггер DD7.2 по входу S в состояние 1, триггер DD7.1 независимо от своего исходного состояния установится в состояние О по входу С, так как на его входе D лог.0. В результате на выходах ПВ и ЛВ появятся лог.1, на выходе Н - лог.0, оба двигателя планетохо-да будут вращаться, обеспечивая движение модели вперед. При подаче команды "Назад" триггер DD7.1 будет в состоянии 1, DD7.2 - в состоянии 0, двигатели обеспечат движение модели назад.

Указанные команды хранятся в триггерах микросхемы DD7 и после отпускания кнопок SB5-SB7. Предположим, что при движении модели вперед будет нажата кнопка SB2 "Вправо". В этом случае лог.1 появится на выходе 2 DD6, она поступит на вывод 2 элемента DD1.4 и изменит лог.1 на его выходе на лог.0. В результате сигнал ПВ станет равным нулю, и правый двигатель остановится. Модель будет разворачиваться вправо за счет левой гусеницы (вторая строка табл.1). При движении назад нажатие кнопки SB2 также заставит измениться сигнал на выходе элемента DD1.4 на противоположный, но теперь уже с лог.0 на лог.1, правый двигатель также затормозится и модель также будет разворачиваться вправо. Аналогично ведет себя модель и при нажатии кнопки SB4 "Влево".

Команды "Вправо" и "Влево" не запоминаются, они действуют лишь во время нажатия соответствующей кнопки. Аналогично не запоминаются и команды "Фары" и "Сигнал" (SB1 и SB3). При нажатии на эти кнопки включаются соответственно транзисторы VT2 и VT1. Их базы подключены к выходам дешифратора DD6 без ограничительных резисторов, что допустимо при напряжении питания микросхем серии К561 в пределах 3...6 В.

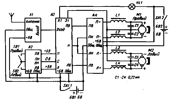
Микросхема DD8 служит для сопряжения дешифратора системы радиоуправления с платой планетохода, обеспечивающей маневр при объезде препятствий. Использование микросхемы Исключающее ИЛИ обеспечивает управляемость модели и в те моменты времени, когда она выполняет автоматический маневр. Полная схема соединения узлов планетохода приведена на рис.5. Здесь А1 - приемник по схеме рис.2, А2 - плата с микросхемами DD1-DD4 рис.211, A3 - дешифратор системы по схеме рис.4, А4 - усилители двигателей. На схеме рис.5 показано также подключение лампы фары HL1. Автором не была использована команда "Сигнал", источник звукового сигнала может быть включен в коллекторную цепь транзистора VT1 аналогично включению HL1 в цепь коллектора VT2.'

Аппаратура радиоуправления моделями
Рис.5

Питание электродвигателей и узлов А1-АЗ разделено для исключения влияния помех от двигателей на электронную часть планетохода. Общие провода обеих цепей питания объединяются лишь в узле А4, на это надо обратить внимание при монтаже. Для исключения влияния помех от двигателей в их цепи питания включены дроссели L1-L4 и конденсаторы С1-С4, металлические корпуса двигателей соединены с общим проводом.

При отсутствии узла А2 на входы П, Л, С узла A3 можно подать напряжения в соответствии с указаниями на рис.5, можно также исключить микросхему DD8 на рис.4, соединив непосредственно выход триггера DD7.1 с выходом Н6, а выход триггера DD7.2 со входами DD 1.3 и DD 1.4.

Все узлы системы радиоуправления собраны на печатных платах: передатчик - на односторонней с размерами 60х40 мм (рисунок 6), приемник - на односторонней с размерами 105х40 мм (рисунок 7), дешифратор - на двухсторонней с теми же размерами (рисунок 8). На указанных рисунках односторонние платы показаны со стороны, противоположной стороне установки деталей, плата дешифратора - с двух сторон.

В системе радиоуправления использованы резисторы МЛТ, керамические конденсаторы КТМ (С1 на рис.2), КМ-5 и КМ-6, электролитические конденсаторы К50-6 (С4, С8, C11, C12 на рис.2), К50-16 (С13 на рис.2). Подстроенный резистор R6 на рис.2 типа СПЗ-16, его выводы отогнуты под прямым углом. В системе использованы стандартные дроссели ДМ-0,2 30 мкГн (L2 на рис.2) и ДМ-3 12 мкГн (L1-L4 на рис.5), можно использовать и самодельные с близкими параметрами. Кварцевый резонатор в передатчике - в стеклянном корпусе диаметром 10 мм на частоту 27,12 или 28...28,2 МГц. При отсутствии кварцевого резонатора передатчик можно собрать по любой из опубликованных схем, сохранив схему формирователя пачек и модулятора по рис.1. Катушка L1 колебательного контура передатчика намотана на каркасе диаметром 5 мм и подстраивается сердечником из карбонильного железа диаметром 4 мм и длиной 6 мм. Она содержит 12 витков провода ПЭЛШО-0,38. Катушка L1 приемника намотана на каркасе диаметром 8 мм тем же проводом и содержит 9 витков, она подстраивается сердечником из карбонильного железа диаметром б мм. В передатчике можно использовать такую же катушку, как и в приемнике.

Батарея питания передатчика - 3336, на модели для питания двигателей использованы четыре элемента А343, электронная часть работает от четырех элементов A316. Антенной приемника служит велосипедная спица длиной 300 мм, антенна передатчика телескопическая, состоит из четырех колен общей длиной 480 мм. Передатчик собран в пластмассовом корпусе с размерами 75х1500x30 мм, в нем установлен специальный пульт управления, описанный далее.

Сборку системы радиоуправления и ее настройку нужно проводить в следующей последовательности. На плате передатчика необходимо собрать цифровую часть, установить все резисторы, кроме R5, и транзисторы, но не устанавливать кварцевый резонатор, катушку L1 и конденсаторы C3-С5. Подбором резисторов R1 и R2 установить частоту импульсов на выходе DD1.2 180...220 Гц со скважностью, близкой к 2, затем проверить правильность генерации пачек так, как это описано выше.

Затем можно собрать дешифратор команд и, установив в передатчик резистор R5, соединить коллектор транзистора VT1 передатчика со входом дешифратора. Напряжение питания обеих плат можно использовать общее 4,5 В. Нагрузкой транзистора VT1 передатчика будут последовательно соединенные резисторы R4, R6 и переход база- эмиттер транзистора VT2. Дешифратор следует проверить, как это описано выше.

Дальнейшую проверку можно производить, предварительно соединив входы Л и П с плюсом источника питания, вход С - с общим проводом. В этом случае сигналы на выходах Н, ЛВ, ПВ при нажатии кнопок передатчика должны соответствовать указанным в табл.1. После этого можно соединить узлы A3 и А4 и двигатели модели по схеме рис.222. Дроссели L1-L4 и конденсаторы С1-С4 следует подпаять непосредственно к выводам двигателей.

Далее следует проверить четкость управления моделью по паре проводов, соединяющих платы передатчика и дешифратора. Если все работает нормально, следует полиостью собрать передатчик и приемник. После сборки приемника нужно предварительно подстроить резистор R6. Для этого следует "сорвать" сверхрегенеративный режим транзистора VT1, замкнув накоротко колебательный контур L1 С2, подключить между коллектором и эмиттером VT3 вольтметр, установить движок R6 в положение минимального сопротивления и, плавно увеличивая его сопротивление, установить по вольтметру напряжение 250...300 мВ, при этом, возможно, придется подобрать резистор R5. Сиять перемычку с контура L1 С2.

Включив передатчик и приемник и постепенно увеличивая расстояние между ними, следует подстроить их контура по максимуму амплитуды сигнала, наблюдаемого при помощи осциллографа или вольтметра переменного напряжения в контрольной точке КТ1. Далее следует подстроить резистор R6 для получения правильной формы импульсов в контрольной точке КТ2 в соответствии с рис.220. Собрав целиком модель по схеме рис.5 и убедившись в нормальной работе системы управления на расстояниях 2...3 м, необходимо добиться максимальной дальности действия подстройкой резистора R6.

В передатчике и приемнике можно использовать практически любые высокочастотные n-p-n кремниевые транзисторы (КТ316, КТ312, КТ3102, КТ315 с любыми буквенными индексами). Микросхему К561ЛП13 можно заменить на К561ЙК1, при их отсутствии в ущерб помехоустойчивости можно исключить сравнение последовательно приходящих команд, заменив микросхемы D03-DD5 дешифратора команд на одну микросхему К561ИР9.

В передатчике в качестве кнопок SB2, SB4, SB6, SB7 использован специальный пульт, удобный для подачи команд с четким направленным значением. Пульт позволяет подавать одновременно и две не исключающие друг друга команды, например "Вперед" и "Вправо", что, однако, здесь не используется.

В качестве контактной системы пульта использованы четыре микропереключателя. На рис.9 показана его конструкция, размеры указаны применительно к микропереключателям ПМ2-1, существует много типов микропереключателей с такими же размерами.

Аппаратура радиоуправления моделями

Микропереключатели 3 приклеены к основанию 2, изготовленному из текстолита толщиной 2...3 мм. Снизу к основанию 2 четырьмя винтами 7 или заклепками прикреплена пластина 1, изготовленная из латуни или жести толщиной 0,2...0,3 мм. В центре к этой пластине винтом М2 б с шайбой прикреплен рычаг 5 из органического стекла.

При покачивании рычага 5 он давит на штоки микропереключателей 3 и переключает их. Если на рычаг надавить по диагонали, включатся два соседних микропереключателя.

Сборку пульта целесообразно произвести в следующем порядке. Соединить между собой пластины 1 и 2, винтом с шайбой закрепить на пластине 1 рычаг 5. Приклеить эпоксидным клеем микропереключатели 3 к пластине 2 так, чтобы штоки микропереключателей касались рычага 5.

После полимеризации клея приклеить получившийся блок к крышке пульта 4 или для обеспечения ремонтопригодности закрепить его каким-либо другим способом, центрируя при этом блок по квадратному отверстию в крышке пульта.

В качестве SB1 и SB5 использованы кнопки КМ1-1.

Литература

1. С.А.Бирюков. Цифровые устройства на МОП- интегральных микросхемах. М. Радио и связь. 1996 г.

Публикация: Н. Большаков, rf.atnn.ru

Смотрите другие статьи раздела Аппаратура радиоуправления.

Читайте и пишите полезные комментарии к этой статье.

<< Назад

Последние новости науки и техники, новинки электроники:

Глазные капли, возвращающие молодость зрению 05.10.2025

С возрастом человеческий глаз постепенно теряет способность четко видеть на близком расстоянии - развивается пресбиопия, или возрастная дальнозоркость. Этот естественный процесс связан с утратой эластичности хрусталика и ослаблением цилиарной мышцы, отвечающей за фокусировку. Миллионы людей по всему миру сталкиваются с необходимостью носить очки для чтения или прибегают к хирургическим методам коррекции. Однако исследователи из Центра передовых исследований пресбиопии в Буэнос-Айресе представили решение, которое может стать удобной и неинвазивной альтернативой - специальные глазные капли, способные улучшать зрение на длительный срок. Разработку возглавила Джованна Беноцци, директор Центра. По ее словам, цель исследования состояла в том, чтобы предоставить пациентам с пресбиопией эффективный и безопасный способ коррекции зрения без хирургического вмешательства. Новые капли, созданные на основе пилокарпина и диклофенака, показали убедительные результаты: уже через час после первого пр ...>>

Цифровая рация Xiaomi Digital Walkie Talkie 05.10.2025

Компания Xiaomi представила современное устройство, объединившее классические принципы радиосвязи с возможностями цифровых технологий. Новинка под названием Xiaomi Digital Walkie Talkie демонстрирует, как привычные рации могут быть переосмыслены в духе времени. Устройство оснащено цветным дисплеем диагональю 1,57 дюйма, который отображает список контактов, параметры соединения и даже примерное местоположение собеседника. Такой подход превращает стандартную рацию в компактное средство связи, сочетающее функциональность смартфона и устойчивость профессиональной техники. Одним из ключевых преимуществ стала высокая автономность. Встроенный аккумулятор емкостью 2500 мА·ч обеспечивает до 100 часов работы в режиме ожидания и около 14 часов непрерывных разговоров, что особенно важно в экспедициях, на дальних маршрутах или в зонах, где подзарядка невозможна. Согласно данным портала unionrayo.com, такое время работы выгодно отличает устройство от большинства аналогов. По дальности дейст ...>>

Открыт обращаемый драйвер старения 04.10.2025

Недавняя работа ученых из Сямэньского университета в Китае показала, что в гипоталамусе, главном регуляторе внутренних функций организма, кроется один из ключей к продлению молодости. Команда под руководством Лиге Ленга обнаружила, что снижение уровня белка менина в гипоталамусе связано с ускорением процессов старения. Менин, как выяснилось, играет важную роль в предотвращении воспаления и поддержании нормальной работы нейронов. Когда его уровень снижается, в мозге возрастает активность воспалительных сигналов, что запускает цепную реакцию возрастных изменений во всем организме - от ослабления когнитивных функций до потери плотности костей и истончения кожи. Чтобы понять, как именно менин влияет на старение, ученые вывели генномодифицированных мышей, у которых этот белок можно было выборочно отключить. Даже у молодых животных такое вмешательство быстро привело к ухудшению памяти, снижению прочности костей и эластичности кожи, а также к укорочению жизни. Эти результаты убедительно ...>>

Случайная новость из Архива

Микропластик в крови человека 05.04.2022

Крошечные кусочки в основном невидимого пластика уже были обнаружены почти повсюду на Земле, от самых глубоких океанов до самых высоких гор, а также в воздухе, почве и пищевой цепи. Теперь ученые добавили к этому обширному списку последнее тревожное место, поскольку они впервые обнаружили микропластик в крови человека, предупредив, что вездесущие частицы также могут попасть в органы.

Голландские ученые провели исследование образцов крови 22 анонимных здоровых добровольцев и обнаружили микропластик почти в 80% из них.

В половине образцов крови были обнаружены следы ПЭТ-пластика, широко используемого для изготовления бутылок для напитков, в то время как более трети содержали полистирол, используемый для изготовления одноразовых контейнеров для пищевых продуктов и многих других продуктов.

"Это первый случай, когда нам действительно удалось обнаружить и количественно определить такой микропластик в крови человека. Получено доказательство того, что в нашем теле есть пластик, а его быть не должно", - сказал Дик Ветхаак, экотоксиколог из Амстердамского свободного университета, призвав к дальнейшим исследованиям, чтобы выяснить, как это может повлиять на здоровье.

В научной работе отмечается, что микропластик мог попасть в организм многими путями: через воздух, воду или пищу, а также в таких продуктах, как определенные зубные пасты, блески для губ и чернила для татуировок.

"Исследование свидетельствует о том, что пластиковые частицы не только проникли в окружающую среду, но и в наши тела", - сказала Элис Хортон, специалист по антропогенным загрязнениям из Британского национального океанографического центра.

Другие интересные новости:

▪ Электроника работает внутри тела

▪ Комплекс массового запуска дронов-камикадзе

▪ Распечатать робота

▪ Наручные часы Casio Vintage A158WEGV-9A

▪ Мобильный суперчип Nvidia Tegra X1

Лента новостей науки и техники, новинок электроники

 

Интересные материалы Бесплатной технической библиотеки:

▪ раздел сайта Электротехнические материалы. Подборка статей

▪ статья Конфликтология. Шпаргалка

▪ статья Можно ли увидеть восход и закат Земли на Луне? Подробный ответ

▪ статья Эфедра горная. Легенды, выращивание, способы применения

▪ статья Радиолюбительские расчеты. Справочник

▪ статья Учет электроэнергии. Технический учет. Энциклопедия радиоэлектроники и электротехники

Оставьте свой комментарий к этой статье:

Имя:


E-mail (не обязательно):


Комментарий:





Главная страница | Библиотека | Статьи | Карта сайта | Отзывы о сайте

www.diagram.com.ua

www.diagram.com.ua
2000-2025