Бесплатная техническая библиотека
Раздел 1. Общие правила
Выбор проводников по нагреву, экономической плотности тока и по условиям короны. Допустимые длительные токи для неизолированных проводов и шин

Энциклопедия радиоэлектроники и электротехники / Правила устройства электроустановок (ПУЭ)
Комментарии к статье
1.3.22. Допустимые длительные токи для неизолированных проводов и окрашенных шин приведены в табл. 1.3.29 - 1.3.35. Они приняты из расчета допустимой температуры их нагрева + 70 º С при температуре воздуха +25 º С.
Для полых алюминиевых проводов марок ПА500 и ПА600 допустимый длительный ток следует принимать:
Марка провода |
ПА500 |
ПА6000 |
Ток, А |
1340 |
1680 |
1.3.23. При расположении шин прямоугольного сечения плашмя токи, приведенные в табл. 1.3.33, должны быть уменьшены на 5 % для шин с шириной полос до 60 мм и на 8 % для шин с шириной полос более 60 мм.
1.3.24. При выборе шин больших сечений необходимо выбирать наиболее экономичные по условиям пропускной способности конструктивные решения, обеспечивающие наименьшие добавочные потери от поверхностного эффекта и эффекта близости и наилучшие условия охлаждения (уменьшение количества полос в пакете, рациональная конструкция пакета, применение профильных шин и т. п.).
Таблица 1.3.29. Допустимый длительный ток для неизолированных проводов по ГОСТ 839-80
Номинальное сечение, мм2 |
Сечение (алюминий/сталь), мм2 |
Ток, А, для проводов марок |
АС, АСКС, АСК, АСКП |
М |
А и АКП |
М |
А и АКП |
вне помещений |
внутри помещений |
вне помещений |
внутри помещений |
10 |
10/1,8 |
84 |
53 |
95 |
- |
60 |
- |
16 |
16/2,7 |
111 |
79 |
133 |
105 |
102 |
75 |
25 |
25/4,2 |
142 |
109 |
183 |
136 |
137 |
106 |
35 |
35/6,2 |
175 |
135 |
223 |
170 |
173 |
130 |
50 |
50/8 |
210 |
165 |
275 |
215 |
219 |
165 |
70 |
70/11 |
265 |
210 |
337 |
265 |
268 |
210 |
95 |
95/16 |
330 |
260 |
422 |
320 |
341 |
255 |
120 |
120/19 |
390 |
313 |
485 |
375 |
395 |
300 |
|
120/27 |
375 |
- |
|
|
|
|
|
150/19 |
450 |
365 |
570 |
440 |
465 |
355 |
150 |
150/24 |
450 |
365 |
|
|
|
|
|
150/34 |
450 |
- |
|
|
|
|
|
185/24 |
520 |
430 |
650 |
500 |
540 |
410 |
185 |
185/29 |
510 |
425 |
|
|
|
|
|
185/43 |
515 |
- |
|
|
|
|
|
240/32 |
605 |
505 |
760 |
590 |
685 |
490 |
240 |
240/39 |
610 |
505 |
|
|
|
|
|
240/56 |
610 |
- |
|
|
|
|
|
300/39 |
710 |
600 |
880 |
680 |
740 |
570 |
300 |
300/48 |
690 |
585 |
|
|
|
|
|
300/66 |
680 |
- |
|
|
|
|
330 |
330/27 |
730 |
- |
- |
- |
- |
- |
|
400/22 |
830 |
713 |
1050 |
815 |
895 |
690 |
400 |
400/51 |
825 |
705 |
|
|
|
|
|
400/64 |
860 |
- |
|
|
|
- |
500 |
500/27 |
960 |
830 |
- |
980 |
- |
820 |
|
500/64 |
945 |
815 |
|
|
|
|
600 |
600/72 |
1050 |
920 |
- |
1100 |
- |
955 |
700 |
700/86 |
1180 |
1040 |
- |
- |
- |
- |
Таблица 1.3.30. Допустимый длительный ток для шин круглого и трубчатого сечений
Диаметр, мм |
Круглые шины |
Медные трубы |
Алюминиевые трубы |
Стальные трубы |
Ток*, А |
Внутренний и наружный диаметры, мм |
Ток, А |
Внутренний и наружный диаметры, мм |
Ток, А |
Условный проход, мм |
Толщина стенки, мм |
Наружный диаметр, мм |
Переменный ток, А |
медные |
алюминиевые |
без разреза |
с продольным разрезом |
6 |
155/155 |
120/120 |
12/15 |
340 |
13/16 |
295 |
8 |
2,8 |
13,5 |
75 |
- |
7 |
195/195 |
150/150 |
14/18 |
460 |
17/20 |
345 |
10 |
2,8 |
17,0 |
90 |
- |
8 |
235/235 |
180/180 |
16/20 |
505 |
18/22 |
425 |
15 |
3,2 |
21,3 |
118 |
- |
10 |
320/320 |
245/245 |
18/22 |
555 |
27/30 |
500 |
20 |
3,2 |
26,8 |
145 |
- |
12 |
415/415 |
320/320 |
20/24 |
600 |
26/30 |
575 |
25 |
4,0 |
33,5 |
180 |
- |
14 |
505/505 |
390/390 |
22/26 |
650 |
25/30 |
640 |
32 |
4,0 |
42,3 |
220 |
- |
15 |
565/565 |
435/435 |
25/30 |
830 |
36/40 |
765 |
40 |
4,0 |
48,0 |
255 |
- |
16 |
610/615 |
475/475 |
29/34 |
925 |
35/40 |
850 |
50 |
4,5 |
60,0 |
320 |
- |
18 |
720/725 |
560/560 |
35/40 |
1100 |
40/45 |
935 |
65 |
4,5 |
75,5 |
390 |
- |
19 |
780/785 |
605/610 |
40/45 |
1200 |
45/50 |
1040 |
80 |
4,5 |
88,5 |
455 |
- |
20 |
835/840 |
650/655 |
45/50 |
1330 |
50/55 |
1150 |
100 |
5,0 |
114 |
670 |
770 |
21 |
900/905 |
695/700 |
49/55 |
1580 |
54/60 |
1340 |
125 |
5,5 |
140 |
800 |
890 |
22 |
955/965 |
740/745 |
53/60 |
1860 |
64/70 |
1545 |
150 |
5,5 |
165 |
900 |
1000 |
25 |
1140/1165 |
885/900 |
62/70 |
2295 |
74/80 |
1770 |
- |
- |
- |
- |
- |
27 |
1270/1290 |
980/1000 |
72/80 |
2610 |
72/80 |
2035 |
- |
- |
- |
- |
- |
28 |
1325/1360 |
1025/1050 |
75/85 |
3070 |
75/85 |
2400 |
- |
- |
- |
- |
- |
30 |
1450/1490 |
1120/1155 |
90/95 |
2460 |
90/95 |
1925 |
- |
- |
- |
- |
- |
35 |
1770/1865 |
1370/1450 |
95/100 |
3060 |
90/100 |
2840 |
- |
- |
- |
- |
- |
38 |
1960/2100 |
1510/1620 |
- |
- |
- |
- |
- |
- |
- |
- |
- |
40 |
2080/2260 |
1610/1750 |
- |
- |
- |
- |
- |
- |
- |
- |
- |
42 |
2200/2430 |
1700/1870 |
- |
- |
- |
- |
- |
- |
- |
- |
- |
45 |
2380/2670 |
1850/2060 |
- |
- |
- |
- |
- |
- |
- |
- |
- |
* В числителе приведены нагрузки при переменном токе, в знаменателе - при постоянном.
Таблица 1.3.31. Допустимый длительный ток для шин прямоугольного сечения
Размеры,мм |
Медные шины |
Алюминиевые шины |
Стальные шины |
Ток*, А, при количестве полос на полюс или фазу |
Размеры, мм |
Ток*, А |
1 |
2 |
3 |
4 |
1 |
2 |
3 |
4 |
15 х 3 |
210 |
- |
- |
- |
165 |
- |
- |
- |
16 х 2,5 |
55/70 |
20 х 3 |
275 |
- |
- |
- |
215 |
- |
- |
- |
20 х 2,5 |
60/90 |
25 х 1 |
340 |
- |
- |
- |
265 |
- |
- |
- |
25 х 2,5 |
75/110 |
30 х 4 |
475 |
- |
- |
- |
365/370 |
- |
- |
- |
20 х 3 |
65/100 |
40 х 4 |
625 |
- /1090 |
- |
- |
480 |
- /855 |
- |
- |
25 х 3 |
80/120 |
40 х 5 |
700/705 |
- /1250 |
- |
- |
540/545 |
- /965 |
- |
- |
30 х 3 |
95/140 |
50 х 5 |
860/870 |
- /1525 |
- /1895 |
- |
665/670 |
- /1180 |
- /1470 |
- |
40 х 3 |
125/190 |
50 х 6 |
955/960 |
- /1700 |
- /2145 |
- |
740/745 |
- /1315 |
- /1655 |
- |
50 х 3 |
155/230 |
60 х 6 |
1125/1145 |
1740/1990 |
2240/2495 |
- |
870/880 |
1350/1555 |
1720/1940 |
- |
60 х 3 |
185/280 |
80 х 6 |
1480/1510 |
2110/2630 |
2720/3220 |
- |
1150/1170 |
1630/2055 |
2100/2460 |
- |
70 х 3 |
215/320 |
100 х 6 |
1810/1875 |
2470/3245 |
3170/3940 |
- |
1425/1455 |
1935/2515 |
2500/3040 |
- |
75 х 3 |
230/345 |
60 х 8 |
1320/1345 |
2160/2485 |
2790/3020 |
- |
1025/1040 |
1680/1840 |
2180/2330 |
- |
80 х 3 |
245/365 |
80 х 8 |
1690/1755 |
2620/3095 |
3370/3850 |
- |
1320/1355 |
2040/2400 |
2620/2975 |
- |
90 х 3 |
275/410 |
100 х 8 |
2080/2180 |
3060/3810 |
3930/4690 |
- |
1625/1690 |
2390/2945 |
3050/3620 |
- |
100 х 3 |
305/460 |
120 х 8 |
2400/2600 |
3400/4400 |
4340/5600 |
- |
1900/2040 |
2650/3350 |
3380/4250 |
- |
20 x4 |
70/115 |
60 х 10 |
1475/1525 |
2560/2725 |
3300/3530 |
- |
1155/1180 |
2010/2110 |
2650/2720 |
- |
22 x4 |
75/125 |
80 х 10 |
1900/1990 |
3100/3510 |
3990/4450 |
- |
1480/1540 |
2410/2735 |
3100/3440 |
- |
25 x4 |
85/140 |
100 х 10 |
2310/2470 |
3610/4325 |
4650/5385 |
5300/6060 |
1820/1910 |
2860/3350 |
3650/4160 |
4150/4400 |
30х4 |
100/165 |
120 х 10 |
2650/2950 |
4100/5000 |
5200/6250 |
5900/6800 |
2070/2300 |
3200/3900 |
4100/4860 |
4650/5200 |
40 х 4 |
130/220 |
|
|
|
|
|
|
|
|
|
50 x4 |
165/270 |
|
|
|
|
|
|
|
|
|
60х4 |
195/325 |
|
|
|
|
|
|
|
|
|
70х4 |
225/375 |
|
|
|
|
|
|
|
|
|
80х4 |
260/430 |
|
|
|
|
|
|
|
|
|
90х4 |
290/480 |
|
|
|
|
|
|
|
|
|
100 x4 |
325/535 |
* В числителе приведены значения переменного тока, в знаменателе - постоянного.
Таблица 1.3.32. Допустимый длительный ток для неизолированных бронзовых и сталебронзовых проводов
Провод |
Марка провода |
Ток*, А |
Бронзовый |
Б-50 |
215 |
Б-70 |
265 |
Б-95 |
330 |
Б-120 |
380 |
Б-150 |
410 |
Б-185 |
500 |
Б-240 |
600 |
Б-300 |
700 |
Сталебронзовый |
БС-185 |
515 |
БС-240 |
640 |
БС-300 |
750 |
БС-400 |
890 |
БС-500 |
980 |
* Токи даны для бронзы с удельным сопротивлением r20=0,03 Ом·мм2/м.
Таблица 1.3.33. Допустимый длительный ток для неизолированных стальных проводов
Марка провода |
Ток, А |
Марка провода |
Ток, А |
ПСО-3 |
23 |
ПС-25 |
60 |
ПСО-3,5 |
26 |
ПС-35 |
75 |
ПСО-4 |
30 |
ПС-50 |
90 |
ПСО-5 |
35 |
ПС-70 |
125 |
|
|
ПС-95 |
135 |
Таблица 1.3.34. Допустимый длительный ток для четырехполосных шин с расположением полос по сторонам квадрата ("полый пакет")

Размеры, мм |
Поперечное сечение |
Ток А, на пакет шин |
h |
b |
h1 |
H |
четырех- полосной шины, мм2 |
медных |
алюминиевых |
80 |
8 |
140 |
157 |
2560 |
5750 |
4550 |
80 |
10 |
144 |
160 |
3200 |
6400 |
5100 |
100 |
8 |
160 |
185 |
3200 |
7000 |
5550 |
100 |
10 |
164 |
188 |
4000 |
7700 |
6200 |
120 |
10 |
184 |
216 |
4800 |
9050 |
7300 |
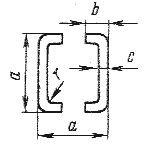
Таблица 1.3.35. Допустимый длительный ток для шин коробчатого сечения

Размеры, мм |
Поперечное сечение одной шины, мм2 |
Ток, А, на две шины |
а |
b |
c |
r |
медные |
алюминиевые |
75 |
35 |
4 |
6 |
520 |
2730 |
- |
75 |
35 |
5,5 |
6 |
695 |
3250 |
2670 |
100 |
45 |
4,5 |
8 |
775 |
3620 |
2820 |
100 |
45 |
6 |
8 |
1010 |
4300 |
3500 |
125 |
55 |
6,5 |
10 |
1370 |
5500 |
4640 |
150 |
65 |
7 |
10 |
1785 |
7000 |
5650 |
175 |
80 |
8 |
12 |
2440 |
8550 |
6430 |
200 |
90 |
10 |
14 |
3435 |
9900 |
7550 |
200 |
90 |
12 |
16 |
4040 |
10 500 |
8830 |
225 |
105 |
12,5 |
16 |
4880 |
12 500 |
10 300 |
250 |
115 |
12,5 |
16 |
5450 |
- |
10 800 |
Смотрите другие статьи раздела Правила устройства электроустановок (ПУЭ).
Читайте и пишите полезные комментарии к этой статье.
<< Назад
Последние новости науки и техники, новинки электроники:
Питомцы как стимулятор разума
06.10.2025
Помимо эмоциональной поддержки, домашние питомцы могут оказывать заметное воздействие на когнитивные процессы, особенно у пожилых людей. Новое масштабное исследование показало, что общение с кошками и собаками не просто улучшает настроение - оно действительно способствует замедлению возрастного снижения умственных способностей.
Работа проводилась в рамках проекта Survey of Health, Ageing and Retirement in Europe (SHARE), охватывающего период с 2004 по 2022 год. В исследовании приняли участие тысячи европейцев старше 50 лет. Анализ показал, что владельцы домашних животных демонстрируют более устойчивые когнитивные функции по сравнению с теми, кто не держит питомцев. Особенно выражен эффект оказался у владельцев кошек и собак.
Согласно данным ученых, владельцы собак дольше сохраняют хорошую память, в то время как хозяева кошек медленнее теряют способность к быстрому речевому взаимодействию. Исследователи связывают это с тем, что ежедневное взаимодействие с животными требует внимани ...>>
Мини-ПК ExpertCenter PN54-S1
06.10.2025
Компания ASUSTeK Computer презентовала новый мини-компьютер ASUS ExpertCenter PN54-S1. Устройство ориентировано на пользователей, которым важно сочетание производительности, энергоэффективности и универсальности - от офисных задач до мультимедийных проектов.
В основе ExpertCenter PN54-S1 лежит современная аппаратная платформа AMD Hawk Point, использующая архитектуру Zen 4. Это поколение чипов отличается улучшенным управлением энергопотреблением и повышенной вычислительной мощностью. Новинка доступна в конфигурациях с процессорами Ryzen 7260, Ryzen 5220 и Ryzen 5210, представленных AMD в начале 2025 года. Таким образом, устройство охватывает широкий диапазон задач - от базовых офисных до ресурсоемких вычислений.
Корпус мини-ПК выполнен из прочного алюминия и имеет размеры 130×130×34 мм, что делает его практически незаметным на рабочем столе или за монитором. Несмотря на компактность, внутренняя компоновка позволяет установить два модуля оперативной памяти SO-DIMM ...>>
Глазные капли, возвращающие молодость зрению
05.10.2025
С возрастом человеческий глаз постепенно теряет способность четко видеть на близком расстоянии - развивается пресбиопия, или возрастная дальнозоркость. Этот естественный процесс связан с утратой эластичности хрусталика и ослаблением цилиарной мышцы, отвечающей за фокусировку. Миллионы людей по всему миру сталкиваются с необходимостью носить очки для чтения или прибегают к хирургическим методам коррекции. Однако исследователи из Центра передовых исследований пресбиопии в Буэнос-Айресе представили решение, которое может стать удобной и неинвазивной альтернативой - специальные глазные капли, способные улучшать зрение на длительный срок.
Разработку возглавила Джованна Беноцци, директор Центра. По ее словам, цель исследования состояла в том, чтобы предоставить пациентам с пресбиопией эффективный и безопасный способ коррекции зрения без хирургического вмешательства. Новые капли, созданные на основе пилокарпина и диклофенака, показали убедительные результаты: уже через час после первого пр ...>>
Случайная новость из Архива Бензин из сахара
17.07.2015
О попадании сахара в бензин написано много, в том числе и о не таких уж серьезных, как кажется, последствиях. Но все равно по традиции считается, что бензин и сахар - вещи несовместимые. Конец предрассудкам, возможно, положит только что сделанное компанией Audi заявление о том, она начинает испытания нового синтетического топлива под названием "ебензин" (так в оригинале - e-benzin), которое получено из сахара.
Конечно, в качестве сырья используется не сахар-рафинад для домашнего потребления, а глюкоза, получаемая из биомассы. Таковой для французской компании Global Bioenergies, разработавшей технологию, являются как кукуруза со свеклой, так и отходы сельского и лесного хозяйства. С помощью неизвестным образом генетически модифицированных микроорганизмов, внутри которых "нетипичные метаболические посредники" проводят "неописанные ферментные реакции" (так в оригинале), на выходе получается изобутилен - ненасыщенный углеводород, изомерный газу бутилену.
Изобутилен используется в качестве сырья для производства различных видов топлива, пластмасс, красок и синтетических каучуков. Получение его из возобновляемой биомассы позволяет в теории отказаться от использования ископаемого сырья вроде нефти со всеми вытекающими последствиями. Кроме того, технология, использующая бродильные чаны, которые красиво называются "биореакторами", поддается любому масштабированию, а потому (опять-таки, пока что в теории) можно наладить производство топлива на любой лесопилке.
Компания-производитель сообщает, что в своей технологии ей удалось преодолеть основную проблему традиционного процесса брожения - накопление жидкости в реакторе, которая отравляет микроорганизмы, осуществляющие ферментацию. В биореакторах Global Bioenergies готовый продукт сразу же испаряется, а потом уже извлекается из общей газообразной среды, содержащей изобутилен, углекислый газ и пар, с помощью обычных методов. После этого за дело берутся уже инженеры Audi, которые получают из изобутилена изооктан.
Изооктан сейчас применяется как добавка при производстве бензинов для повышения их антидетонационных свойств, однако Audi утверждает, что он может использоваться и качестве "ебензина", который сгорает вчистую ввиду отсутствия серы и собственно бензина. В будущем же инженеры Audi и Global Bioenergies обещают отказаться от использования сахара и производить следующее, пока еще безымянное топливо при помощи воды, водорода, двуокиси углерода и солнечного света.
|
Другие интересные новости:
▪ INTEL распространяет поддержку технологии Hyper-Threading
▪ Сервис защиты гаджетов от воды
▪ Монитор AOC C3583FQ
▪ Внешность может повлиять на долголетие
▪ Крысы обнаруживают туберкулез
Лента новостей науки и техники, новинок электроники
Интересные материалы Бесплатной технической библиотеки:
▪ раздел сайта Истории из жизни радиолюбителей. Подборка статей
▪ статья Сор из избы выносить. Крылатое выражение
▪ В чем специфика Реформации во Франции? Подробный ответ
▪ статья Работа на резальной линии типа POLLAR. Типовая инструкция по охране труда
▪ статья Компенсационный датчик тока с магнитным шунтом. Энциклопедия радиоэлектроники и электротехники
▪ статья Сердитая пробка. Секрет фокуса
Оставьте свой комментарий к этой статье:
Главная страница | Библиотека | Статьи | Карта сайта | Отзывы о сайте

www.diagram.com.ua
2000-2025