Menu Home

Бесплатная техническая библиотека для любителей и профессионалов Бесплатная техническая библиотека


Зарядное устройство 5...10000 мАч. Энциклопедия радиоэлектроники и электротехники

Бесплатная техническая библиотека

Энциклопедия радиоэлектроники и электротехники / Блоки питания

Комментарии к статье Комментарии к статье

Для питания переносных устройств нередко используют аккумуляторные элементы и батареи из них. Их емкость может быть различной, поэтому для зарядки требуется разный зарядный ток. А ЭДС, достижение которой означает полную заряженность, зависит от числа последовательно соединенных элементов в батарее. Возникает потребность в зарядном устройстве с широкими интервалами изменения этих параметров.

Предлагаемое устройство позволяет заряжать щелочные аккумуляторные элементы емкостью от 5 до 10000 мА·ч и батареи из них, содержащие 2, 3, 4, 5, 6, 8, 10, 12, 14 или 16 элементов, соединенных последовательно. Далее в статье для обозначения и заряжаемых элементов, и батарей используется один термин - аккумулятор.

Устройство предоставляет возможность заряжать аккумулятор как прерывистым постоянным током, так и асимметричным током переменной полярности. Способ зарядки асимметричным током довольно часто рассматривался в литературе, например, в [1-3]. О его преимуществах и недостатках сказано много. Иногда он позволяет восстановить аккумулятор, потерявший емкость. Зарядный ток задают галетным переключателем на 11 положений. Значения этого тока фиксированы: 0,5; 1; 2; 5; 10; 20; 50; 100; 200; 500 и 1000 мА. Нужное значение обычно численно равно десятой доле выраженной в миллиампер-часах номинальной емкости аккумулятора.

Структурная схема зарядного устройства показана на рис. 1. Генератор вырабатывает прямоугольные импульсы. Они поступают на вход распределителя, формирующего интервалы времени для измерения ЭДС аккумулятора, его зарядки и разрядки. Эти три интервала образуют один зарядный цикл. Их длительности при зарядке асимметричным током относятся как 1:2:2, где первая цифра - относительная длительность измерения ЭДС, вторая - относительная длительность протекания зарядного тока 1з, третья - относительная длительность протекания разрядного тока 1р. Когда асимметрия выключена, это соотношение равно 1:2:0 (интервал разрядки исключен), зарядный ток при этом прерывистый.

Зарядное устройство 5...10000 мАч
Рис. 1. Структурная схема зарядного устройства

Измерение ЭДС заряжаемого аккумулятора происходит при отключенных стабилизаторах зарядного и разрядного тока. За ней следит компаратор напряжения. По достижении номинальной ЭДС он срабатывает, в результате чего узел управления останавливает распределитель в состоянии измерения ЭДС. В нем он может оставаться неограниченное время. Если ЭДС аккумулятора снизится, распределитель вновь будет запущен и начнется зарядка.

Значения зарядного и разрядного тока задают соответствующие стабилизаторы в зависимости от положения имеющегося в устройстве переключателя. При этом ток зарядки всегда в десять раз больше тока разрядки. Чтобы упростить сопряжение микросхем зарядного устройства со стабилизаторами тока, их питание сделано двухполярным относительно общего провода. Сами стабилизаторы тоже питают двухполярным напряжением, причем положительное напряжение - регулируемое в зависимости от числа элементов в заряжаемой батарее. Это позволяет снизить мощность, рассеиваемую стабилизатором зарядного тока при зарядке аккумуляторов большой емкости, но малого напряжения.

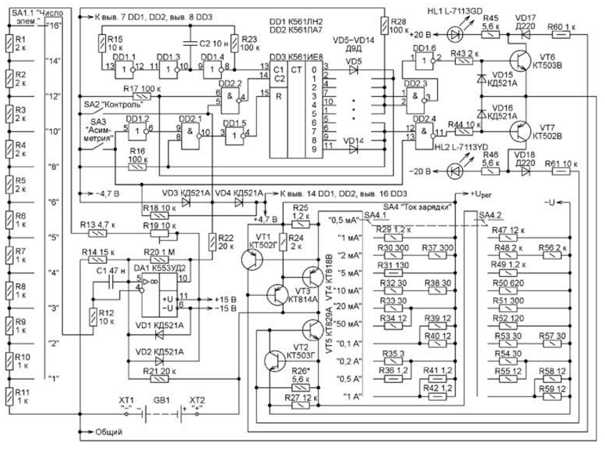
Схема зарядного устройства показана на рис. 2. На элементах DD1.1, DD1.3, DD1.4собран генератор импульсов частотой около 150 Гц. Они поступают на счетчик DD3, на котором выполнен распределитель импульсов. Диоды VD5 и VD6 выполняют логическую функцию ИЛИ для сигналов с выходов 0 и 1 счетчика (выводы 3 и 2), формируя этим интервал времени для измерения ЭДС аккумулятора. Четыре диода VD7-VD10, выполняющих ту же функцию для сигналов с выходов 2-5 счетчика (выводы 4, 7, 10, 1), формируют интервал протекания зарядного тока. Еще четыре диода VD11-VD14 объединяют сигналы с остальных выходов счетчика, формируя интервал разрядки.

Зарядное устройство 5...10000 мАч
Рис. 2. Схема зарядного устройства (нажмите для увеличения)

Как уже было сказано, измерение ЭДС заряжаемого аккумулятора выполняется, когда цепи зарядки и разрядки от него отключены. По достижении номинальной ЭДС уровень напряжения на выходе компаратора напряжения на ОУ DA1 становится высоким (около +15 В). Это напряжение через ограничитель из резистора R22 и диодов VD3 и VD4 поступает на один из входов элемента DD2.2. На нем и на элементах DD1.2, DD1.5 и DD2.1 собран узел управления распределителем. Логически высокий уровень, установленный на входе (выводе 5) элемента DD2.2 компаратором, и такой же уровень, пришедший на второй вход (вывод 6) того же элемента с распределителя в интервале измерения ЭДС, переводят элемент DD2.2 в состояние с низким уровнем на выходе, что останавливает распределитель в положении измерения ЭДС.

Для надежной фиксации распределителя в остановленном состоянии компаратор DA1 охвачен положительной обратной связью через резистор R20.

Эта связь создает небольшой гистерезис в характеристике переключения компаратора, что увеличивает его помехоустойчивость. ЭДС, при которой зарядка прекращается, равна 1,35...1,4 В на один аккумуляторный элемент. Этот уровень регулируют подстроечным резистором R19.

Заряжать можно и аккумуляторы с ЭДС, при которой зарядку следует прекращать, отличающейся от установленной в зарядном устройстве, но тогда за процессом зарядки придется следить самостоятельно. Выключатель SA2 в замкнутом состоянии исключает воздействие компаратора DA1 на работу распределителя, в результате чего тот продолжает работу независимо от ЭДС заряжаемого аккумулятора.

Диоды VD1, VD2 и резистор R21 защищают входную цепь ОУ от повреждения высоким напряжением. Источник образцового напряжения для компаратора состоит из резисторов R1-R11 и переключателя SA1.1. Числа, обозначающие положения переключателя, соответствуют числу элементов в заряжаемой батарее.

Логический элемент DD2.3 инвертирует разрешающий зарядку сигнал с распределителя, элемент DD1.6 еще раз инвертирует его, усиливает по току и подает на базу транзистора VT6, управляющего стабилизатором зарядного тока. О разрешении зарядки сигнализирует светодиод HL1 зеленого цвета свечения.

Элемент DD2.4 инвертирует сигнал интервала разрядки с распределителя перед подачей его на базу транзистора VT7, управляющего стабилизатором разрядного тока. О том, что работа этого стабилизатора разрешена, сигнализирует светодиод HL2 желтого цвета свечения. Когда зарядка аккумулятора завершена, светодиод HL1 гаснет, а если она выполнялась в режиме асимметричного тока, то гаснет и светодиод HL2. Диоды VD15 и VD16 ограничивают обратное напряжение на базах транзисторов VT6 и VT7, когда они закрыты.

Отключить асимметрию зарядного тока можно выключателем SA3. Когда его контакты замкнуты, элемент DD2.4 блокирует сигнал включения стабилизатора разрядного тока, а элементы DD1.2, DD1.5 и DD2.1 формируют сигнал, переводящий распределитель в состояние измерения ЭДС. Поэтому интервал разрядки в цикле работы зарядного устройства отсутствует, а ток зарядки прерывистый. Светится только светодиод HL1.

На транзисторах VT1, VT3 и VT4 собран стабилизатор зарядного тока. Значение тока зависит от сопротивления резисторов R29-R42, выбранных переключателем SA4.1. Транзисторы VT2 и VT5 стабилизируют разрядный ток, зависящий от сопротивления резисторов R47-R59, выбранных переключателем SA4.2.

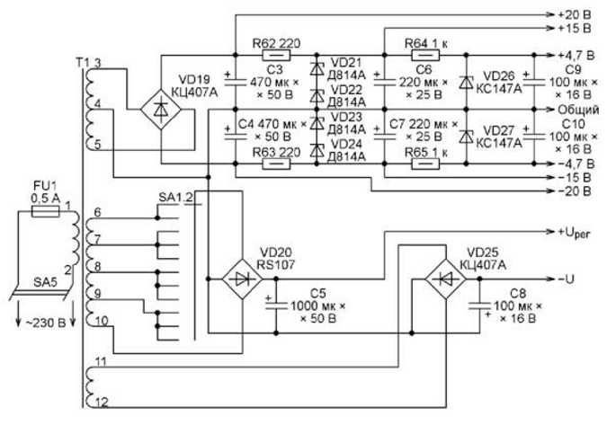
Схема узла питания зарядного устройства показана на рис. 3. Большинство питающих напряжений получают из переменного напряжения обмотки 3-5 трансформатора T1, выпрямленного диодами моста VD19. Стабилизатор напряжения +/-15 В для питания ОУ DA1 выполнен на стабилитронах VD21-VD24 и резисторах R62, R63. Стабилитроны VD26, VD27 и резисторы R64, R65 образуют стабилизатор напряжения +/-4,7 В для цифровых микросхем .

Зарядное устройство 5...10000 мАч
Рис. 3. Схема узла питания зарядного устройства (нажмите для увеличения)

Для питания стабилизатора зарядного тока предназначен выпрямитель на диодном мосте VD20 со ступенчатой регулировкой выпрямленного напряжения. Она производится переключением отводов вторичной обмотки 6-10 трансформатора T1 переключателем SA1.2, спаренным с SA1.1. Стабилизатор разрядного тока питается от обмотки 11-12 трансформатора T1 через нестабилизированный выпрямитель на диодном мосте VD25.

Собрано зарядное устройство в стальном корпусе размерами 180х200х х165 мм. На его передней панели размещены все переключатели, светодиоды и зажимы для подключения аккумулятора. На задней панели установлен держатель плавкой вставки ВПБ6-1 (FU1) и выведен сетевой шнур. Внутри корпуса находятся трансформатор T1 и монтажная плата размерами 170x190 мм. К плате прикреплен ребристый с одной стороны теплоотвод размерами 80х80 мм, с плоской стороны которого закреплены без каких-либо прокладок транзисторы VT3-VT5.

Трансформатор T1 мощностью 30...40 ВА изготовлен из предназначенного для питания галогенных ламп. Он имеет тороидальный стальной магнитопровод. Его первичная обмотка сохранена, а вторичная на 12 В удалена. Обмотка 3-5 намотана проводом ПЭВ-2 диаметром 0,28 мм и содержит 180 витков с отводом от середины. Напряжение на каждой половине этой обмотки - 14 В. Обмотка 11-12 состоит из 39 витков такого же провода, ее напряжение - 6,6 В. Многовыводная обмотка 6-10 намотана проводом ПЭВ-2 диаметром 0,67 мм. Всего в ней 132 витка - по 33 в каждой из четырех секций. Напряжение между выводами 6 и 10 - 22 В. Между выводами 9 и 10 - 5,5 В, между выводами 8 и 10 - 11 В, между выводами 7 и 10 - 16,5 В.

Переключатели SA1 и SA4 - галетные ПМ 11П2Н, выключатели SA2, SA3 - МТ1 или аналогичные импортные, SA5 - ТП1-2. В качестве зажимов XT1 и XT2 для подключения заряжаемого аккумулятора GB1 использован пружинный разъем для акустических колонок с двумя зажимами - красным и черным. К красному зажиму подключают плюсовой полюс аккумулятора, к черному - минусовый.

В устройстве использованы постоянные резисторы МЛТ, подстроечный резистор СП3-38а, оксидные конденсаторы К50-16 и аналогичные импортные, керамические конденсаторы К10-7в. Диодные мосты КЦ407А и RS107 можно заменить другими, аналогичными по параметрам.

Налаживание устройства начните с подборки резистора R26. Для этого подключите к зажимам XT1 и XT2 многопредельный миллиамперметр. Затем соедините двумя проволочными перемычками базу с эмиттером каждого из транзисторов VT6 и VT7. Подбирая резистор R26, добейтесь отсутствия тока через транзистор VT2.

Перед регулировкой стабилизатора тока зарядки соедините одной проволочной перемычкой коллектор и эмиттер транзистора VT6, а другой - базу и эмиттер транзистора VT7. Проследите за показаниями миллиамперметра в каждом положении переключателя SA4. Если ток значительно, более чем на ±5 %, отличается от требуемого, то подборкой соответствующего резистора доведите его до нормы.

Стабилизатор разрядного тока проверьте точно так же, но соединив перемычками базу транзистора VT6 с его эмиттером, а также коллектор с эмиттером транзистора VT7. Ток разрядки должен быть в десять раз меньше тока зарядки, устанавливаемого переключателем SA4. Если это не так, подберите соответствующие резисторы в стабилизаторе разрядного тока.

После выполнения описанных операций не забудьте удалить все перемычки. Теперь нужно отрегулировать пороговую ЭДС, при которой будет прекращаться зарядка. Для этого подключите плюсом к зажиму XT2, а минусом - к зажимуXT1 внешний регулируемый стабилизированный источник напряжения, нагруженный резистором, например, 100 Ом мощностью 1 Вт. Установите переключателем SA4 зарядный ток 2 мА, а переключателем SA1 - число заряжаемых элементов, равное шести, движок подстроечного резистора R19 переведите в положение минимального сопротивления (левое по схеме). Подстроечным резистором добейтесь уверенного отключения зарядного тока при напряжении внешнего источника 8,1 ...8,4 В. Светодиод HL1, а если выключателем SA3 включен режим асимметричной зарядки, и светодиод HL2 при превышении этого напряжения должны гаснуть.

Чтобы после этой регулировки получить приемлемые значения ЭДС прекращения зарядки и в других положениях переключателя SA1, нужно подобрать резисторы R1-R11 со значениями сопротивления, максимально близкими к указанным на схеме, или использовать резисторы повышенной точности.

Литература

  1. Скриндевский Н. Автоматическое зарядное устройство аккумуляторной батареи. - Радио, 1991, № 12, с. 28-30.
  2. Яковлев Е. Низковольтное автоматическое зарядное устройство. - Радиоаматор, 2005, № 7, с. 21.
  3. Коновалов В. Пульсирующее зарядно-восстановительное устройство. - Радиолюбитель, 2007, № 5, с. 30, 31.

Автор: А. Вишневский

Смотрите другие статьи раздела Блоки питания.

Читайте и пишите полезные комментарии к этой статье.

<< Назад

Последние новости науки и техники, новинки электроники:

Оптимальная продолжительность сна 12.11.2025

Сон играет ключевую роль в поддержании здоровья, когнитивных функций и общего самочувствия. Несмотря на широко распространенный стереотип о восьмичасовом сне, последние исследования показывают, что оптимальная продолжительность сна для большинства здоровых взрослых ближе к семи часам. Эволюционный биолог из Гарварда, Дэниел Э. Либерман, утверждает, что традиционная норма восьми часов сна - это скорее культурное наследие индустриальной эпохи, чем биологическая необходимость. По его словам, полевые исследования, проведенные в сообществах, не использующих электричество, показывают, что средняя продолжительность сна составляет 6-7 часов, что значительно отличается от общепринятого стандарта. Современные эпидемиологические данные подтверждают этот взгляд. Исследования выявили так называемую "U-образную кривую" зависимости между продолжительностью сна и рисками для здоровья. Минимальные показатели заболеваемости и смертности наблюдаются именно у людей, спящих около семи часов в сутки. ...>>

Дефицит кислорода усиливает выброс закиси азота 12.11.2025

Парниковые газы играют ключевую роль в изменении климата, а закись азота (N2O) - один из наиболее опасных среди них. Этот газ не только втрое сильнее углекислого газа в удержании тепла, но и разрушает озоновый слой. Недавнее исследование американских ученых показало, что микробы в зонах с низким содержанием кислорода активно производят N2O, усиливая глобальные климатические риски. Команда из Университета Пенсильвании изучала прибрежные воды у Сан-Диего и провела наблюдения на глубинах от 40 до 120 метров в Восточной тропической северной части Тихого океана - одной из крупнейших зон дефицита кислорода. Исследователи сосредоточились на том, как морские микроорганизмы превращают нитраты в закись азота. В ходе работы выяснилось, что существует два пути образования N2O. Один путь начинается с нитрата, другой - с нитрита. На первый взгляд более короткий путь должен быть эффективнее, однако микробы, использующие нитрат, продуцируют больше газа, поскольку этот "сырьевой" источник более д ...>>

Омега-3 помогают молодым кораллам выживать 11.11.2025

Сохранение коралловых рифов становится все более актуальной задачей в условиях глобального изменения климата. Молодые кораллы особенно уязвимы на ранних стадиях развития, когда стрессовые условия и нехватка питательных веществ могут привести к высокой смертности. Недавнее исследование ученых из Технологического университета Сиднея показывает, что специальные пищевые добавки способны существенно повысить выживаемость личинок кораллов. В ходе работы исследователи разработали особый состав "детского питания" для коралловых личинок. В него вошли масла, богатые омега-3 жирными кислотами, а также важные стерины, необходимые для формирования клеточных мембран. Личинки, получавшие эти добавки, развивались быстрее, становились крепче и демонстрировали более высокую устойчивость к стрессовым факторам. Особое внимание ученые уделили липидам. Анализ показал, что личинки активно усваивают эти вещества, что напрямую влияет на их жизнеспособность. Стерины, содержащиеся в корме, повышают устойчи ...>>

Случайная новость из Архива

Электропровода из пластика 06.05.2012

Исследователи из Института Садрона и Университета Страсбурга создали пластиковые волокна в несколько нанометров, которые отлично проводят ток. Изобретение можно использовать в электронной промышленности, причем, в отличие от углеродных нанотрубок, новые нанопровода самоорганизуются под вспышкой света и просты в производстве. Недорогие и простые в обращении пластиковые нанопровода сочетают в себе преимущества двух основных материалов электронной промышленности: проводят электрический ток, как металлы и органические полимеры. При этом их электрические свойства аналогичны свойствам металлов.

Кроме того, пластиковые нанопровода легкие и гибкие, что открывает возможности для миниатюризации электронных компонент вплоть до нанометрового масштаба.

Для создания нанопроводов ученые использовали химически модифицированные молекулы вещества triarylamine - синтетические молекулы, которые на протяжении десятилетий используются компанией Xerox для процесса ксерокопирования. К своему удивлению ученые обнаружили, что новые молекулы triarylamine на свету самостоятельно формируют волокна в несколько сотен нанометров (1 нм это одна миллиардная метра), создавая так называемые супрамолекулярные структуры, состоящие из нескольких тысяч молекул.

Исследователи тщательно изучили электрические свойства новых нановолокон. Прежде всего, стало ясно, что нановолокна формируются на свету только между двумя электродами. Вторым неожиданным явлением стала чрезвычайно высокая электропроводность пластиковых нанопроводов. Они смогли передать ток чрезвычайно высокой плотности: свыше 2.10^6 ампер на квадратный сантиметр, т.е. практически на уровне медного провода. Кроме того, нанопровода имеют очень низкое контактное сопротивление при соединении с металлами: в 10000 раз ниже, чем у лучших органических полимеров.

В настоящее время ученые собираются интегрировать новые волокна в различные электронные устройства: гибкие экраны, солнечные батареи и т.д.

Другие интересные новости:

▪ Учуять деменцию

▪ Игровые ноутбуки Lenovo Legion R7000P и R9000P

▪ Транскраниальная магнитная стимуляция улучшила кратковременную вербальную память

▪ Совершенствование технологии iOLED

▪ Имплантируемый чип от MicroCHIPS успешно испытан на людях

Лента новостей науки и техники, новинок электроники

 

Интересные материалы Бесплатной технической библиотеки:

▪ раздел сайта Микрофоны, радиомикрофоны. Подборка статей

▪ статья Органы управления, контроля и надзора по охране природы, их функции. Основы безопасной жизнедеятельности

▪ статья Почему у нас две нервные системы? Подробный ответ

▪ статья Селеницереус. Легенды, выращивание, способы применения

▪ статья Усилитель низкой частоты на микросхеме К224УН17. Энциклопедия радиоэлектроники и электротехники

▪ статья Блок регулирования больших выпрямленных токов. Энциклопедия радиоэлектроники и электротехники

Оставьте свой комментарий к этой статье:

Имя:


E-mail (не обязательно):


Комментарий:





Главная страница | Библиотека | Статьи | Карта сайта | Отзывы о сайте

www.diagram.com.ua

www.diagram.com.ua
2000-2025