Menu Home

Бесплатная техническая библиотека для любителей и профессионалов Бесплатная техническая библиотека


Модуль измерения и защиты блока питания. Энциклопедия радиоэлектроники и электротехники

Бесплатная техническая библиотека

Энциклопедия радиоэлектроники и электротехники / Блоки питания

Комментарии к статье Комментарии к статье

Предлагаемый модуль можно использовать совместно с лабораторными блоками питания для защиты их нагрузки от превышения напряжения и тока сверх установленных пределов.

Описания подобных устройств неоднократно публиковались, примером может быть статья "Усовершенствованное цифровое устройство защиты с функцией измерения" ("Радио", 2007, № 7, с. 26-28, автор Н. Заец), в которой рассказано о приборе подобного назначения на микроконтроллере PIC16F873 с двухразрядным семиэлементным светодиодным индикатором. В отличие от него, предлагаемый модуль построен на микроконтроллере ATmega8535L-8PU и ЖКИ, содержащем четыре строки по 16 символов.

Первоначально я предполагал использовать для измерения тока дифференциальный вход АЦП микроконтроллера с встроенным предварительным усилителем. Однако проверка выявила нестабильность такого измерения. Применение ОУ в узле измерения тока также признано нецелесообразным по той же причине. Был выбран компромиссный вариант измерения тока двумя каналами АЦП при сравнительно большом сопротивлении резисторов-датчиков тока.

Первый канал, использующий датчик тока сопротивлением 0,5 Ом, измеряет ток до 1 А с дискретностью 10 мА. Второй канал способен измерять ток до 5 А с дискретностью 0,1 А с помощью датчика тока сопротивлением 0,05 Ом. Напряжение прибор измеряет с дискретностью 0,1 В.

Время срабатывания защиты в основном зависит от тактовой частоты АЦП (125 кГц). Расчетная и подтвержденная с помощью осциллографа длительность аналого-цифрового преобразования - 110 мкс. На измерение и напряжения, и тока микроконтроллер расходует 220 мкс плюс суммарная продолжительность выполнения команд переключения. При тактовой частоте микроконтроллера 8 МГц они выполняются за 3,7 мкс.

Свою лепту в увеличение времени срабатывания защиты могут внести процедуры вывода информации на индикатор. Программа обращается к нему каждые 0,28 с (задано константой TimeDisp). На вывод информации она расходует 4 мс (измерено осциллографом). Отсчет времени ведут два счетчика, первый из них программа инкрементиру ет в каждом цикле измерения, а второй подсчитывает переполнения первого. По достижении содержимым второго счетчика значения указанной выше константы происходит вывод информации на индикатор.

Вероятность, что аварийное событие произойдет в течение времени обслуживания индикатора, уменьшается при увеличении периода обращений к индикатору. Если требуется минимальная задержка срабатывания, следует запретить программе обращения к индикатору. Такой режим предусмотрен.

Управляют устройством с помощью семи кнопок, выключателя и энкодера с кнопкой. Использование энкодера упрощает ввод информации в микроконтроллер. Индикатор на 64 знакоместа существенно повышает возможности информирования пользователя о состоянии устройства.

Сравнительно большой объем программы обусловлен наличием в ней многочисленных текстов сообщений, выводимых на индикатор. Кроме вывода визуальной информации, предусмотрена и звуковая сигнализация срабатывания защиты.

К статье прилагаются два варианта программы. Первый (исходный текст Modul-P&M4.asm, загрузочный файл Modul-P&M4.hex) не предусматривает сохранения установленных значений порогов срабатывания защиты в энергонезависимой памяти микроконтроллера. После включения питания или принудительной установки микроконтроллера в исходное состояние эта программа запишет в регистры сравнения максимально допустимые значения.

Во втором варианте программы (исходный текст Modul-P&M-EP.asm, загрузочный файл Modul-P&M-EP.hex) установленные значения порогов при выключении питания сохраняются в EEPROM. При последующем включении программа их восстанавливает.

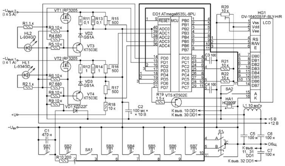
Схема модуля показана на рис. 1. Первый канал измерения тока образуют резисторы-датчики тока R12, R14, подстроечный резистор R16 и несимметричный вход АЦП ADC1, второй канал измерения тока - это резисторы R11, R13, подстроечный резистор R15и несимметричный вход АЦП ADC3. Нагрузку первого канала подключают между плюсовым зажимом защищаемого источника и зажимом "-ивых,", а второго канала - между тем же зажимом источника и зажимом "-ивых.2". Часть напряжения источника с зажима "+U" через делитель напряжения, образованный постоянным резистором R18 и подстроечным резистором R17, поступает для измерения на несимметричный вход АЦП ADC4.

Модуль измерения и защиты блока питания
Рис. 1. Схема модуля (нажмите для увеличения)

Подстроечные резисторы R15-R17 используют при налаживании для установки на индикаторе HG1 показаний напряжения и тока по образцовым приборам. Каждый из транзисторных ключей, разъединяющих при необходимости нагрузку и контролируемый источник, состоит из мощного полевого транзистора и управляющего им биполярного транзистора. Здесь могут быть применены полевые транзисторы с пороговым напряжением 2...5 В.

Кратковременная вспышка светодиода HL1 при включении питания (установке в исходное состояние) вызвана тем, что после этого выводы микроконтроллера некоторое время находятся в высокоимпедансном состоянии. В результате по цепи плюс питания - светодиод HL1 - резисторы R2, R7 - эмиттерный переход VT4 - диод VD3 - общий провод (для канала 1) протекает импульс тока. По аналогичной причине вспыхивает и светодиод HL2.

При работе модуля одновременно с включением канала загорается соответствующий светодиод: канал 1 - HL1, канал 2 - HL2.

Для установки порогов срабатывания защиты по току и напряжению служит энкодер S1. Предусмотрена звуковая сигнализация срабатывания защиты по напряжению или току. Для этого служит узел из усилителя на транзисторе VT5 и электромагнитного излучателя звука HA1.

ЖКИ HG1 работает с восьмиразрядной шиной данных, образованной линиями порта B микроконтроллера. На его экран программа выводит информацию об измеренных значениях напряжения и тока, режимах работы устройства.

После включения питания или установки микроконтроллера в исходное состояние модуль переходит в режим ожидания. Оба канала закрыты, измерение напряжения и тока не производится. Подключите регулируемый источник напряжения к зажимам "+U" и "-иж", а нагрузку - к зажимам "+U" и "-ивых1". Выбрав нажатием на кнопку SB3 первый канал, подстроечными резисторами R16 и R17 добейтесь совпадения показаний модуля и образцовых амперметра и вольтметра. Нажав на кнопку SB2, возвратитесь в режим ожидания.

Затем подключите нагрузку к каналу 2 (зажимам "+U" и "-ивых.2"), выберите нажатием на кнопку SB4 второй канал и подстроечным резистором R15 добейтесь совпадения показаний ЖКИ и образцового амперметра.

Нажав на кнопку энкодера, выберите его для установки порогов срабатывания защиты по напряжению и току. Вращением энкодера задайте требуемый порог тока в одном из каналов и нажатием на кнопку SB6 (канал 1) или SB7 (канал 2) запишите это значение в регистр сравнения микроконтроллера. Устанавливать в канале 1 порог срабатывания защиты выше 1 А программа запрещает и при попытке сделать это выводит на ЖКИ соответствующее предупреждение. Нажатие на кнопку SB5 записывает в регистр сравнения порог защиты от превышения напряжения.

После записи всех порогов, нажав на кнопку SB2, возвратите модуль в режим ожидания. Проверьте работу защиты превышением установленных порогов по напряжению и току. При ее срабатывании будет подан звуковой сигнал, а на ЖКИ выведена информация о произошедшем. Одновременно погаснет светодиод канала, в котором произошло срабатывание.

После срабатывания защиты возможны два варианта дальнейших действий: нажатием на кнопку SB2 вернуться в режим ожидания или, нажав на кнопку энкодера, войти в режим установки порогов. Во втором случае в регистры, используемые в подпрограмме обслуживания энкодера, будут скопированы текущие значения из регистров сравнения, что ускорит установку новых значений.

В рабочем режиме модуля нажатиями на кнопки SB5-SB7 можно записать в регистры сравнения текущие значения напряжения или тока включенного канала, увеличенные на две единицы младшего разряда.

Включают быстродействующую защиту выключателем SA1, предварительно установив требуемые значения напряжения, тока и порогов. Соответствующая информация выводится на ЖКИ.

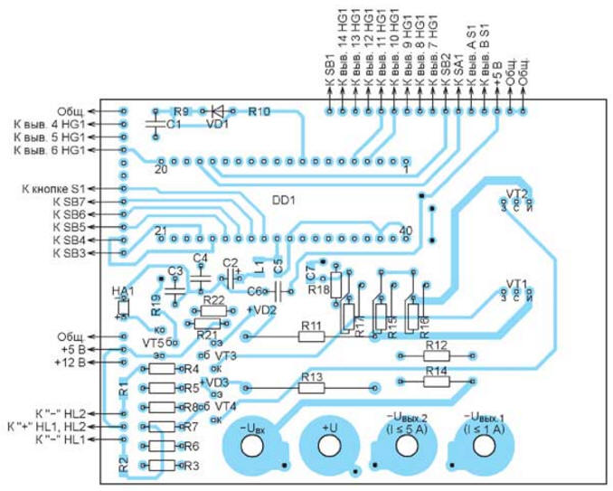
Печатная плата модуля изображена на рис. 2, расположение элементов на ней - на рис. 3. Все контактные площадки для подключения кнопок, энкодера, светодиодов, ЖКИ и подачи питания расположены с шагом 2,54 мм на краях платы. При желании можно подключить внешние компоненты и питание через штыревые многоконтактные разъемы. Подсветка индикатора ввиду большого (до 220 мА) потребляемого тока запитана непосредственно от блока питания через выключатель SA2. Подстроечный резистор регулировки контрастности R20 лучше вынести на одну из стенок корпуса. Участки печатных проводников, по которым протекает ток нагрузки второго канала, необходимо умощнить, напаяв поверх них провода диаметром 1 мм.

Модуль измерения и защиты блока питания
Рис. 2. Печатная плата модуля

Модуль измерения и защиты блока питания
Рис. 3. Расположение элементов на плате

На плате достаточно места для установки, при необходимости, теплоотводов для транзисторов VT1 и VT2. Микроконтроллер ATmega8535L-8PU можно заменить на ATmega8535-16PU или один из того же семейства с индексами PI, а ЖКИ DV-16400S1F-BLY-H/R на WH-1604A-YGH-CT или другой русифицированный четырехстрочный с контроллером, совместимым c KS0066U. Вместо электромагнитного излучателя звука HC0905F подойдет HCM1212A. Указанные на схеме диоды GS1A (VD2 и VD3) - аналоги диодов 1N4001 в исполнении для поверхностного монтажа.

Подстроечные резисторы R15- R17 - многооборотные импортные 3266W сопротивлением от 100 до 500 Ом (R15, R16) и не менее 500 Ом (R17). Возможна замена подстроечных резисторов делителями из двух постоянных резисторов, подбираемых при наладке.

Резисторы R12, R14 - MOH-0,5, которые можно заменить импортными CF-50 или CF-100. Резисторы R11, R13 - SQP мощностью 3 Вт. Ограничение измеряемого тока значением 5 А вызвано слишком сильным нагревом этих резисторов при большем токе. При замене их более мощными, например, проволочными KNP-500 или KNP-600, можно измерять ток до 9,9 А без изменений в программе.

Для питания модуля автором применен трансформаторный блок питания от видеоплейера. Напряжение + 12 В снято с входа интегрального стабилизатора напряжения +5 В.

Модуль собран в корпусе от компьютерного блока питания мощностью 300 Вт Все старое содержимое корпуса удалено, задняя стенка вырезана. Ее остатки образуют рамку, к которой прикреплена винтами М3 новая пластмассовая передняя панель модуля. Его вид со стороны этой панели показан на рис. 4.

Модуль измерения и защиты блока питания
Рис. 4. Внешний вид модуля

Программа микроконтроллера создана в среде разработки AVR Studio 4. Конфигурация микроконтроллера ATmega8535L для работы с внутренним RC-генератором на частоте 8 МГц должна соответствовать таблице.

Таблица

Разряд Сост. Разряд Сост.
S8535C 1 BODLEVEL 1
WDTON 1 BODEN 1
SPIEN 0 SUT1 1
SKOPT 1 SUT0 0
EESAVE 1 CKSEL3 0
BOOTSZ1 0 CKSEL2 1
BOOTSZQ 0 CKSEL1 0
BOOTRST 1 CKSEL0 0

Я использую в работе регулируемый блок питания, изготовленный в 80-х годах, и бывают случаи перегрева регулирующего транзистора П210 с последующим ростом выходного напряжения. Это произошло и при совместной работе с описанным модулем защиты. Модуль сработал, как положено, отключил напряжение, подал звуковой и световой сигналы, вывел на ЖКИ соответствующую информацию.

Программы микроконтроллера можно скачать с ftp://ftp.radio.ru/pub/2016/10/modul.zip.

Автор: Н. Салимов

Смотрите другие статьи раздела Блоки питания.

Читайте и пишите полезные комментарии к этой статье.

<< Назад

Последние новости науки и техники, новинки электроники:

Хорошо управляемые луга могут компенсировать выбросы от скота 15.02.2026

Животноводство, особенно разведение крупного рогатого скота, часто обвиняют в значительном вкладе в глобальное потепление из-за мощного парникового газа - метана, который выделяется при пищеварении у жвачных животных. Это вызывает острые политические споры и призывы к сокращению потребления мяса. Однако ученые напоминают, что полная картина климатического воздействия отрасли не ограничивается только выбросами от животных: огромную роль играет окружающая экосистема - пастбища, почва и растительность, которые способны активно поглощать углекислый газ из атмосферы. Исследователи из Университета Небраски-Линкольна решили глубже изучить этот баланс. Группа под руководством профессора Галена Эриксона сосредоточилась на том, как правильно организованные пастбища накапливают углерод в растениях и грунте благодаря естественным процессам, стимулируемым выпасом скота. Ученые подчеркивают, что при достаточном уровне осадков и грамотном управлении такие луга превращаются в мощные природные погло ...>>

NASA тестирует инновационную технологию крыла 15.02.2026

Коммерческая авиация ежегодно расходует колоссальные объемы керосина, что сказывается не только на бюджете авиакомпаний, но и на состоянии окружающей среды. В 2024 году глобальные затраты на авиационное топливо достигли 291 миллиарда долларов, и эта сумма продолжает расти. Чтобы справиться с этими вызовами, NASA активно работает над технологиями, способными заметно повысить аэродинамическую эффективность самолетов. Одним из самых перспективных направлений стало создание специальной конструкции крыла, которая максимизирует естественный ламинарный поток воздуха и минимизирует сопротивление. В январе 2026 года специалисты NASA Armstrong Flight Research Center успешно провели важный этап наземных испытаний концепции Crossflow Attenuated Natural Laminar Flow (CATNLF). Для эксперимента под фюзеляж исследовательского самолета F-15B закрепили вертикально ориентированную масштабную модель высотой около 0,9 м (3 фута), напоминающую узкий киль. Такая компоновка позволила подвергнуть прототип р ...>>

Забота о внуках очень полезна для здоровья мозга 14.02.2026

Общение между поколениями приносит радость всей семье, но мало кто задумывается, насколько активно бабушки и дедушки, заботящиеся о внуках, поддерживают свою умственную форму. Регулярное взаимодействие с детьми стимулирует мозг пожилых людей, помогая сохранять память, скорость мышления и общую когнитивную активность. Новые научные данные подтверждают, что такая добровольная помощь не только важна для общества, но и может замедлять возрастные изменения в мозге. Исследователи из Тилбургского университета в Нидерландах провели анализ, чтобы понять, приносит ли уход за внуками реальную пользу здоровью пожилых людей. Ведущий автор работы Флавия Черечес отметила, что многие бабушки и дедушки регулярно присматривают за детьми, и оставался открытым вопрос, насколько это положительно сказывается на их собственном благополучии, особенно в плане когнитивных функций. Ученые поставили цель выяснить, способен ли регулярный уход за внуками замедлить снижение памяти и других умственных способ ...>>

Случайная новость из Архива

Открыта самая глубокая область Земли 04.03.2023

Новые научные данные показывают, что самое внутреннее ядро Земли резко отличается от остальной части центра планеты.

Чтобы понять планетарное происхождение и эволюцию, ученые очень давно исследуют центр Земли, и недавно они сделали огромное открытие, связанное с внутренним ядром планеты Земля.

До недавнего времени считалось, что кора, мантия, внешнее ядро и внутреннее ядро составляют структуру Земли. Но новое исследование австралийских ученых подтверждает, что на самом деле существует пятый слой.

Согласно новому исследованию, ученые провели ранее неслыханные наблюдения за загадочным металлическим шаром, который находится в глубинном ядре Земли, обнаружив структуру, которая долгое время была предметом догадок, но никогда не была замечена в таких подробностях.

Исследователи заявили, что интенсивное изучение недр Земли, основанное на поведении сейсмических волн от сильных землетрясений, подтвердило существование отчетливой структуры внутри внутреннего ядра нашей планеты - чрезвычайно горячего самого внутреннего твердого шара из железа и никеля.

"Мы проанализировали цифровые записи движения грунта, известные как сейсмограммы, от сильных землетрясений за последнее десятилетие. Наше исследование стало возможным благодаря беспрецедентному расширению глобальных сейсмических сетей, особенно плотных сетей в прилегающих США, на полуострове Аляска и в над европейскими Альпами", - сказал смолог-наблюдатель Тхань-Сон Фам из Австралийского национального университета в Канберре, ведущий автор исследования.

Другие интересные новости:

▪ Косметике 2000 лет

▪ Nikon сворачивает производство пленочных камер

▪ Веб-камеры RealSense

▪ Завершается строительство автодороги из солнечных батарей

▪ Ноутбук Huawei MagicBook 14

Лента новостей науки и техники, новинок электроники

 

Интересные материалы Бесплатной технической библиотеки:

▪ раздел сайта Электроснабжение. Подборка статей

▪ статья Стереохимия. История и суть научного открытия

▪ статья Какой возраст женщины называют бальзаковским и почему? Подробный ответ

▪ статья Автоколебательный мультивибратор. Радио - начинающим

▪ статья Малогабаритный аэроионизатор. Энциклопедия радиоэлектроники и электротехники

▪ статья Нормы испытаний электрооборудования и аппаратов электроустановок потребителей. Предохранители, предохранители-разъединители. Энциклопедия радиоэлектроники и электротехники

Оставьте свой комментарий к этой статье:

Имя:


E-mail (не обязательно):


Комментарий:




Комментарии к статье:

Юрий
Возможно ли получить прошивку для ЖКИ с английским языком. Не могу найти или купить с русским.


Главная страница | Библиотека | Статьи | Карта сайта | Отзывы о сайте

www.diagram.com.ua

www.diagram.com.ua
2000-2026