Menu Home

Бесплатная техническая библиотека для любителей и профессионалов Бесплатная техническая библиотека


Защищаемся... по питанию. Энциклопедия радиоэлектроники и электротехники

Бесплатная техническая библиотека

Энциклопедия радиоэлектроники и электротехники / Защита аппаратуры от аварийных режимов работы сети, блоки бесперебойного питания

Комментарии к статье Комментарии к статье

При работе аппаратуры от сети переменного тока возникает множество ситуаций, когда выход из стоя блока питания "приказывает долго жить" остальной аппаратуре.

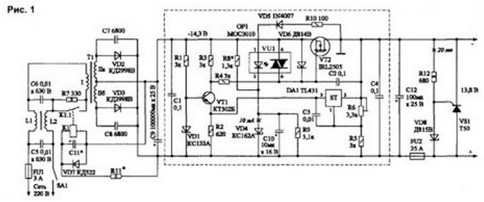
Обратимся к схеме блока питания (БП), приведенной на рис. 1.

Защищаемся... по питанию
(нажмите для увеличения)

Переменный ток напряжением 220 В протекает в цепи первичной обмотки трансформатора Т1 через замкнутые контакты сетевого выключателя SA1 и плавкий предохранитель FU1, защищающий БП от полного разрушения в случае выхода из строя трансформатора Т1. Фильтр питания С5-L1-L2-C6 не пускает в аппаратуру помехи из сети, и наоборот, в сеть - помехи, возникающие при работе питаемой радиоаппаратуры.

К вторичной обмотке Т1 подключены выпрямитель и емкостный фильтр, конденсаторы в котором при больших рабочих токах имеют большую емкость (С9 -100000 мкФ). При их заряде в момент включения возникает очень большой импульс тока, который может не только сжечь предохранитель FU1, но и пробить диоды выпрямителя (VD2, VD3), что приведет к поступлению через них переменного тока на конденсаторы фильтра, разогреву последних и взрыву. Для защиты от этого пусковой ток БП следует ограничить, включив последовательно в первичную обмотку Т1 резистор R7, который через несколько секунд закорачивается с помощью контактов реле K1.1, рассчитанных (для надежности) на ток 5... 10 А.

Время задержки включения БП определяется сопротивлением R11 и емкостью С11. Сразу после включения С11 шунтирует обмотку реле К1, не давая ему срабатывать. По мере заряда С11 напряжение на нем увеличивается, и когда оно доходит до напряжения срабатывания реле К1, последнее включается и контактами К1.1 закорачивает R7, обеспечивая рабочий ток в первичной обмотке трансформатора Т1. Диод VD7 предназначен для подавления всплесков напряжения на обмотке реле при его срабатывании.

В выпрямителях переменного тока очень удобно применять диодные мосты, тем более, что они выпускаются в блочном исполнении и удобны при монтаже. Однако с увеличением тока, отдаваемого БП в нагрузку, все актуальнее встает вопрос "просадки* напряжения питания под нагрузкой, которая в мостовой схеме увеличивается за счет последовательно включенных двух диодов (суммарное падение напряжения на них - до 1.4 В для кремниевых диодов или до 0,8 В для германиевых и диодов с барьером Шотки).

Видоизменив выпрямитель с мостового на схему со средней точкой, получим падение напряжения около 0,7 В для кремниевых диодов и 0,3.. .0,4 В для германиевых и диодов Шотки. Применение диодов Шотки оправдано еще и потому, что на них рассеивается меньшая мощность, а это сокращает размеры радиаторов, на которые устанавливаются диоды при больших выпрямляемых токах. Удобнее становится намотка вторичной обмотки силового трансформатора, так как уменьшается диаметр обмоточного провода (ток, протекающий в каждой половине обмотки, ра-

вен половине общего тока на выходе выпрямителя). Правда, мотать придется вдвое больше витков, но для низкого выходного напряжения это не слишком затруднительно, поскольку витков немного. В высоковольтных же выпрямителях целесообразнее применять выпрямительные мосты.

Параллельно каждому диоду выпрямителя включен конденсатор (С7, С8). Эти конденсаторы защищают БП от так называемого "мультипликативного" фона, когда диоды выпрямителя реагируют на ВЧ-наводки из сети как антенны.

Для работы регулирующего транзистора последовательного линейного стабилизатора, следующего за фильтром, требуется некоторая минимальная разность напряжения коллектор-эмиттер у биполярных транзисторов (БТ) или сток-исток у полевых (ПТ), при которых они еще работают. В случае мощных БТ - это 3.. .5 В, а для мощных ПТ - 0,5...3 В. Отсюда следует, что при максимальном токе нагрузки 30 А и выходном напряжении стабилизатора 13,8 В напряжение на истоке транзистора VT2 не должно опускаться ниже 13,8+0,5=14,3 (В). Таким образом можно подобрать минимально необходимую емкость С9 в готовом БП, нагрузив его выход максимальным током (например, 30 А) и измеряя падение напряжения на регулирующем транзисторе. Запас этого напряжения, конечно же, не повредит в смысле компенсации уменьшения напряжения сети, но чреват увеличением рассеиваемой на транзисторе VT2 мощности, что приведет к необходимости увеличения размеров радиатора, на котором установлен этот транзистор. Действительно, при токе 30 А и падении напряжения 0,5 В на VT2 рассеивается 0,5-30=15 (Вт), а при том же токе, но падении 3 В - 3 30=90 (Вт). Разница весьма существенная!

Схема описываемого стабилизатора (без защит) заимствована из [1] (дополнительные детали продолжают позиционные обозначения из оригинала). Высокие качественные характеристики приведенного стабилизатора обусловлены применением мощного п-канального полевого транзистора IRL2505.

Для увеличения коэффициента стабилизации в БП применен "регулируемый стабилитрон" - микросхема TL431 (отечественный аналог - КР142ЕН19). Эта микросхема выпускается в корпусе ТО-92 (рис. 2). Внутренняя структура ИМС представлена на рис. 3, а предельно допустимые параметры приведены в таблице. О регулировочных характеристиках TL431 дают представление графики на рис. 4.

Защищаемся... по питанию

Транзистор VT1 в блоке питания (рис. 1) - согласующий, стабилитрон VD1 стабилизирует напряжение в его базовой цепи. Выходное напряжение стабилизатора можно рассчитать по формуле: Uвых=2.5(1+R5/R6)

Стабилизатор работает следующим образом. Допустим, при подключении нагрузки выходное напряжение стабилизатора снизилось. Тогда уменьшится напряжение и в средней точке делителя R5-R6. Микросхема DA1. как параллельный стабилизатор, станет потреблять меньший ток, и на ее нагрузке {резисторе R2)уменьшится падение напряжения. Этот резистор стоит в эмиттерной цели транзистора VT1, поэтому при стабилизированном напряжении на базе VT1 транзистор призакроется, обеспечив увеличение напряжения на затворе регулирующего транзистора VT2, который сильнее откроется и компенсирует падение напряжения на выходе БП. Резистором R6 устанавливается выходное напряжение. Стабилитрон VD6, включенный между истоком и затвором VT2. служит для защиты ПТ от превышения допустимого напряжения затвор-исток и является обязательным элементом в стабилизаторах с повышенным входным напряжением (от 15 В и выше).

Всем хорош стабилизатор, но что произойдет, если ток нагрузки превысит предельное значения для регулирующего транзистора (произойдет короткое замыкание)? Повинуясь алгоритму своей работы, VT2 полностью откроется, а затем выйдет из строя

из-за перегрева канала. Чтобы ограничить максимальный ток через ПТ, можно подобрать режим работы транзистора VT1. но надежнее все-таки применить специальную защиту. Например, на оптопаре, как описано в [2]. Немного в измененном виде эта защита представлена в предлагаемом БП.

Параметрический стабилизатор на стабилитроне VD4 обеспечивает напряжение 6,2 8. Для большей стабильности этого напряжения с помощью нагрузочного резистора R8 рабочая точка VD4 выведена ближе к середине его характеристики (IVD410 мА). Шумы стабилитрона блокированы конденсатором СЮ. С полученным опорным напряжением сравнивается выходное напряжение стабилизатора через цепочку: светодиод оптопары VU 1 - диод VD5-ограничительный резистор R10.

Пока выходное напряжение стабилизатора выше (более отрицательно) опорного, диод VD5 заперт, ток через светодиод не идет. При коротком замыкании выходных клемм на правом (по схеме) выводе резистора R10 отрицательное напряжение исчезнет, опорное откроет диод VD5, светодиод оптопары зажжется, сработает фотосимистор оптопары, который замкнет затвор

VT2 с истоком, и транзистор закроется. Выходной ток стабилизатора прекратится. Для приведения в рабочий режим БП выключают с помощью сетевого выключателя SA1. устраняют КЗ и снова включают. Защита возвращается в исходное состояние.

Применение подобных стабилизаторов на ПТ делает ненужной схему защиты от превышения напряжения, возникающего вследствие пробоя регулирующего транзистора, так как здесь это напряжение увеличится всего на 0.5... 1 В. Для более критичной техники можно предложить схему "жесткого" ограничителя, именуемого на Западе "crow bar". Принцип защиты при превышении установленного порогового напряжения на выходе стабилизатора заключается в пережигании плавкого предохранителя, включенного последовательно с нагрузкой, с помощью мощного тиристора. При желании, такую защиту можно ввести и в другие стабилизаторы.

Стабилизатор размещен на печатной плате размерами 52x55 мм. Чертеж платы приведен на рис. 5, а расположение элементов- на рис. 6. На рис. 1 этот узел обведен пунктирной линией. Плата выполнена из двустороннего фольгированного стеклотекстолита толщиной 1...1.5 мм. Фольга на нижней стороне платы соединена с минусовой шиной стабилизатора. Свободные выводы оптопары VU1 можно не припаивать. Дополнительные детали защиты можно смонтировать навесным монтажом, применив в качестве стоек, например, пятачки из фольгированного стеклотекстолита, приклеенные к радиатору VT2.

В качестве К1 в БП можно применить реле РЭС9 с обмоткой на 12 В, включив параллельно его контактные группы. Сетевой фильтр состоит из двух конденсаторов емкостью 0,01 мкФ на рабочее напряжение 630 В и двух катушек, включенных между ними. Катушки намотаны плоским сетевым шнуром на ферритовом стержне диаметром 8... 10 мм и длиной 140....160 мм от магнитной антенны радиоприемника. Возможна такая же одновременная намотка катушек на ферритовом кольце с проницаемостью 2000...10000 и диаметром 32...60 мм до заполнения.

Трансформатор для такого БП должен иметь габаритную мощность Рг порядка 500 Вт. В самом деле, давайте посчитаем. Выходное напряжение стабилизатора равно 13.8 В, максимальный ток - 30 А. Падение напряжения на регулирующем транзисторе, диодах и соединительных проводах в сумме составит около 1 В. Мощность на вторичной обмотке трансформатора Т1 Р составит: Р=(13.8+1)30=444(Вт) Учтем потери на перемагничивание сердечника Т1 - 10%. или 44,4 Вт. Тогда Pг=444+44.4=488,4 (Вт). Остальную /Р, до 500 Вт оставим на запас для собственного потребления БП. Сечение керна S, например, для Ш-образного сердечника Т1, будет: S=(P)1/2=22,4 (см2). Ток в первичной обмотке составит 500/220=2.27 (А). Диаметр провода первичной обмотки: d1=0.8(I)1/2= 0.8-1,5= 1,2 (мм). Аналогично считаем диаметр провода вторичной обмотки, учитывая, что в схеме выпрямления со средней точкой ток во вторичных полуобмотках - вдвое меньше (не 30, а 15 А), Возьмем небольшой запас, в том числе, и на "собственные нужды" БП. и будем считать, что во вторичных обмотках "гуляет" ток 16 А. Значит, диаметр провода: d2 = 0.8(16)1/2 = 3.2(MM). Применение проводов меньшего сечения приведет к увеличению "просадки" напряжения на входе стабилизатора, что не позволит получить от БП максимальный ток. на который он рассчитан. Расчет количества витков трансформатора для нашего случая также не представляет затруднения. Количество витков в обмотках Т1 на 1 В - w1:

w1 = 50/S = 50/22,36 = 2.24.

Количество витков обмотки I -W1:

W1=w1Ui= 2.24-220= 493 (витка), обмотки 2 (вторичных одинаковых обмоток - две) - W2:

W2 =w1U2= 2,24-14,8 = 33 (витка).

Для улучшения параметров БП после намотки вторичных обмоток следует обязательно сбалансировать выходные напряжения Т1, чтобы обе половины вторичной обмотки давали строго одинаковые напряжения.

До сборки БП следует обязательно проверить номиналы всех деталей и их исправность. Параллельно всем оксидным конденсаторам прямо на их выводы следует припаять неполярные емкостью 0,1 ...0,22 мкФ. При использовании БП в качестве лабораторного ось R6 удобнее вывести на переднюю панель устройства, а также снабдить БП измерительными головками для измерения напряжения и тока. Внешний вид моего блока показан на рис. 7.

При работе с радиопередающей аппаратурой следует исключить наводки на детали стабилизатора и провода. У выходных зажимов БП рекомендуется включить фильтр, подобный сетевому (рис. 1), с той лишь разницей, что катушки должны быть намотаны на фер-ритовом кольце или ферритовой трубке, применяемых в старых мониторах и телевизорах зарубежного производства, и содержать всего 2-3 витка изолированного провода большого сечения, а конденсаторы-рассчитаны на меньшее рабочее напряжение.

Источники информации

  1. В.Нечаев. Модуль мощного стабилизатора напряжения на полевом транзисторе. - Радио, 2005, №2, С.30.
  2. Стабилизатор с очень низким падением напряжения. - cqham.ru/uldstab.hlm

Автор: В.Беседин, UA9LAQ, г.Тюмень

Смотрите другие статьи раздела Защита аппаратуры от аварийных режимов работы сети, блоки бесперебойного питания.

Читайте и пишите полезные комментарии к этой статье.

<< Назад

Последние новости науки и техники, новинки электроники:

Впервые преоодолена передача ВИЧ от матери к ребенку 02.01.2026

Проблема вертикальной передачи ВИЧ - от матери к ребенку - остается одной из ключевых задач глобальной медицины. Недавний отчет Всемирной организации здравоохранения (ВОЗ) демонстрирует историческое достижение: Бразилия впервые в своей истории полностью преодолела этот путь передачи вируса. Страна стала 19-й в мире и первой с населением более 100 миллионов человек, которая достигла такого результата. Достижения Бразилии основаны на комплексных медицинских программах, обеспечивающих своевременный доступ к диагностике и терапии для всех слоев населения. ВОЗ официально подтвердило, что уровень передачи ВИЧ от матери к ребенку снизился до менее двух процентов. Более 95% беременных женщин в стране получают регулярный скрининг на ВИЧ и необходимое лечение в рамках стандартного ведения беременности. Изначально программа тестировалась в крупных муниципалитетах и штатах с населением более 100 тысяч человек, а затем была масштабирована на всю страну. Такой подход позволил унифицировать ста ...>>

Нанослой германия увеличивает эффективность солнечных батарей на треть 02.01.2026

Разработка высокоэффективных солнечных батарей остается одной из ключевых задач современной энергетики. Недавнее исследование южнокорейских ученых позволило повысить производительность тонкопленочных солнечных элементов почти на 30%, что открывает новые перспективы для возобновляемых источников энергии, гибкой электроники и сенсорных устройств. Команда исследователей сосредоточилась на элементах на основе моносульфида олова (SnS) - нетоксичного и доступного материала, который идеально подходит для гибких солнечных панелей. До настоящего времени эффективность SnS-устройств оставалась низкой из-за проблем на границе контакта с металлическим электродом. В этой области возникали структурные дефекты, диффузия элементов и электрические потери, что существенно ограничивало возможности таких батарей. "Этот интерфейс был главным барьером для достижения высокой производительности", - отмечает профессор Джейонг Хо из Национального университета Чоннам. Для решения этих проблем ученые предлож ...>>

Электростатическое решение для борьбы с льдом и инеем 01.01.2026

Борьба с льдом и инеем на транспортных средствах и критически важных поверхностях зимой остается сложной и затратной задачей. Ученые из Virginia Tech разработали инновационную технологию, способную разрушать лед и иней без использования тепла или химических реагентов, что открывает новые возможности для безопасной и экологичной зимней эксплуатации транспорта. Исследователи обнаружили, что лед и иней образуют кристаллическую решетку с так называемыми ионными дефектами - заряженными участками, способными перемещаться под воздействием электрического поля. Эти дефекты являются ключом к управлению прочностью льда и его удалением с поверхностей. Когда на замерзшую поверхность подается положительный электрический заряд, отрицательные ионные дефекты притягиваются к источнику поля. Это вызывает разрушение кристаллической решетки льда, в результате чего часть льда буквально "отскакивает" от поверхности. Такой эффект позволяет удалять лед без применения внешнего тепла или химических средств ...>>

Случайная новость из Архива

Умная дверная ручка Philips 21.01.2024

Корпорация Philips анонсировала свою новейшую разработку в области домашней безопасности - умную дверную ручку с инновационной технологией распознавания ладони. Это передовое устройство оборудовано уникальной биометрической системой, которая идентифицирует пользователей по узору вен на их ладонях, призванной напомнить о технологии, ранее внедренной в смартфон LG G8.

Новая ручка Philips с технологией распознавания ладони представляет собой значительный шаг в области домашней безопасности, обещая улучшить уровень безопасности и удобства для пользователей.

Особенностью этого замка является его складывающийся датчик, который активируется при приближении руки. Сканирование четкой карты вен на ладони пользователя позволяет встроенным датчикам легко и без препятствий разблокировать дверь при приближении руки.

Philips утверждает, что эта интеллектуальная дверная ручка с распознаванием ладони может полностью заменить традиционные дверные замки. Она обеспечивает управление через специальное приложение и голосовые команды с использованием ассистентов, таких как Google Assistant.

Интеллектуальный замок Palm Recognition Smart Deadbolt, стоимостью 360 долларов, планируется выпустить на рынок в первой половине 2024 года, предоставляя новый уровень безопасности и комфорта при доступе в дом.

Другие интересные новости:

▪ Водородное топливо из морской воды

▪ Вода из воздуха

▪ Чип питается от света, тепла и вибрации

▪ Оптический диод

▪ Беспроводной модуль для интернета вещей Microchip LoRa RN2483

Лента новостей науки и техники, новинок электроники

 

Интересные материалы Бесплатной технической библиотеки:

▪ раздел сайта Энциклопедия радиоэлектроники и электротехники. Подборка статей

▪ статья Мои Левктры и Мантинея. Крылатое выражение

▪ статья В каких странах знаком галочка обозначают неправильный ответ? Подробный ответ

▪ статья Обслуживание подземных резервуаров для хранения сжиженного газа. Типовая инструкция по охране труда

▪ статья Акустический датчик движения. Энциклопедия радиоэлектроники и электротехники

▪ статья Простой регулируемый преобразователь на дискретных элементах, 12-36 вольт. Энциклопедия радиоэлектроники и электротехники

Оставьте свой комментарий к этой статье:

Имя:


E-mail (не обязательно):


Комментарий:





Главная страница | Библиотека | Статьи | Карта сайта | Отзывы о сайте

www.diagram.com.ua

www.diagram.com.ua
2000-2026