Menu Home

Бесплатная техническая библиотека для любителей и профессионалов Бесплатная техническая библиотека


Автоматическое зарядно-пусковое устройство для автомобильного аккумулятора. Энциклопедия радиоэлектроники и электротехники

Бесплатная техническая библиотека

Энциклопедия радиоэлектроники и электротехники / Зарядные устройства, аккумуляторы, гальванические элементы

Комментарии к статье Комментарии к статье

Пусковые устройства промышленного изготовления нередко обладают малой мощностью и недостаточно надежны в эксплуатации. Простейшие самостоятельно изготовленные схемы автомобильных пусковых устройств, состоящие только из трансформатора и силовых выпрямительных диодов, также обладают рядом недостатков.

Во-первых, при случайном коротком замыкании выходных проводов можно легко повредить дорогостоящие выпрямительные диоды. В случае неправильной полярности подключения такой схемы к аккумулятору можно повредить бортовую электронику или сам аккумулятор. Кроме того, при изготовлении простейшего пускового устройства требуется грамотно выбирать параметры трансформатора (соотношение числа витков первичной и вторичной обмоток для конкретного типа магнитопровода), чтобы он обеспечивал ток в нагрузку не менее 100 А при просадке напряжения не ниже 10 В.

Устранить все эти недостатки позволяет описываемое ниже устройство. Его можно также использовать для подзаряда или тренировки аккумулятора, а автоматика не допустит превышения напряжения на аккумуляторе выше допустимой величины во всех режимах работы.

Электрическая схема обеспечивает стабилизацию выходного напряжения и защиту по току от короткого замыкания. А при неправильной полярности подключения аккумулятора к выходным клеммам устройства не позволит включить его в работу.

Для работы пуско-зарядного устройства в разных режимах подключение аккумулятора выполняется к одним и тем же выходным клеммам, что очень удобно при эксплуатации. При этом обеспечивается контроль работы схемы и состояния аккумулятора при помощи вольтметра и амперметра, установленных на передней панели корпуса, рис. 4.13. Расположенными там же регуляторами можно в широких пределах изменять выходное напряжение U и ток ограничения (защиты) I.

Автоматическое зарядно-пусковое устройство для автомобильного аккумулятора
Рис. 4.13 Внешний вид передней панели

Устройство может работать в трех режимах, которые выбираются переключателем SA1 ("режим"):

1. Зарядка - обеспечивается зарядка аккумуляторной батареи (АБ) стабильным током до момента, когда напряжение на аккумуляторе возрастет до величины 14,8 В. При этом ток зарядки может быть установлен любым в диапазоне 1...10 А.

2. Тренировка - используется для предотвращения сульфатации пластин аккумулятора лри его длительном хранении с запитым электролитом, например в зимний период. Устройство позволяет циклически выполнять процесс заряд-разряд в автоматическом режиме. Ток заряда может устанавливаться от 1 .10 А, разряда - 0,8 А. Количество циклов не ограничено.

3. Пуск- режим используется для запуска двигателя автомобиля. При этом устройство подключается параллельно с аккумулятором и обеспечивает ток до 100 А в непрерывном режиме. Что позволяет облегчить запуск двигателя в зимний период или при пониженной емкости аккумулятора в результате старения.

Электрическая схема зарядно-пускового устройства, рис. 4.14, состоит из следующих частей:

а) силового трансформатора Т1 мощностью около 1 кВт с выпрямителем, выполненным на тиристорах VS1, VS2;

б) источника питания для схемы управления на трансформаторе Т2 и стабилизаторах DA2, DA3;

в) схемы автоматического управления (DA1.DA4, ТЗ);

г) схемы контроля режимов (PV1, усилителя DA6 для измерения тока, PA1.HL1, HL2);

д) блока включения и защиты (К1, К2, DA5).

Автоматическое зарядно-пусковое устройство для автомобильного аккумулятораАвтоматическое зарядно-пусковое устройство для автомобильного аккумулятора
Рис. 4.14. Электрическая схема зарядно-пускового устройства

Таблица 4.1. Питающее напряжение на микросхемах

Так как при зарядке автомобильной аккумуляторной батареи рекомендуют поддерживать средний зарядный ток постоянным, в качестве регулирующего элемента используются тиристоры. Они одновременно работают как управляемые выпрямители.

Для удобства изготовления схема управления питается от отдельного трансформатора Т2. С него же снимается и сигнал для синхронизации работы схемы с частотой сети (цепь из элементов VD6-R28-R33). Напряжения +15 В и -15 В, используемые для питания схемы управления, стабилизированы на микросхемах DA2 и DA3.

Блок автоматического управления работает следующим образом. Сигнал обратной связи по напряжению (Uoc) с выходных клемм (Х1, Х2) через резисторы R1-R4 поступает на вход интегратора DA1.1 Выходное усиленное напряжение суммируется с напряжением, установленным резистором R14, и поступает на вход DA4.15.

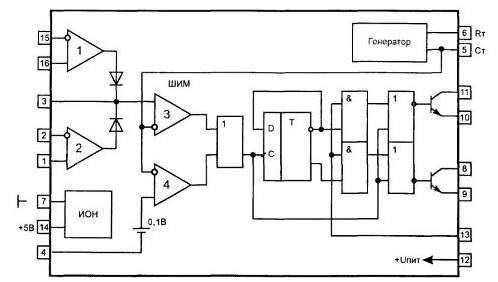
Микросхема DA4 (КР1114ЕУ4) предназначена специально для построения импульсных схем управления, что позволяет значительно упростить устройство. Она содержит полный набор функциональных узлов для выполнения широтно-импульсного управления (рис. 4.15) и внутри имеет: прецизионный источник опорного напряжения +5 В (ИОН); усилители ошибки (1 и 2), компараторы (3 и 4), схемы управления выходным каскадом на транзисторах и генератором пилообразного напряжения. Частота генератора задается внешним резистором R30 и конденсатором С15. Работа автогенератора синхронизируется с частотой сети при помощи транзистора VT1, сигнал на открывание которого поступает с выпрямителя VD6.

Автоматическое зарядно-пусковое устройство для автомобильного аккумулятора
Рис. 4.15. Структурная схема микросхемы КР1114ЕУ

На выходе микросхемы DA4/8 формируется импульс напряжения, ширина которого зависит от положения регуляторов R19, R14. Так как для открывания тиристоров достаточно коротких импульсов, для их получения используется дифференцирующая цепь C18-R45. Эти импульсы усиливаются транзисторами VT2, VT3 и через гальванически развязывающий цепи импульсный трансформатор (Т3) поступают на управляющие выводы тиристоров (VS1, VS2).

Функция стабилизации тока выполняется следующим образом. Сигнал обратной связи по току (loc), снимаемый с шунта Ruj, через резистор R5 поступает на вход интегратора DA1/7. Интегратор усиливает напряжение в 10 раз, а также сглаживает пульсаций. Сигнал с выхода DA1/10 смешивается с установленным резистором R14 напряжением. Разность этих напряжений поступает на вход (DA4/2) токоограничивающего усилителя. Внутри микросхемы производится сравнение приходящих на входы DA4/4 и DA4/2 сигналов и больший из них непосредственно влияет на ширину импульсов управления и, как следствие, на момент открывания тиристоров.

Контроль работы схемы выполняется по вольтметру PV1 и амперметру РА1.

Когда устройство используется в качестве пускового, амперметр РА1 подключается к шунту переключателем SA1 напрямую. При токе 100 А напряжение на шунте должно быть 75 мВ и его вполне достаточно для отклонения стрелки прибора на полную шкалу. В случае же, когда рабочий ток необходим до 10 А (режим "зарядка" или "тренировка"), для его более точного измерения установлен усилитель (DA6) с коэффициентом 10 и стрелка амперметра РА1 сможет также отклоняться на полную шкалу.

Индикация режима работы устройства осуществляется светодиодами: свечение светодиода HL1 - работа, HL2 - устройство отключено и идет разряд аккумулятора током 0,8 А (в режиме тренировки).

Блок включения и защиты начинает работать при правильной полярности подключения аккумулятора к клеммам Х1, Х2 В этом случае, если включен автомат. А1, при нажатии кнопки SB1 за счет тока, протекающего от аккумулятора через обмотку К1, резистор R67 и диод VD22, включится реле К1 и своими контактами (К1.1, К1.2) подаст питание на трансформатор Т1 и схему управления, а также заблокирует цепь кнопки (К1,3). Нетрудно заметить, что при неправильной полярности подключения аккумулятора диод VD22 будет закрыт и не позволит включиться реле К1.

На микросхеме DA5 собран компаратор напряжения, который в зависимости от выбранного переключателем SA1 режима управляет алгоритмом работы устройства, не допуская превышения напряжения на аккумуляторе выше заданного (резистором R41) уровня 14,8 В. Это действующее значение - амплитуда будет больше. Цепь из R48-VD17 обеспечивает гистерезис работы компаратора.

Рассмотрим теперь более подробно особенности работы зарядно-пускового устройства в разных режимах.

Режим "зарядка"

Необходимый ток заряда в режиме стабилизации тока устанавливается резистором R14 при положении регулятора напряжения R19 на максимум. Контроль зарядного тока выполняется по амперметру РА1.

Для осуществления заряда аккумуляторную батарею подключают к клеммам "+" (Х1) и "-" (Х2) устройства, соблюдая полярность. При нажатии на кнопку SB1 схема начнет работать. Как только выходное напряжение, установленное резистором R19, превысит уровень, имеющийся на аккумуляторе, в цепи его заряда от трансформатора (Т1) начинает протекать ток через шунт (Rш), создавая на нем напряжение. Это напряжение попадает на вход усилителя-интегратора обратной связи по току DA1.1. Оно будет меняться до тех пор, пока не скомпенсирует опорное напряжение, установленное на входе DA4/2 (это напряжение в свою очередь определяет момент открывания тиристоров, а значит и ток в силовой цепи).

Таким образом, стабилизация тока или напряжения в этом и других режимах работы устройства представляет собой процесс установки такого момента открывания тиристоров, при котором напряжение на выходе устройства через цепи обратной связи компенсирует опорное напряжение в определенной точке.

Если схема работает в режиме стабилизации тока, то по мере заряда аккумулятора напряжение на нем будет возрастать. Как только оно достигнет уровня 14,8 В, компаратор DA5 срабатывает и сигнал, поступающий с его выхода на вход DA4/4, прекращает формирование управляющих открыванием тиристоров импульсов.

Режим "тренировка"

Процесс тренировки в основном аналогичен процессу зарядки за исключением того, что когда переключатель SA1 установлен в соответствующий режим - компаратор DA5 следит за уровнем напряжения на аккумуляторе и при его превышении величины 14,8 В подает сигнал запирания на вход DA4/4. Что приводит к исчезновению импульсов (DA4/8), управляющих открыванием тиристоров. При этом также откроется транзистор VT5 и сработает реле К3. Оно своими контактами К3.1 подключит нагрузку (R68) для разряда аккумулятора. Резистор R68 обеспечивает разрядный ток 0,8 А.

Разряд будет происходить до тех пор, пока напряжение на аккумуляторе не снизится до величины 10,5 В. Как только это произойдет, на выходе компаратора DA5 вновь появится нулевой уровень, что выключит реле. КЗ и схема перейдет в режим зарядки аккумуляторной батареи. Этот процесс заряд-разряд будет периодически повторяться, а количество циклов не ограничено.

Режим "пуск"

В этом режиме не только ограничивается выходной ток устройства для того, чтобы защитить его от повреждения, но и уровень выходного напряжения до безопасной для аккумулятора и бортовой сети величины.

Для работы в этом режиме регулятор тока R14 устанавливается на максимум, а резистором R19 устанавливаем по прибору PV1 напряжение 13...14 В.

Теперь можно вставить ключ в замок зажигания автомобиля и произвести запуск двигателя. При этом в зависимости от условий пуска стрелка РА1 может занимать разные положения на шкапе, а его максимальное значение будет соответствовать 100 А. Стрелка вольтметра PV1 может отклоняться в сторону уменьшения.

Особенности сборки и конструкция

Корпус устройства имеет размеры 340x240x200 мм и выполнен из листового дюралюминия. Тиристоры VS1 и VS2 устанавливаются на радиаторы площадью около 1000 см кв. (стандартные радиаторы для этих тиристоров имеют как раз такую площадь поверхности).

Конструктивно часть деталей, выделенная на схеме пунктиром, кроме переключателя SA1, располагается на двухсторонней печатной плате из стеклотекстолита толщиной 2,5.3,5 мм размером 145x110. ММ, рис. 4.17.4.19.

Элементы VD5 и R8, R9 для увеличения плотности монтажа установлены под Т2, С5, С6 соответственно. Подстроенные резисторы закрепляются на плате друг над другом, как это показано на рис. 4.20.

Чтобы исключить замыкание печатных проводников при монтаже, под трансформатор. Т3 и подстроенные резисторы под кладывается диэлектрическая прокладка. Кроме того, на плате необходимо сделать две объемные перемычки между выводами DA5/2-DA4/7-VT1/э.

Автоматическое зарядно-пусковое устройство для автомобильного аккумулятора
Рис. 4.17. Топология печатной платы со стороны монтажа

Автоматическое зарядно-пусковое устройство для автомобильного аккумулятора
Рис. 4.18. Топология печатной платы со стороны установки деталей

Автоматическое зарядно-пусковое устройство для автомобильного аккумулятора
Рис. 4.19. Расположение элементов на плате (микросхема DA6 показана без радиатора)

Автоматическое зарядно-пусковое устройство для автомобильного аккумулятора
Рис. 4.20. Установка подстроечных резисторов на плате

Соединение печатной платы с остальными деталями выполнено через разъем. ХЗ типа. РШ2Н-2-15 и контактные лепестки от любого миниатюрного разъема. Соединительные провода до регуляторов R14 и R19 должны быть в экране.

Монтаж силовой части (от трансформатора Т1 до тиристоров и клемм Х1, Х2) выполняется гибким многожильным проводом сечением не менее 8 мм кв., например марки. ПВЗ.

В устройстве микросхемы могут быть заменены импортными аналогами DA1 - А747С; DA2 - TL494L; DA3 - 78L15; DA4 - 79L15; DA5 - LM211N; DA6 - нет аналогов.

Диоды типа КД521, установленные на входах микросхем, предотвращают их случайное повреждение в процессе настройки схемы и могут быть заменены любыми маломощными импульсными: КД522, КД510, КД503 и др.

Подстроенные резисторы (R38, R40, R41, R44) для удобства настройки применены многооборотные типа СП5-3, регулировочные R14, R19 типа СПЗ-4а-0,25 Вт с линейной характеристикой (А) изменения сопротивления, остальные могут быть любого типа, например МЛТ - соответствующей мощности.

Полярные конденсаторы. С10, С11, С13, С14 и С17 типа К50-35; С3, С4 типа К42У-2 на 0,015 мкФ на 630 В; остальные из серии К10 или. КМ-6.

В качестве измерительных приборов использованы стрелочный вольтметр PV1 и амперметр РА1 одного и того же типа М42301. Так как амперметр имеет внутренний шунт - потребуется вскрыть корпус и его удалить. Ведь в схеме для измерения тока 100 А используется внешний шунт (Ruj). Шунт Rm взят стандартный типа 75ШСМ-100-0,5.

Включатель. А1 (токовый автомат) - типа. АЕ10-31 на ток 10 А, переключатель SA1 типа. ПГЗ (ПГ2), кнопка SB1 подойдет любая.

Реле К1 типа KP460DC на 12 В (польского производства) или аналогичное с тремя группами переключающих контактов, рассчитанных на ток до 5 А. Реле К2 и. КЗ типа. РЭС47 паспорт РС4.500.407-01 (РС4.500.407-03).

Для изготовления Т1 использовано трансформаторное железо сечением в месте расположения обмотки Sct=35 см. кв. (окно имеет площадь Sok=72 см кв.). Первичная обмотка содержит 240 витков проводом ПЭТВ сечением 2,5 мм кв. (диаметр 1,8 мм), вторичная 22+22 витка проводом. ПШВ-3 сечением 10 мм кв.

Трансформатор Т2 любой маломощный (Р - 5 Вт) с напряжениями во вторичных обмотках 3-4-5 - 18+18 В, а в 6-7-8 - 10+10 В, но лучше, если его конструкция будет предусматривать установку на печатную плату.

Импульсный трансформатор. Т3 выполняется на каркасе внутри броневых чашек типоразмера. Б28 из феррита марки М2000НМ. Обмотки содержат 1-2 - 80 витков, 3-4 - 40 витков проводом ПЭЛШО диаметром 0,35 мм.

Настройка схемы

Для настройки необходимы осциллограф, цифровой вольтметр, эквивалентная нагрузка Rh (проволочный резистор сопротивлением 1.1.2 Ом и мощностью не менее 100 Вт, например подойдет нихро-мовая проволока диаметром 0,5. 1 мм), а также внешний стрелочный амперметр (РА2) на ток до 10 А, см. рис. 4.21.

Автоматическое зарядно-пусковое устройство для автомобильного аккумулятора
Рис. 4.21. Подключение цепей устройства при настройке схемы

Элементы, отмеченные на электрической схеме звездочкой могут потребовать подбора. Добавочный резистор R67 в цепи реле подбирается такой величины, чтобы якорь реле К1 после срабатывания отпускался при напряжении питания меньше 10 В (лучше это сделать до того, как резистор и реле будут установлены в схему).

Предварительная настройка схемы выполняется в следующей последовательности. Нужно временно заблокировать перемычками контакты реле К1.1 и К1.2, а также отпаять R36. Переключатель SA1 установить в положение "тренировка", а резисторы R14 и R19 вывести на максимум.

Включив сетевое питание (А1) с помощью осциллографа, проконтролировать форму пилообразного напряжения на выводе DA4/5 - оно не должно иметь большой ступеньки на нулевом уровне, см. рис. 4.16, а (для этого может потребоваться подбор резистора R28). После чего осциллографом и цифровым вольтметром контролируем напряжение на клеммах Х1 и Х2. Форма напряжения на выходе должна соответствовать показанной на рис. 4.16, б и регулироваться резисторами R44 и R19. Если это не так, то следует проверить наличие импульсов на выходе DA4/8 и правильность монтажа.

Автоматическое зарядно-пусковое устройство для автомобильного аккумулятора
Рис. 4.16. Форма напряжения в контрольных точках: а) на выходе DA4/5; б) на гнездах Х1-Х2 при настройке; в) на гнездах Х1-Х2 при подключенном аккумуляторе; г) на выходе DA4/8; д) импульсы в первичной обмотке Т3

Подстроечным резистором R44 устанавливаем момент открывания тиристоров Uоткр=15,5 В. Это необходимо для того, чтобы во всех режимах работы устройства амплитудное значение напряжения на выходе превышало напряжение на аккумуляторе (иначе тиристоры не будут открываться).

Выключив устройство, подпаиваем на место R36. После этого при включенной схеме регулятором R19 выставляем действующее напряжение на выходе устройства 14,8 В и подбором резистора R36 добиваемся того, чтобы при достижении на выходе этого напряжения компаратор DA5 переключался - на выводе DA5/9 появится +15 В (светодиод HL1 будет светиться).

После этого регулятором R19 устанавливаем на выходе устройства напряжение 10,5 В и подстройкой резистором R41 добиваемся, чтобы при достижении на клеммах Х1-Х2 этого напряжения у компаратора появлялось нулевое напряжение на выходе DA5.9 (резистор R41 задает величину гистерезиса для компаратора).

Для того, чтобы регуляторами, установленными на передней панели, было удобно пользоваться, т.е. диапазон регулировки выходного напряжения резистором R19 оставался в интервале 10...15 В - необходимо подобрать добавочные резисторы R15 и R24 Аналогично подбираются и резисторы R10 и R23 для диапазона регулировки резистором R14 уровня стабилизации тока в диапазоне 1...10 А. В этом случае допустимые режимы для аккумулятора не будут превышены.

Резистор R19 используется для регулировки напряжения на клеммах Х1-Х2 в режиме "пуск", в остальных же режимах он устанавливается на максимальное выходное напряжение, так как схема в этих режимах должна работать как стабилизатор тока (выходное напряжение будет зависеть от величины тока) и по мере заряда аккумулятора напряжение на нем будет возрастать, но не превысит допустимого значения.

Для калибровки показаний амперметра РА1 в режимах "заряд" и "тренировка" необходимо резистором R38 установить стрелку прибора на "0". После чего подключаем нагрузку Rh (включателем SA2) и внешний стрелочный амперметр (РА2), рис. 4.20. Резистором R14 (при положении R19 на максимуме) выставить по внешнему амперметру РА2 ток 10 А, а резистором R40 надо установить такое же значение показаний тока на РА1.

Эту операцию следует повторить несколько раз, подстраивая R38 и R40 до тех пор, пока стрелка РА1 при "0" и при токе 10 А будет соответствовать показаниям внешнего амперметра.

Теперь необходимо проверить работу схемы в режиме стабилизации тока. Для этого на момент включения устройства блокируем контакты К1.1, К1.2. Переключатель SA1 установить в положение "пуск", регулятор тока "I" в среднее положение, a "U" на максимум. К выходным клеммам Х1-Х2 подключаем нагрузку сопротивлением около 0,2 Ом (по мощности она должна быть рассчитана на протекающий ток до 100 А). При этом показания приборов должны быть: РА1 - 50 А, PV1 - 10 В. Регулятором "I" можно менять выходной ток - в этом случае будет меняться и выходное напряжение, что соответствует режиму стабилизации тока. А при изменении сопротивления нагрузки в небольших пределах ток не должен меняться.

На этом предварительную регулировку можно считать законченной, а окончательная проверка выполняется на реальном аккумуляторе.

Автор: Шелестов И.П.

Смотрите другие статьи раздела Зарядные устройства, аккумуляторы, гальванические элементы.

Читайте и пишите полезные комментарии к этой статье.

<< Назад

Последние новости науки и техники, новинки электроники:

Власть является ключевым фактором счастья в отношениях 11.03.2026

Исследования семейных и романтических отношений показывают, что длительное счастье пары зависит не только от привычных факторов, таких как доверие, уважение и преданность, но и от более тонких психологических аспектов. Современные ученые ищут закономерности, которые отличают действительно счастливые пары от остальных, чтобы понять, какие механизмы поддерживают гармонию в отношениях. Группа исследователей из Университета Мартина Лютера в Галле-Виттенберге и Бамбергского университета провела опрос среди 181 пары, которые состояли в совместных отношениях более восьми лет и прожили вместе хотя бы месяц. Участники заполняли анкету, описывая различные аспекты своих отношений, включая распределение обязанностей, эмоциональную поддержку и степень вовлеченности в совместные решения. Анализ данных показал интересный паттерн: пары, где оба партнера ощущали высокий уровень личной власти, оказывались наиболее счастливыми и удовлетворенными. В данном контексте под властью понимается способност ...>>

Защищенная колонка-повербанк Anker Soundcore Boom Go 3i 11.03.2026

Компания Anker представила новую модель линейки Soundcore - колонку Soundcore Boom Go 3i, ориентированную на активное использование на улице. Новинка отличается высокой степенью защиты: корпус соответствует стандарту IP68, что обеспечивает водо- и пыленепроницаемость, а ударопрочный дизайн выдерживает падение с высоты до одного метра. За качество звука отвечает 15-ваттный драйвер, обеспечивающий пик громкости до 92 дБ, а технология BassUp 2.0 усиливает низкие частоты, делая звучание более насыщенным. Колонка обладает автономностью до 24 часов, а LED-индикатор позволяет контролировать уровень заряда батареи. Кроме того, Soundcore Boom Go 3i может выполнять функцию павербанка: согласно внутренним тестам, устройство способно зарядить iPhone 17 с нуля до 40% за один час, что делает его полезным аксессуаром в походах и поездках. Среди функциональных особенностей модели стоит выделить технологию Auracast, которая улучшает подключение и позволяет создавать стереопару из двух колонок ...>>

Раннее воздержание от алкоголя перестраивает мозг и иммунитет 10.03.2026

Алкогольная зависимость - хроническое расстройство с компульсивным употреблением спиртного, которое влияет не только на поведение, но и на функционирование мозга и иммунной системы. Недавние исследования показали, что даже на ранних этапах воздержания организм начинает перестраиваться, открывая новые возможности для терапии зависимости. Ученые сосредоточились на пациентах, находящихся в первые недели абстиненции, и зафиксировали значительные изменения в мозговой активности. С помощью функциональной магнитно-резонансной томографии они выявили перестройку сетей нейронных связей, отвечающих за контроль импульсов и принятие решений. Эти изменения могут быть ключевыми для восстановления самоконтроля и снижения риска рецидива. Одновременно с нейронной перестройкой исследователи наблюдали колебания иммунной системы. В крови повышался уровень цитокинов - сигнальных белков, регулирующих воспалительные процессы. Эти данные свидетельствуют о существовании нейроиммунного взаимодействия, при ...>>

Случайная новость из Архива

Носимый датчик предупредит о риске инсульта 27.01.2015

Специалисты созданного Samsung Electronics два года назад исследовательского подразделения Creativity Lab или C-Lab создали носимый датчик, позволяющий выявить приближение инсульта. Источник отмечает, что специалисты в области медицины высказывали сомнения в возможности реализации идеи, но это не остановило группу из пяти инженеров.

Инсульт - опасное и, к сожалению, весьма распространенное нарушение мозгового кровообращения. В печальной статистике смертности от сердечнососудистых заболеваний нарушения мозгового кровообращения занимают второе место после ишемической болезни сердца. Ежегодно инсульт случается примерно у 15 млн человек по всему миру. Примерно 66% случаев заканчиваются летальным исходом или инвалидностью. Своевременная диагностика инсульта чрезвычайно важна, поскольку от того, как скоро будет оказана медицинская помощь, зависит жизнь пациента.

В этом месяце разработчики C-Lab представили прототип решения, получившего название Early Detection Sensor & Algorithm Package (EDSAP). Его работа основана на анализе волн мозговой активности. Решение включает датчик и алгоритм обработки получаемых с его помощью данных. Результаты обработки доступны для просмотра на смартфоне или планшете. Наблюдение за показаниями датчика дает возможность своевременно заметить нарушения и обратиться за медицинской помощью.

Помимо выявления признаков инсульта, EDSAP дает возможность следить за состоянием пациента, получая информацию о состоянии его нервной системы, например, выявлять наличие стресса и утомления, анализировать сон.

От подобных решений, уже представленных на рынке, EDSAP выгодно отличается портативностью и быстродействием - сейчас подобный анализ мозговой активности требует около 15 минут в условиях медицинского учреждения. К тому же, в датчике используется новый проводящий резиноподобный материал, созданный в C-Lab, который обеспечивает повышенную точность измерений. Датчик легко носить, для его установки не требуется увлажнять волосы соляным раствором. Самое же важное, по мнению разработчиков, что датчик можно уменьшить и встроить в более привычную повседневную вещь вроде дужки очков или заколку для волос. Так его можно будет носить в течение длительного времени, не обременяя себя и не привлекая внимание окружающих.

Развитие EDSAP разработчики видят в создании других подобных решений для смежных областей применения, включая мониторинг сердечной активности.

Другие интересные новости:

▪ SNSPD-камера для исследования фотонов

▪ Биопленки в шприцах для контурной пластики

▪ Солнечный ветер создает электрический заряд на Фобосе

▪ Иммунитет сохраняет татуировки

▪ Неразрушимое композитное стекло для смартфонов и телевизоров

Лента новостей науки и техники, новинок электроники

 

Интересные материалы Бесплатной технической библиотеки:

▪ раздел сайта Стабилизаторы напряжения. Подборка статей

▪ статья Фото- и видеосъемка в походе. Искусство видео

▪ статья Из чего сделаны ногти? Подробный ответ

▪ статья Курьер. Типовая инструкция по охране труда

▪ статья Расчет катушек индуктивности. Энциклопедия радиоэлектроники и электротехники

▪ статья Трансформатор от ДРЛ. Энциклопедия радиоэлектроники и электротехники

Оставьте свой комментарий к этой статье:

Имя:


E-mail (не обязательно):


Комментарий:




Комментарии к статье:

Николай
Мне кажется все продумано и очень правильно изложено в данной статье, где можно приобрести изделие и по какой цене на данный момент? Буду очень благодарен за ответ.


Главная страница | Библиотека | Статьи | Карта сайта | Отзывы о сайте

www.diagram.com.ua

www.diagram.com.ua
2000-2026