Menu Home

Бесплатная техническая библиотека для любителей и профессионалов Бесплатная техническая библиотека


Лабораторный источник питания с диагностикой. Энциклопедия радиоэлектроники и электротехники

Бесплатная техническая библиотека

Энциклопедия радиоэлектроники и электротехники / Блоки питания

Комментарии к статье Комментарии к статье

Выбрав приглянувшуюся схему электронного устройства, каждый радиолюбитель сначала пробует ее в работе. Далее можно изготовить понравившееся устройство или (имея опыт) внести в него дополнительные усовершенствования. И в том, и в другом случае необходим источник питания. Его можно купить или выиграть в лотерею, но лучше всего изготовить своими руками. При этом лабораторию радиолюбителя пополнит устройство не только с основными, но и с дополнительными полезными функциями.

На примере источника питания попробуем проследить весь процесс проектирования и изготовления радиолюбительского электронного устройства.

Выходное напряжение - постоянное. А вот с величиной его надо разобраться. В основном все приведенные схемы используют напряжение величиной 12 В. Однако микросхема КР1156ЕУ5, как и другие микросхемы, может работать и при других напряжениях. Поэтому в источнике питания для экспериментальных работ следует предусмотреть более широкий диапазон выходного напряжения. И лучше, если его можно будет регулировать.

Далее потребуется решить вопрос, а в каких же пределах осуществлять изменение выходного напряжения?

Здесь поможет знание микросхемы КР1156ЕУ5, о которой и повествует эта книга. Минимальное рабочее напряжение для нее составляет 3 В. Номинальное напряжение для большинства устройств 12 В. Следовательно, источник питания должен обеспечивать на выходе напряжения от 3 до 12 В? Не будем торопиться с выводами, а взглянем более широко. Необходим запас, тем более что микросхема позволяет работать и при большем напряжении питания (ведь оно может быть до 40 В). Также, если экспериментировать с микросхемой КР1436АП1, может потребоваться не только напряжение 12 В, но и до 27 В.

Но не будем замахиваться на такую большую величину, а ограничимся диапазоном выходного напряжения нашего источника от 3 до 15 В. При этом будет обеспечено питание не только аналоговых микросхем, таких как операционные и низкочастотные усилители, но и цифровых микросхем, как ТТЛ, так и КМОП.

Теперь надо определиться с током нагрузки. Большинство рассмотренных устройств потребляют небольшой ток (примерно 10...50 мА). Их можно запитать от готовых маломощных адаптеров. Однако мы не будем ограничиваться таким током, а сделаем устройство "на вырост", помощнее.

Определившись с основными параметрами выходного напряжения источника питания, займемся его структурой, т. е. рассмотрим, из каких основных и вспомогательных узлов он должен состоять.

В связи с тем, что источник электроэнергии в наших квартирах - это сеть переменного тока, источник повышенной опасности, то необходим развязывающий трансформатор. Еще его называют силовым. Он необходим для того, чтобы передать (трансформировать) энергию сети. В этом его основная функция. Кроме того, трансформатор преобразует высокое напряжение в сети (220 В) в низкое вторичное (12...15 В).

Но для питания электронных устройств требуется постоянное напряжение и нужен соответствующий преобразователь. Поэтому потребуется выпрямитель вторичного переменного напряжения в постоянное. Пульсирующее напряжение после выпрямителя сглаживается фильтром. Самый простой фильтр - это обычный конденсатор большой емкости.

Одна часть источника питания определилась - это трансформатор, выпрямитель и фильтр.

В связи с тем что сетевое напряжение нестабильно, бывают резкие скачки и медленные перепады, а это неприемлемо для электронных схем, то потребуется узел, обеспечивающий стабильное напряжение питания. Он так и называется - стабилизатор. Как известно, они бывают импульсные и линейные. Учитывая область применения - экспериментальные работы - в источнике питания должна быть возможность регулировки выходного напряжения.

Как следует ожидать, в процессе макетирования и проверочных работ возможны ошибки, поэтому, чтобы обезопасить источник питания и нагрузку от опасных режимов работы, необходимо предусмотреть защитные меры. Одна из таких мер, которая наиболее часто применяется в электронике - это ограничение тока. В данном случае необходимо предусмотреть ограничение тока нагрузки, чтобы при его превышении или даже коротком замыкании (к.з.) не вышел из строя (или даже сгорел) источник питания. Желательно также иметь возможность установки определенного предела ограничения тока.

Длительная перегрузка источника питания - опасное явление даже при наличии схемы защиты. Поэтому надо иметь дополнительный узел для оперативной индикации (звуковым или световым сигналом) опасного режима.

Вот мы и определились со структурой сетевого стабилизированного одноканального источника питания с защитой.

Еще раз перечислим его узлы:

  • сетевая часть - трансформатор, выпрямитель и фильтр;
  • стабилизатор напряжения;
  • узел регулировки тока ограничения в нагрузке;
  • узел регулировки выходного напряжения;
  • индикатор понижения напряжения на выходе.

Следующая задача состоит в том, чтобы определить элементную базу нашего устройства. На каких элементах и в каких режимах их работы будет обеспечено достижение главной цели нашего проекта - обеспечение питающего напряжения для радиолюбительских работ.

Известная нам микросхема типа КР1156ЕУ5 в режиме импульсного понижающего стабилизатора вполне может обеспечить требуемые выходные параметры (3...12 В, 0,1...0,5 А).

Необходимые для питания нагрузки несколько ватт мощности "потянет" унифицированный трансформатор типа ТП112. Он рассчитан на номинальную мощность 7,2 Вт и предназначен для печатного монтажа. Эти трансформаторы выпускаются на целый ряд выходных напряжений и вполне можно подобрать подходящий для нашего случая.

Выходное напряжение можно регулировать плавно или ступенчато. Для удобства работы выбираем ступенчатый способ установки выходного напряжения. Легкое нажатие на кнопку - и всегда известно, какой величины напряжение подается на нагрузку. И в качестве переключателя (органа регулировки) применим кнопочный секционированный переключатель типа П2К.

Аналогично построим узел ограничения тока нагрузки. Применим также ступенчатое переключение с помощью П2К.

Приобретенный опыт по применению микросхемы КР1156ЕУ5 подсказывает нам, что и индикатор понижения выходного напряжения за допустимые пределы также можно спроектировать на ее основе.

Определившись с основными узлами и элементной базой проектируемого источника питания, можно составить его структурную схему. Схема, приведенная на рис. 5.14, вполне соответствует нашему проекту.

Лабораторный источник питания с диагностикой
Рис. 5.14. Структурная схема источника питания

Основными в этой схеме являются сетевой (разделительный) трансформатор с двухполупериодным выпрямителем и фильтром и стабилизатор напряжения (СН). На выходе стабилизатора включен индикатор понижения напряжения (ИПН). Здесь предусмотрены также два узла управления: током ограничения (R1) и выходным напряжением (R3).

Разработанная структурная схема источника питания с необходимыми функциями для лаборатории радиолюбителя задает и особенности конструктивного исполнения. Ведь конструкция источника питания должна обеспечивать удобство при работе с ним. Также необходимо обеспечить быстрый ремонт при выходе его из строя.

Действительно, от источника питания требуется бесперебойная работа и минимальное время на восстановление после потери работоспособности.

В таком случае вполне приемлема модульная конструкция устройства. Ее особенность состоит в том, что на общей плате устанавливаются трансформатор и конденсатор фильтра (самые крупные элементы) и отдельно остальные узлы (СН, ИПН и др.). Каждый из этих узлов находится на отдельной печатной плате. При необходимости каждый узел можно отсоединить от общей платы и произвести ремонт. Для получения минимального объема всей конструкции печатные платы узлов следует расположить на общей плате вертикально. Их даже можно установить в специальные разъемы.

К этому решению подталкивает еще и то, что переключение режимов производится переключателями Л2К. Будучи установленными на печатную плату, они как бы "лежат" на ней, занимая большую площадь. Поэтому, расположение платы с П2К вертикально и кнопками вверх приведет к уменьшению занимаемой площади на общей плате. Таким образом, объем устройства будет заполнен рационально. Общая плата будет иметь минимальные размеры. А размер плат отдельных узлов будет определяться с одной стороны общей платой (ширина), а с другой стороны, высотой переключателей П2К и трансформатора (высота).

В соответствии со структурной схемой нашего устройства на основной плате с трансформатором, выпрямителем и конденсатором фильтра устанавливаются:

  • плата с микросхемой импульсного понижающего стабилизатора;
  • плата с резисторами ограничения тока и П2К;
  • плата с резисторами регулировки выходного напряжения и П2К;
  • плата с микросхемой индикатора понижения выходного напряжения и пьезоизлучателем.

Для расширения функциональных возможностей источника питания можно дополнительно предусмотреть установку платы с микросхемой линейного стабилизатора напряжения. Это позволит иметь второе напряжение с независимой регулировкой. Кроме того, на этом выходе напряжение будет иметь меньший уровень пульсаций, что необходимо при работе со звукоусилительными устройствами.

С учетом всего вышесказанного общая плата будет иметь вид, показанный на рис. 5.15. Массивный трансформатор присоединяется к плате двумя саморезами, для чего предусмотрены крепежные отверстия. Кроме того, и выводы обмоток трансформатора, припаянные к плате, также создают дополнительное крепление.

Лабораторный источник питания с диагностикой
Рис. 5.15. Общая компоновка и расположение элементов на общей плате лабораторного источника питания (справа - сетевая часть с трансформатором, слева - плата индикатора понижения напряжения, плата регулирующего элемента тока ограничения нагрузки, плата секционированных резисторов и плата стабилизатора напряжения).

Если имеется возможность, то подсоединение сетевого провода можно осуществить с помощью специальных контактов.

Как построена сетевая часть источника питания, понятно из схемы на рис. 5.14. Схема основного узла - стабилизатора напряжения (СН) - приведена на рис. 5.16.

Лабораторный источник питания с диагностикой
Рис. 5.16. Схема электрическая импульсного понижающего стабилизатора на микросхеме КР1156ЕУ5.

СН выполнен по схеме импульсного понижающего стабилизатора на основе микросхемы КР1156ЕУ5. Здесь условно показано, что допускается изменение величины тока ограничения (R1) и регулировка выходного напряжения (R3).

Ток ограничения или максимальный ток нагрузки устанавливается с помощью регулирующего элемента (R1). Развернутая схема переключателей и набора резисторов показана на рис. 5.17.

Лабораторный источник питания с диагностикой
Рис. 5.17. Схема электрическая регулирующего элемента тока ограничения нагрузки.

Электрическая схема состоит из переключателей SA1-SA3<П2К) и резисторов R5-R10. Особенность такой схемы состоит в том, что применены все резисторы одинакового номинала (R = 1 Ом).

Максимальный ток нагрузки (примерно 600 мА) будет при всех замкнутых переключателях, когда сопротивление R1 составит 0,5 Ом. Соответственно, ток будет равен 300 мА (при разомкнутом SA1), 150 мА (при разомкнутых SA1 и SA2), 100 мА (при разомкнутых SA1, SA2 и SA3). Переключатели. П2К должны иметь независимую фиксацию и тогда можно нажимать не только одну кнопку. Возможны и другие сочетания нажатых кнопок, что будет соответствовать иным токам ограничения. Читателю самому предлагается определить эти дополнительные значения тока ограничения.

Следует отметить одну особенность. На схеме имеется перемычка 1-3. Она предназначена для исключения опасного режима при ремонтных работах и при неустановленной плате регулировки тока и случайной подаче питающего напряжения. Так как перемычка включается последовательно во входную цепь стабилизатора, то при ее отсутствии плата импульсного понижающего стабилизатора будет обесточена.

Регулировка выходного напряжения импульсного понижающего стабилизатора осуществляется, резистором в верхнем плече делителя обратной связи (R3.1). Он выполнен также на переключателях П2К и резисторах. Номиналы этих резисторов рассчитаны таким образом, чтобы выходное напряжение могло изменяться с шагом 1 В. Обойтись меньшим количеством деталей можно, выбрав соотношение номиналов резисторов (R13: R14 : R15 : R16) по двоичному закону: 1-2-А-8. Таким образом, с помощью секционированного резистора, схема которого показана на рис. 5.18, можно устанавливать величину верхнего плеча делителя как в СН, так и в ИПН. В этом случае выходное напряжение может иметь величину от 3 до 18 В, т.к. сопротивление изменяется от 1,8 кОм до 16,8 кОм (1,8 кОм + 15 кОм).

Лабораторный источник питания с диагностикой
Рис. 5.18. Схема электрическая платы секционированных резисторов.

Добавим лишь, что на схеме изображен не только делитель для СН, но и делитель для ИПН. Его работу мы рассмотрим позже. Перемычка 1-2 предназначена также для недопущения опасного режима работы при отсутствии платы с делителями и случайной подаче напряжения.

Принятое соотношение номиналов резисторов предопределяет и соответствующую работу с переключателями. Например, надо установить выходное напряжение 5 В. При всех замкнутых переключателях (SA4, SA5, SA6 и SA7) на выходе должно быть 3 В. Следовательно, надо добавить 5 - 3 = 2 В, т.е. SA5 должен быть разомкнут и R15 = 2 кОм включен в цепь. Аналогично устанавливается и другое необходимое напряжение на выводе.

В связи с тем, что переключатели спаренные, происходят изменения и в другом делителе. Он предназначен для ИПН и выполнен аналогично с такими же соотношениями резисторов.

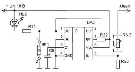
Рассмотрим схему индикатора понижения напряжения на выходе, которая приведена на рис. 5.19.

Лабораторный источник питания с диагностикой
Рис. 5.19. Схема электрическая индикатора понижения напряжения на выходе источника питания.

Основная часть индикатора понижения напряжения - микросхема КР1156ЕУ5. Она работает в режиме генератора импульсов. Кратко рассмотрим функционирование этого вспомогательного, диагностического, узла.

Нестабильное напряжение источника питания компаратор микросхемы сравнивает (на входе 5) со стабильным напряжением источника опорного напряжения. В зависимости от соотношения этих напряжений происходит управление работой других узлов микросхемы.

В том случае, когда напряжение источника питания в норме (потенциал вывода 5 превышает 1,25 В), компаратор переводит выходные транзисторы в непроводящее состояние. Красный светодиод (HL2) не светится.

При снижении напряжения происходит переключение компаратора и начинает работать внутренний генератор. Выходные транзисторы поочередно переходят из открытого состояния в закрытое, и периодически начинает мигать красный светодиод. Ток через него задает резистор R21, Одновременно появляется и звуковой сигнал, т.к. пьезоизлучатель BF1 начинает щелкать при переключении транзисторов.

Таким образом, электронное устройство - индикатор понижения напряжений - постоянно следит за выходным напряжением источника питания и привлекает внимание световым и звуковым сигналами при его снижении в случае возникновения перегрузки. А это возможно при превышении установленного тока нагрузки и срабатывании схемы защиты СН.

Кроме того, индикатор будет срабатывать и при отсутствии выходного напряжения на выходе СН. Таким образом, если при проведении ремонтных работ случайно не установлена какая-либо плата с секционированными резисторами (и плата СН обесточена), то звуковой сигнал обратит на это ваше внимание.

Задуманные функции реализованы и компоновка лабораторного источника питания продумана. Теперь надо спроектировать узлы, которые располагаются на отдельных печатных платах и монтируются на основной плате с трансформатором.

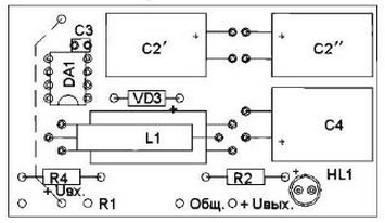
Плата импульсного понижающего стабилизатора (рис. 5.20) расположена ближе всего к выпрямителю. Этим уменьшается длина проводников, по которым протекает ток нагрузки.

Для уменьшения пульсаций и повышения устойчивости работы стабилизатора в дополнение к основному конденсатору фильтра (С1) на этой плате имеется еще конденсатор С2 (составлен из двух - С2' и С2"). Таким образом достигается уменьшение габаритных размеров платы. С одним конденсатором высота платы была бы больше.

Лабораторный источник питания с диагностикой
Рис. 5.20. Расположение элементов на плате импульсного стабилизатора.

Лабораторный источник питания с диагностикой
Рис. 5.21. Расположение элементов на плате регулирующего элемента тока ограничения нагрузки.

Еще одна особенность конструкции платы заключается в том, что накопительный дроссель фильтра выполнен на цилиндрических малогабаритных унифицированных дросселях типа ДМ (ДПМ). Для получения требуемой индуктивности предусмотрено последовательное включение до 3 дросселей типа ДМ.

Индикатор наличия выходного напряжения на светодиоде HL1 может быть установлен на лицевой панели корпуса источника питания и соединен с платой импульсного стабилизатора проводами.

Предельный ток нагрузки устанавливается с помощью секционированного резистора, расположенного вместе с переключателями на плате, показанной на рис. 5.21.

Выходное напряжение СН и напряжение срабатывания ИПН устанавливается с помощью секционированного переключаемого резистора, детали которого располагаются на плате, показанной на рис. 5.22.

Переключатели. П2К устанавливаются горизонтально в отверстия на плате и их закрепление производится не винтами, а с помощью пайки. А резисторы верхнего плеча делителя монтируются навесным способом на выводах П2К. При этом резисторы каждого делителя располагаются с разных сторон и подсоединяются к плате проводами.

И, наконец, на общей плате находится еще индикатор понижения напряжения на выходе СН, расположение элементов которого показано на рис. 5.23.

Пьезоизлучатель BF1 припаивается непосредственно на плату. Светодиод HL2, индицирующий опасный режим работы источника питания, можно установить на лицевой стороне корпуса и подсоединить к плате проводами.

Лабораторный источник питания с диагностикой
Рис. 5.22. Расположение элементов на плате импульсного стабилизатора.

Лабораторный источник питания с диагностикой
Рис. 5.23. Расположение элементов на плате индикатора понижения напряжения на выходе.

Возможны два варианта закрепления печатных плат на общей плате. Во-первых, можно на общей плате установить разъемы, специально предназначенные для непосредственного соединения с печатной платой (СНП14). Во-вторых (а этот способ проще), можно осуществить закрепление отдельных узлов вертикально с помощью скоб из неизолированной об лужен ной медной проволоки толщиной 0,8-1,0 мм. Она припаивается к плате и загибается с двух сторон. А затем все скобы устанавливаются в отверстия общей платы и также припаиваются.

Очевиден существенный недостаток второго способа: неразъемное соединение не позволяет оперативно отключить неисправный узел для ремонтных операций.

Несмотря на свою сложность, первый способ (с разъемами) более подходит для усложненного варианта лабораторного источника питания. Если захочется добавить выход стабилизированного напряжения с малыми пульсациями, то это потребует установки еще одной платы с линейным стабилизатором. Это может быть стабилизатор положительного напряжения. Однако довольно часто требуется еще и отрицательное напряжение, например, для питания микросхем операционных усилителей. Поэтому потребуется еще и место для установки платы с микросхемой стабилизатора на отрицательное напряжение. Для удобства работы также можно применить установку фиксированных выходных напряжений с помощью секционированных резисторов.

Когда задумывается источник питания не с ограниченным набором функций, а с последующим их увеличением путем постепенной модернизации, то и в конструкции должны быть предусмотрены соответствующие возможности.

Проявление предусмотрительности в этом вопросе и увеличение размеров основной платы для установки плат дополнительных узлов позволит при возникновении соответствующей необходимости относительно просто доработать источник питания для увеличения выполняемых функций.

Изготовление нашего варианта источника питания надо начинать с подбора требующихся комплектующих. Их перечень приведен в табл. 5.4. Здесь собраны все необходимые радиодетали, но с разделением на платы отдельных узлов.

Следующий этап изготовления - это проверка всех радиоэлементов. При выполнении этого условия будет уверенность, что после сборки устройство заработает, а не придется терять время на поиск неисправностей по причине некачественных элементов и производить их демонтаж.

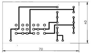
Конечно же, еще нужны и печатные платы. Они изготавливаются из фольгированного одностороннего текстолита толщиной 1,5 мм по эскизам, приведенным на рис. 5.24-5.28.

Применение печатных плат облегчает монтаж радиоэлементов, но их изготовление связано с определенными навыками и применением химикатов.

Можно пойти и по другому, более дешевому и простому пути. Внимательно присмотревшись к рисункам проводников на эскизах печатных плат, можно заметить, что монтаж несложный и его можно провести навесным способом. Более того, этому способствует, например, наличие жестких выводов у трансформатора, переключателей П2К и других элементов. Их можно с успехом использовать как для непосредственного соединения элементов между собой, так и для закрепления монтажных проводников.

После проведения монтажа элементов на платы необходимо тщательно проверить правильность установки (особенно полярных элементов) и качество соединений. Убедившись в отсутствии ошибок, можно приступать к следующему этапу изготовления источника питания. Он заключается в автономной проверке каждой платы.

Начинать следует с общей платы. Подав сетевое напряжение на первичную обмотку трансформатора, надо измерить постоянное напряжение на конденсаторе фильтра.

Лабораторный источник питания с диагностикой
Рис. 5.24. Эскиз общей печатной платы с трансформатором.

Лабораторный источник питания с диагностикой
Рис. 5.25. Эскиз печатной платы стабилизатора напряжения.

Лабораторный источник питания с диагностикой
Рис. 5.26. Эскиз печатной платы регулирующего элемента тока ограничения нагрузки.

Лабораторный источник питания с диагностикой
Рис. 5.27. Эскиз печатной платы секционированных резисторов.

Лабораторный источник питания с диагностикой
Рис. 5.28. Эскиз печатной платы индикатора понижения напряжения.

Убедившись, что эта часть устройства функционирует правильно, надо произвести еще проверку под нагрузкой. Для этого к выходу выпрямителя подсоединяют резистор величиной 27 Ом (2 Вт) для обеспечения тока нагрузки в 0,4...0,6 А и еще раз проверяют напряжение на выходе. Его величина должна быть примерно 12 В.

Убедившись в нормальной работе платы с выпрямителем, ее можно использовать для проверки функционирования платы СН. Однако, прежде чем подать напряжение на СН, необходимо поставить перемычку между контактами платы, соединяющими выводы микросхемы 6 и 7, т. е. исключить резистор ограничения тока нагрузки (R1). Еще необходимо установить временный делитель выходного напряжения (для обратной связи). Резистор величиной 6,8 кОм должен быть на месте резистора R3.1 между выводом 5 микросхемы и выходом СН <Uвых).

После всех этих подготовительных операций можно подать входное напряжение и проверить работу СН при RH = 200 Ом, т. е. при небольшом токе нагрузки (lн - 40 мА). Мощность этого резистора должна быть не менее 0,5 Вт. В таком режиме измеряем выходное напряжение СН, его величина должна быть примерно в В.

Следующий шаг - это проверка стабильности выходного напряжения при изменении нагрузки. Для этого подключаем параллельно резистору нагрузки еще такой же (200 Ом), т. е. получаем RH = 100 Ом. При этом ток нагрузки возрастет вдвое и будет примерно 80 мА. Измерив снова выходное напряжение, необходимо убедиться, что оно меняется в соответствии с параметрами микросхемы и весь узел работает нормально.

Теперь надо проверить плату секционированных резисторов. Это можно сделать с помощью мультиметра (цифрового тестера). Убедившись, что при нажатии определенной кнопки общая величина резистора, измеренная прибором, соответствует заложенной при проектировании, эту плату можно установить на общую.

Далее аналогично проверяют плату с резисторами регулирующего элемента тока ограничения нагрузки (R5-R10) и также устанавливают ее на общую плату.

Когда на общей плате окажутся установленными все три платы: стабилизатора напряжения, секционированных делителей и регулирующего элемента тока ограничения нагрузки, то можно приступать к комплексной проверке функционирования полностью собранного ИСН без сетевой части. Это можно сделать с помощью дополнительного регулируемого источника питания. Для упрощения проверки в этом качестве можно использовать сетевую часть нашего источника питания, но при этом необходимо учесть, что некоторые параметры (например, стабильность по напряжению) не смогут быть проверены.

Последовательность проверки собранного источника питания следующая:

  • первым делом необходимо убедиться, что на выходе СН можно получить все значения выходных напряжений (при соответствующих положениях переключателей на плате секционированных делителей), которые были заложены при проектировании. Это можно сделать с помощью мультиметра и обязательно при наличии нагрузки (достаточно 40...50 мА);
  • далее надо проверить защитные свойства СН. Для этого необходимо устанавливать с помощью ограничительного резистора различные максимальные выходные токи и увеличивать нагрузку до тех пор, пока выходное напряжение не начнет уменьшаться. Также необходимо убедиться, что ограничение по току происходит на том уровне, который был заложен;
  • в заключение надо установить на свое место проверенную визуально плату индикатора понижения напряжения и убедиться, что она начинает вырабатывать предупреждающие сигналы при уменьшении выходного напряжения;
  • при желании перед эксплуатацией источника питания можно более точно подстроить (подбором резисторов) как выходные напряжения, так и напряжения срабатывания индикатора.

Теперь осталось укрепить общую плату в сборе внутри корпуса и произвести соединения с выходными клеммами.

Окончательно убедившись, что все параметры в норме, можно приступать к работе с источником питания.

Автор: Кольцов И.Л.

Смотрите другие статьи раздела Блоки питания.

Читайте и пишите полезные комментарии к этой статье.

<< Назад

Последние новости науки и техники, новинки электроники:

Хорошо управляемые луга могут компенсировать выбросы от скота 15.02.2026

Животноводство, особенно разведение крупного рогатого скота, часто обвиняют в значительном вкладе в глобальное потепление из-за мощного парникового газа - метана, который выделяется при пищеварении у жвачных животных. Это вызывает острые политические споры и призывы к сокращению потребления мяса. Однако ученые напоминают, что полная картина климатического воздействия отрасли не ограничивается только выбросами от животных: огромную роль играет окружающая экосистема - пастбища, почва и растительность, которые способны активно поглощать углекислый газ из атмосферы. Исследователи из Университета Небраски-Линкольна решили глубже изучить этот баланс. Группа под руководством профессора Галена Эриксона сосредоточилась на том, как правильно организованные пастбища накапливают углерод в растениях и грунте благодаря естественным процессам, стимулируемым выпасом скота. Ученые подчеркивают, что при достаточном уровне осадков и грамотном управлении такие луга превращаются в мощные природные погло ...>>

NASA тестирует инновационную технологию крыла 15.02.2026

Коммерческая авиация ежегодно расходует колоссальные объемы керосина, что сказывается не только на бюджете авиакомпаний, но и на состоянии окружающей среды. В 2024 году глобальные затраты на авиационное топливо достигли 291 миллиарда долларов, и эта сумма продолжает расти. Чтобы справиться с этими вызовами, NASA активно работает над технологиями, способными заметно повысить аэродинамическую эффективность самолетов. Одним из самых перспективных направлений стало создание специальной конструкции крыла, которая максимизирует естественный ламинарный поток воздуха и минимизирует сопротивление. В январе 2026 года специалисты NASA Armstrong Flight Research Center успешно провели важный этап наземных испытаний концепции Crossflow Attenuated Natural Laminar Flow (CATNLF). Для эксперимента под фюзеляж исследовательского самолета F-15B закрепили вертикально ориентированную масштабную модель высотой около 0,9 м (3 фута), напоминающую узкий киль. Такая компоновка позволила подвергнуть прототип р ...>>

Забота о внуках очень полезна для здоровья мозга 14.02.2026

Общение между поколениями приносит радость всей семье, но мало кто задумывается, насколько активно бабушки и дедушки, заботящиеся о внуках, поддерживают свою умственную форму. Регулярное взаимодействие с детьми стимулирует мозг пожилых людей, помогая сохранять память, скорость мышления и общую когнитивную активность. Новые научные данные подтверждают, что такая добровольная помощь не только важна для общества, но и может замедлять возрастные изменения в мозге. Исследователи из Тилбургского университета в Нидерландах провели анализ, чтобы понять, приносит ли уход за внуками реальную пользу здоровью пожилых людей. Ведущий автор работы Флавия Черечес отметила, что многие бабушки и дедушки регулярно присматривают за детьми, и оставался открытым вопрос, насколько это положительно сказывается на их собственном благополучии, особенно в плане когнитивных функций. Ученые поставили цель выяснить, способен ли регулярный уход за внуками замедлить снижение памяти и других умственных способ ...>>

Случайная новость из Архива

Беспроводные наушники JBL Soundgear CLIPS, Sense Pro и Sense Lite 09.01.2026

Компания JBL представила три модели, расширяющие линейку открытых беспроводных наушников: Soundgear CLIPS, Sense Pro и Sense Lite.

JBL Soundgear CLIPS заметно отличаются от привычных наушников с ушными крючками. Здесь используется клипсовая конструкция, обхватывающая ухо как манжета, что делает их удобными для повседневного ношения и непринужденного прослушивания. Звук обеспечивается технологией JBL OpenSound, 11-мм динамическим излучателем и алгоритмом Adaptive Bass Boost, который улучшает воспроизведение низких частот даже при открытой конструкции. Для звонков предусмотрена система из четырех микрофонов с искусственным интеллектом, который четко выделяет голос в шумной обстановке, а подключение через Bluetooth 5.4 с поддержкой multipoint позволяет одновременно работать с двумя устройствами. Время автономной работы составляет до 8 часов, а с зарядным кейсом оно увеличивается до 24 часов. Кроме того, модель соответствует стандарту IP54, что делает ее устойчивой к пыли и брызгам воды.

Старшей моделью линейки стала JBL Sense Pro, дебютировавшая на выставке CES 2026. Она рассчитана на более требовательных пользователей и оснащена большими 16,2-мм драйверами с поддержкой Hi-Res Audio Wireless, обеспечивая глубокий и насыщенный звук. Алгоритм Adaptive Bass Boost отвечает за воспроизведение низких частот, несмотря на открытую конструкцию. Для звонков Sense Pro использует четыре микрофона и датчик Voice Pickup Sensor, эффективно устраняющий шум ветра и городской фон.

Наушники Sense Pro поддерживают Bluetooth 6.0, функцию Fast Pair и одновременное подключение к двум устройствам. Управление осуществляется с помощью настраиваемых сенсорных жестов, а через приложение JBL Headphones доступны расширенные настройки эквалайзера и персонализация звучания. Время автономной работы достигает 38 часов: 8 часов обеспечивают сами наушники и до 30 часов - зарядный кейс, что делает модель удобной для длительных поездок и активного использования.

Более доступная модель JBL Sense Lite сохраняет основные преимущества открытого формата и предлагает сбалансированное звучание с технологией Adaptive Bass Boost. Для надежной и комфортной посадки используются мягкие силиконовые ушные крючки с проводом с эффектом памяти, что делает наушники удобными при длительной носке.

Sense Lite поддерживает Bluetooth 5.4, функции Dual Connect, Fast Pair и сенсорное управление. Общая автономность достигает 32 часов при использовании зарядного кейса, а быстрая подзарядка Speed Charge позволяет восполнить энергию за короткое время. Для звонков предусмотрена система из четырех микрофонов, а защита от пыли и влаги соответствует стандарту IP54, что делает модель подходящей для активного образа жизни.

Продажи всех трех моделей начнутся в марте 2026 года. Цена Sense Pro составит 199,95 долларов США, а Soundgear CLIPS и Sense Lite - по 149,95 долларов. Цветовые решения также разнообразны: CLIPS будут доступны в медном, синем, фиолетовом и белом оттенках, Sense Lite - в черном, белом и фиолетовом вариантах, а Sense Pro - в черном и сером исполнении.

Другие интересные новости:

▪ Многоуровневая магнитная запись на основе скирмионов

▪ Профессии исчезающие и перспективные

▪ Межпланетный интернет

▪ Самый крепкий клей

▪ Связь между изменением женского голоса и уровнем фертильности

Лента новостей науки и техники, новинок электроники

 

Интересные материалы Бесплатной технической библиотеки:

▪ раздел сайта Антенны. Подборка статей

▪ статья Высечь море. Крылатое выражение

▪ статья Какой год в Европе характеризовался отсутствием лета? Подробный ответ

▪ статья Изюмный физалис. Легенды, выращивание, способы применения

▪ статья Замена угольного микрофона в телефоне. Энциклопедия радиоэлектроники и электротехники

▪ статья Предварительный усилитель на двух лампах ЕСС83. Энциклопедия радиоэлектроники и электротехники

Оставьте свой комментарий к этой статье:

Имя:


E-mail (не обязательно):


Комментарий:





Главная страница | Библиотека | Статьи | Карта сайта | Отзывы о сайте

www.diagram.com.ua

www.diagram.com.ua
2000-2026