Menu Home

Бесплатная техническая библиотека для любителей и профессионалов Бесплатная техническая библиотека


Автоматическая зарядка гальванических элементов и аккумуляторов асимметричным током. Энциклопедия радиоэлектроники и электротехники

Бесплатная техническая библиотека

Энциклопедия радиоэлектроники и электротехники / Зарядные устройства, аккумуляторы, гальванические элементы

Комментарии к статье Комментарии к статье

Вниманию читателей представляются две конструкции зарядных устройств, которые отличаются величиной зарядного тока, но имеют единый способ восстановления - асимметричным током.

Как известно, восстановление гальванических элементов и аккумуляторов лучше всего дает зарядка асимметричным током. Зарядный ток при этом в 10 раз больше разрядного тока, а длительность меньше в два раза [1, 2].

Устройства допускают зарядку с длительными перерывами, например, из-за исчезновения сетевого напряжения. При подаче напряжения зарядка автоматически восстановится. Устройства не боятся случайных коротких замыканий выходных гнезд. При длительном хранении аккумуляторов устройства могут использоваться для их поддержания в заряженном состоянии.

Прекращение зарядки происходит автоматически по достижению установленного напряжения на заряжаемом элементе. Устройства позволяют устанавливать в широких пределах без приборов (с достаточной для практики точностью) зарядный и разрядный ток, а также напряжение прекращения зарядки.

Первая конструкция предназначена для зарядки отдельных малогабаритных аккумуляторов типа Д-0,1; Д-0,25; Д-0,55; ЦНК-0,45; НГКЦ-1,8 или их импортных аналогов и батарей, составленных из них, а также гальванических элементов типа 316, 322, 343, 373, батарей, составленных из них, и батарей 3336, "Крона", "Корунд" и т.п. Количество одновременно заряжаемых гальванических элементов - 7 шт., а заряжаемых аккумуляторов - 9 шт.

Принципиальная схема устройства приведена на рис.1. В его состав входят блок питания на трансформаторе Т1, выпрямительный мост на диодах VD1-VD4 и фильтрующем конденсаторе С1.

Автоматическая зарядка гальванических элементов и аккумуляторов асимметричным током
(нажмите для увеличения)

Стабилизатор тока зарядки выполнен на транзисторах VT2, VT4, вместе со стабилитроном VD9 и резистором R22 представляет собой источник тока. Величина тока регулируется резистором R18.

Стабилизатор тока разрядки выполнен на транзисторах VT1, VT5 и светодиоде HL2, который одновременно служит источником опорного напряжения, подаваемого на базу транзистора VT5, и индикатором тока разрядки. Величина тока разрядки устанавливается резистором R23.

Ток зарядки (в амперах) обычно соответствует 0,1, а разрядки - 0,01 от емкости в ампер-часах. Например, для элементов 316, 332 или батарей из них зарядный ток составляет 60 мА, а разрядный - 6 мА, для элементов 343, 373 или батарей из них - 200 мА и 20 мА соответственно.

Генератор прямоугольных импульсов, формирующий импульсы зарядного и разрядного токов, собран на элементах DD1.2 и DD1.3, резисторах R9, R10, диодах VD7, VD8. Соотношение значений длительности импульсов высокого уровня и пауз между ними равно 1:2. Длительность импульсов определяется резистором R9, а длительность паузы зависит от резистора R10. Частота колебаний составляет около 100 Гц (зависит от конденсатора С5). Генератор запускается при наличии на выходе элемента DD1.1 сигнала высокого уровня.

На интегральном компараторе DA1 выполнен узел автоматического отключения и включения зарядки (АОЗ и АВЗ). Он сравнивает опорное напряжение (снимаемое с движка R4) параметрического стабилизатора VD5R2 или VD6R3, подаваемого на инвертирующий вход с изменяющимся напряжением на делителе R20, R21, пропорциональным напряжению заряжаемого гальванического элемента или аккумулятора, которое подается на неинвертирующий вход DA1.

Поскольку опорное напряжение берется от другого параметрического стабилизатора VD5R2, то для первого диапазона (1...6 В) это обеспечивает высокую стабильность, а значит, точность установки узлов АОЗ и АВЗ. Напряжение АОЗ устанавливается резистором R4. Для удобства пределы узла автоматики разбиты на два диапазона: 1...6 В и 6...13 В. Диапазон выбирается переключателем SA1.

Работа устройства. При подключении разряженного гальванического элемента или аккумулятора напряжение на неинвертирующем входе DA1 меньше опорного на инвертирующем, которое задается резистором R4. Поэтому на выходе с открытым коллектором (вывод 9) компаратора устанавливается напряжение низкого уровня, а на выходе инвертора DD1.1 - напряжение высокого уровня, которое разрешает работу генератора импульсов. При этом на выходе элемента DD1.3 появляется сигнал высокого уровня, открывающий ключевые транзисторы VT2 и VT3. Открытие транзистора VT2 приведет к появлению напряжения на стабилитроне VD9, а значит, откроется транзистор VT4, и через заряжаемый элемент потечет заранее установленный зарядный ток. Одновременно сигнал низкого уровня с выхода DD1.2 поступит на нижний по схеме вход элемента DD1.4. На верхнем по схеме входе элемента DD1.4 присутствует сигнал высокого уровня, который сохраняется до окончания зарядки.

В результате на выходе элемента DD1.4 появляется сигнал высокого уровня, который закроет транзистор VT1. Соответственно закроется и транзистор VT5, что делает невозможным протекание разрядного тока. С появлением на выходе элемента DD1.3 сигнала низкого уровня транзисторы VT2 и VT3 закроются. Зарядный ток прекратится.

В это же время с выхода элемента DD1.2 на нижний по схеме вход элемента DD1.4 поступит сигнал высокого уровня (на верхний вход продолжает поступать сигнал высокого уровня), который откроет транзисторы VT1 и VT5. Это дает возможность протекать разрядному току. Приход следующего положительного импульса с выхода генератора сделает возможным протекание зарядного тока и невозможность разрядки.

Таким образом процесс зарядка-разрядка будет продолжаться до тех пор, пока напряжение на заряжаемом элементе не достигнет величины срабатывания узла АОЗ. В результате произойдет переключение компаратора, и на его выходе напряжение низкого уровня сменится на высокий. На выходе инвертора DD1.1 появится сигнал низкого уровня. Генератор прекратит работу. По этой причине на выходе DD1.3 установится сигнал низкого уровня. Транзисторы VT2 и VT4 закроются, и зарядка прекратится.

Вследствие срабатывания узла АОЗ и остановки генератора на выходе элемента DD1.2, а значит, и нижнего по схеме элемента DD1.4 устанавливается сигнал высокого уровня. Поскольку на выходе элемента DD1.1, а значит, и на верхнем по схеме входе элемента DD1.4 присутствует сигнал низкого уровня, то на выходе элемента DD1.4 будет сигнал высокого уровня. VT1 и VT5 будут закрыты. Разрядка прекратится.

При протекании зарядного импульсного тока напряжение на гальваническом элементе или аккумуляторе повышается до значения, превышающего порог срабатывания узла АОЗ, что приведет к преждевременному отключению зарядного устройства. Это может вызвать значительную недозарядку. Чтобы этого не происходило, сравнение напряжения на заряжаемом элементе с опорным происходит при отсутствии зарядного тока, что позволяет вести зарядку до полной емкости. На время зарядки транзистор VT3 открывается и шунтирует резистор R21, чем повышается порог переключения компаратора. Когда происходит разрядка, транзисторы VT2 и VT3 закрыты. Компаратор сравнивает реальное напряжение на заряжаемом элементе с опорным. При достижении установленного значения напряжения АОЗ зарядный ток полностью прекратится. Ток разрядки через делитель R20, R21, VT3 и транзистор VT5 незначителен и для одного элемента 1,5 В составляет всего 10 мкА, а для 7 элементов - 200 мкА.

Однако по мере завершения химических процессов напряжение на заряжаемом гальваническом элементе или аккумуляторе медленно понижается, что вызовет срабатывание компаратора, так как опорное напряжение превысит напряжение на выходе. Чтобы исключить такое включение зарядного устройства, введен резистор R7, который служит для создания гистерезиса - разности напряжений АОЗ и АВЗ. Гистерезис обеспечивает повторное включение зарядного устройства при более глубокой разрядке. Следует принять во внимание при выборе номинала R7, что когда напряжение на разряженном элементе меньше напряжения АВЗ, то генератор запускается при включении зарядного устройства в сеть независимо от того подключен заряжаемый элемент до или после включения устройства в сеть. Когда напряжение на разряженном элементе больше напряжения АВЗ, то генератор запускается лишь при включении устройства в сеть с последующим подключением элемента или аккумулятора.

Для устойчивой работы компаратора и генератора их питание стабилизировано параметрическим стабилизатором VD5R2. Диод VD10 предотвращает разрядку через зарядное устройство в случае пропадания напряжения в питающей цепи. Конденсаторы С3 и С4 защищают устройство от ложного срабатывания при возникновении в сети импульсных помех.

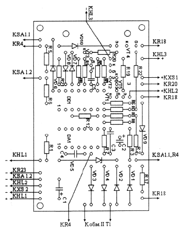
Устройство собрано на печатной плате из фольгированного стеклотекстолита толщиной 1,5 мм. Чертеж платы показан на рис.2.

Автоматическая зарядка гальванических элементов и аккумуляторов асимметричным токомАвтоматическая зарядка гальванических элементов и аккумуляторов асимметричным током

На лицевой панели закреплены светодиоды HL1-HL3 и переменные резисторы R4, R18 и R23 с нанесенными на них шкалами, а также переключатель SA1. Транзистор VT4 установлен на теплоотводящую пластину размером 40Ч25 мм и толщиной 6 мм. В качестве сетевого трансформатора использован ТС-10-ЗМ1, подойдет также любой другой, обеспечивающий на вторичной обмотке напряжение 16...18 В при токе не менее 250 мА.

Детали. Устройство не содержит самодельных или дефицитных деталей. Переключатель SA1 может быть любого типа. Конденсаторы С1, С2 типа К50-6; С3-С5 типа КМ. Постоянные резисторы типа МЛТ, переменные ПП3-11 группы А. Микросхема DD1 заменима К561ЛЕ5, компаратор DA1 - К521СА3. Вместо светодиода АЛ307В зеленого свечения подойдет АЛ307Г, АЛ307НМ, а вместо АЛ307Б красного свечения - АЛ307К, АЛ307БМ. Диоды Д9Б можно заменить Д220, Д311, КД503, КД509 с любым буквенным индексом. Взамен стабилитрона КС512А можно использовать два последовательно включенных КС156А. Транзистор КТ3102Б заменим КТ315Г или КТ3117 с любым буквенным индексом, а вместо транзистора КТ3107Б можно использовать КТ361 с любым буквенным индексом, кроме А. КТ814Б можно заменить КТ814В, Г, КТ816Б, Г.

Наладка. Если монтаж выполнен без ошибок, то при включении устройства в сеть должны гореть светодиоды HL1, HL2, HL3. Наблюдать импульсы можно, подключив к выходу генератора DD1.3 осциллограф. Временно увеличив значение конденсатора С5 до 1...2 мкФ, уменьшают частоту генератора и можно увидеть колебания по миганию светодиодов.

Затем налаживают АОЗ. Для этого потребуется стабилизированный блок питания с током нагрузки не менее 0,2 А и напряжением 0...15 В. Выходное напряжение контролируется вольтметром постоянного тока. Прежде всего устанавливают границы регулирования напряжения автоматики в диапазоне I (6 B) и II (13 В). Для этого отпаивают катод диода VD10. Резистор R15 отпаивают от R14 и DD1.3, а резистор R12 - от элемента DD1.4 и соединяют их с минусовым выводом питания. VT5 при этом открывается, а VT3 закрывается, что соответствует режиму разрядки, когда происходит контроль заряжаемого элемента.

Движок резистора R23 устанавливают в нижнее по схеме положение, чтобы уменьшить нагрузку на стабилизированный блок.

Подаем напряжение от вспомогательного источника на гнезда XS1, XS2. Резистор R4 ставят вначале в крайнее верхнее положение, а затем в крайнее нижнее по схеме положение и, подавая напряжение от источника, убеждаются, что границы регулирования напряжения автоматики находятся в пределах 1...6 В (I диапазон) и 6...13 В (II диапазон). Нижний предел напряжения АОЗ уточняют подборкой резисторов R5 и R6 (в зависимости от I и II диапазонов соответственно), а верхний - при помощи VD5 и VD6. Переключения компаратора соответствуют тому значению напряжения, при котором светодиод HL3 гаснет (светодиод HL2 во время налаживания горит постоянно).

Далее градуируют шкалу резистора R4 "Напряжение окончания зарядки" в обоих диапазонах путем подачи от вспомогательного блока питания различных напряжений. Для этого движок резистора R4 переводят в верхнее по схеме положение. Устанавливают на выходе вспомогательного источника напряжение, соответствующее значению установки, и медленно переводят движок резистора R4 в нижнее по схеме положение. Напряжение АОЗ соответствует тому положению движка резистора R4, при котором светодиод HL3 гаснет. Несколько увеличив напряжение, а затем плавно уменьшая его, проверяют фактический порог переключения компаратора. Если необходимо, эти операции повторяют. Плавно уменьшая напряжение источника, проверяют напряжение АВЗ по загоранию светодиода HL3. В случае необходимости подбирают резистор R7.

После этого переходят к градуировке шкалы резистора R23 "Ток разрядки". Подключив в разрыв гнезда XS1 и плюсового вывода вспомогательного источника питания миллиамперметр с пределом измерения не менее 20 мА, подают напряжение и, изменяя сопротивление резистора R23, градуируют шкалу по значению тока через прибор.

Затем градуируют шкалу резистора R18 "Ток зарядки". Для этого отпаивают R14 от DD1.3 и соединяют с плюсовым выводом стабилизатора (+12 В). Подключают к катоду диода VD10 и гнезду XS2 миллиамперметр с пределом не менее 200 мА и, изменяя величину резистора R18 по значению тока через прибор, градуируют шкалу. После этого резисторы R12, R14, R15, а также диод VD10 впаивают на место.

В процессе эксплуатации напряжение АОЗ устанавливают из расчета 1,7...1,9 В на один заряжаемый гальванический элемент и 1,35...1,45 В на один аккумулятор.

Вторая конструкция предназначена для зарядки автомобильных аккумуляторных батарей. Ее отличие заключается в применении мощного стабилизатора тока зарядки и тока разрядки.

Принципиальная схема показана на рис.3. Остановимся только на некоторых особенностях. Резистор R4 увеличивает гистерезис. В качестве стабилизатора тока зарядки используется простой мощный источник тока [3]. Однако питание на операционный усилитель подается через VT2, поскольку при Uвх=0 на выходе DA2 остается небольшое выходное напряжение, что приводит к открыванию транзистора VT4.

Автоматическая зарядка гальванических элементов и аккумуляторов асимметричным током
(нажмите для увеличения)

Электронное устройство собрано на печатной плате из одностороннего стеклотекстолита толщиной 1,5 мм. Чертеж платы показан на рис.4. Диоды VD1-VD4 и транзистор VT6 установлены на теплоотводы площадью не менее 100 см2, транзистор VT4 установлен на теплоотвод площадью не менее 200 см2.

Автоматическая зарядка гальванических элементов и аккумуляторов асимметричным током

Трансформатор Т1 серийный ТН-61220/127-50 либо другой с напряжением на вторичной обмотке 15...18 В при токе 7...8 А. Трансформатор Т1, конденсатор С1, резисторы R18, R23, диоды VD1-VD4, VD5, а также транзисторы VT4 и VT6 смонтированы отдельно. Переменные резисторы R15, R19 и R22, а также светодиоды HL1, HL3 вынесены на лицевую панель.

Детали. Диоды Д231 можно заменить Д243, Д245, КД213А и другими на ток не менее 5 А. Конденсаторы С1, С2 типа К50-6, К50-16. Вместо стабилитрона Д818Е можно использовать стабилитрон КС191 с любым буквенным индексом. Резистор R18 типа С5-16МВ, R20 типа ПЭВ15. Операционный усилитель К553УД2 заменим К153УД2 или КР140УД18. Важно, чтобы диапазон входного напряжения был вплоть до напряжения положительного питания. Силовые цепи выполняют медным проводом сечением не менее 0,75 мм2.

Налаживание аналогично первой конструкции. Начинают с узла автоматики (АОЗ и АВЗ). Для этого катод диода VD10, резистор R10 отпаивают от элемента DD1.4 и резистор R13 - от резистора R12 и элемента DD1.3. Резисторы R10 и R13 соединяют с минусовым проводом питания. Резистор R22 ставят в нижнее, а резистор R19 - в верхнее по схеме положения. Подключают к выходным зажимам стабилизированный источник с током нагрузки не менее 0,5 А и напряжением на выходе 10...15 В. Выходное напряжение контролируется вольтметром постоянного тока. Подают требуемое значение напряжения (14,2...14,8 В) и медленно вращают движок R19 в нижнее по схеме положение до момента погасания светодиода HL3. Это значение отмечают на шкале R19 "Напряжение окончания зарядки". Затем, плавно уменьшая напряжение источника, проверяют, что включение устройства происходит при 12,4...12,8 В (при необходимости подбирают R4, R5).

После этого градуируют шкалу резистора R22 "Ток разрядки". Для этого в разрыв плюсового зажима и вспомогательного источника питания включают миллиамперметр на ток 0...500 мА и, изменяя величину резистора R22, устанавливают необходимый ток и градуируют шкалу.

Далее градуируют шкалу резистора R15 "Ток зарядки". Для этого резистор R12 отпаивают от элемента DD1.3 и соединяют с плюсовым проводом стабилизатора напряжения +12 В. Аккумулятор минусовым выводом подключают к минусу зарядного устройства. Амперметр с пределом измерения не менее 5 А подключают к катоду диода VD10 и к плюсовому проводу аккумулятора. Включают устройство и, изменяя величину резистора R15, устанавливают необходимый ток и градуируют шкалу.

После этого восстанавливают диод VD10, резисторы R10, R12 и R13. Разряженный аккумулятор подключают к устройству. Затем устанавливают необходимый ток зарядки и разрядки, а также напряжение АОЗ и после этого включают устройство в сеть. При желании можно ввести светодиод неправильного подключения аккумуляторной батареи.

Литература:

  1. Богомолов Б. Вторая жизнь гальванических элементов//Радио. - 1991. - №5.С.65-67.
  2. Газаев М. Автоматическое устройство для зарядки и восстановления аккумуляторных батарей: Сб. В помощь радиолюбителю. - М.: ДОСААФ, 1986. Вып.94. - С.3-7.
  3. Успенский Б. Стабилизаторы напряжения и тока на ИМС: Сб. В помощь радиолюбителю. - М.: ДОСААФ, 1985. Вып.91. - С.39-53.

Автор: Н.И. Мазепа

Смотрите другие статьи раздела Зарядные устройства, аккумуляторы, гальванические элементы.

Читайте и пишите полезные комментарии к этой статье.

<< Назад

Последние новости науки и техники, новинки электроники:

Оптимальная продолжительность сна 12.11.2025

Сон играет ключевую роль в поддержании здоровья, когнитивных функций и общего самочувствия. Несмотря на широко распространенный стереотип о восьмичасовом сне, последние исследования показывают, что оптимальная продолжительность сна для большинства здоровых взрослых ближе к семи часам. Эволюционный биолог из Гарварда, Дэниел Э. Либерман, утверждает, что традиционная норма восьми часов сна - это скорее культурное наследие индустриальной эпохи, чем биологическая необходимость. По его словам, полевые исследования, проведенные в сообществах, не использующих электричество, показывают, что средняя продолжительность сна составляет 6-7 часов, что значительно отличается от общепринятого стандарта. Современные эпидемиологические данные подтверждают этот взгляд. Исследования выявили так называемую "U-образную кривую" зависимости между продолжительностью сна и рисками для здоровья. Минимальные показатели заболеваемости и смертности наблюдаются именно у людей, спящих около семи часов в сутки. ...>>

Дефицит кислорода усиливает выброс закиси азота 12.11.2025

Парниковые газы играют ключевую роль в изменении климата, а закись азота (N2O) - один из наиболее опасных среди них. Этот газ не только втрое сильнее углекислого газа в удержании тепла, но и разрушает озоновый слой. Недавнее исследование американских ученых показало, что микробы в зонах с низким содержанием кислорода активно производят N2O, усиливая глобальные климатические риски. Команда из Университета Пенсильвании изучала прибрежные воды у Сан-Диего и провела наблюдения на глубинах от 40 до 120 метров в Восточной тропической северной части Тихого океана - одной из крупнейших зон дефицита кислорода. Исследователи сосредоточились на том, как морские микроорганизмы превращают нитраты в закись азота. В ходе работы выяснилось, что существует два пути образования N2O. Один путь начинается с нитрата, другой - с нитрита. На первый взгляд более короткий путь должен быть эффективнее, однако микробы, использующие нитрат, продуцируют больше газа, поскольку этот "сырьевой" источник более д ...>>

Омега-3 помогают молодым кораллам выживать 11.11.2025

Сохранение коралловых рифов становится все более актуальной задачей в условиях глобального изменения климата. Молодые кораллы особенно уязвимы на ранних стадиях развития, когда стрессовые условия и нехватка питательных веществ могут привести к высокой смертности. Недавнее исследование ученых из Технологического университета Сиднея показывает, что специальные пищевые добавки способны существенно повысить выживаемость личинок кораллов. В ходе работы исследователи разработали особый состав "детского питания" для коралловых личинок. В него вошли масла, богатые омега-3 жирными кислотами, а также важные стерины, необходимые для формирования клеточных мембран. Личинки, получавшие эти добавки, развивались быстрее, становились крепче и демонстрировали более высокую устойчивость к стрессовым факторам. Особое внимание ученые уделили липидам. Анализ показал, что личинки активно усваивают эти вещества, что напрямую влияет на их жизнеспособность. Стерины, содержащиеся в корме, повышают устойчи ...>>

Случайная новость из Архива

Журнал Newsweek прекращает выходить в печатном виде 02.01.2013

Newsweek, один из самых известных и массовых (его тираж превышает три миллиона экземпляров) американских журналов, с нового года больше не будет выходить в печатном виде. Последний номер, обложка которого изображена ниже, выйдет из печати 31 декабря 2012 года.

Журнал, основанный в 1933 году, за восемь десятилетий своей истории завоевал колоссальную популярность в США и других странах. Наряду с изданиями Time и US News & World Report он образует так называемую "большую тройку" еженедельников США. Помимо оригинального англоязычного издания, журнал выходит в нескольких локализованных версиях на других языках. В период с 2004 по 2010 год он выходил и на русском языке.

Как поясняет редакция, не секрет, что интерес к печатным изданиям слабеет. По сути, выбор стоит так: перейти в электронный формат или уйти в небытие. И если раньше эта дилемма возникала перед небольшими, локальными изданиями, то пример Newsweek показывает, насколько глубоки изменения, произошедшие за последние годы. Популярность электронных устройств для чтения столь высока, что, например, в магазине Amazon.com объем продаж изданий в электронной форме уже давно и уверенно превысил объем продаж бумажных книг и периодики.

По имеющимся данным, только в США количество пользователей планшетов за два года увеличилось с 13 до 70 млн. человек. Исследование, проведенное Pew Research Center, показало, что 39% американцев получают новости из онлайновых источников. В таких условиях переход от бумажной формы к электронной стал не только оправдан, но и неизбежен.
Уже начата подписка на журнал Newsweek Global для пользователей ПК, планшетов, электронных книг и смартфонов. Избранные материалы будут доступны на сайте The Daily Beast, открытом четыре года назад.

Другие интересные новости:

▪ Мини-ПК ASRock Mars 4000U

▪ Водоблок EK-Vector RX 5700 + XT

▪ Новые 3,5- и 4,5-разрядные аналого-цифровые преобразователи

▪ Беспроводная зарядка электромобилей BMW

▪ Адаптер цифрового тахографа

Лента новостей науки и техники, новинок электроники

 

Интересные материалы Бесплатной технической библиотеки:

▪ раздел сайта Детская научная лаборатория. Подборка статей

▪ статья ЧП районного масштаба. Крылатое выражение

▪ статья Зачем парижане в 1870 году съели двух слонов из зоопарка? Подробный ответ

▪ статья Весы на архимедовой спирали. Детская научная лаборатория

▪ статья Общие сведения по чернилам. Простые рецепты и советы

▪ статья Стабилизированный блок питания, 220/1-29 вольт 2 ампера. Энциклопедия радиоэлектроники и электротехники

Оставьте свой комментарий к этой статье:

Имя:


E-mail (не обязательно):


Комментарий:





Главная страница | Библиотека | Статьи | Карта сайта | Отзывы о сайте

www.diagram.com.ua

www.diagram.com.ua
2000-2025