Menu Home

Бесплатная техническая библиотека для любителей и профессионалов Бесплатная техническая библиотека


Сетевой источник переменного тока Уникум. Энциклопедия радиоэлектроники и электротехники

Бесплатная техническая библиотека

Энциклопедия радиоэлектроники и электротехники / Блоки питания

Комментарии к статье Комментарии к статье

У радиолюбителя обычно имеются в хозяйстве различные трансформаторы переменного тока. Все они, как правило, различной мощности, с различными наборами напряжений. Когда задумаешь подключить новый прибор, оказывается, что все имеющееся никуда не годится. Может выручить ЛАТР, но не у всех он есть, да и не будешь прибор постоянно питать от ЛАТРа.

У меня реализована такая идея. Перематываете трансформатор максимально большой мощности (из имеющихся у вас) так, чтобы сделать восемь вторичных обмоток. Первая обмотка рассчитана на выходное напряжение 1 В, вторая - на 2 В, третья - на 4 В и далее с каждой новой обмоткой напряжение удваивается.

На последней восьмой обмотке выходное напряжение равно 128 В. Принципиальная схема трансформатора (я назвал его "Уникум") показана на рис.1,а.

Выводы вторичных обмоток подпаивайте на контакты розетки Х1 типа РП1416, которая представляет собой ножевой соединитель с улучшенными характеристиками (умощненный) и пригодна для коммутации силовых цепей с токами до 6 А. Как розетка, так и вилка РП14 имеют большую механическую прочность (их применяли в старой ламповой аппаратуре, где токи накала достаточно велики).

Выводы каждой из обмоток надо припаять на свою пару контактов розетки Х1 РП14-16 (рис.1,б): первой обмотки - на 1а и 1б; второй обмотки - на 2а и 2б, ..., восьмой обмотки - на 8а и 8б. При этом нужно следить, чтобы начала обмоток подключить на контакты "а", а концы - на контакты "б". На рис.1,а самая высоковольтная вторичная обмотка показана вверху схемы, самая низковольтная - внизу. Это нарушение ЕСКД, но оно допущено по той причине, что восьмая обмотка распаяна на контакты 8а и 8б, которые расположены возле двух скосов гнезда Х1 (мнемонически показывающих направление повышения напряжения обмоток).

Сетевой источник переменного тока Уникум

Габаритная мощность трансформатора может быть какой угодно, но при выбранном соединителе РП14 ток не должен превышать 6 А, поэтому габаритная мощность трансформатора не может превышать 1,5 кВт. Такой трансформатор еще не слишком велик для использования в быту, к тому же номинальный ток, на который рассчитаны сетевые розетки и выключатели также составляет 6 А. Применение трансформатора такой мощности практически решит все проблемы в быту, мастерской, лаборатории. Например, через него можно включать бытовые приборы с сетевым напряжением, отличающимся от нашего стандарта (например, 240, 127, 110 В и т.д.). Можно, например, подключать самые разнообразные паяльники (на напряжения 24, 36, 42 В) и другие, причем есть паяльники с недогревом и с перегревом (можно точно подобрать нужное напряжение).

В табл.1 приведены сведения для изготовления трансформаторов мощностью от 200 до 1600 Вт (четыре варианта).

Таблица 1
Сетевой источник переменного тока Уникум

Трансформатор можно выполнить на стержневых сердечниках распространенных типоразмеров. Например, для варианта 200 Вт подойдет сердечник от телевизионного трансформатора ТС-200 (или ТС-180) СЛ 24х45, а для варианта 400 Вт - ТС-360 (ТС-330) СЛ 25х50. Удобство таблицы заключается в том, что получается целое число витков обмотки на 1 В выходного напряжения (5, 4, 3, 2 витков для мощностей соответственно 200, 400, 800 и 1600 Вт). Кроме того, все вторичные обмотки можно выполнить проводом одного диаметра, что позволяет упростить технологию намотки, обеспечить оптимальный тепловой режим и применить один предохранитель для суммарного выходного напряжения.

На рис.2 показан рекомендуемый вариант исполнения корпуса трансформатора "Уникум". Оптимальным мне кажется размещение трансформатора на полу. Поэтому розетка Х1 установлена на верхней плоскости корпуса, там же имеется ручка для переноски трансформатора. Все бао стальные элементы (выключатель S индикатор включения HL1, предохранитель FU1 и ввод сетевого шнура) установлены на вертикальной передней панели.

Сетевой источник переменного тока Уникум

Корпус желательно снабдить упругими (резиновыми) ножками для устойчивости.

Теперь перейдем к распайке вилки РП14 для получения любого напряжения от 1 до 255 В с шагом 1 В. Как видно из рис.1, напряжения 1, 2, 4, 8, 16, 32, 64 и 128 В можно получить от одной из выбранных обмоток, подключившись к контактам "а" и "б" соответствующего ряда. Такой вариант показан на рис.3,а для выходного напряжения 4 В. Максимальное напряжение 255 В получается при последовательном включении всех восьми вторичных обмоток. На вилке РП14 при этом устанавливают наклонные перемычки (1б-2а, 2б-3а, 3б-4а, ..., 7б-8а), а напряжение 255 В снимают с контактов 1а и 8б.

Сетевой источник переменного тока Уникум

Все другие варианты получения напряжений образуются расчетом двоичного кода выбранного напряжения. Например, напряжение 13 В получают суммированием напряжений 1-й, 3-й и 4-й обмоток, так как 13 = 8 + 4 + 1. Как видно из рис.3,б перемычка при этом обходит ненужную вторую обмотку (соединяет 1б и 3а), напряжение 27 В получают суммированием напряжений 1-й, 2-й, 4-й и 5-й обмоток, так как 27 = 16 + 8 + 2 + 1. Как видно из рис.3,в перемычка обходит ненужную третью обмотку, напряжение 36 В получают суммированием напряжений 3-й и 6й обмоток (36 = 32 + 4), перемычка соединяет (рис.3,г) конец третей и начало шестой обмоток.

Для получения стандартных напряжений 42, 48, 60, 75, 110, 127, 220 и 240 В конфигурация перемычек показана соответственно на рис.3,д...н. Выводы, показанные на рис.3 стрелками, являются выходными и образуют кабель. Поскольку выходное напряжение кабеля может быть опасным для жизни, то выводы вилки после распайки выходного кабеля следует тщательно изолировать (лучше всего крышкой или колпаком).

Переход на новое напряжение требует нескольких минут перепайки выводов. Но, если кому-либо лень это делать и у него есть восемь тумблеров на рабочий ток не менее 6 А, то можно рекомендовать схему рис.4, в которой при левом положении тумблера соответствующая обмотка включена в цепочку обмоток, при правом - отключена. Тогда переход на требуемое напряжение заключается в переводе этого напряжения в двоичный код и выставления тумблерами этого двоичного кода. Для перехода на двоичный код следует запомнить степени числа 2: 20 = 1; 21 = 2; 22 = 4; 23 = 8; 24 = 16; 25 = 32; 26 = 64; 27 = 128. Теперь от нужного напряжения (например, 167 В) отнимаем самое большое число из этого ряда (но меньшее нужного) 167 - 128 = 39, снова проделываем эту процедуру 39 - 32 = 7 и далее 7 - 4 = 3; 3 - 2 = 1 и 1 - 1 = 0. Из заданного числа мы отнимали числа 27, 25, 22, 21, 20.

Сетевой источник переменного тока Уникум

Следовательно, в этих разрядах двоичного кода будут "1", в остальных нули: 10100111. Соответственно в схеме (рис.4) тумблеры с номерами SA8, 5.сир4. сирSA6, SA3, SA2 включить в левое положение, остальные в правое, и мы получим требуемое напряжение 167 В.

Если применить тумблеры типа П1Т или их зарубежный аналог KNX-1 (3 А, 250 В), то получим удобную реализацию программируемой фишки. Поскольку расстояние между крайними выводами тумблера примерно равно расстоянию между рядами а и б РП14-16, а ширина тумблеров этого типа примерно равна шагу контактов соединителя в рядах, то возможен очень компактный монтаж блока тумблеров SA1SA8 непосредственно на контакты ножей РП14-16 (рис.4).

Однако такая фишка на микротумблерах дороговата, поэтому на рис.5 изображен удешевленный вариант реализации программируемой фишки для эксплуатационного подключения с программированием на перемычках. Для оперативного подключения запаивают избыточные перемычки и для получения заданного напряжения лишние перемычки просто выкусывают, причем там, где выкусывают перемычку по ряду "а", сохраняется перемычка по ряду "б" и наоборот. На рис.5 показано, какие перемычки выкусывают, а какие сохраняют для приведенного примера на 167 В.

Сетевой источник переменного тока Уникум

Применение программируемых фишек удобно тем, что любой прибор с напряжением питания от 1 до 255 В подключают на одно и то же гнездо трансформатора Х1, а фишка автоматически "помнит" нужное для прибора напряжение питания.

При размещении трансформатора на полу у рабочего стола на самом столе можно разместить тумблерный пульт (рис.6). Его желательно собрать на тумблерах типа ТП12 и связать с трансформатором 16-жильным кабелем.

Сетевой источник переменного тока Уникум

На рис.7 показаны два варианта принципиальной схемы такого пульта, причем вариант рис.7,б соответствует монтажной схеме рис.4. Схема рис.7,а - упрощенный вариант реализации пульта и отличается тем, что обмотки, не участвующие в получении выходного напряжения, полностью отключаются. Иногда это требуется для снижения уровня наводок от неиспользуемых обмоток. Кроме того, в этой схеме предельно простой монтаж.

Сетевой источник переменного тока Уникум

Монтажные схемы рис.8,а,б полностью соответствуют электрическим схемам рис.7.

Сетевой источник переменного тока Уникум

В заключение несколько слов о правилах техники безопасности. В промышленности используют защитное заземление и зануление приборов.

Наша бытовая сеть не очень безопасна из-за того, что используемая вилка симметрична и неизвестно, где находится земля, а где фаза сетевого напряжения. Поэтому бытовые приборы не заземляют, а в корпусе приборов могут возникать опасные напряжения. Эти напряжения могут возникать также из-за того, что на трансформаторных подстанциях существуют токи утечки и просачивания через паразитные емкости. Применение трансформатора "Уникум", благодаря гальванической развязке с сетью, позволяет избежать опасных напряжений, т.е. используемый прибор можно заземлить.

Если Вы твердо решили повторить такой источник, изготовили универсальный трансформатор, а также универсальный тумблерный пульт, то убедились в исключительном удобстве системы. Вы получили в свое распоряжение действительно уникальный источник переменного тока. Любое напряжение в диапазоне от 1 до 255 В теперь у Вас под рукой, т.е. можно оперативно получить любое в считанные секунды и провести экспериментальное или эксплутационное подключение практически любой нагрузки переменного тока 50 Гц.

Но часто возникает необходимость плавно изменять напряжение на нагрузке. Обычно для этого используют ЛАТР, но он небезопасен. У нас же пока был в распоряжении тумблерный пульт - очень удобное изделие, и с его помощью можно изменять напряжение с шагом 1 В, но практические манипуляции с тумблерами весьма сложны при переборе двоичного кода, хотя при навыках могут выполняться весьма быстро.

Предлагаю дополнить систему "Уникум" устройством - механической машинкой для плавного (с шагом 1 В) набора напряжений 1-2-4-8-16-32-64-128 В от универсального трансформатора "Уникум". Изделие вполне можно реализовать в домашних условиях с минимальным применением токарных работ. Это чисто механическое устройство (точнее, электромеханическое). Изменение выходного напряжения осуществляется вращением ручки на 16 В/1 оборот, причем вращение ручки по часовой стрелке увеличивает напряжение, а вращение против - уменьшает.

Изделие легко модернизировать: вместо ручки можно установить электропривод (электромотор с редуктором), а управлять с помощью переключателя типа "балаксир" (для реверса электродвигателя). Установка электропривода предусмотрена конструкцией (рис.9) и не потребует переделки конструкции с ручным приводом, описание которой предлагается ниже.

Сетевой источник переменного тока Уникум

Предлагаемое изделие представляет собой барабанный программируемый (или кодированный) переключатель на 256 положений. Собственно электрическую коммутацию напряжений с обмоток трансформатора осуществляют восемь микропереключателей SA1-SA8 (рис.10). Коммутационная схема идентична примененной в конструкции тумблерного пульта и программируемой заглушки на тумблерах, описанных ранее, а вот переключаются они программно, механическим способом (нажатием на соответствующие толкатели микропереключателей).

Сетевой источник переменного тока Уникум

Для упрощения реализации переключатели разделены на две группы (блоки): блок SA1-SA4 предназначен для коммутации напряжений 1, 2, 4 и 8 В соответственно, а блок SA5-SA8 - для коммутации напряжений 16, 32, 64 и 128 В соответственно. Конструктивно в предлагаемой реализации применены микропереключатели типа МИЗ (3А, 250 В), собранные в два идентичных блока по 4 шт. с шагом 10 мм с использованием текстолитовых наборных прокладок и двух стальных Г-образных кронштейнов для установки на плоскость основания. Блоки стянуты 4 шпильками (или винтами) с резьбой М2,5 длиной 40 мм. Вся электрическая схема (в т.ч. предохранитель FU1, выходные гнезда-зажимы ХТ1 и ХТ2 и ввод кабеля, армированного на другом конце вилкой РП14-16) смонтирована на монтажном основании - пластина из гетинакса толщиной 8-12 мм на 4 резиновых ножках (пробки от медицинских флаконов).

Механическая часть построена по принципу барабанного программируемого переключателя. Причем используются два совершенно одинаковых программируемых барабана. Барабан - это механический узел для преобразования вращательного движения в нажатия толкателей микропереключателей посредством копиров на кулачках (выступах) и выключения на впадинах. По сути, барабан является монолитной сборкой из четырех программируемых дисков и дополнительных элементов (трещотка и крепления на валу).

Каждый диск представляет собой полосу на поверхности барабана с определенным распределением кулачков и впадин. Он предназначен для формирования управляющих механических воздействий для одного переключателя. Закон формирования кулачков и впадин и является программой. А процесс изготовления (формирования) последовательности впадин и выемок на дисках - программированием.

На каждом из барабанов имеется четыре диска с программированием по закону двоичного кода (рис.11). Нижний диск содержит программу для коммутации переключателя младшего разряда 1 и содержит 8 кулачков и 8 впадин, равномерно распределенных по окружности; второй снизу диск содержит четыре кулачка и четыре впадины, равномерно распределенных по окружности, и предназначен для управления весовым разрядом 2 двоичного кода; третий снизу диск содержит программу для управления переключателем весового разряда 4 и содержит 2 кулачка и 2 впадины, равномерно распределенных по окружности. И наконец, верхний диск содержит программу для управления коммутацией старшим весовым разрядом 8 и содержит один кулачок на пол-окружности и впадину на другую половину окружности. Взаимное размещение кулачков дисков по углам поворота строго определенное и соответствует развертке барабана, изображенной на рис.11 (слева), для правильного формирования двоичного кода на линии копиров, причем при правом вращении барабана код увеличивается, а при левом убывает.

Сетевой источник переменного тока Уникум

Рассмотрим электрическую часть для практических рекомендаций, чтобы дальше сосредоточиться на точной механике, поскольку электрическую схему можно смонтировать только после исполнения механической части, но заготовки узлов нужно иметь сразу. По блокам переключателей рекомендации следующие: рекомендуемый шаг между толкателями МИ3=10 мм. При толщине переключателей 7 мм это позволит с помощью прокладок точно установить их с нужным шагом и изолировать друг от друга (особенно выводы), при этом (перед сборкой) следует притереть боковые поверхности на абразивной плоскости, чтобы избежать повреждений и заклинивания (сошлифовать рельефные надписи, технологические наплывы и другие неровности) при затяжке шпилек.

Установить их следует так, чтобы все четыре толкателя находились строго в линию и одинаково выступали над блоком переключателей (возможно придется отобрать микропереключатели, идентичные друг другу для каждого блока, во всяком случае тип должен быть один и тот же). Выпускается разновидность переключателей МИ3-Б с поводком типа "лыжа", что на первый взгляд полностью подходит для данной реализации и упрощает механическую часть, но механическое крепление и точность работы таких поводков в качестве копиров кулачковых дисков менее надежны. Кроме того, нежелательно применять МИ3Б в варианте, в котором при нажатии поводка происходит отжим толкателя, так как при поломке такой переключатель останется во включенном положении, что нежелательно из соображений безопасности.

Высота отогнутых лап Г-образных кронштейнов выбрана 10 мм для удобства выполнения электрического монтажа и сборки блоков шпильками вне зоны изгиба. По такой рекомендации должна получиться высота блоков (без толкателей) точно 30 мм, а зазор между основанием и нижней частью блока 10 мм (для пропуска проводов электромонтажа). "Лапы" блоков из двух Г-образных кронштейнов должны образовать плоскость. При отладке высоту блоков можно регулировать помещением гетинаксовых прокладок между плоскостью "лап" блоков и основанием. Окончательное положение линий толкателей тоже выясняется в процессе отладки совместно с механической частью из условия четкого переключения и выбора люфтов в передаче барабан - копия - толкатель переключателя. Окончательное крепление блоков осуществляется 4 винтами М3 (по два на "лапу") к основанию.

Для отладки рекомендую собрать приставку-отладчик (рис.12) на 8 электрических лампочках и гнезде РЛ14-16. Перед отладкой собранные блоки переключателей (но не закрепленные) соединяют в электрическую схему. Вилка кабеля подсоединяется от гнезда отладчика, а внешнее напряжение (постоянный или переменный ток) номинальное для ламп накаливания, например 6,3 В, подается от внешнего БП или трансформатора на общий провод лампочек (провод "С") и контакты гнезда (ряд "а", провод "d"), а также (для индикации включения SA8) провод "d" следует соединить и "с" клеммой ХТ1.

Сетевой источник переменного тока Уникум

При нажатии толкателя соответствующего переключателя должна загораться соответствующая лампа отладчика. Предлагаемый отладчик может служить штатным тестером изделий серии "Уникум" для проверки запрограммированных фишек, исправности и состояния тумблерных пультов и других изделий в процессе изготовления и эксплуатации, если провода "с", "d" армировать фишкой на основе вилки РП14-16 с запрограммированным номинальным напряжением ламп (не более 36 В, для безопасности). Только после проверки коммутационной схемы отладчиком можно утверждать, что изделие соответствует стандарту "Уникум", работает правильно и точно.

Приборные клеммы-гнезда ХТ1 и ХТ2 для удобства подключения нагрузок и монтажа в конструкции мех. машинки следует закрепить на гетинаксовой пластине толщиной 3...4 мм (размер уточняется при компоновке) с расстоянием в осях гнезд 29 мм, а пластину окончательно закрепить у переднего края основания на уголках. Аналогично у заднего края основания закрепить держатель плавкой вставки FU1 типа ДПБ, ДПВ или подобные. Кабель ввода от трансформатора (16 жил сечением 1 мм2 общей изоляции) закрепляем у заднего края основания с помощью стального хомута (скобки). Первый барабан получает вращение непосредственно от рукоятки или низковольтного электропривода, а второй вращается в 16 раз медленнее первого и получает вращение через зубчатую цилиндрическую передачу от вала первого барабана. Таким образом, получается, что диск младшего разряда на барабане II коммутирует весовой разряд 16, а остальные соответственно 32 (2 на первом барабане), 64 (4) и 128 (8). Для удобства реализации зубчатую передачу выполняют двухступенчатой. Во-первых, это уменьшает размеры редуктора (большая шестерня для передаточного числа 1/16 слишком большого диаметра), а во-вторых, получаем вращение обоих барабанов в одну и ту же сторону, что собственно и позволило изготовить совершенно одинаковые барабаны.

Передаточное число 1/16 получаем последовательным соединением одинаковых передач на зубчатых шестернях с отношением числа зубьев (передаточное число) 1/4.

Блок из двух промежуточных шестерен закрепляем на промежуточной оси или валу посредине между осями основных валов с барабанами I и II. Соответственно барабан I коммутирует блок переключателей SA1-SA4, а барабан II - блок переключателей SA5-SA8.

Поскольку барабан с программируемыми дисками является циклическим источником кода с бесконечной разверткой, то применяется ограничение циклов перебора ввиду нежелательности скачка кода из 255 в 0 при увеличении и особенно из 0 в 255 (ведь это будут напряжения!) при повторе цикла. Поэтому на втором барабане устанавливаем упор ограничитель (ввиду реальных размеров штыря и винта придется пожертвовать одной позицией в коде либо "0", либо "255" во имя все той же безопасности).

А для сохранения механизма (момент на II валу в 16 раз больше вращательного момента на I и может запросто смять упор) передача вращения на первый вал осуществляется посредством муфты с ограничением вращательного момента (при превышении которого она начнет проскальзывать).

То, что обозначено на рис.11 как позиции, практически означает положение линии копиров (кулачков на поворотах переключателей).

Копиры отслеживают рельеф дисков и посредством рычагов передают усилия на толкатели переключателей. Позиции показывают устойчивое положение линии копиров, в отличие от разметки в градусах, и сдвинуты относительно ее на 11°15' (половину углового шага барабана).

Для четкой фиксации положения барабана I в позициях копиров на барабане I устанавливаем трещотку (шариковый фиксатор, подобный применяемым в конструкциях галетных переключателей), а на правом краю барабана засверливаем 16 конических отверстий, равномерно распределенных по окружности. Трещотка нужна и для того, чтобы ручка (рукоятка) и другие разбалансы масс не могли сдвинуть барабан самопроизвольно с установленной позиции кода.

Такие же углубления выполнены и на II барабане, где тоже можно установить трещотку, но уже в паре со специальной муфтой, обеспечивающей скачкообразное перемещение II барабана. Это труднореализуемый узел, и поэтому я его не применял, но если возникнут трудности с отладкой, то такой узел можно ввести в конструкцию.

Основная трудность заключается в том, что необходимо выполнить прецизионные плавные переходы от кулачков к впадинам особенно и особенно точно их следует выполнить на II барабане.

Положения трещотки и упора на чертежах показаны условно, их надо уточнить при отладке. Оба барабана на валах следует закреплять строго одинаково (в позиции "0" строго вертикально вниз на линии копиров). Основную зубчатую передачу желательно применить на разных шестернях (безлюфтовую).

Кроме основной передачи имеется вспомогательная - на счетчик. Ее передаточное число (суммарное) должно быть 1,6 (16/10 или 5/8), т.е. вал барабанного счетчика (например, от магнитофона) должен вращаться в 1,6 раза быстрее, чем вал I машинки и за один оборот вала I изменять свои показания на 16 единиц. Количество шестерен в передаче не ограничено и может быть любым как четным (для счетчиков левого вращения - цифры выскакивают снизу), так и нечетным.

Применение резинового пассика нежелательно, поскольку счетчик должен быт установлен один раз после отладки, а кнопку сброса убираем. А вот для передачи вращения от электропривода применение ременной передачи желательно, так как упругие деформации и проскальзывания обеспечат псевдоскачкообразное вращение вала I, ограничат максимальный вращательный момент с привода и компенсируют инерцию привода.

Сама муфта для ограничения вращательного момента представляет собой блок из двух дисков: ведущего с приводом от ручки или шкива, надетого на вал I, и ведомого диска, жесткозакрепленного на валу I с коническим углублением для шарика. Шарик установлен на ручке при замкнутой муфте в одном определенном положении для определения напряжения по положению ручки в пределах 1-го оборота I барабана. При превышении вращательного момента с привода определенной величины (на конечном упоре) шарик выталкивается из углубления ведомого диска и прокатывается по его поверхности.

Для выборки износа дисков в процессе эксплуатации ведущий диск дополнительно подпружинен с торца (пружина между стопорной шайбой и торцом втулки диска). На втулку (цилиндрическую часть) ведущего диска для закрывания стопорной шайбы навинчена глухая гайка (колпак), а в варианте с ручным приводом на ней закреплена планка рукоятки.

Узел упора представляет собой штифт D4 мм на II барабане и упорный винт М5 на щеке неподвижной части механизма. Валы (основные) имеют диаметры 6 мм. Барабаны, диски и шестерни закрепляют на винтах М3 (по 2 шт. под углом 90° относительно друг друга). Можно использовать вместо одного винта штифт в засверленных после отладки отверстиях (аккуратно забивать). Так надежней. Заготовки для барабанов лучше всего выточить на токарном станке из бронзы (она хорошо обрабатывается и медленно изнашивается) или твердого алюминиевого сплава (дюралюминий), но можно выточить из твердой пластмассы, например, эбонита или твердого полиэтилена (обрабатывается еще легче и имеет малое трение на концах).

Для обеспечения точного вращения валы барабанов установлены в подшипники №35-26 (для валов D6 мм).

Подшипники, выточенные из стали, запрессованы в обоймы для крепления на плоскость (планшайбы). Промежуточные шестерни основной передачи можно насадить на ось (короткую или длинную для обеспечения жесткости без подшипников) или на свободно вращающийся промежуточный вал в подшипниках (лучшее, но более дорогое решение).

Вся механическая часть представляет собой моноблок, выполненный между двумя щеками из стали толщиной 1,5 мм. Расстояние (60 мм для барабанов шириной 57 мм) между щеками фиксируют двумя распорными призмами - плоскопараллельные бруски из стали 60х45х8 мм с резьбовыми отверстиями М3 с торцов (по 2 шт. с торца, рис.13 и 14). Щеки механического блока имеют отгибы по 10 мм у нижнего (лапы) и верхнего (площадка для электропривода или крепление крышки корпуса с закрепленными снизу гайками М3) крепления. Эти отгибы и распорные призмы обеспечивают жесткость и геометрическую неизменяемость конструкции. В верхней передней части (рис.13 и 14) щеки подрезаны под углом 45° для удобной установки механического счетчика (в основном для удобства съема показаний с барабана).

Сетевой источник переменного тока Уникум

Сетевой источник переменного тока Уникум

Сверлить отверстия в щеках нужно совместно (после разметки их временно следует стянуть винтами), что уменьшает вероятность появления перекосов и непараллельности валов и осей. Упомянутые ранее блоки копиров выполнены из латунной полосы шириной 4,5 мм, которая огибается вокруг втулки и припаивается к пластине из двустороннего фольгированного стеклотекстолита (для жесткости и уменьшения веса). В верхней части закрепляется пружина (отрезки заводной пружины от будильника) и формируются кулачки (копиры). Верхнюю переднюю часть копиров (слева от кулачков) (рис.15) сразу не припаивают к фольге вставки, а собирают блоки из четырех копиров на оси копиров D3 мм и выставляют линию по копирам, а также одинаковую высоту и углы подгиба. Углы копира должны быть несколько "острее", чем переходы на дисках барабанов для четкого отслеживания копирами рельефа диска, но достаточно плавными для исключения механических ударов и деформации копиров.

Сетевой источник переменного тока Уникум

Окончательно блоки копиров монтируют в нижней части на осях с применением дистанционных втулок и шайб (набор для формирования шага соответствует шагу дисков). Подпружинивание копиров проводится установкой дополнительной оси-упора. Такое решение позволяет отладить механическую часть отдельно от электрической, например, в позициях "0" и "255" все копиры своими нижними поверхностями должны образовать плоскость.

После отладки механической части под барабаны подставляют блоки переключателей (как описано вначале) и проводят совместную окончательную сборку, проверку и отладку с применением электрического отладчика.

Всю конструкцию закрывают пластмассовой крышкой (склеенной, например, из коробки для овощей от холодильника), которую закрепляют четырьмя винтами М3 сверху (в варианте с ручным приводом). Она имеет соответствующие вырезы для доступа к гнездам, предохранителю, ввода кабеля, окно счетчика и отверстие для установки рукоятки. В варианте с электроприводом рукоятку не устанавливают, а корпус выполняют более высоким (для электропривода). Балансир управления электромотором закрепляют тоже в верхнем объеме у привода. Привод переменного тока, например, с электродвигателем Д32-П1 подключают так: обмотку электромотора на 127 В через С=1 мк подключают к напряжению 128 В (выводы 8а и 8в РП14-16), а обмотку на 12 В подключают к выводам 4а и 4в, 8в (можно 16в через переключатель "Реверс"). Таким образом, электропривод не требует дополнительного напряжения. Для особо четкой работы с электроприводом можно установить концевой выключатель с управлением от "трещотки" на 16 позиции I вала. Это немного сложнее.

Вторичный источник питания переменного тока "Уникум" на основе универсального трансформатора позволяет не только получить, но и удобно распределить полученные напряжения по потребителям тока, т.е. создать местную распределительную сеть, причем безопасную, что особенно важно для условий повышенной влажности. В принципе можно создать местную сеть (в доме, мастерской, гараже и т.д.) на любое напряжение до 255 В.

Создавая местную сеть, мы как бы трансформируем наш сетевой стандарт (~220 В, 50 Гц, вилка с круглыми штырями D4 мм) в какой-либо другой с частотой 50 Гц, например европейский (220 (230) В, вилка с круглыми штырями D5 мм и заземлителем), корейский (110/220 В, вилка с плоскими штырями) и т.п.

Наибольший интерес для создания безопасной сети имеет, видимо, "евростандарт", поскольку шнур, вилка и розетка имеют заземлитель, соединенный с корпусом прибора. Бытовых электроприборов и инструмента в последнее время появилось очень много и в основном с "евровилкой". Простая замена отечественной розетки или доводка "евровилки" (толстый штырь) только снижает безопасность использования электроприборов в отечественной сети, поскольку приходится отказываться от заземления корпуса прибора.

Полноценное безопасное подключение в нашей сети возможно только через разделительный трансформатор таких приборов с устройством контура заземления. Конечно же, снабжать каждый прибор разделительным трансформатором невыгодно, но заземление установить можно и нужно. Причем при питании прибора через разделительный трансформатор малой мощности требования к заземлению (<4 Ом) несколько снижены и использованы естественные заземлители типа труб водопровода (кстати, водопровод заземляется и должна заземляться ванна - там есть даже полоса или винт) или отопления, арматура.

Более важным, пожалуй, является выравнивание потенциалов (наведенных и статических) корпусов приборов и окружающих электропроводящих предметов (в т.ч. трубопроводов и приборов, отопления, водопровода, канализации, полов, стен).

Здесь я и предлагаю многорозеточный (8 шт.) распределитель в стандарте "евро", где корпусы приборов соединяют между собой и заземляют. Кроме того, имеются фильтры импульсных помех и предохранители, а также можно дополнить и современными "наворотами" типа варисторных поглотителей перенапряжений и т.п.

Распределим напряжение с трансформатора "Уникум", полученное посредством программируемой фишки (обычно 220 В, но можно и другие, например, 110, 127, 240 В и т.п.)). Есть смысл выполнить несколько таких распределителей под разные стандарты (розетки и напряжения) по потребности.

Дроссели L2-L9 представляют собой ферритовые кольца К22х16х5, на которые намотаны 30 витков провода МГШВ 0,75 в два провода, при этом начала обмоток подключены на линию напряжения, а концы - на розетки.

В качестве общего (входного) фильтра лучше всего использовать готовый фильтр, например, от телевизора с импульсным БП (C1, L1, C2, C3). Для работы с трансформатором мощностью 400 Вт необходимы предохранители FU1 и FU2 на 3 А. Несколько усложнив распределитель, хорошо ввести управление, т.е. коммутацию нагрузок на линию напряжения. Практически это удобно, поскольку экономит драгоценное время и делает работу более удобной (с любыми электроприборами).

Кому не известны "заботы" с поиском нужной вилки, из десятков попадающихся под руку, и постоянная нехватка розеток со всеми этими тройниками и удлинителями. При этом всегда (по иронии) получается, что вилка нужного (вот сейчас) прибора в розетку не включена, зато включено множество ненужных, а среди них обязательно вилка от того прибора, который понадобится включить через минуту, вот именно она и будет выдернута и отброшена подальше (чтобы веселей было искать, а весь процесс стал затяжным и нелепым).

Я предлагаю вставить хотя бы восемь вилок наиболее часто в данное время включаемых электроприборов в предлагаемый распределитель, включить на приборах сетевые выключатели, а управлять их включением с небольшого пульта на столе (места почти не займет, у меня получилось 200х35х25 мм). При этом сам распределитель может находиться на полу или на стене, а все шнуры не будут путаться и "маячить" перед глазами. Посмотрите рис.16, как это может выглядеть, и рис.17, как это просто можно сделать. Нужно только найти достаточно надежные реле в количестве 8 шт. Я рекомендую РЭН34 - малогабаритные и способные коммутировать переменный ток 2 А при напряжении 250 В.

Сетевой источник переменного тока Уникум
(нажмите для увеличения)

А вообще, следует договориться на будущее, чтобы реле потребляли ток не более 150 мА (ток срабатывания) и имели напряжение срабатывания в пределах 10-15 В, т.е. рабочее ~20 В. Именно такое напряжение получится из переменного 16 В, которое удобно взять от 5-й обмотки универсального трансформатора, т.е. с выводов 5а и 5б РП14-16 (Х1), выпрямить его (VD1-VD4, C4, рис.17) и коммутировать с пульта управления на обмотки реле. То, что мы будем использовать для питания схемы управления 5-ю обмотку, вовсе не означает, что ее следует обходить при наборе основного напряжения. Важно только, чтобы силовые цепи больше не имели связи со схемой управления, а пульт для этого не имел на своей поверхности металлических деталей, связанных, допустим, с общим проводом кнопкой.

Сетевой источник переменного тока Уникум
(нажмите для увеличения)

Правда, возможен экстремальный случай, когда 5-я обмотка, включенная в цепочку основного напряжения, вдруг оборвется, тогда, действительно (если подключена нагрузка), схема управления окажется под повышенным напряжением, но это уже неисправность.

Для такого случая обмотку 16 В подключают к выпрямителю схемы управления через предохранитель FU3 на 1 А, а параллельно конденсатору С4 устанавливают защитный стабилитрон на напряжение, больше нормального и безопасного для остальных элементов схемы управления (С4, светодиоды). В данном случае я установил Д816В на 35 В. Тогда при появлении вместо 16 В повышенного напряжения на схеме управления оно вырастет до 35-38 В, после чего стабилитрон пробьется и сгорит предохранитель FU3. Основное напряжение тоже подключено через два предохранителя FU1 и FU2 для минимизации потерь в экспериментальных ситуациях.

Светодиоды индикации включения розеток вместе с токоограничительными резисторами (HL1-HL8, R1-R8) и диоды гашения обратной ЭДС самоиндукции VD6-VD13 подключены параллельно обмоткам реле.

Свободные выводы обмоток реле я подключал на гнездо нового соединителя, в качестве которого рекомендую РГ1Н-5-9 на 16 контактов для соединения с пультом управления гибким (пока 10-жильным) кабелем длиной 1500 мм. Пульт управления (миниатюрный) можно закрепить и на самом распределителе (на коробке с общими узлами, где написано "Уникум", рис.16), как вариант реализации управления, но удобнее дистанционный.

Кроме восьми основных выключателей с фиксацией, например ПД1, пульт снабжен общим выключателем SA9, который включает или выключает весь набор включенных выключателями SA1-SA8 розеток (приборов, включенных в них). SA9 должен быть несколько мощнее, например, типа П1Т, и отличаться от остальных. Включение пульта выключателем SA9, т.е. подача питания на схему управления (в данном случае простейшую) индицирует светодиод HL9. Пульт управления выполнен в подходящей коробке (260х35х25 мм на перечисленных элементах, но может быть и гораздо меньше).

Сам распределитель при использовании типовых розеток для открытой установки (60х60 мм) смонтирован на доске (из дерева, мебельной ДСП, текстолита и т.п.) размерами 90х590 мм толщиной 8-25 мм. В полосе вдоль розеток шириной 30 мм размещены реле К1-К8 и смонтированные на них элементы, а также фильтры L2-L9 (если не помещаются в розетках). Они закрываются Г- или П-образной крышкой с отверстиями для линз светодиодов (или окнами-светофильтрами с номерами). Общие узлы распределителя: выпрямитель, входной фильтр, предохранители, разъем управления, клемма заземления смонтированы в отдельной коробке (90х100х45 мм) на краю доски (рис.16).

Для установки распределителя на стене с обратной стороны доски-основания укреплены планки с отверстиями для навески на головки гвоздей с соответствующими углублениями под них.

Я думаю, что прозорливый читатель, искушенный в радиоэлектронике, заметил то, что источник "Уникум" не так прост и скрывает новые возможности, которые связаны с цифровым управлением. И это действительно так, а чтобы реализовать эти возможности, следует перейти на новый уровень управления источником.

Частично идея слаботочного управления рассмотрена на примере многорозеточного распределителя, где предложены пульт "Уникум II" и питание схемы управления от одной из обмоток универсального трансформатора (5-й, ~6 В). Повторив схему многорозеточного распределителя, но подключив контактные группы реле по схеме коммутации обмоток трансформатора, применяемой ранее в тумблерных конструкциях и механической машине, получим переходной релейный блок (рис.18). Теперь в новый пульт нет необходимости вводить все напряжения, а достаточно подвести 10 проводов в гибком кабеле (8 шт. для тока до 150 мА и 2 шт. по 2-4 провода для подачи питания в пульт управления - пока для одного светодиода HL9 по +20 В достаточно 1-2 проводов, а для возможного отбора тока до 1 А и сохранения гибкости кабеля с проводами одинакового сечения около 0,1 мм2 - 16 проводов) и армировать фишкой РШ2 на 16 контактов (Х2 на рис.18 и дальше).

Сетевой источник переменного тока Уникум

Предлагаю простую и понятную распайку контактов соединителя, т.е. провода коммутации обмоток реле на общий провод от реле К1-К8 распаиваем в один ряд, начиная с №1 и по контакт №8 соответственно, а для общего провода (-) и питания +20 В берем по два контакта по краям второго ряда и оставляем четыре свободных контакта в середине второго ряда №11, 12, 13, 14, которые сейчас не распаиваем, но в дальнейшем задействуем.

Соединитель РШ2 - добротный отечественный соединитель и часто встречается в радиоприемниках. Разумеется, можно применить и какой-либо заграничный коннектор, но я не думаю, что современные штампованные соединители надежнее. Это же относится и к предложенному ранее соединителю 1-го уровня РП14.

Силовые провода первого уровня с соединителя Х1 типа РП14 можно укоротить (в тумблерном пульте и механической машинке этих проводов было 18 м (16 х 1,1))! И все они как бы удлиняли обмотки трансформатора, и по ним же протекал весь ток нагрузки, естественно, что это дополнительные потери, особенно для низковольтных обмоток. Такова была плата за простоту реализации, правда, эта нерациональность исключалась в конструкциях программируемых фишек, где эти провода сразу же на соединителе РП14 исключались и выводились только необходимые в виде выходного кабеля. Но я думаю, и Вы согласитесь со мной, что от ранних возможностей прямой коммутации напряжений при переходе на новый уровень управления отказываться не стоит, т.е. есть смысл оставить трансформатор "Уникум" в предложенном ранее виде и не встраивать в него, релейный блок или тумблеры или механическую машинку. Я знаю, что многие из Вас хотели бы довести трансформатор "Уникум" "до ума" именно таким путем, т.е. что-то в его корпус еще встроить. А я говорю: "Не нужно ничего встраивать, а лучше надстроить!". Посмотрите рис.19, где релейный блок "сидит" на трансформаторе. Как видите, релейный блок и трансформатор представляют собой изолированные объемы (при выполнении корпусов в стали магнитное поле рассеяния трансформатора не воздействует на реле, а благодаря наличию зазора между корпусами высотой в ручку для переноски трансформатора (~40 мм), тепло, выделяемое силовым трансформатором, практически не нагревает релейный блок).

Сетевой источник переменного тока Уникум

Четыре длинных направляющих стойки защищают ножи вилки релейного блока от повреждений при хранении. На верхней плоскости трансформатора дополнительно выполнены ответные направляющие втулки-гнезда. Аналогичным образом можно выполнить и механическую машинку, но только с электроприводом (потому что вращать ручку на уровне ~40 cм от поля неудобно), а пульт-балансир реверса электродвигателя поместить на столе так же, как тумблерный пульт и пульт управления описываемым релейным блоком. Слаботочный пульт управления подключается в установленное на верхней плоскости релейного блока гнездо Х2 типа РГ1Н-1-5, шлейфом к которому и является фишка РШ2 исполнения Н1-29 или подобная на 16 контактов.

Пульт управления имеет светодиод индикации включения HL9 и общий выключатель всех 8 линий управления SA9, он может служить ключом аварийного сброса набранного выключателями SA1-SA8 напряжения, а также включения набранного без коммутации обмоток (предварительно) напряжения (тумблерный пульт такой функции не имел).

Релейный блок имеет восемь светодиодов HL1-HL8 индикации подачи напряжения на обмотки каждого реле блока (косвенно включения и индикации выбранного напряжения). Однако пересчет напряжения по светодиодам не очень удобен, поэтому релейный блок можно снабдить вольтметром переменного тока для индикации фактического (а не расчетного) напряжения на выходе блока. При использовании стрелочного прибора (вольтметр PV1 на рис.19) возможны автоматическая (с помощью дополнительных контактных групп реле К1К8) коммутация пределов измерения (добавочных резисторов) и соответствующая их индикация светодиодами. Может быть, например, два предела измерения 30 и 300 В, при этом предел 300 В может выключаться автоматически при включении любого реле К6, К7 или К8 и их комбинации, т.е. при расчетном напряжении 32 В, а предел 30 В при расчетных напряжениях до 31 В.

Для практической реализации автоматической коммутации пределов измерения достаточно стрелочного вольтметра переменного тока с пределом измерения 30 В и отдельного добавочного резистора к нему для расширения предела измерения до 300 В, а также наличия у реле К6, К7 и К8 дополнительных контактных групп на размыкание, которые следует соединить последовательно, и всю гирлянду из этих 3 групп подключить параллельно добавочному резистору вольтметра. При этом можно оставить в блоке всего три светодиода HL6, HL7 и HL8 красного цвета свечения, которые собрать в один "глазок", он и будет индицировать повышенное выходное (32 В) напряжение блока и автоматическое включение предела 300 В вольтметра.

В конструкциях релейных блоков можно применять различные типы электромагнитных реле с напряжением срабатывания в диапазоне от 9 до 15 В и током обмотки <150 мА, т.е. мощностью в обмотке до 3 Вт. Например, для работы с трансформатором мощностью до 200 Вт вполне применимы реле типов РЭС9 (паспорт РС4.524.201) и РЭС22 (паспорт РФ500.131) с параллельным включением контактных групп. Для трансформаторов мощностью 400 Вт хорошими реле являются РЭН34 (паспорт ХП4500030-01), отобранные по напряжению срабатывания, тоже с параллельным включением контактов. Для работы с трансформаторами мощностью более 400 Вт хорошую надежность показали реле типа РЭН33 (паспорт РФ4510022) и контакторы серии ТКЕ (ТКЕ103ДОД). Перспективным может быть применение автомобильных 24 В реле серии 3747, однако они не очень надежны и имеют не очень качественную изоляцию.

При изготовлении релейного блока следует иметь ввиду, что электромагнитные реле ни в коем случае (даже если они в стальных кожухах) нельзя размещать вплотную друг к другу. Дело в том, что обмотки включенных реле создают общее магнитное поле (и довольно мощное). И может получиться так, что после включения всех или какой-то части реле при обесточивании обмотки одного из них контактная группа его не переключится потому, что якорь этого реле будет удерживаться суммарным полем включенных реле, расположенных рядом и слишком близко от него. А при размещении блока реле слишком близко от мощного силового трансформатора на это суммарное поле будет наложено еще и магнитное поле рассеяния трансформатора, что может вызвать и другой вид паразитной коммутации в виде вибрации магнитной системы какого-либо реле блока (например, с ослабленными возвратными пружинами). Поэтому вариант релейного блока, показанный на рис.19, мне кажется оптимальным (стальной кожух блока и размещение блока над трансформатором со значительным зазором (40 мм)). Магнитное поле рассеяния трансформатора ослаблено в большей степени, и длина соединительных проводов получается минимально возможной.

Для установки и плавного набора напряжений от универсального трансформатора посредством релейного коммутатора удобно применять электронный пульт управления на реверсивных счетчиках.

Предлагаемое изделие обладает рядом дополнительных функций и удобств, реализация которых средствами точной механики чрезвычайно сложна и практически нереализуема в любительских условиях. К таким новым возможностям следует отнести сочетания режимов прямого набора двоичного кода, аналогичные работе тумблерного пульта, и последовательный перебор позиций кода как в пошаговом режиме с ручным управлением, так и в автоматически ускоренном, что эквивалентно работе механической машинки с ручным и электрическим приводом соответственно, а также возможность возврата из любой набранной комбинации мгновенно на предварительно установленную переключателями или сброс в нуль простым нажатием кнопки.

Непросто выполнить в механике также и переставляемый упор-ограничитель максимального значения кода (напряжения), который может действовать вместе с известными ограничителями по максимуму (255) и минимуму (0).

Выходы электронного пульта в виде гибкого тонкого кабеля, армированные вилкой РШ-2, действуют аналогично выключателям SA1-SA8 пульта "Уникум 2" и способны непосредственно коммутировать обмотки реле с токами до 150 мА. По этому же кабелю подается питание схемы + 20 В с максимальным током около 150 мА от релейного блока, но имеется возможность питать пульт и от отдельного источника 9-15 В (среднее значение 12 В постоянного тока).

Пульт представляет собой конструктивно законченное изделие и в изготовлении конструкции намного проще той же механической машинки.

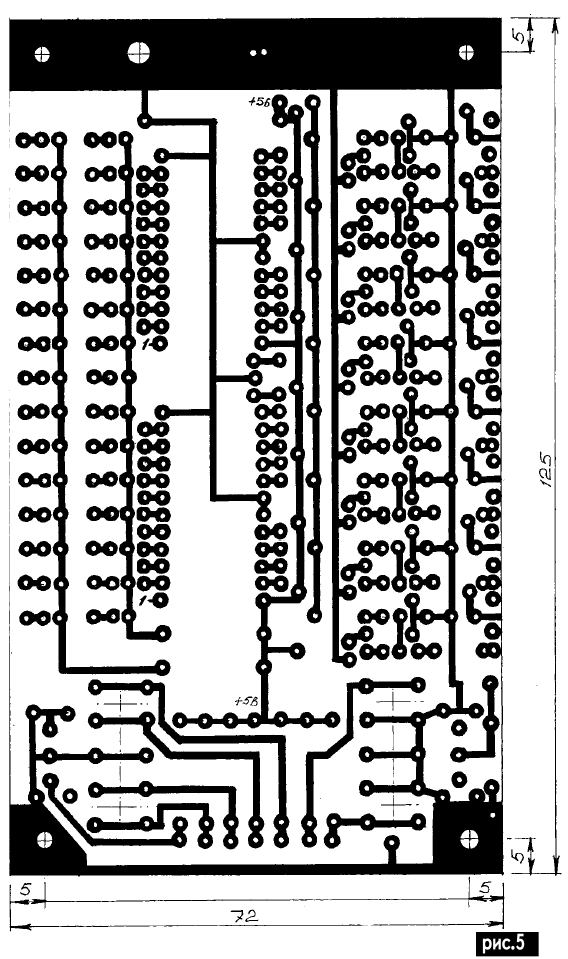
Основой конструкции пульта является верхняя панель из оргстекла толщиной 3 мм и размерами 150 х 80 мм (рис.20), к которой снизу прикреплены четырьмя винтами М 2,5 с распорными втулками две печатные платы электронной схемы (рис.21) размерами 125 х 72 мм (на рис.20 винты по углам пунктирного контура, который показывает периметр печатных плат под панелью). По рис.21 видно, что верхняя печатная плата 1 является фальшпанелью, а печатная плата 2, выполненная в планарном варианте (поверхностный монтаж на верхней стороне платы), является дном конструкции (изоляционное основание без отверстий для элементов)

Сетевой источник переменного тока Уникум

Сетевой источник переменного тока Уникум

Таким образом, без коробки корпуса получается практически закрытая конструкция, высота (толщина) которой может составлять всего 20 мм, и ее можно какое-то время эксплуатировать без корпуса, обычно до тех пор, пока на электронную плату не попадет какая-либо железка и не выйдет из строя, например, какая-то микросхема, поэтому я рекомендую не злоупотреблять такой возможностью и позаботиться о коробке корпуса, в которой эту конструкцию легко закрепить четырьмя винтами М 2,5 через отверстия в переднем и заднем сваях панели (рис.20).

На верхней панели (рис.20) кроме описанных крепежных отверстий выполнены прямоугольные вырезы под поводки 10 переключателей, 4 толкателей кнопок и круглые отверстия для линз 39 светодиодов (одно отверстие ?5 мм и 38 ?3 мм). Линзы светодиодов должны "выглядывать" над поверхностью панели не более чем на 1,5 - 2 мм для невозможности вдавливания их пальцами с отрывом дорожек платы 1.

Все надписи верхней панели выполнены на листе плотной бумаги с размерами и всеми отверстиями верхней панели, и этот лист подложен под прозрачную панель (оргстекло).

Верхняя панель пульта - панель органов управления и индикации (рис.20) содержит т.н. (по военной терминологии) "вычислитель" для быстрого перевода двоичного кода (Bin) в десятичный (Dec) и шестнадцатиричный (Hex) и обратно.

Светодиоды - подсказки, зажигаемые электронной схемой отражают состояние счетчиков и положение набираемого кода относительно предварительно установленного выключателями (8 шт. слева).

Включенные разряды (лог."1") двоичного кода отражаются колонкой из 8-ми желтых светодиодов, каждый из которых установлен рядом с соответствующим выключателем. Выключатели предустановки и соответствующие им индикаторы замаркированы всеми возможными способами: слева просто номера выключателей (как мы и считали их с самого начала), дальше колонка со степенями двойки (показатели степени обычно используют для обозначения веса разрядов в цифровых схемах и программах, они отличаются от позиционных номеров тем, что всегда на единицу меньше, т.е. счет начинается с нуля) и, наконец, справа от светодиодов знакомые нам значения веса разрядов двоичного кода. Желтые светодиоды не всегда светят напротив включенных выключателей предварительной установки.

На рис.20 показан пример, который может получиться после нажатия кнопки установки (загрузки) "Set" или включения питания пульта в положении "S" переключателя "Begin" начальной установки, или в результате остановки перебора кода кнопками "Up" и "Down", или на переставляемом упоре после блокировки кнопки "Up" в положении "L" переключателя "LIMIT". Это состояние (равенства предустановки и набранного значения кода) отражает большой светодиод по центру панели желтым цветом свечения. Во всех остальных случаях этот светодиод светится либо зеленым цветом (если набранный код меньше предустановки), либо красным (если набранный в счетчиках код больше предустановки). Управляет этим светодиодом специальная электронная схема, называемая цифровым компаратором (схема сравнения).

Наличие такого индикатора весьма удобно при пересчетах кодов и, кроме того, это единственный (из 39) светодиод, который останется светиться после нажатия кнопки сброса "Reset" (зеленым цветом, если есть предустановки, и желтым, если нет), сигнал "Вкл".

Собственно функцию "вычислителя" выполняют 30 светодиодов, размещенных и подписанных, как показано на рис.20 справа. Эти светодиоды собраны в две колонки по 15 шт. в каждой. Светодиоды левой колонки красные, замаркированы числами, кратными 16 (от 16 до 240), и отражают состояние дешифратора старших четырех разрядов двоичного кода, а светодиоды правой колонки замаркированы числами от 1 до 15 (слева) и цифрами гексадецимального (шестнадцатиричного) кода (справа) от 1 до f и отражают состояние дешифратора младших четырех разрядов двоичного кода (иногда называют тетрадами или нибблами старшим и младшим соответственно).

При переводе в шестнадцатиричный (Нех) код цифры правой и левой колонок равны и так и записываются, а при переводе в десятичный (Dec) код следует суммировать число, подсвеченное зеленым и красным светодиодами. Следует отметить, что нули не индицируются, и то, что в красной и зеленой колонках может гореть только один светодиод (если светодиод не горит в какой-либо колонке, значит, там нуль), а также то, что сумма чисел красной и зеленой колонок равна всегда сумме чисел желтой колонки.

Удобство "вычислителя" как раз и состоит в том, что суммирование различного количества чисел (до 8 при 255) по желтым "весовым" светодиодам сводится к сложению максимум двух чисел зеленой и красной колонок, что легко и быстро делятся в уме. По примеру рис.20 для десятичного числа 167: отчетливо видно, что 167 = 160 (красных) + 7 (зеленых), а в двоичном коде это 10100111 т.е. нужно суммировать 5 чисел (желтых) 167 = 128 + 32 + 4 + 2 + 1 и уж проще всего получается в шестнадцатиричном коде, где 167 = А7 и суммировать вообще ничего не нужно. И еще ведь 30 значений, надписанных у красных и зеленых светодиодов, тоже считываются напрямую (если другая колонка погашена).

Верхнюю панель и электронный кабель обслуживает электронная схема рис.3. Основой схемы является 8-разрядный реверсивный двоичный счетчик, собранный на двух 4-разрядных счетчиках 533ИЕ7 (DD1, DD2). Соединение микросхем DD1 и DD2 реализовано соединением выходов переноса (вывод 12) и заема (вывод 13) со входами суммирования (вывод 5) и вычитания (вывод 4). Счетные входы младшей тетрады байта подключены через элементы И DD8 к схеме управления и ограничения счета.

Входы данных DD1 и DD2 подключены к выключателям предварительного набора установок SA1-SA8 и резисторам формирования лог."1" R1R8 для соответствующих выключателей, которые в замкнутом положении формируют лог."0" на линиях А0-А7. Загрузка данных (байта) в счетчик производится при лог."0" на входе разрешения параллельной загрузки (выводы 11 DD1 и DD2 объединены). Для ручного управления загрузкой (установкой) служит кнопка SB1 "S" (Set - установка) на верхней панели.

Автоматическая загрузка в счетчик байта, набранного предварительно выключателями SA1 - SA8, может происходить при включении пульта (подаче питания на схему), если переключатель начальной установки SA9 будет находиться в верхнем положении, в противном случае после подачи питания счетчик установится в нулевое положение независимо от имеющейся предустановки.

Кнопка управления SB2 "R" (Reset - сброс) тоже выполнена с замыканием на общий провод для начальной установки. Но импульс сброса счетчика должен иметь уровень лог."1". Поэтому кнопка SB2 должна подключаться к этим входам через инвертор.

Инвертор на элементе DD6.1 кроме инвертирования сигнала с кнопки "R" выполняет логическую функцию ИЛИ для низких уровней по входам, что позволило выполнить на нем и ограничитель счета cнизу. Для этого оказалось достаточным соединить выход счетчика (вывод 23 DD1) со входом 12 элемента DD6.1. Организовать таким же простым образом ограничение счета сверху не удается. Поэтому введена микросхема DD9, на выходе которой получаем сигнал лог."0" в позиции кода 255, который закроет элемент И DD8.1 на счетном входе суммирования счетчика. Это и есть верхний ограничитель счета.

Упомянутое выше плавающее ограничение (по предустановке) реализовано применением 8-разрядного компаратора, собранного на микросхемах 533СП1 (DD10 и DD11) с наращиванием разрядности.

Режим работы (вид выходных сигналов) зависит от включения входов компаратора младших тетрад (входы 2,3,4 DD11). Во включении, показанном на рис.3, эти входы подключены к лог."1", поэтому на выходах компаратора будут следующие уровни: на выходе "=" вывод 6 DD10 появится высокий уровень при равенстве слов А и В и низкий во всех остальных случаях, на выходе A<B вывод 7 DD10 A>B вывод 5 при равенстве кодов будут низкие уровни.

Сетевой источник переменного тока Уникум
(нажмите для увеличения)

Если текущий код на выходе счетчика (В) будет больше кода предустановки (А), то выход 7 (A<B) DD10 перейдет на высокий логический уровень, который будучи поданным через R35 на выходной ключ VT18 закроет его и погасит зеленый диод светодиода HL39.2, в результате чего светодиод будет светиться красным цветом. Если же текущий код на выходе счетчика (В) будет меньше кода предустановки (А), то выход 5 (A>B) перейдет на высокий логический уровень, который подан через R36 на выходной ключ VT19 светодиода HL39.1, и в результате HL39 будет светиться зеленым цветом, поскольку выход 7 останется на низком логическом уровне.

Как уже отмечалось, при равенстве слов (А = В) на выходах 5 и 7 установлены уровни лог."0" и включены оба кристалла светодиода HL39 (трехвыводный двухцветный светодиод АЛС331). Для получения желтого цвета свечения ток через кристаллы должен быть разным - через зеленый (HL39.2) в 34 раза больше, чем через красный ((HL39.1). Поэтому сопротивления резисторов R45 и R6 разные. Сумма токов через светодиод не должна превышать 20 мА, поэтому ток через зеленый светодиод 15 мА, через красный - 5 мА.

Вернемся к реализации плавающего упора путем введения компаратора в схему управления счетчиком. Сигнал лог."1" с вывода 6 DD10 при А = В подается через инвертор DD6.2 на один из входов DD8.1 (инверсный сигнал L подается на вывод 5 DD8.1). При L = 0 элемент DD8.1 закрыт, если разомкнут выключатель SA10 "L" (Limit -ограничение). Этот упор дополнительный и может быть установлен в любую позицию кода, что удобно при "укороченном" диапазоне изменения напряжений. Выключателем SA10 можно ввести и полный диапазон изменения напряжений от 0 до 255 В.

Вторая позиция выключателя "Limit" имеет обозначение М (Maximum) и является только напоминанием о том, что есть верхний ограничитель, представленный сигналом М на входе 4 элемента DD8.1 и действует аналогично сигналу L, но не отключается никогда.

Сигнал М образуется на выходе 8 микросхемы DD9 8И-НЕ, которая также является компаратором, но с фиксированной установкой в позиции 255.

Элемент DD8.2 полностью не используется, входы 9 и 10 свободны и подключены к лог."1". Эти входы можно использовать для организации двух областей изменения кодов: при включенном SA10 от 0 до Limit и новой области от Limit до Maximum. Для этого потребуется еще один переключатель, коммутирующий выход DD6.2 (сигнал L) со входа 5 DD8.1 на входы 9 и 10 DD8.2.

Существует вероятность (при установленном верхнем пределе) установки счетчика в запредельные области кода в результате действия импульсной помехи. Если это случится, нужно иметь возможность быстро вернуть напряжение в лимитированную область.

Для аварийного режима существует кнопка сброса, а для просто перегрузки должна быть кнопка D (Down - вниз). Это экстремальные случаи, а вообще ТТЛ-микросхемы имеют хорошую помехоустойчивость.

Многое зависит от качества фильтрации питающих напряжений и блокировки питания. В предлагаемой схеме имеется двойная стабилизация напряжения, реализованная на интегральных стабилизаторах серии КР142 DA1 и DA2, что недорого и надежно.

На микросхеме DD5 собраны две защелки, управляемые кнопками SB3 "U" (Up - вверх) - элементы DD5.1 и DD5.2 и SB4 "D" (Down - вниз) - элементы DD5.3 и DD5.4.

Они предназначены для формирования импульсов ручного управления на увеличение (U) на уменьшение (D). Формирование заключается в подавлении дребезга кнопок и открытии элементов И из микросхемы DD8. Собственно формирователи - цепи С2,R15,R16 и С5,R23, R24.

Генератор на элементах DD7.2, DD7.3 с частотой генерации 6...10 Гц служит для реализации режима TURBO. Работа режима заключается в автоматической последовательной имитации нажатий кнопки или клавиши при ее удержании более 1,5 с. В нашем случае этот режим полезен, если нужно последовательно перегнать код на большое число позиций в ту или иную сторону. При частоте генератора 10 Гц все коды от 0 до 255 будут перебраны за 26 с.

Сигнал разрешения лог."1" подается на вход 1 элемента DD7.3 через буферный инвертор DD6.2 с узла формирования временной задержки (1,5 с), выполненного на элементе DD6.4, который при нажатии кнопок U или D отпускает времязадающий конденсатор С3, который заряжается через резистор R19 и через 1,5 с отпирает пороговый элемент на транзисторе VT17 и диодах VD1, VD2. На выходе DD6.3 появляется сигнал лог."1", и генератор начинает работу. Одновременное нажатие кнопок U и D не приводит к катастрофическим последствиям - код просто переключается попеременно на двух смежных позициях.

Четырехразрядные дешифраторы двоичного кода в унитарный 16-позиционный используют типа К155ИД3 (DD3 и DD4). Каждый из них дешифрирует свою тетраду: DD3 - старшую (линии выходов В4...В7 счетчика) и зажигает колонку красных светодиодов HL1...HL15; DD4 - младшую (линии выходов В0...В3 счетчика) и зажигает колонку зеленых светодиодов HL16...HL30. Светодиоды подключаются непосредственно на выходы микросхем. А поскольку в колонке светодиодов одновременно может гореть только один светодиод, то применяется всего два токоограничительных резистора (по одному на колонку из 15 светодиодов R25 - для красных и R26 - для зеленых.

Группа выходных транзисторных ключей (8 шт.) обслуживает не только светодиоды HL31...HL38 желтого цвета, но и выходной кабель и в сумме может коммутировать ток до 1,2 А. Выходы ключей подключаются на линии выходов счетчиков В0...В7, и при лог."1" на входе ключа открываются два входящих в ключ транзистора, в цепи коллекторов которых включены светодиоды HL31...HL38 через токоограничительные резисторы R37...R44 к напряжению +12 В для создания достаточного тока управления более мощным транзисторам VT9...VT16. Открытые коллекторы этих транзисторов являются выходами пульта для коммутации обмоток реле силового коммутатора на общий провод.

Узел верхней печатной платы показан на рис.4 и 5 (размещение деталей и рисунок печатной платы). Верхняя печатная плата является фальшпанелью пульта, значит, на ней размещены все органы управления и индикации.

Сетевой источник переменного тока Уникум

Сетевой источник переменного тока Уникум

Сверху находится только декоративная крышка с отверстиями. Зазор между ними определяется высотой самых высоких компонентов на плате, ими являются переключатели SA1...SA10 типа ПД9-2 высотой 6 мм, поэтому на плате должны быть установлены прежде всего эти переключатели и подобраны четыре распорные втулки такой же высоты под стяжные винты М2,5 по углам платы. Светодиоды желтого цвета HL1...HL39 диаметром 3 мм размещены в колонке с шагом 10 мм, как и переключатели SA1...SA8, а в остальных двух колонках - с шагом 5 мм (красные и зеленые). Светодиоды монтируют так. Сначала их все следует вставить в отверстия платы (с соблюдением полярности), затем временно стянуть винтами панель и плату и "вытолкать" линзы светодиодов так, чтобы они выглядывали поверх панели на 1,5...2 мм и все одинаково, после чего следует запаять светодиоды и обрезать излишки.

Далее весь монтаж должен вестись так, чтобы высота деталей над платой не превышала 6 мм. Критичными здесь являются конструкции кнопок. С кнопками SB1 и SB2 проблем не возникает, легко подбираются стандартные низкопрофильные, а кнопки SB3 и SB4 на переключение почти отсутствуют. В таком случае нужно пытаться переделать кнопки. Есть вариант надежной кнопки на переключение на основе малогабаритных реле РЭК-23. Для этого в их корпусе следует просверлить отверстие под толкатели диаметром 2 мм для прямого воздействия на контактную группу. Толкатели можно подобрать от калькуляторов.

Вторым критическим узлом является стабилизатор напряжения +5 В DA1 (в верхней части рис.4).

Микросхему следует установить на медную пластину толщиной 1 мм и на эту величину сточить верхние распорные втулки, которые также будут элементами теплоотвода. Транзисторы VT9...VT16 на рис.4 показаны условно, их следует уложить на плату. Резисторы R1...R8 желательно установить на верхней плате, это позволит проверить верхнюю плату без нижней.

Нижняя печатная плата рис.6 выполнена в планарном варианте и соединяется с верхней платой 27 проводами. Изображение рис.6 легко превращается в фотошаблон, для этого достаточно сделать копию в натуральную величину и зачернить надписи на площадках. Из шаблона делается контратип (негатив, контактным способом на листовой фотопленке), который затем накладывается на заготовку платы с фольгой, покрытой фоторезистом. Плата после проявки и сушки фоторезиста травится обычным способом в растворе хлорного железа.

Сетевой источник переменного тока Уникум

Монтаж на нижней плате тоже можно выполнить низкопрофильным. Самыми высокими на плате могут быть конденсаторы С3, С4 и С7. Если они типа К53, то высоту распорных втулок между платами придется увеличить до 9...10 мм, но можно подобрать малогабаритные импортные конденсаторы. Для повышения помехоустойчивости цифровые микросхемы платы следует по питанию заблокировать керамическими конденсаторами такого же номинала, как и С6. Сами цифровые микросхемы следует использовать серий ТТЛШ, у них меньше потребление.

Автор: Ю.П.Саража

Смотрите другие статьи раздела Блоки питания.

Читайте и пишите полезные комментарии к этой статье.

<< Назад

Последние новости науки и техники, новинки электроники:

Власть является ключевым фактором счастья в отношениях 11.03.2026

Исследования семейных и романтических отношений показывают, что длительное счастье пары зависит не только от привычных факторов, таких как доверие, уважение и преданность, но и от более тонких психологических аспектов. Современные ученые ищут закономерности, которые отличают действительно счастливые пары от остальных, чтобы понять, какие механизмы поддерживают гармонию в отношениях. Группа исследователей из Университета Мартина Лютера в Галле-Виттенберге и Бамбергского университета провела опрос среди 181 пары, которые состояли в совместных отношениях более восьми лет и прожили вместе хотя бы месяц. Участники заполняли анкету, описывая различные аспекты своих отношений, включая распределение обязанностей, эмоциональную поддержку и степень вовлеченности в совместные решения. Анализ данных показал интересный паттерн: пары, где оба партнера ощущали высокий уровень личной власти, оказывались наиболее счастливыми и удовлетворенными. В данном контексте под властью понимается способност ...>>

Защищенная колонка-повербанк Anker Soundcore Boom Go 3i 11.03.2026

Компания Anker представила новую модель линейки Soundcore - колонку Soundcore Boom Go 3i, ориентированную на активное использование на улице. Новинка отличается высокой степенью защиты: корпус соответствует стандарту IP68, что обеспечивает водо- и пыленепроницаемость, а ударопрочный дизайн выдерживает падение с высоты до одного метра. За качество звука отвечает 15-ваттный драйвер, обеспечивающий пик громкости до 92 дБ, а технология BassUp 2.0 усиливает низкие частоты, делая звучание более насыщенным. Колонка обладает автономностью до 24 часов, а LED-индикатор позволяет контролировать уровень заряда батареи. Кроме того, Soundcore Boom Go 3i может выполнять функцию павербанка: согласно внутренним тестам, устройство способно зарядить iPhone 17 с нуля до 40% за один час, что делает его полезным аксессуаром в походах и поездках. Среди функциональных особенностей модели стоит выделить технологию Auracast, которая улучшает подключение и позволяет создавать стереопару из двух колонок ...>>

Раннее воздержание от алкоголя перестраивает мозг и иммунитет 10.03.2026

Алкогольная зависимость - хроническое расстройство с компульсивным употреблением спиртного, которое влияет не только на поведение, но и на функционирование мозга и иммунной системы. Недавние исследования показали, что даже на ранних этапах воздержания организм начинает перестраиваться, открывая новые возможности для терапии зависимости. Ученые сосредоточились на пациентах, находящихся в первые недели абстиненции, и зафиксировали значительные изменения в мозговой активности. С помощью функциональной магнитно-резонансной томографии они выявили перестройку сетей нейронных связей, отвечающих за контроль импульсов и принятие решений. Эти изменения могут быть ключевыми для восстановления самоконтроля и снижения риска рецидива. Одновременно с нейронной перестройкой исследователи наблюдали колебания иммунной системы. В крови повышался уровень цитокинов - сигнальных белков, регулирующих воспалительные процессы. Эти данные свидетельствуют о существовании нейроиммунного взаимодействия, при ...>>

Случайная новость из Архива

Золотые наночастицы синтезировали с помощью мимиозы 22.07.2017

Международная группа исследователей научилась синтезировать содержащие золото наночастицы с помощью бактерий, обитающих внутри мимозы стыдливой (Mimosa pudica).

Полученные соединения обладают выраженными бактерицидными свойствами. По мнению авторов исследования, их работа может быть полезна для создания новых лекарств, борющихся с устойчивыми к антибиотикам бактериями.

"Настоящее исследование предлагает быстрый и экологически чистый способ синтеза наночастиц, содержащих золото, с помощью новой симбиотической бактерии Aneurin Bacillus migulanus 14, обитающей в мимозе стыдливой. Эффективность нового вещества в борьбе с патогенами показана на примере значительного снижения активности патогена Pseudomonas aeruginosa", - говорится в статье, опубликованной в журнале Environmental Toxicology and Pharmacology.

Из-за широкого применения антибиотиков сейчас в мире появляется все больше устойчивых к лекарствам микроорганизмов, поэтому люди ищут новые способы борьбы с бактериями. Исследования показывают, что сильными антибактериальными свойствами обладают различные металлические наночастицы, особенно, содержащие серебро и золото. Но, к сожалению, химический синтез таких соединений не только очень дорог, но еще и небезопасен, поскольку сопряжен с использованием опасных для здоровья людей и экологии токсичных элементов.

В новой работе сам процесс синтеза с помощью бактерии Aneurin Bacillus migulanus 14 представлял собой многоступенчатый процесс, но после оптимизации исследователями его можно провести всего за 20 минут. При этом синтез не требует ни высоких температур, ни сложной и дорогостоящей аппаратуры, ни использования токсичных реагентов.

Антимикробную активность новых соединений исследователи проверили на серии патогенных бактерий. В результате выяснилось, что золото очень хорошо помогает от различных инфекций. Лучше всего наночастицы справлялись с синегнойной палочкой P. Aeruginosa, кишечной палочкой E.Coli, золотистым стафилококком S. aureus, сенной палочкой B. Subtilis, а также клебсиеллой пневмонии K. Pneumoniae.

Другие интересные новости:

▪ Водостойкая клавиатура от Logitech

▪ Лондон пьет морскую воду

▪ Спин-транзисторы увеличат быстродействие компьютеров в миллион раз

▪ Индикатор свежести продуктов

▪ Надувной киноэкран

Лента новостей науки и техники, новинок электроники

 

Интересные материалы Бесплатной технической библиотеки:

▪ раздел сайта Моделирование. Подборка статей

▪ статья Есть такая партия! Крылатое выражение

▪ статья Что такое вирус? Подробный ответ

▪ статья Применение подкладного судна. Медицинская помощь

▪ статья Светодиодный пробник p-n переходов. Энциклопедия радиоэлектроники и электротехники

▪ статья Бесконтактное ЗУ для радиоприемника. Энциклопедия радиоэлектроники и электротехники

Оставьте свой комментарий к этой статье:

Имя:


E-mail (не обязательно):


Комментарий:





Главная страница | Библиотека | Статьи | Карта сайта | Отзывы о сайте

www.diagram.com.ua

www.diagram.com.ua
2000-2026