Menu Home

Бесплатная техническая библиотека для любителей и профессионалов Бесплатная техническая библиотека


Автоматическое разрядно-зарядное устройство (АРЗУ) Ni-Cd батареи. Энциклопедия радиоэлектроники и электротехники

Бесплатная техническая библиотека

Энциклопедия радиоэлектроники и электротехники / Зарядные устройства, аккумуляторы, гальванические элементы

Комментарии к статье Комментарии к статье

Большое количество аппаратуры с автономными источниками питания, находящейся в эксплуатации у потребителя, требует от последнего затрат на батарейные источники питания. Гораздо выгоднее эксплуатировать Ni-Cd аккумуляторы, которые при правильном их использовании способны выдержать до 1000 циклов разряд-заряд. Однако к аккумуляторному блоку питания (АБП) необходимо дополнительно иметь и зарядное устройство, и тестер для быстрого определения годности элементов питания.

За последнее десятилетие в популярной радиотехнической литературе появилось немалое количество описаний автоматических зарядных устройств. Используя минимальные материальные и временные ресурсы, радиолюбитель разрабатывает и изготовляет полуавтоматические зарядные устройства. Они не соответствуют полному технологическому циклу по обслуживанию АБП или его отдельных элементов (далее изделие), утвержденному ГОСТом [1], не обеспечивают их полный заряд, а также надежную и долговременную эксплуатацию, особенно в тех случаях, когда заряд заканчивается по величине напряжения на выводах изделия. А как известно, систематический недозаряд приводит к уменьшению активности электродов и уменьшению емкости изделия. Указанный ГОСТ требует вначале разрядить изделие нормативным разрядным током до величины, при которой на элементе АБП будет напряжение 1 В, а затем заряжать током, равным десятой части его емкости в течение определенного времени. Указанные режимы позволяют заряжать АБП без риска накопления избыточного заряда, без риска недозаряда, без риска перегрева или взрыва.

Наиболее близко по выполняемым функциям предлагаемому устройство, описанное в [2], но в отличие от него оно выполнено на доступной элементарной базе, не требует настройки времязадающей цепи с помощью частотомера.

Автор предлагает устройство для элемента Д-0,55С и батареи из 10 шт. указанных элементов с номинальным напряжением 12 В, тем самым исключаются многопозиционные переключатели, уменьшаются габариты и стоимость АРЗУ. Для работы с любыми другими Ni-Cd изделиями описанное АРЗУ можно использовать, заменив несколько резисторов, определяющих разрядно-зарядные токи и измерительный делитель напряжения, установленный на входе узла сравнений напряжений.

АРЗУ обеспечивает следующие режимы:

  1. разряд АБП до напряжения 10 В и элемента до 1 В;
  2. автоматическое переключение из режима "разряд" в режим "заряд";
  3. заряд изделия по времени;
  4. автоматическое отключение изделия по окончании времени заряда;
  5. индикацию всех режимов;
  6. тестирование изделий в условиях нормированного разрядного тока по уровню заряда.

Основные параметры АРЗУ типа Д-0,55С:

  • Количество элементов.......10
  • Uном АБП.......12 В
  • Iзар.......50±5 мА
  • Iраз.......100±20 мА
  • tзар.......15±0,1 ч
  • Uраз.......10±0,2 В
  • Количество циклов разряд-заряд, не менее.......500...1000
  • Напряжение питающей сети.......220±15 В

По техническим условиям на аккумулятор заряд идет при температуре 20...30°С.

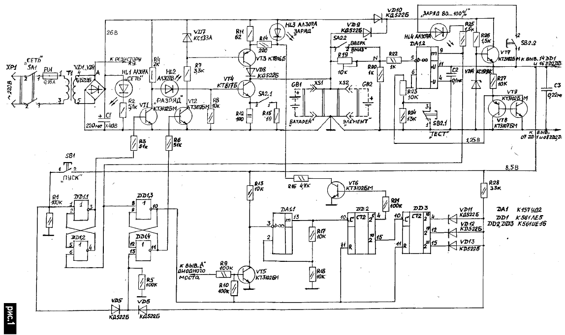
Принципиальная схема АРЗУ показана на рис.1.

Автоматическое разрядно-зарядное устройство (АРЗУ) Ni-Cd батареи
(нажмите для увеличения)

АРЗУ состоит из силовой части зарядноразрядной цепи, выполненной на дискретных элементах, и схемы управления на микросхемах. Силовая часть (помимо трансформатора Т1 с диодным мостом VD1...VD4 и конденсатора фильтра С1) включает транзисторный ключ VT4 с разрядными резисторами R12, R15 и генератор тока на транзисторе VT3. Транзисторы VT1 и VT2 управляют соответственно работой разрядной и зарядной цепей. Резистор R12 определяет ток разряда АБП, а в случае подключения элемента ток разряда определяет резистор R15 при включенном переключателе SA2.1. Заряд изделия возможен при открытом ключе VT2, разряд - при закрытом ключе VT1. Диод VD8 запрещает утечку заряда с изделия после окончания процесса заряда, хотя небольшая утечка тока (~ 1 мА) идет через резисторы R19, R20.

Напряжение со вторичной обмотки трансформатора, выпрямленное диодным мостом и сглаженное конденсатором фильтра С1, поступает через разделительный диод VD10 на параметрический стабилизатор напряжения (резистор R26, стабилитрон VD14, транзистор VT7). С эмиттера последнего снимают напряжение (8,5 В) для питания микросхем. На выход этого стабилизатора подключены через резистор R27 два транзистора с комплементарной симметрией, образующие источник эталонного напряжения 1,25 В, необходимый для работы схемы сравнения напряжений. Требуемая величина этого напряжения задается на вход схемы сравнений потенциометром R23. Разряд АБП происходит через транзистор VT4, работающий в режиме ключа, и разрядный резистор R12 до напряжения 10 В, которое после делителя напряжения АБП на 10 (т.е. до 1 В) резисторами R19, R20 поступает на инверсный вход компаратора DA1.2. На прямой вход DA1.2 поступает от эталонного источника напряжение 1 В. На шине питания стабилизатора напряжения через диодную схему ИЛИ (диоды VD9 и VD10) логически суммируются напряжения от двух источников: выпрямленное и сглаженное напряжение вторичной обмотки трансформатора и напряжение АБП, благодаря чему при пропадании напряжения сети в течение цикла заряда АБП, заряд последнего прекращается, но время разряда, прошедшее до момента исчезновения напряжения сети, остается в памяти счетчиков таймера и памяти триггеров управления, так как их питание идет от заряжаемого АБП через диод VD9. При появлении напряжения сети заряд автоматически продолжается без нажатия кнопки ПУСК с учетом ранее наработанного времени заряда.

Схема управления разрядно-зарядной цепью включает компаратор DA1.2, триггерный формирователь счетных импульсов из напряжения сети - транзистор VT5, микросхему DA1.1 с резисторами R17, R18 в цепи положительной обратной связи и две схемы памяти - одна на DD1.1 и DD1.2, вторая на DD1.3 и DD1.4.

На вход формирователя счетных импульсов подают с обмотки трансформатора синусоидальное напряжение сети, а с его входа снимают нормированные временные импульсы с крутыми фронтами и спадами с периодом 20 мс. По спадам срабатывает таймер, задающий время заряда изделия. Таймер выполнен на двух параллельно включенных двоичных счетчиках - микросхемах на DD2 и DD3. Подсчитав определенное количество входных импульсов с периодом 20 мс за 15 ч, эти микросхемы выдают на трех выходах (VD11...VD13) единичные логические уровни. Схема совпадений на этих диодах срабатывает и в свою очередь выдает через диод VD6 лог."1" на вход "сброс" схемы памяти. Это сигнал окончания заряда изделия. Транзистор VT6, управляемый с выхода счетчика, где сигнал появляется с периодом 0,64 с, задает небольшой ток подсветки на светодиод HL3 "заряд". В процессе зарядки изделия при работающих счетчиках на нем видны неяркие вспышки, тем самым наряду с контролем тока заряда можно визуально контролировать работу таймера или выявлять его неисправность.

Назначение триггеров памяти следующее. Первый триггер на DD1.1, DD1.2 (триггер окончания разряда изделия) с момента его запуска кнопкой ПУСК будет хранить информацию о разряде изделия, после того как на выходе компаратора появится сигнал лог."1". Второй триггер DD1.3, DD1.4 (триггер окончания заряда изделия) с момента его запуска кнопкой ПУСК будет хранить информацию об окончании заряда изделия, после того как на выходе таймера появится сигнал лог."1".

В целом работа АРЗУ происходит следующим образом. Устанавливают в устройство батарею или элемент. Если устанавливают батарею, то необходимо проследить, чтобы переключатель SA2 был в исходном положении (вниз). Если устанавливают элемент, то необходимо включить SA2 вверх. Затем включают переключатель СЕТЬ. Контроль наличия сетевого напряжения - по индикатору HL1. При этом состояния триггеров управления неопределены и не исключена ситуация, когда напряжения с их выходов будут держать закрытым транзистор VT1 и открытым транзистор VT2. Это значит, что одновременно будут открыты разрядно-зарядные транзисторы VT4 и VT3. Однако кратковременно такой режим допустим, к аварии он не ведет - уменьшается разрядный ток изделия на величину зарядного тока.

После включения переключателя СЕТЬ сразу же нажимают кнопку ПУСК - устанавливают исходные состояния триггеров. Их состояния станут такими, что транзисторы VT1 и VT2 будут закрытыми, и на выходе 10 одного из триггеров - сигнал лог."1". Поданный на вход СБРОС счетчиков он блокирует их работу счетчики во время разряда изделия останутся сброшенными в нуль. Транзистор VT5 будет открытым, и счетный импульс формироваться не будет. Закрытые транзисторы VT1 и VT2 обеспечат открытие разрядного ключа VT4 и разряд изделия через резисторы R12 или R15. Когда напряжение разряжаемого нормированным нагрузочным током изделия сравняется с опорным напряжением 1 В, на выходе схемы сравнения сигнал лог."0" сменится на сигнал лог."1". Этот единичный сигнал изменит состояния выходов триггеров управления так, что триггер DD1.1, DD1.2 откроет транзистор VT1, а триггер DD1.3, DD1.4 откроет транзистор VT2. С этого момента запустится генератор зарядного тока на транзисторе VT3 и закроется разрядный ключ VT4. Начнется заряд изделия. Одновременно на выходе 10 второго триггера сигнал лог."1" сменится на сигнал лог."0", счетчики таймера и формирователь счетного импульса снимаются с блокировки, начнется отсчет времени заряда. Когда по прошествии 15-часового промежутка времени состояния выходов счетчика DD3 примут значение лог."1", второй триггер через диод VD6 будет возвращен в исходное положение, которое он имел после нажатия кнопки ПУСК: завершился разрядно-зарядный цикл. Это состояние схемы устойчиво, при этом все микросхемы и транзисторы не переключаются и потребляют минимальный ток. Об окончании разрядно-зарядного цикла судят по гашению светодиода ЗАРЯД. Теперь следует выключить переключатель СЕТЬ и снять изделие с устройства.

Возможна ситуация, когда сильно заряженное изделие с напряжением на элементе менее 1 В будет установлено в устройство. Тогда на выходе схемы сравнения сразу после установки изделия в устройство и включения переключателя СЕТЬ появится сигнал лог."1" и после нажатия кнопки ПУСК состояния триггеров будут определяться сигналом с выхода схемы сравнения, который установит оба триггера в состояние, при котором невозможен разряд (разряд произошел раньше у пользователя) и начнется 15-часовой заряд изделия, что соответствует нормальному укороченному технологическому циклу. Конец заряда, как обычно, закончится установкой второго триггера в исходное положение и гашением светодиода ЗАРЯД.

Светодиод HL4 и кнопка SB2 установлены для тестирования зарядного состояния изделия. Поскольку стандартом такие состояния изделия не установлены, их можно условно разделить на три группы. Изделия третьей группы, напряжение которых при нормированном нагрузочном токе менее 2 В (10 В для АБП), "плохие", разряженные, отличаются тем, что сразу после запуска АРЗУ они становятся на заряд (укороченный цикл). Изделия второй группы, напряжение которых больше 1 В (10 В), но меньше 1,15 В (11,5 В), "хорошие", они готовы еще работать, т.е. разряжаться и только после этого переходят на заряд. Здесь цикл "разряд-заряд" выдерживается полностью. Изделия первой группы "очень хорошие", их напряжение больше 1,15 В (11,5 В), они не требуют зарядки. После тестирования их можно отключить от устройства.

При установленном в АРЗУ изделии и включенном переключателе СЕТЬ после нажатия кнопки ПУСК и нагружения изделия нормированным разрядным током, следует нажать кнопку ТЕСТ. После этого изменяется опорное напряжение на прямом входе схемы сравнений напряжений с 1 до 1,15 В, и на выход схемы сравнений через нормально открытые контакты кнопки ТЕСТ подключается светодиод HL4 ЗАРЯД 80...100%. Если напряжение на изделии при нагружении его нормированным током больше опорного, на выходе схемы сравнения будет сигнал лог."0", и светодиод HL4 будет светиться. Такое изделие не следует разряжать-заряжать. Его можно отключить от АРЗУ. Если изделие не снимается с устройства, то после отпускания кнопки ТЕСТ следует повторно нажать кнопку ПУСК и оставить изделие на разряднозарядный цикл.

В конструкции применены держатель предохранителя ДВП4-1 и вставка плавкая ВП1-1 0,16 А, переключатели типа тумблер SA1 (СЕТЬ) и S2 (ВВЕРХ/ВНИЗ) - МТ3, кнопка SB1 (ПУСК) - КМ1-1, кнопка SB2 (ТЕСТ) - КМ2-1. Вместо указанных переключателей и кнопок можно использовать переключатели и кнопки П2К. При этом конструкция устройства меняется. Для подсоединения изделия к конструкции использованы малогабаритные сдвоенные гнезда МГК1-1 и штепсель МШ-1. Можно применять одиночные гнезда, например, ГИ1,2, и штепсели ШЦ1,2. Трансформатор - любой малогабаритный мощностью 3...5 Вт с напряжением на вторичной обмотке 22...23 В и током 65...100 мА. Можно применить трансформатор от электронных часов "Старт", выполненный на магнитопроводе ШЛМ 10х20 или трансформатор от блока питания БП2-3 калькулятора, перемотав вторичную обмотку на требуемое напряжение. Автор использовал трансформатор ТС-4-1 аФО.470003ТУ, добавив ко вторичной обмотке 100 витков провода ПЭВ-2 0,23. Сечение магнитопровода 10х15 мм2.

Все резисторы типа МЛТ. Подстроечные резисторы - СП3-38а. Конденсатор С1 - К50-35 40В 220 мкФ; С2 - КМ-6б-Н90 0,1 мкФ; С3 - К73-17в 63В 0,22 мкФ. Неполярные конденсаторы типов КЛС, КМ, КД. Вместо диодов КД522Б, указанных на схеме, можно использовать КД522А, КД521А,В,Г или КД103А,Б. Стабилитрон КС191Ж можно заменить на КС210Ж или двумя последовательно включенными стабилитронами КС147В,Г с минимальным током стабилизации 1 мА. Транзисторы КТ3102БМ с буквенными обозначениями В,Д,Е (b>200) или заменить их на КТ342А,Б. Транзистор КТ3107БМ с буквами Г,Е (b>120...220) или заменить на КТ352Б. Транзистор КТ817 можно использовать с буквами А...Г или заменить на КТ815А,Б,В и вместо КТ816 с буквами А,Б,В выбрать КТ814А,Б,В.

Все детали устройства, кроме установочных электроэлементов, органов управления и подключения проверяемого изделия, смонтированы на трех печатных платах из одностороннего фольгированного стеклотекстолита толщиной 1,5 мм. Платы можно изготовить без "химии" - нарезать резаком. Элементы индикации (светодиоды и их резисторы) установлены на плате П1 (рис.2).

Автоматическое разрядно-зарядное устройство (АРЗУ) Ni-Cd батареи

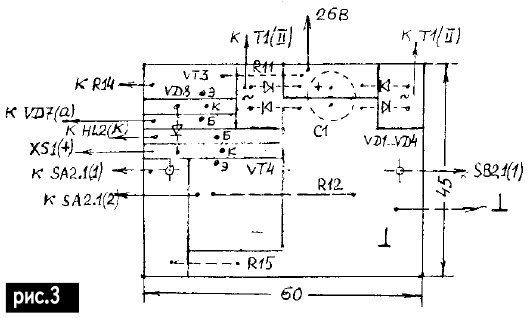
Плата прикреплена к передней панели (ПП) через центральное отверстие винтом М3, под гайку подкладывают диэлектрическую шайбу, а фольгу возле отверстия подрезают (снимают фаску) так, чтобы винт не касался фольги. На плате П2 (рис.3) размещены силовые элементы: диодный мост VD1...VD4 с конденсатором фильтра С1 и детали разрядно-зарядной цепи (резисторы R11, R12, R15, транзисторы VT3, VT4 и диод VD8. Двухваттный резистор R12 установлен со стороны фольги. Плата П2 установлена своей плоскостью перпендикулярно плоскости ПП и укреплена одножильной луженой проволокой к выводам SA2.1(1) и SB2.1(1) (в скобках дана собственная маркировка деталей). Попутно соединяют соответствующие проводники печатной платы и выводы переключателя SA2.1 и кнопки SB2.1 согласно электрической схеме.

Автоматическое разрядно-зарядное устройство (АРЗУ) Ni-Cd батареи

Остальные детали размещены на плате П3 (рис.4). Проводники нарезаны в виде полос. Микросхемы расположены на плате выводами вверх и зафиксированы на ней отрезками луженого медного провода D0,5 мм, пропущенными через отверстия в плате и припаянными к выводам питания микросхем и соответствующим шинам "" и "Ucc" на плате. Конденсатор С3 паяют между шинами питания платы. Электрические соединения между выводами микросхем и другими элементами можно выполнить любым тонким проводом сечением 0,1...0,14 мм2, например, МГТФ или ПЭВ D0,12...0,15 мм. На рис.4 под значком "П" отмечены перемычки между полосками проводников. Их 7. Значком "О" отмечены выводы элементов, которые проводниками соединены с ПП, значком "0" отмечены выводы, которые надо соединить с соответствующими выводами микросхем. Провода, соединяющие выводы микросхем с деталями, пропускают через отверстия D3 мм, просверленными на шинах "" и "Ucc" платы П3.

Автоматическое разрядно-зарядное устройство (АРЗУ) Ni-Cd батареи

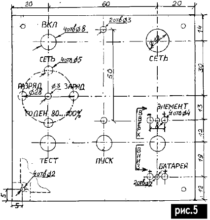
Устройство собирают в корпусе, выполненном из любого диэлектрического материала. Можно изготовить корпус из полистирольных облицовочных плиток, используемых для внутренней облицовки стен. Размеры корпуса 100х100х70 мм. Все установочные электроэлементы, органы управления и подключения проверяемого изделия установлены на верхней передней панели. Разметка ПП дана на рис.5. Трансформатор крепят к ПП двумя винтами через диэлектрическую накладку, поджимающую его поверх собственной обоймы.

Автоматическое разрядно-зарядное устройство (АРЗУ) Ni-Cd батареи

На рис.6 показано размещение деталей на оборотной стороне ПП, в том числе плат П1 и П2. Четыре деревянные стойки сечением 10х10 мм2, длиной 65 мм скрепляют боковые стенки корпуса. Последние приклеивают к ним полистирольным клеем (раствор стружки полистирола в толуоле). Торцы стоек используют для крепления к ним сверху ПП, а снизу - дна винтами "саморез", причем углы стоек снизу срезают на глубину D5 мм. При сборке конструкции вначале устанавливают плату П3, затем со стороны проводников платы прокладывают амортизирующую подложку 10х10 мм, например, из губчатой резины, пенопласта, затем устанавливают дно и, наконец, завинчивают "саморезы", крепящие дно, причем под головку саморезов подкладывают металлическую шайбу и аптечную резиновую пробку - это ножки для корпуса.

Автоматическое разрядно-зарядное устройство (АРЗУ) Ni-Cd батареи

Сетевой шнур припаян к выводам 2-2 тумблера SA1, протянут по нижней стороне ПП и прикреплен к ней клеем "Монолит". Соответственно по диаметру этого шнура сделан паз в боковой стенке корпуса. Жгут из 12 проводов соединяет ПП и плату П3. Для стыковки элемента с устройством необходим двухполюсный, двухпроводный переход-зажим, который двумя полюсами обжимает электроды элемента, а другими двумя концами через штепселя МШ-1 стыкуется с гнездами МГК-1-1, установленными на ПП.

Большое разнообразие и эстетичность пластмассовых зажимов типа "прищепка", имеющихся в продаже, позволяют подобрать их с необходимыми параметрами, незначительно доработав, а именно: на их "губки", просверлив отверстие, устанавливают металлическую шайбу и винт М3 с монтажным лепестком под гайкой.

К лепестку подпаивают концы проводов. Провода свивают в витую пару. Проставляют маркировку "+" и "-". Чтобы не произошло замыкание одиночных штепселей МШ1, их с натягом устанавливают в пластмассовую обойму с двумя отверстиями D5,5 мм, вырезанную, например, из полистирола или полиэтилена толщиной 2 мм - изготавливают малогабаритную вилку с межцентровым расстоянием 8 мм.

Налаживание устройства. После проверки правильности распайки элементов схемы на платах П1...П3 и проверки правильности распайки жгута, соединяющего ПП и плату П3, можно включить устройство на холостом ходу (Х.Х.) - без подключения изделия. Замеряют напряжение в отдельных узлах схемы: на конденсаторе С1 фильтра UС1~26±1 В и всех выводах элементов, подключенных к шине 26 В; на выходе параметрического стабилизатора напряжения Uсс=8,5 ± 0,5 В и всех выводах питания микросхем и элементах, подключенных к этому выходу; на выходе эталонного источника напряжения Uэт=1,25 ± 0,05 В - на выводе резистора R23.

Устанавливают напряжение на средней точке этого резистора Uоn=0,9 В. На Х.Х. выходное напряжение схемы сравнения равно лог."1"(~8 В), а установка триггеров соответствует режиму заряда - лог."1" на выводах 03 и 11 микросхемы DD1. В этом режиме работает генератор тока - UVD7=3 В, но светодиод HL3 "ЗАРЯД" не светит - нагрузка к генератору тока не подключена. В этом режиме работают также формирователь счетного импульса и оба счетчика. Проверяют работу кнопки "ПУСК": если держать ее нажатой, можно установить кратковременно оба плеча триггеров в нулевое состояние. Проверяют устройство на функционирование. Соблюдая полярность, подключают на вход устройства через соединитель XS1 источник постоянного тока (ИПТ) с номинальным напряжением 12 В, регулируемый "вниз" до 10 В. Но сначала надо ввести полное сопротивление подстроечного резистора R19, а ИПТ нагрузить резистором МЛТ2-100 Ом, т.е. поставить источник в режим двухполюсника с двусторонней проводимостью, как АБП.

Последовательно с ИПТ включают миллиамперметр постоянного тока с пределом измерения 100 мА. Устанавливают тумблер SA2 "ВНИЗ". Включают ИПТ, а затем переключатель "СЕТЬ". Если на ИПТ установлено напряжение 12 В, то на выходе схемы сравнения будет лог."0" (~0,8 В), и после нажатия кнопки "ПУСК" можно замерить ток разряда. Не отключая ИПТ, устанавливают его напряжение не более 10 В. На выходе схемы сравнения появится лог."1" (~8 В), которая устанавливает устройство в режим заряда. Замеряют ток заряда. Затем убеждаются в работе таймера. После проверки устройства на функционирование проводят его точностную наладку. Наладка заключается в установке опорного уровня срабатывания схемы сравнения напряжения, при котором АРЗУ переходит из режима "РАЗРЯД" в режим "ЗАРЯД". В качестве узла сравнения напряжений используют операционный усилитель, рассчитанный на работу при двухполярном питании. При его работе от однополярного источника питания в режиме сравнения одновольтовых входных напряжений разброс напряжений срабатывания достаточно велик.

Для наладки требуется цифровой вольтмер класса не хуже 0,5. При собранной, как описано выше, схеме устанавливают более точно напряжение ИПТ (10±0,2 В) и, регулируя резистор R19, устанавливают на выходе делителя напряжения R19, R20 (узел N) 1 В ± 20 мВ. Устанавливают на движке резистора R23 напряжение 0,92 В, а на выходе ИПТ U=10,5 В. На выходе схемы сравнения должен быть лог. "0". Уменьшают напряжение ИПТ, пока напряжение на выходе схемы сравнения не будет равным лог."1". При этом напряжение ИПТ должно быть в пределах 10±0,2 В. Если напряжения срабатывания схемы больше допустимого, то необходимо изменить опорное напряжение на движке резистора R23: уменьшить Uоn, если схема сравнения срабатывает при UN>1,02 В, и увеличить Uon, если схема срабатывает при UN<0,98 В.

Более перспективным автору представляется применение в схеме сравнения усилителя УР1101УД01 (КР1040УД1) - сдвоенным, предназначенным для работы с однополярным питанием. Наладка схемы сравнения будет более быстрой и точной, а работа АРЗУ в части сравнений напряжений более надежной.

Известно, что в электрохимических системах отдельных герметичных Ni-Cd аккумуляторов в процессе эксплуатации накапливаются необратимые изменения, приводящие к потере емкости, увеличению внутреннего сопротивления, вздутию отдельных элементов и отказу всего АБП. Выход из строя всей батареи может быть следствием отказа одного элемента. Если тестируемый элемент после зарядки "не держит" напряжение при его нагружении, то он превращается в дополнительную нагрузку для других, уменьшая емкость всей батареи. Его следует заменить другим, заряженным индивидуально, и не допускать глубокой разрядки АБП. Если корпуса элементов внутри АБП окислились, и контактное сопротивление велико, или недостаточная величина усилия, собирающего элементы в батарею, то АБП ведет себя как разомкнутая цепь, и АРЗУ не входит в режим, хотя на холостом ходу напряжение АБП, замеренное вольтметром с высоким входным сопротивлением, может быть в норме. В этом случае после пуска АРЗУ имитирует режим заряда - работает таймер, работает генератор тока, но светодиод "ЗАРЯД" не светится, так как ток от генератора тока не поступает на изделие. АБП необходимо вскрывать два раза в год и удалять с поверхности элементов налет выделившейся соли диэлектрической пластиной с заточенным торцом, протирать их мелом и спиртовым раствором. Элемент после зарядки ставят на тестирование с нагружением, и если светодиод своим свечением не утверждает надпись ЗАРЯД 80...100%, элемент не устанавливают в АБП.

АРЗУ можно оснастить звуковым сигнализатором окончания заряда, но это увеличит его стоимость. Для этого, например, выход 10 триггера заряда, выполненного на DD1.3, DD1.4, надо через переключатель соединить со входом заторможенного генератора звука с выходом на пьезоизлучатель. Если в любой момент времени в течение 15-часового заряда изделия замкнуть этот переключатель, то после окончания заряда на выходе 10 указанного триггера установится сигнал лог."1", который запустит генератор звука.

Литература:

  1. KEKESI I. Аккумуляторное зарядное устройство не только профессионалам//Радиолюбитель.- 1998.- №4, №5.- С.27, 28.

Смотрите другие статьи раздела Зарядные устройства, аккумуляторы, гальванические элементы.

Читайте и пишите полезные комментарии к этой статье.

<< Назад

Последние новости науки и техники, новинки электроники:

Польза белкового завтрака 14.01.2026

Правильное питание по утрам играет ключевую роль в поддержании здоровья и контроле веса. Многочисленные исследования подтверждают, что состав завтрака может влиять на аппетит в течение всего дня и качество употребляемой пищи. Австралийские ученые провели масштабный эксперимент, который показал, что употребление белковой пищи с утра помогает дольше чувствовать сытость и предотвращает переедание. В исследовании участвовали более 9 тысяч человек среднего возраста 46 лет. В период с 2011 по 2012 год специалисты анализировали рационы респондентов, оценивая долю основных макронутриентов. В среднем участники потребляли 43% углеводов, 31% жиров, 18% белков, 2% клетчатки и 4% алкоголя. Такой рацион позволил ученым проследить взаимосвязь между утренним приемом пищи и пищевым поведением в течение дня. Выяснилось, что участники, чей завтрак содержал недостаточное количество белка, ощущали повышенный аппетит в течение дня. Они ели больше, чем необходимо, и часто выбирали продукты с высоким со ...>>

Технология SmartPower HDR 14.01.2026

Ноутбуки стремительно развиваются в плане графики и мультимедийных возможностей, но яркие дисплеи с высоким динамическим диапазоном (HDR) часто становятся серьезной нагрузкой для аккумуляторов. Длительная работа с видео высокого качества или играми в HDR приводит к быстрой разрядке батареи, что ограничивает мобильность пользователей и снижает комфорт работы. Решить эту проблему призвана новая технология SmartPower HDR, разработанная совместно компаниями Samsung Display и Intel. Суть технологии заключается в динамическом управлении напряжением OLED-панелей. Чипсет ноутбука в реальном времени анализирует пиковую яркость каждого кадра и передает эти данные контроллеру дисплея, который оптимизирует подачу напряжения в зависимости от количества активных пикселей. В отличие от традиционных режимов HDR, где яркость часто фиксируется на максимальном уровне, SmartPower HDR адаптируется к конкретному контенту, что снижает энергопотребление без потери качества изображения. Технология позвол ...>>

Недосып существенно сокращает жизнь 13.01.2026

Сон является одной из самых фундаментальных потребностей человека. Он влияет на обмен веществ, работу сердца и мозга, иммунитет и общее самочувствие. Современный ритм жизни часто заставляет людей жертвовать сном ради работы, учебы или развлечений, но ученые предупреждают: регулярный недосып может иметь далеко идущие последствия для здоровья и долголетия. Исследователи из Орегонского университета здравоохранения и науки пришли к выводу, что сон менее семи часов в сутки связан с сокращением продолжительности жизни. По данным специалистов, хроническая нехватка сна не только вызывает усталость и снижение работоспособности, но и постепенно сказывается на здоровье органов и систем, увеличивая риски развития различных заболеваний. Для анализа ученые использовали обширную национальную базу данных США, сопоставляя показатели ожидаемой продолжительности жизни на уровне штатов с результатами опросов Центров контроля и профилактики заболеваний за период с 2019 по 2025 годы. Они учитывали мно ...>>

Случайная новость из Архива

Новый гибрид помело и грейпфрута 24.02.2025

Израильские ученые из Института Вулкани представили миру новый цитрусовый фрукт, полученный путем скрещивания помело и грейпфрута. Этот гибридный сорт, получивший официальное название Einat, а на коммерческом рынке известный как Redson, обладает уникальными характеристиками, которые могут сделать его популярным среди потребителей и производителей.

По словам Саара Зива, представителя компании BeFresh Europe, Redson не отличается крупными размерами, однако обладает высокой урожайностью, что делает его привлекательным для производителей. "Наша компания начала тестировать этот сорт более десяти лет назад. Redson уже представлен на европейских рынках, хотя пока в небольших объемах. В этом году мы планируем увеличить объемы поставок, особенно благодаря сотрудничеству с крупной розничной сетью супермаркетов", - рассказал Зива.

Появление нового гибрида пришлось как нельзя кстати, так как исследования показывают, что потребление грейпфрутов в мире, и в частности в Европе, снижается на 2% в год. Redson может стать удачной альтернативой традиционному грейпфруту, привлекая потребителей своим новым вкусом и полезными свойствами.

В долгосрочной перспективе производители видят большой потенциал для Redson на азиатских рынках, где потребление грейпфрутов остается высоким. Новый гибрид может стать востребованным продуктом в этом регионе благодаря своим вкусовым качествам и высокой урожайности.

Появление нового гибрида помело и грейпфрута - Redson - является важным событием в мире цитрусовых. Этот фрукт обладает потенциалом стать популярным среди потребителей и производителей, открывая новые возможности для развития цитрусовой индустрии.

Другие интересные новости:

▪ Ультразвук делает лейкопластырь более липким

▪ Американский робот прошагал 23 км 335 м

▪ Искусственная радуга для солнечных батарей

▪ Производство шелка с помощью искусственной железы паука

▪ Электростимуляция мозга и творческие способности

Лента новостей науки и техники, новинок электроники

 

Интересные материалы Бесплатной технической библиотеки:

▪ раздел сайта Гирлянды. Подборка статей

▪ статья Мы с тобой одной крови, ты и я. Крылатое выражение

▪ статья Как много воздуха на Земле? Подробный ответ

▪ статья Ковыль. Легенды, выращивание, способы применения

▪ статья Эффективность использования тепловых насосов. Энциклопедия радиоэлектроники и электротехники

▪ статья Трансивер YES-98. Энциклопедия радиоэлектроники и электротехники

Оставьте свой комментарий к этой статье:

Имя:


E-mail (не обязательно):


Комментарий:





Главная страница | Библиотека | Статьи | Карта сайта | Отзывы о сайте

www.diagram.com.ua

www.diagram.com.ua
2000-2026