Menu Home

Бесплатная техническая библиотека для любителей и профессионалов Бесплатная техническая библиотека


Переделка сетевых адаптеров в стандарте СЮП. Энциклопедия радиоэлектроники и электротехники

Бесплатная техническая библиотека

Энциклопедия радиоэлектроники и электротехники / Блоки питания

Комментарии к статье Комментарии к статье

Изделия, которые выпускают под торговой маркой "сетевой адаптер", представляют собой низковольтный трансформаторный блок питания в виде укрупненной сетевой вилки с выходом постоянного тока на соединитель посредством гибкого шнура. Они бывают со стабилизированным выходным напряжением или без стабилизации (эти проще и дешевле), с элементами для зарядки аккумуляторной батареи или без них, на одно выходное напряжение или на несколько, а также различаются по мощности, массе, дизайну.

Сетевыми адаптерами комплектуются многие электронные устройства небольшой массы, но с ограниченной автономностью (т.е. со значительным потребляемым током от батарей или аккумуляторов, например, калькуляторы и диктофоны, приемники и видеокамеры и пр.). Такая комплектация увеличивает цену изделия, габариты и массу. Поэтому электронные устройства малой стоимости сетевыми адаптерами не комплектуют, а адаптеры продают на рынке в виде отдельных изделий.

Предлагаю простую переделку универсального сетевого адаптера.

Желательно, чтобы он имел хорошую нагрузочную способность (до 1 А по току), многостандартные соединители и переключатель полярности. Наиболее полно этим пожеланиям отвечает универсальный адаптер типа FIRST (австрийского производства) с мощностью 18 Вт и максимальным током нагрузки до 1 А. Он имеет шесть наиболее "популярных" сетевых напряжений в диапазоне 1,5...12 В и снабжен многостандартной DC-фишкой (крест из четырех концентрических штеккеров и разъем под "Крону"), а также встроенным переключателем полярности выходного напряжения на электродах штеккеров. Такая система требует особого внимания при подключении питаемых устройств, но общепринята. На рис.1 показана принципиальная схема типового адаптера (тонкими линиями указана исходная схема).

Переделка сетевых адаптеров в стандарте СЮП

Доработка заключается в следующем: вводят коммутируемый канал по схеме транзисторного ключа. При замыкании разъема Х2 с помощью штеккера на выходе Х1 включается напряжение. Переключателем SA1 можно изменять полярность выходного напряжения (так же, как и переключателем SA2 в схеме адаптера).

Конструктивно переключатели SA1 и SA2 устанавливают рядом на штатной печатной плате (с поворотом SA2 и перекомпоновкой участка платы: следует убрать из платы светодиод, на освободившемся участке просверлить отверстия под оба переключателя, а их выводы соединить гибкими проводами). Светодиоды (один штатный, второй для дополнительного коммутатора) вместе с токоограничивающими резисторами 1 кОм переносят в объем над трансформатором. Шнуры от Х1 и Х3 выпускают из адаптера из боковых стенок снизу (принимаем, что адаптер включен в розетку панелью переключателей вниз).

Гнездо Х2 входа типа ГК-2 закрепляют на нижней стенке объема трансформатора. Транзистор VT1 - мощный интегральный составной типа КТ825 (для токов до 1 А при токе управления 20 мА достаточно одного транзистора). Транзистор в корпусе ТО220 нужно установить на небольшой радиатор (50 см2) и разместить в объеме корпуса у трансформатора. Если транзистор в металлическом корпусе, то его можно установить без радиатора на верхней стенке отсека трансформатора (снаружи). При этом внутрь корпуса входят на 4 мм выводы базы и эмиттера, на которые напаивают резистор R2, и два винта М4 (под одну из гаек подложен лепесток коллектора). Резистор R1 размещают в ПХВ трубке ("кембрике") на проводе от базы VT1 до контакта 1 гнезда Х2. Конденсатор С1 желательно выбирать из соображений подавления возможных выбросов и усиленных транзистором VT1 пульсаций, наводок и помех. Его можно разместить на основной плате у выпрямителя, при этом выводы на переключатель SA1 подключить непосредственно к конденсатору С1. Необходимо также увеличить емкость штатного конденсатора С2 хотя бы до 4000 мкФ.

Транзистор КТ825 можно заменить двумя, например, мощным КТ818 или КТ837 и маломощным КТ502 или КТ209, включенными по схеме составного транзистора. Если объем позволяет установить держатель предохранителя по низкому напряжению на ток 1-2 А, то его желательно поставить. Вводить стабилизатор напряжения в адаптер не стоит, так как лучше стабилизировать напряжение непосредственно в питаемом устройстве (это лучше для устранения помех и наводок). В разъеме Х2 использовать проводящую заглушку СЮП-ж (см. "РА" 2/99) для включения канала с ключом без внешнего управления.

Ввести коммутируемый канал для подачи питания постоянного тока с дистанционным управлением замыканием входа на общий провод можно и во многие другие источники питания. Если устройство, которое нужно дистанционно включать, имеет встроенный блок питания, то такой же ключ можно встроить непосредственно в устройство, а для управления им установить гнездо входа типа ГК-2 на корпусе устройства. При этом появится возможность внутреннего управления. Некоммутируемый канал в описанной выше переделке адаптера оставлен для питания некоторых управляющих устройств с ограниченной автономностью.

При практическом использовании такого коммутатора (на базе сетевого адаптера) в составе комплекса дискретной автоматики, построенного в стандарте СЮП (например, при реализации будильника с включением радиоприемника или магнитофона) с использованием часов типа "Bright" (см. "РА" 3/99, стр.24), он будет включаться по сигналу будильника на 1 мин. Чтобы надолго включить по сигналу будильника управляемое устройство посредством предлагаемого адаптера, следует использовать дистанционный пульт с защелкой (см. "РА" 5/99, стр.38). Для реализации режима отключения (таймер сна, например) между дистанционным пультом с защелкой и входным и выходным коммутаторами блока питания следует подключить инвертор на полевом транзисторе (см. "РА" 5/99, стр.40). Таким образом можно строить весьма сложные системы и устройства автоматики, подвергая исходные изделия минимальной переделке. Однако коммутация по питанию постоянного тока не всегда применима (особенно если управляемое устройство имеет сложное питание схемы несколькими напряжениями). Поэтому необходим силовой коммутатор переменного сетевого напряжения, который реализован также на базе сетевого адаптера, как удобной основе конструкции.

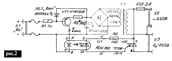
Второй адаптер подвергаем более сложной переделке, связанной с изменением функции исходного изделия. Из адаптера "Электроника Д2-11" (входящего в состав комплекта микрокалькулятора "Электроника МК-60") получаем универсальный сетевой симисторный включатель переменного тока (рис.2).

Переделка сетевых адаптеров в стандарте СЮП

Отличительной особенностью полученного изделия является полная гальваническая развязка от сети переменного тока и оригинальное конструктивное исполнение (малые габариты и масса, подключение к управляющему устройству посредством вилки СЮП-в на шнуре без установки гнезда ГК-2). Такой коммутатор я назвал включателем, потому что сетевое напряжение появляется на выходе Х3 (розетка Rн) только во время действия управляющего замыкания по входу Х1.

При переделке максимально используем элементы и детали исходного адаптера (на рис.2 выделены тонкими линиями), а именно: корпус с сетевой вилкой, выпрямитель (диоды и конденсатор), трансформатор. В исходном виде сетевой адаптер "Электроника Д2-11" имеет ограниченное применение, у него выходное напряжение 3 В при токе до 50 мА (он может питать УКВ приемник, а вот плейер уже не "тянет"). Итак, вскрываем адаптер и займемся переделкой. Корпус сетевого адаптера представляет собой торцевую укрупненную сетевую вилку размерами 75х48х36 мм (без штырей) и состоит из двух половин, скрепленных одним саморезом, стягивающим половинки корпуса в районе штырей. У другого торца выполнены взаимовходящие зацепы. Половинки корпуса равны по объему и отличаются ответными деталями (буртики, штыри упорные, втулки и пр.). Та часть, в которую ввинчен саморез, назовем нижней частью или монтажным основанием и в ней выполним весь монтаж включателя (рис.3,а). Другую половину, в которой видна головка самореза, назовем крышкой и подвергнем минимальной доработке (в основном выберем полукруг для крепления светодиода HL1 в районе стыка половинок совместным сверлением собранного корпуса сверлом диаметром 5,2 мм для светодиодов типа АЛ307, АЛ336).

Переделка сетевых адаптеров в стандарте СЮП

Дальше вывинчиваем саморез и снимаем крышку корпуса, при этом трансформатор должен остаться на основании выводами вверх, причем на выводы вторичной обмотки напаяна печатная плата выпрямителя (рис.3,б). Теперь нужно снять печатную плату с выводов трансформатора, используя паяльник с отсосом припоя или медицинскую иглу со сточенным срезом, и очистить отверстия, чтобы при сборке плата легко надевалась на выводы трансформатора. Штатная печатная плата подвергается небольшой доработке: один из диодов моста, который стоял вдоль платы, переставляем поперек и получаем двахдва диода параллельно для того, чтобы сместить конденсатор С1 ближе к трансформатору и освободить немного объема для установки симистора VS1. В монтажной схеме используем также штатный шнур, штатный штеккер которого заменяем на вилку СЮП-в (см. "РА" 2/99, стр.22). Конденсатор С1 нужно изолировать (обмотать корпус скотчем в несколько слоев или применить импортный с изоляцией корпуса и меньшими габаритами).

Теперь извлечем лишние детали: стабилитрон КС136А и резистор 1,5 кОм и прочистим отверстия. Третьей лишней деталью является П-образная картонка, которая входила в крепление шнура. Для того чтобы более надежно закрепить шнур, установить светодиод HL1 и симистор VS1 (в корпусе ТО-220) нужно изготовить дополнительную печатную плату размером 25х40 мм (такой же размер имеет и основная плата). Эта плата показана на рис.3,а (вид сзади). Для повышения качества советую сверлить отверстия в такой последовательности: отверстие под светодиод (упомянуто выше), крепежные отверстия платы диаметром 2,5 мм сначала тонким сверлом в корпусе, а затем в заготовке рассверливаем до указанного диаметра. Собираем дополнительную плату с корпусом винтами длиной 8 мм, причем между платой и корпусом нужно установить распорные шайбы толщиной 1,3 мм (между корпусом и платой должен быть зазор). Отверстия под выводы светодиода (диаметром 1,2 мм) и отверстие для пропуска шнура (диаметром 4 мм) сверлим на оси стыка (рис.3,а вид сзади). Отверстие для крепления симистора VS1 (диаметром 3,2 мм) сверлим последним и под него подбираем винт М3 с низкой головкой (этот винт должен спрятаться под крышкой корпуса).

Во время описанных процедур не забудьте проверить положение верхнего торца дополнительной платы и, если нужно, подпилите его так, чтобы при установке штатной платы их стык был параллелен стыку корпуса.

На дополнительной плате нитрокраской наносим: 1) по центру прямоугольник под симистор шириной 14 мм на всю высоту платы (при монтаже симистора на нее напаиваем небольшой радиатор из меди толщиной 0,5 мм и размерами 25х25 мм с отгибом по двум сторонам); 2) вокруг отверстий крепления платы площадки 6х6 мм, на которые нужно напаять гайки М2,5; 3) несколько выше, но не на самом верхнем крае, две площадки под выводы светодиода (площадки отнесены на 5 мм от отверстий под выводы, чтобы исключить перегрев светодиода при пайке); 4) по краям платы (отступив от верхнего края 3 мм) по 4 контактных площадки 3х3 мм для монтажа элементов схемы. После этого плату можно протравить.

Предохранитель FU1 устанавливаем в отсеке в зоне штырей сетевой вилки (рис.3). Вставку керамическую длиной 15 мм устанавливаем в самодельный держатель, подпаянный на плату размером 10х20 мм с контактными площадками по краям (плату можно протравить вместе с дополнительной). Подбираем розетку под выход Х3. Это приборная двухгнездная розетка с расстоянием между гнездами 19 мм и крепежным отверстием посредине. Я установил розетку внутри корпуса, но не все типы розеток допускают такую установку. Кроме того, желательно перед установкой розетки собрать схему, чтобы убедиться, что розетка становится в указанное место.

Обратимся к схеме рис.2. Симисторный включатель состоит из четырех основных узлов: 1) узел ключа со стабилизацией тока светодиода оптрона собран на транзисторе VT1 и резисторах R1 и R2, к которым добавлен индикатор включения на светодиоде HL1 (в этот же узел входит шнур подвода управления с вилкой Х1); 2) узел низковольтного выпрямителя, собранный на элементах адаптера - диодах VD1...VD4, конденсаторе С1 и трансформаторе Т1; 3) узел силовой коммутации на тиристоре VS1 ( в его состав входит сетевая вилка Х2, предохранитель FU1, розетка Х3, резистор R3); 4) узел ключа переменного тока с гальванической развязкой на оптроне U1 типа АОУ-160. Обозначения выводов оптрона А, B, С, D сделаны, чтобы предложить варианты исполнения для замены этого узла (если не удалось достать оптрон). В первом варианте симисторный оптрон заменяем двумя популярными тиристорными оптронами типа АОУ-103В, при этом светодиоды включаем последовательно, а тиристоры встречно-параллельно (рис.4,а).

Переделка сетевых адаптеров в стандарте СЮП

Во втором варианте применяем оптрон с выходом на транзисторе, добавляем усилитель тока на транзисторе VT1, резистор R1 и диодный мост VD1-VD4 (рис.4,б). Если оптроны, вообще, не удается достать, то этот узел можно реализовать на электромагнитном реле, лучше всего герконовом типа РЭС-55 (рис.4,в). Можно использовать геркон типа КЭМ-2А, намотав на каркасе длиной, равной длине геркона, и высотой щек 4 мм обмотку с сопротивлением не менее 500 Ом. Вместо оптрона с симистором можно применить современный силовой оптрон серии 5П19.

Использование этих вариантов потребует увеличения объема, при этом розетку Х3 придется вынести из корпуса, а штатную плату переделать.

В результате проделанной работы получается универсальный очень удобный и безопасный силовой коммутатор переменного тока.

В заключение несколько слов о безопасности. Схемотехникой и конструкцией предусмотрен ряд мер по обеспечению защиты от поражения электрическим током (полная двойная гальваническая развязка) и по пожарной безопасности при перегрузках (предохранитель на ток 2 А). Однако монтаж выполнен в ограниченном объеме, и поэтому особую аккуратность и внимание следует уделить вопросам изоляции и выбора материалов и элементов конструкции (оптроны следует применять только с напряжением изоляции более 500 В). Если есть сомнения в качестве изделий (например, трансформатора), то их следует проверить в электролаборатории испытательным напряжением 1500 В. То же самое стоит проделать и с готовой конструкцией (проверить развязку между низковольтной и высоковольтной частями). Помните, что от этого зависит Ваша жизнь!

Автор: Ю.П.Саража

Смотрите другие статьи раздела Блоки питания.

Читайте и пишите полезные комментарии к этой статье.

<< Назад

Последние новости науки и техники, новинки электроники:

Власть является ключевым фактором счастья в отношениях 11.03.2026

Исследования семейных и романтических отношений показывают, что длительное счастье пары зависит не только от привычных факторов, таких как доверие, уважение и преданность, но и от более тонких психологических аспектов. Современные ученые ищут закономерности, которые отличают действительно счастливые пары от остальных, чтобы понять, какие механизмы поддерживают гармонию в отношениях. Группа исследователей из Университета Мартина Лютера в Галле-Виттенберге и Бамбергского университета провела опрос среди 181 пары, которые состояли в совместных отношениях более восьми лет и прожили вместе хотя бы месяц. Участники заполняли анкету, описывая различные аспекты своих отношений, включая распределение обязанностей, эмоциональную поддержку и степень вовлеченности в совместные решения. Анализ данных показал интересный паттерн: пары, где оба партнера ощущали высокий уровень личной власти, оказывались наиболее счастливыми и удовлетворенными. В данном контексте под властью понимается способност ...>>

Защищенная колонка-повербанк Anker Soundcore Boom Go 3i 11.03.2026

Компания Anker представила новую модель линейки Soundcore - колонку Soundcore Boom Go 3i, ориентированную на активное использование на улице. Новинка отличается высокой степенью защиты: корпус соответствует стандарту IP68, что обеспечивает водо- и пыленепроницаемость, а ударопрочный дизайн выдерживает падение с высоты до одного метра. За качество звука отвечает 15-ваттный драйвер, обеспечивающий пик громкости до 92 дБ, а технология BassUp 2.0 усиливает низкие частоты, делая звучание более насыщенным. Колонка обладает автономностью до 24 часов, а LED-индикатор позволяет контролировать уровень заряда батареи. Кроме того, Soundcore Boom Go 3i может выполнять функцию павербанка: согласно внутренним тестам, устройство способно зарядить iPhone 17 с нуля до 40% за один час, что делает его полезным аксессуаром в походах и поездках. Среди функциональных особенностей модели стоит выделить технологию Auracast, которая улучшает подключение и позволяет создавать стереопару из двух колонок ...>>

Раннее воздержание от алкоголя перестраивает мозг и иммунитет 10.03.2026

Алкогольная зависимость - хроническое расстройство с компульсивным употреблением спиртного, которое влияет не только на поведение, но и на функционирование мозга и иммунной системы. Недавние исследования показали, что даже на ранних этапах воздержания организм начинает перестраиваться, открывая новые возможности для терапии зависимости. Ученые сосредоточились на пациентах, находящихся в первые недели абстиненции, и зафиксировали значительные изменения в мозговой активности. С помощью функциональной магнитно-резонансной томографии они выявили перестройку сетей нейронных связей, отвечающих за контроль импульсов и принятие решений. Эти изменения могут быть ключевыми для восстановления самоконтроля и снижения риска рецидива. Одновременно с нейронной перестройкой исследователи наблюдали колебания иммунной системы. В крови повышался уровень цитокинов - сигнальных белков, регулирующих воспалительные процессы. Эти данные свидетельствуют о существовании нейроиммунного взаимодействия, при ...>>

Случайная новость из Архива

Извлечение редких металлов с помощью бактерий 31.08.2024

В условиях растущего спроса на редкие и дорогие металлы, необходимые для производства электромобилей и высокотехнологичных устройств, ученые продолжают искать эффективные методы их извлечения и повторного использования. Команда исследователей из Эдинбургского университета, под руководством профессора Луизы Хорсфолл, предложила инновационный способ переработки батарей с помощью микробов, который позволяет извлекать такие ценные ресурсы, как литий, кобальт, никель и марганец.

Эти металлы играют ключевую роль в создании множества современных технологий, таких как электромобили, беспилотники, водородные топливные элементы и ветряные турбины. Однако запасы этих ресурсов на Земле ограничены, и эффективная переработка становится жизненно важной задачей. Профессор Хорсфолл отмечает, что выбрасывание таких металлов в отходы - нерациональное использование ценных ресурсов, которые можно переработать и использовать повторно.

В основе нового метода лежит использование бактерий, которые способны синтезировать наночастицы металлов в процессе детоксикации. "Бактерии захватывают атомы металлов и затем преобразуют их в наночастицы, чтобы избежать отравления", - объясняет Хорсфолл. Этот процесс позволяет бактериям не только выжить в агрессивной среде, но и стать полезным инструментом для извлечения металлов из электронных отходов.

Исследовательская группа успешно провела эксперименты по переработке отработанных батарей, растворив их содержимое и применив штаммы бактерий для извлечения металлов. В результате ученые получили наночастицы марганца, никеля, лития, а затем, используя другой штамм бактерий, удалось извлечь кобальт и никель. Этот успех открывает новые перспективы для использования биологических методов в переработке редких металлов.

Следующим шагом для команды Хорсфолл станет генетическое редактирование бактерий с целью увеличения выхода металлов. Это позволит повысить эффективность процесса и сделать его более рентабельным. Также ученые планируют продемонстрировать, что извлеченные с помощью бактерий металлы могут использоваться в новых батареях и устройствах, что подтвердит пригодность метода для промышленного применения.

Таким образом, использование бактерий для переработки электронных отходов представляет собой перспективный метод, который может стать важным элементом в цепочке устойчивого использования природных ресурсов. В случае успешного завершения исследований и внедрения метода в промышленность, это не только сократит количество отходов, но и обеспечит стабильный источник редких металлов для высокотехнологичных отраслей.

Другие интересные новости:

▪ 5-ти канальный регулятор питания Infineon IRPS5401

▪ Intel разрабатывает свой Centrino-ноутбук

▪ Лазерный передатчик радиочастотных волн

▪ Светодиоды для уличного освещения

▪ Карликовая Солнечная система

Лента новостей науки и техники, новинок электроники

 

Интересные материалы Бесплатной технической библиотеки:

▪ раздел сайта Палиндромы. Подборка статей

▪ статья Стереограммы из абстрактного фона. Энциклопедия зрительных иллюзий

▪ статья Для чего китаянки уезда Цзянъюн с давних времен пользовались письменностью, скрываемой от мужчин? Подробный ответ

▪ статья Водопад Ауграбис. Чудо природы

▪ статья Прибор для лечения инфракрасным и лазерным излучением. Энциклопедия радиоэлектроники и электротехники

▪ статья АМ-ЧМ радиоприемник с низковольтным питанием. Энциклопедия радиоэлектроники и электротехники

Оставьте свой комментарий к этой статье:

Имя:


E-mail (не обязательно):


Комментарий:





Главная страница | Библиотека | Статьи | Карта сайта | Отзывы о сайте

www.diagram.com.ua

www.diagram.com.ua
2000-2026