Бесплатная техническая библиотека
Зарядное устройство АМТ TRAVEL ADAPTER для сотового телефона. Энциклопедия радиоэлектроники и электротехники

Энциклопедия радиоэлектроники и электротехники / Зарядные устройства, аккумуляторы, гальванические элементы
Комментарии к статье
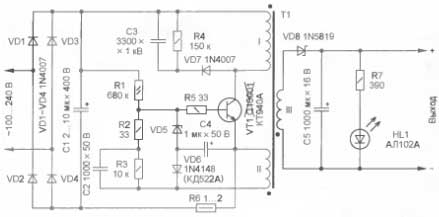
Зарядные устройства АМТ TRAVEL ADAPTER работают в широком интервале напряжения сети 100...240 В, выдают стабилизированное выходное напряжение 4,8 ...8,5 В с максимальным током нагрузки 0,6 А. Они собраны по схеме, показанной на рисунке, просты по конструкции и интересны по принципу работы. Выпрямленное диодным мостом VD1-VD4 и сглаженное конденсатором С1 напряжение сети питает однотактный обратноходовый преобразователь напряжения, основа которого - автогенератор на транзисторе VT1 и трансформаторе Т1 с тремя обмотками: I - сетевой, II - обратной связи, III - выходной. Обмотки II и III одинаковые, сетевая обмотка I содержит в 10 раз больше витков.

При включении питания в цепи базы транзистора VT1 через резистор R1 протекает ток Iб1, примерно равный 300 B/R1 =0,4 мА. Этот ток, усиленный транзистором, начинает протекать через обмотку I трансформатора. Под действием сильной положительной обратной связи напряжение обмотки II (около 30 В) прикладывается к транзистору VT1 через цепь C2R3R2R5 в открывающей полярности. Развивается регенеративный процесс, транзистор VT1 входит в насыщение, и в результате к обмотке I прикладывается полное выпрямленное напряжение сети. Ток этой обмотки нарастает, магнитопровод трансформатора накапливает энергию. В это время диоды VD6-VD8 закрыты обратным напряжением. Напряжение на обмотках II и III достигает 30 В. Конденсатор С2 быстро заряжается, после чего в базу транзистора течет ток Iб2 через резистор R3 (30 В/10 кОм = 3 мА), который складывается с Iб1. Суммарный ток базы Iб = Iб1+Iб2 примерно равен 3,4 мА.
Ток коллектора насыщенного транзистора нарастает до h21э*Iб. где h21э - коэффициент передачи тока базы, после чего транзистор выходит из насыщения, напряжение на обмотках трансформатора уменьшается. Развивается обратный регенеративный процесс, транзистор закрывается, напряжение на обмотках меняет полярность. Диоды VD6-VD8 открываются. Демпфирующая цепь VD7C3R4 уменьшает выброс ЭДС самоиндукции трансформатора Т1 и, соответственно, ограничивает напряжение на коллекторе транзистора VT1. Через диод Шотки VD8 заряжается конденсатор С5, к которому подключена нагрузка. Светодиод HL1 - индикатор выходного напряжения, резистор R7 задает ток через него. Через диод VD6 заряжается конденсатор С4 до амплитуды напряжения обратного хода, которое больше напряжения стабилизации стабилитрона VD5, в результате чего он открывается, напряжение на базе транзистора VT1 становится отрицательным и препятствует его открыванию. Это - время паузы между импульсами, оно намного превышает длительность импульса. Ток I61 через резистор R1 протекает не в базу транзистора VT1, а в открытый стабилитрон VD5 и конденсатор С4, разряжая его. Напряжение на этом конденсаторе уменьшается, на базе транзистора VT1 возрастает. Когда оно достигнет примерно 0,7 В, пауза завершится, транзистор откроется и начнется новый цикл генерации. Подбирая номиналы элементов R3, С4 и VD5, можно регулировать частоту генерации и выходное напряжение устройства. Стабилитрон VD5 - маломощный с напряжением стабилизации 3,3...8,2 В. Светодиод HL1 - любой маломощный.
Рассматриваемые зарядные устройства отличаются весьма низкой надежностью. Часто выходит из строя коммутирующий транзистор VT1 из серии Q13001, вызывая повреждения связанных с ним элементов. В процессе ремонта он был заменен транзистором КТ940А, который выбран потому, что широко распространен. Следует отметить, что он работает без запаса по напряжению, поскольку его максимально допустимое напряжение коллектор-эмиттер равно 300 В. Несмотря на это, отремонтированные устройства не выходили из строя.
Автор: В.Зорин, г. Юрга Кемеровской обл.; Публикация: radioradar.net
Смотрите другие статьи раздела Зарядные устройства, аккумуляторы, гальванические элементы.
Читайте и пишите полезные комментарии к этой статье.
<< Назад
Последние новости науки и техники, новинки электроники:
Власть является ключевым фактором счастья в отношениях
11.03.2026
Исследования семейных и романтических отношений показывают, что длительное счастье пары зависит не только от привычных факторов, таких как доверие, уважение и преданность, но и от более тонких психологических аспектов. Современные ученые ищут закономерности, которые отличают действительно счастливые пары от остальных, чтобы понять, какие механизмы поддерживают гармонию в отношениях.
Группа исследователей из Университета Мартина Лютера в Галле-Виттенберге и Бамбергского университета провела опрос среди 181 пары, которые состояли в совместных отношениях более восьми лет и прожили вместе хотя бы месяц. Участники заполняли анкету, описывая различные аспекты своих отношений, включая распределение обязанностей, эмоциональную поддержку и степень вовлеченности в совместные решения.
Анализ данных показал интересный паттерн: пары, где оба партнера ощущали высокий уровень личной власти, оказывались наиболее счастливыми и удовлетворенными. В данном контексте под властью понимается способност ...>>
Защищенная колонка-повербанк Anker Soundcore Boom Go 3i
11.03.2026
Компания Anker представила новую модель линейки Soundcore - колонку Soundcore Boom Go 3i, ориентированную на активное использование на улице.
Новинка отличается высокой степенью защиты: корпус соответствует стандарту IP68, что обеспечивает водо- и пыленепроницаемость, а ударопрочный дизайн выдерживает падение с высоты до одного метра. За качество звука отвечает 15-ваттный драйвер, обеспечивающий пик громкости до 92 дБ, а технология BassUp 2.0 усиливает низкие частоты, делая звучание более насыщенным.
Колонка обладает автономностью до 24 часов, а LED-индикатор позволяет контролировать уровень заряда батареи. Кроме того, Soundcore Boom Go 3i может выполнять функцию павербанка: согласно внутренним тестам, устройство способно зарядить iPhone 17 с нуля до 40% за один час, что делает его полезным аксессуаром в походах и поездках.
Среди функциональных особенностей модели стоит выделить технологию Auracast, которая улучшает подключение и позволяет создавать стереопару из двух колонок ...>>
Раннее воздержание от алкоголя перестраивает мозг и иммунитет
10.03.2026
Алкогольная зависимость - хроническое расстройство с компульсивным употреблением спиртного, которое влияет не только на поведение, но и на функционирование мозга и иммунной системы. Недавние исследования показали, что даже на ранних этапах воздержания организм начинает перестраиваться, открывая новые возможности для терапии зависимости.
Ученые сосредоточились на пациентах, находящихся в первые недели абстиненции, и зафиксировали значительные изменения в мозговой активности. С помощью функциональной магнитно-резонансной томографии они выявили перестройку сетей нейронных связей, отвечающих за контроль импульсов и принятие решений. Эти изменения могут быть ключевыми для восстановления самоконтроля и снижения риска рецидива.
Одновременно с нейронной перестройкой исследователи наблюдали колебания иммунной системы. В крови повышался уровень цитокинов - сигнальных белков, регулирующих воспалительные процессы. Эти данные свидетельствуют о существовании нейроиммунного взаимодействия, при ...>>
Случайная новость из Архива Водородная батарейка от Apple
17.03.2015
Компания Apple получила в США патент №8980491 на конструкцию "портативного водородного топливного элемента" (portable hydrogen fuel cell system), способного обеспечить автономную работу iPhone и iPad в течение "дней и даже недель" без подзарядки.
Согласно патенту, топливный элемент Apple - это внешнее устройство, предназначенное для подпитки портативной электроники. Оно содержит топливный картридж, "преобразующий топливо в электрическую энергию", блок управления, интерфейс для передачи энергии мобильному устройству и двунаправленную линию связи для обмена с устройством технической информацией. Внешнее исполнение устройство объясняется его габаритами.
В качестве топлива Apple предлагает использовать жидкий водород или его соединения: сочетание борогидрида натрия, силиката натрия, гидрата лития, гидрида магния, борогидрида лития или алюмогидрида лития с водой.
Топливный элемент - это электрохимическое устройство, преобразующее исходные вещества (топливо) в электрический ток. Особенность элемента заключается в том, что топливо, на котором он работает, можно загружать извне порциями, по мере его расходования. В водородном элементе ток возникает в ходе химической реакции между водородом и кислородом из воздуха.
"В последнее время производители электроники стали уделять большее внимание разработке возобновляемых источников энергии, включая портативные топливные элементы. Топливные элементы на основе водорода имеют ряд преимуществ. Они позволяют получить высокую энергетическую плотность в единице объема, что позволяет обеспечить работу портативной электроники в течение дней и даже недель без перезарядки элемента", - пояснили авторы изобретения.
В то же время разработчики признали, что разработать достаточно компактный топливный элемент, который можно было бы поместить непосредственно в само портативное электронное устройство, - достаточно сложная задача на сегодняшний день. Еще одна сложность - сделать такой топливный элемент недорогим.
Подобная технология уже давно используется в аэрокосмической промышленности - для электропитания космических аппаратов. На рынке же потребительской электроники топливные элементы стали пользоваться повышенным вниманием вследствие роста энергопотребления устройств.
|
Другие интересные новости:
▪ Бытовой мюонный детектор
▪ Искусственный лист, улавливающий углекислый газ
▪ Робот-сиделка
▪ Новый метод превращения углекислого газа в метан
▪ Носимый датчик предупредит о риске инсульта
Лента новостей науки и техники, новинок электроники
Интересные материалы Бесплатной технической библиотеки:
▪ раздел сайта Зрительные иллюзии. Подборка статей
▪ статья Ударить в грязь лицом. Крылатое выражение
▪ статья Когда был сконструирован компьютер? Подробный ответ
▪ статья Корица китайская. Легенды, выращивание, способы применения
▪ статья Антенна с переключаемой диаграммой направленности. Энциклопедия радиоэлектроники и электротехники
▪ статья Квадратура круга. Секрет фокуса
Оставьте свой комментарий к этой статье:
Главная страница | Библиотека | Статьи | Карта сайта | Отзывы о сайте

www.diagram.com.ua
2000-2026