Бесплатная техническая библиотека
Зарядное устройство для 12-вольтовых аккумуляторов, 4,5 Ач. Энциклопедия радиоэлектроники и электротехники

Энциклопедия радиоэлектроники и электротехники / Зарядные устройства, аккумуляторы, гальванические элементы
Комментарии к статье
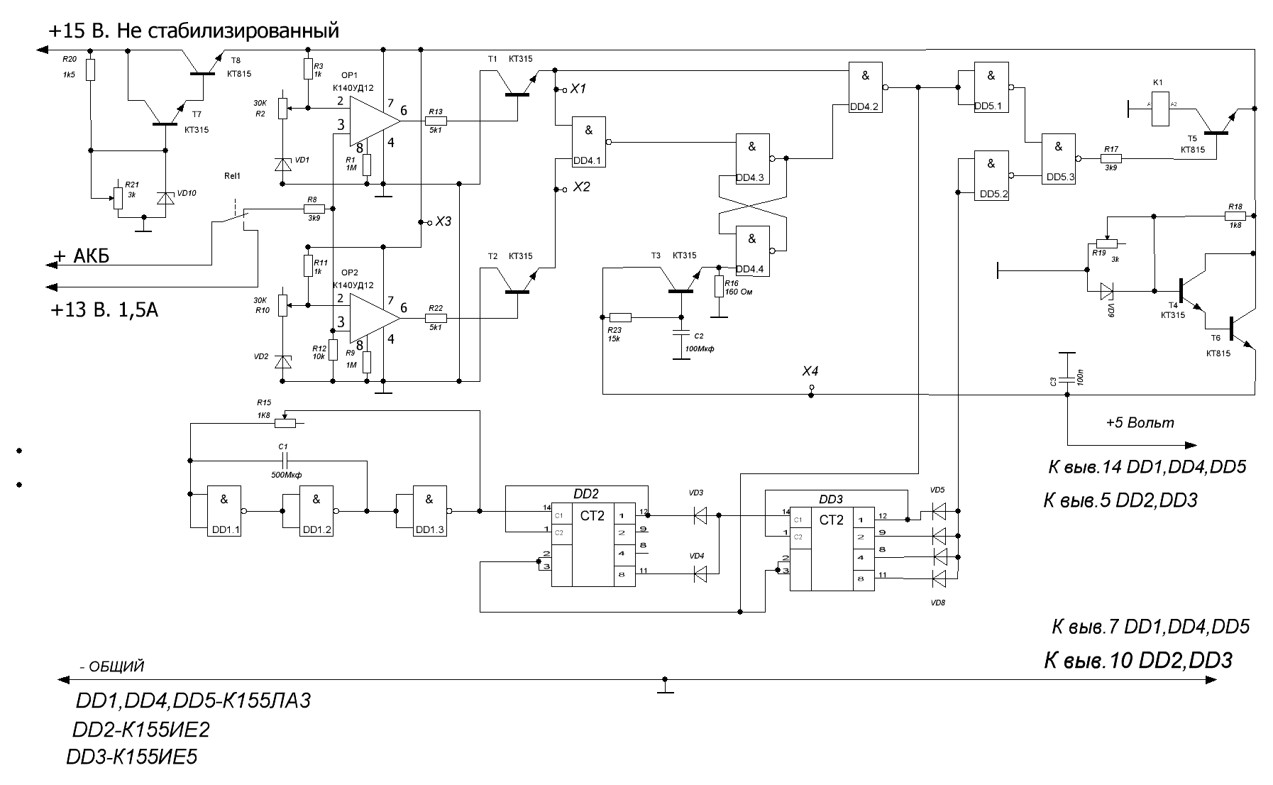
Если выходное напряжение АКБ упало ниже 11,5 Вольт (этот параметр можно настраивать) то прибор начинает его зарядку. При повышении выходного напряжения АКБ до 12,5 Вольт (этот параметр можно настраивать) то прибор автоматически прекратит зарядку.
Для работы прибора необходимо постоянное напряжение 15 Вольт (не стабилизированное, можно брать с диодного мостика),мощностью 0,5 А. И постоянное напряжение 13 Вольт, мощностью 2 А (зависит от технических характеристик АКБ).
(нажмите для увеличения)
Прибор состоит из компараторов собранных на операционных усилителях К140УД12. Таймера собранного на микросхемах DD1,DD2,DD3 и узле совпадения на микросхемах DD4,DD5.
При включении прибора он измеряет напряжение на АКБ и сравнивает его с пороговым(например 11,5 В) если напряжение на выходе АКБ меньше порогового то прибор начинает заряжать АКБ (при этом напряжение на выходе АКБ не измеряется),через 7 минут зарядки прибор перестает заряжать АКБ и проверяет его напряжение. Если выходное напряжение АКБ меньше 12,5 Вольт, то прибор вновь начинает зарядку АКБ. И так до тех пор, пока напряжение на выходе АКБ не станет выше 12,5 Вольт.
Для удобства в настройке прибора я встроил туда контрольные точки( Х1,Х2,Х3,Х4).На точке Х3 должно быть +15 Вольт. Наточке Х4 должно быть напряжение +5 Вольт, его можно подстроить с помощью переменного резистора R19.Напряжение на точке Х1 является пороговым для отключения зарядки АКБ. Его можно подстроить с помощью переменного резистора R2 (я установил там напряжение 12,5 Вольт). Напряжение на точке Х2 является пороговым для начала зарядки АКБ. Его можно подстроить с помощью переменного резистора R10 (я установил там напряжение 11,5 Вольт). Для настройки порогов срабатывания прибора можно использовать маломощьный БП с регулируемым выходным напряжением 10-14 вольт. На его выход надо поставить диод и подключить его вместо АКБ.
В приборе используются микросхемы из серии К155 и операционные усилители К140УД12. Используется реле РЕС22, транзисторы из серий КТ315 и КТ815. Резисторы и диоды-любые маломощные.
Автор: Гиорги Гулабян; Публикация: cxem.net
Смотрите другие статьи раздела Зарядные устройства, аккумуляторы, гальванические элементы.
Читайте и пишите полезные комментарии к этой статье.
<< Назад
Последние новости науки и техники, новинки электроники:
Рыжий ген и ускоренная эволюция
30.04.2026
Вопрос о том, как и насколько быстро меняется человеческий вид, давно занимает биологов и генетиков. Долгое время считалось, что эволюционные процессы происходят крайне медленно, однако новые данные заставляют пересматривать эти представления. Особенно интересные результаты связаны с изменением частоты редких генетических признаков, включая рыжий цвет волос.
Рыжеволосость сегодня остается редкой чертой: ее носители составляют менее 2 процентов мирового населения. Однако анализ древней и современной ДНК показывает, что ген, связанный с этим признаком, за последние примерно 10 тысяч лет стал заметно более распространенным, особенно среди популяций Европы. Более того, вместе с ним исследователи фиксируют и другие изменения в генетическом профиле человека, затрагивающие внешность и физиологические особенности.
Среди сопутствующих тенденций, выявленных в генетических данных, отмечается увеличение частоты светлой кожи, снижение вероятности мужского облысения, а также некоторые физиолог ...>>
Нейтринный лазер
30.04.2026
Нейтринный лазер - это гипотетическое устройство, способное управлять потоками одних из самых трудноуловимых частиц во Вселенной. Такая разработка открывает новые горизонты в изучении фундаментальных законов природы и может изменить представления о космосе.
Идею нового типа излучателя представили физики из Massachusetts Institute of Technology, предложив лазер, который вместо света генерирует поток нейтрино. Эти частицы, почти не взаимодействующие с материей, настолько слабо проявляют себя, что их часто называют "частицами-призраками". Тем не менее они пронизывают все вокруг: по оценкам, триллионы нейтрино ежесекундно проходят через человеческое тело, не оставляя следа.
Несмотря на их колоссальную распространенность во Вселенной, нейтрино остаются одними из наименее изученных частиц. Их крайне сложно регистрировать, а еще сложнее контролировать, поэтому традиционно их получают в крупных установках вроде ядерных реакторов или ускорителей частиц. Такие комплексы требуют огромных за ...>>
Мороженое не такое вредное, как принято считать
29.04.2026
В питании часто встречаются продукты, которые одновременно вызывают удовольствие и сомнения с точки зрения здоровья. К таким относится и мороженое: оно воспринимается как типичный десерт с высоким содержанием сахара и жиров, однако современные научные данные постепенно усложняют это привычное представление.
Долгое время считалось, что мороженое не может быть частью рационального питания, однако исследования последних лет показывают более неоднозначную картину. Ученые подчеркивают, что влияние этого продукта на организм зависит не только от его сладости или калорийности, но и от состава, качества ингредиентов и общего образа жизни человека.
Одни из наиболее масштабных данных были получены в рамках долгосрочных наблюдений в США, включавших проекты Nurses Health Study, Nurses Health Study II и Health Professionals Follow-Up Study. В этих исследованиях на протяжении 20-40 лет наблюдали примерно 190 тысяч взрослых участников, регулярно собирая данные об их питании, физической активнос ...>>
Случайная новость из Архива Смартфон Samsung для слабовидящих людей
22.03.2014
Компания Samsung Electronics передала сертификат на 100 смартфонов Samsung Galaxy Core Advance Общероссийской общественной организации инвалидов "Всероссийское ордена Трудового Красного Знамени общество слепых" (ВОС).
Samsung Galaxy Core Advance оснащается уникальными функциями и аксессуарами для потребителей с ограниченными возможностями здоровья по зрению, а также людей пожилого возраста. Смартфон с большим и ярким 4,7-дюймовым экраном, дополнительными физическими кнопками и задней панелью с нескользящим покрытием гарантирует комфортное управление. Отдельного упоминания заслуживает специальный режим, который упрощает работу со смартфоном благодаря крупным значкам и легко читающимся надписям. Он незаменим для пользователей с ограниченными возможностями зрения и позволит им легко совершать звонки, набирать сообщения и пользоваться всеми преимуществами современной техники. Кроме того, в новинке вместо традиционных для современных смартфонов сенсорных кнопок используются физические, имеющие четко выраженную тактильную отдачу при нажатии. Физические кнопки предусмотрены для наиболее часто используемых функций: диктофона, камеры, регулировки громкости, меню смартфона, включения питания.
Среди дополнительных функций, разработанных компанией Samsung специально для людей с ограниченными возможностями здоровья, можно выделить оптическое сканирование для автоматического распознавания текста из изображения и последующего голосового воспроизведения, приложение Light Sensing, позволяющее определять направление на источники света и их яркость со звуковой индикацией, диктофон Instant Voice Recorder для быстрого создания голосовых заметок и, конечно, специальный режим работы интерфейса смартфона, в котором навигация по меню и все действия пользователя подтверждаются голосовой обратной связью.
Также стоит отметить конвертацию текста в голосовое сообщение TTS (Text-to-Speech) и функцию Voice Guided Camera для удобного определения количества людей и их расположения при фотосъемке. Samsung Galaxy Core Advance оснащается рядом фирменных функций линейки Galaxy, в том числе S Voice, S Translator, Sound & Shot, Group Play и Easy Mode. Среди преимуществ новинки - современные беспроводные интерфейсы, включая Bluetooth 4.0 и Wi-Fi, поддержка позиционирования с системами GPS и ГЛОНАСС, а также поддержка NFC и S Beam для быстрой загрузки видео, аудио или контактных данных с других смартфонов одним нажатием клавиши.
Не менее интересны и аксессуары, разработанные специально для Samsung Galaxy Core Advance. В их число входят голосовые NFC-метки, позволяющие удобно промаркировать любые предметы, специальная подставка-штатив, облегчающая сканирование и распознавание печатного текста, журналов и книг, а также чехол с ультразвуковым дальномером, с помощью которого смартфон превращается в настоящего поводыря, сигнализирующего вибрацией о наличии препятствий на пути владельца смартфона и расстоянии до них.
Samsung Galaxy Core Advance поступил в продажу в двух вариантах цвета - темно-синем и жемчужно-белом - в начале 2014 г.
|
Другие интересные новости:
▪ Успех волитроники
▪ Карманная видеокамера
▪ Цифровая пишущая машинка Pomera DM30 с экраном E Ink
▪ Развить в себе эхолокацию может каждый
▪ Спутниковый интернет для Африки
Лента новостей науки и техники, новинок электроники
Интересные материалы Бесплатной технической библиотеки:
▪ раздел сайта Жизнь замечательных физиков. Подборка статей
▪ статья Счастливые часов не наблюдают. Крылатое выражение
▪ статья Как ударник группы ZZ Top опровергает свою фамилию? Подробный ответ
▪ статья Дынное дерево. Легенды, выращивание, способы применения
▪ статья Датчик радиоизлучений. Энциклопедия радиоэлектроники и электротехники
▪ статья Транзисторы биполярные и полевые. Энциклопедия радиоэлектроники и электротехники
[an error occurred while processing this directive]
Оставьте свой комментарий к этой статье:
Главная страница | Библиотека | Статьи | Карта сайта | Отзывы о сайте

www.diagram.com.ua
2000-2026