Бесплатная техническая библиотека
Преобразователь однополярного напряжения в двухполярное 30 вольт 1 ампер. Энциклопедия радиоэлектроники и электротехники

Энциклопедия радиоэлектроники и электротехники / Преобразователи напряжения, выпрямители, инверторы
Комментарии к статье
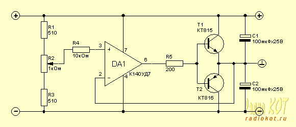
Надеюсь, никто не будет оспаривать частую необходимость двухполярного питания? А также частую невозможность получить его стандартными средствами, типа трансформатора с выводом от середины обмотки? Делитель из резисторов? Да, можно, только вот в этом случае никто не гарантирует вам симметричности напряжений в плечах, а соответственно и симметричности выходного сигнала, если речь идет об усилителе с двухполярным питанием. Так что смотрим на схему и вникаем.

Максимальное входное напряжение для этой схемы составляет 30 вольт. Таким образом, на выходе, мы получаем +/-15 вольт.
Ток нагрузки - 1А.
Принцип действия преобразователя похож на работу компенсационного стабилизатора напряжения. Микросхема DA1 сравнивает образцовое напряжение, подаваемое на неинвертирующий вход с резистивного делителя R1-R3 с напряжением, поступающим на инвертирующий вход с выхода устройства. В соответствии с этим корректируется выходной сигнал, регулирующий отпирание/запирание выходных транзисторов. Максимальное напряжение ограничено только напряжением питания операционного усилителя. А выходной ток - установленными выходными транзисторами. Такая вот полезная штука.
Табличка с элементами, чуть не забыл.
|
Обозначение на схеме |
Номинал |
|
C1 |
100мкФх25В |
|
C2 |
100мкФх25В |
|
|
|
|
R1 |
510 |
|
R3 |
510 |
|
R2 |
1кОм |
|
R5 |
200 |
|
R4 |
10кОм |
|
|
|
|
T1 |
КТ815 |
|
T2 |
КТ816 |
|
|
|
|
DA1 |
К140УД7 |
Публикация: radiokot.ru
Смотрите другие статьи раздела Преобразователи напряжения, выпрямители, инверторы.
Читайте и пишите полезные комментарии к этой статье.
<< Назад
Последние новости науки и техники, новинки электроники:
Власть является ключевым фактором счастья в отношениях
11.03.2026
Исследования семейных и романтических отношений показывают, что длительное счастье пары зависит не только от привычных факторов, таких как доверие, уважение и преданность, но и от более тонких психологических аспектов. Современные ученые ищут закономерности, которые отличают действительно счастливые пары от остальных, чтобы понять, какие механизмы поддерживают гармонию в отношениях.
Группа исследователей из Университета Мартина Лютера в Галле-Виттенберге и Бамбергского университета провела опрос среди 181 пары, которые состояли в совместных отношениях более восьми лет и прожили вместе хотя бы месяц. Участники заполняли анкету, описывая различные аспекты своих отношений, включая распределение обязанностей, эмоциональную поддержку и степень вовлеченности в совместные решения.
Анализ данных показал интересный паттерн: пары, где оба партнера ощущали высокий уровень личной власти, оказывались наиболее счастливыми и удовлетворенными. В данном контексте под властью понимается способност ...>>
Защищенная колонка-повербанк Anker Soundcore Boom Go 3i
11.03.2026
Компания Anker представила новую модель линейки Soundcore - колонку Soundcore Boom Go 3i, ориентированную на активное использование на улице.
Новинка отличается высокой степенью защиты: корпус соответствует стандарту IP68, что обеспечивает водо- и пыленепроницаемость, а ударопрочный дизайн выдерживает падение с высоты до одного метра. За качество звука отвечает 15-ваттный драйвер, обеспечивающий пик громкости до 92 дБ, а технология BassUp 2.0 усиливает низкие частоты, делая звучание более насыщенным.
Колонка обладает автономностью до 24 часов, а LED-индикатор позволяет контролировать уровень заряда батареи. Кроме того, Soundcore Boom Go 3i может выполнять функцию павербанка: согласно внутренним тестам, устройство способно зарядить iPhone 17 с нуля до 40% за один час, что делает его полезным аксессуаром в походах и поездках.
Среди функциональных особенностей модели стоит выделить технологию Auracast, которая улучшает подключение и позволяет создавать стереопару из двух колонок ...>>
Раннее воздержание от алкоголя перестраивает мозг и иммунитет
10.03.2026
Алкогольная зависимость - хроническое расстройство с компульсивным употреблением спиртного, которое влияет не только на поведение, но и на функционирование мозга и иммунной системы. Недавние исследования показали, что даже на ранних этапах воздержания организм начинает перестраиваться, открывая новые возможности для терапии зависимости.
Ученые сосредоточились на пациентах, находящихся в первые недели абстиненции, и зафиксировали значительные изменения в мозговой активности. С помощью функциональной магнитно-резонансной томографии они выявили перестройку сетей нейронных связей, отвечающих за контроль импульсов и принятие решений. Эти изменения могут быть ключевыми для восстановления самоконтроля и снижения риска рецидива.
Одновременно с нейронной перестройкой исследователи наблюдали колебания иммунной системы. В крови повышался уровень цитокинов - сигнальных белков, регулирующих воспалительные процессы. Эти данные свидетельствуют о существовании нейроиммунного взаимодействия, при ...>>
Случайная новость из Архива Превращение металла в диэлектрик
03.05.2017
Исследователи из Высшей школы экономики и Наноцентра Ювяскуля (Финляндия) впервые экспериментально продемонстрировали квантовый размерный эффект в металлическом нанопроводе. Обнаруженный эффект универсален и должен приниматься во внимание при проектировании наноэлектронных систем сверхмалых размеров.
В исследовании показано, как электрическое сопротивление металлического нанопровода из висмута в процессе уменьшения его диаметра немонотонно меняется и затем резко возрастает, переводя объект в диэлектрическое (изолирующее) состояние. По мнению ученых, квантово-размерные эффекты связаны с фундаментальным явлением - квантованием энергетического спектра электронов. И наблюдать его можно только в объектах исключительно малых размеров.
"Носителем заряда является, как правило, электрон и четкое его положение определить невозможно, однако мы знаем вероятность его нахождения в определенной области. Эта вероятность описывается квантовомеханической волновой функцией, а у каждой волны есть свой характерный масштаб - длина волны, - поясняет один из соавторов исследования. - Так вот, если мы изготовим проводник, размеры которого будут сравнимы с длиной этой волны, произойдет качественное изменение свойств системы. В таком случае говорят о квантовании энергетических уровней, то есть расщеплении непрерывного спектра на четко определенные уровни. Кроме этого, есть так называемый, уровень Ферми, который отделяет заполненные энергетические состояния от незаполненных. Так вот, при уменьшении размеров проводника энергетические уровни начинают сдвигаться относительно этого порогового значения, и в момент, когда последний заполненный уровень пересекает уровень Ферми, образец переходит из металлического в диэлектрическое состояние. Это и есть суть квантового размерного эффекта в нашем случае".
В качестве "испытуемых" были выбраны нанопровода, так как провод является основой любой электрической цепи, также для примера исследовалась тонкая пленка. Есть несколько методов изучения квантовых размерных эффектов (КРЭ). В первом - последовательно уменьшается размер одного и того же образца; во втором - используют несколько образцов разного размера.
Исследователи выбрали первый, так как, по их мнению, он соответствовал более "чистому" эксперименту. Основной проблемой при этом стала задача уменьшить структуру так, чтобы не повредить ее. Уменьшались размеры наноструктур травлением направленным пучком ионов инертного газа (аргона), тем самым "стачивая" поверхность. Был найден оптимальный режим обработки, при котором шероховатость поверхности составляла примерно 1 нанометр (около двух атомных слоев). При этом самый маленький диаметр провода составлял около 40 нм, а стартовый диаметр - порядка 300 нм. Сами образцы изготавливались при использовании достаточно стандартного процесса электроннолучевой литографии и направленного вакуумного напыления. После изготовления образцов и тщательной их проверки, лучшие отбирались для измерений. Затем многократно повторялся цикл ионного травления и измерений до того момента, когда структура утончалась до такого предела, что просто выходила из строя (т.е. рвалась).
"Главным результатом работы стало то, что этот заветный переход металл-диэлектрик существует не только в расчетах теоретиков, но и может экспериментально наблюдаться. В более ранних работах такой результат был достигнут на тонких пленках, также были попытки сделать это и в нанопроводах, но не слишком успешные. Так что можно сказать, что наша работа - одна из первых, в которой экспериментально продемонстрирован квантовый размерный эффект в металлическом проводнике. Квантовый размерный эффект - универсальное явление, которое должно присутствовать абсолютно в любых системах достаточно малых размеров. Таким образом, наши исследования позволяют определить фундаментальные ограничения на миниатюризацию элементов (нано)электронных цепей", - отмечают ученые.
|
Другие интересные новости:
▪ Техпроцесс SOI для радиочастотных чипов массовых применений
▪ Видеокамеры выявляют преступления
▪ Солнечная энергетика спасет пчел от вымирания
▪ Logitech Wireless DJ Music System
▪ Прочный и пластичный прорезиненный бетон
Лента новостей науки и техники, новинок электроники
Интересные материалы Бесплатной технической библиотеки:
▪ раздел сайта Гирлянды. Подборка статей
▪ статья Поршневая паровая машина с качающимся цилиндром. Советы моделисту
▪ статья Почему европейцы до 17 века считали, что на территории Китая было два разных государства? Подробный ответ
▪ статья Камарг. Чудо природы
▪ статья Чувствительный металлоискатель. Энциклопедия радиоэлектроники и электротехники
▪ статья Цветы и голуби. Секрет фокуса
Оставьте свой комментарий к этой статье:
Главная страница | Библиотека | Статьи | Карта сайта | Отзывы о сайте

www.diagram.com.ua
2000-2026