Бесплатная техническая библиотека
Фазовый регулятор мощности. Энциклопедия радиоэлектроники и электротехники

Энциклопедия радиоэлектроники и электротехники / Регуляторы тока, напряжения, мощности
Комментарии к статье
Для регулировки мощности создано немало схем, но радиолюбители продолжают эксперименты в поисках оптимальной. Существующие схемы фазовой регулировки мощности, хоть и привлекают своей простотой, но обладают одним существенным недостатком - при изменении сетевого напряжения приходится заново подбирать режим управления симистором для данной мощности. К тому же, согласитесь, регулировать мощность потенциометром неудобно, особенно если приходится периодически возвращаться к ранее заданным режимам.
Предлагаемая схема (рис. 1) основана на принципе фазовой регулировки мощности в нагрузке дискретным способом. Рассмотрим работу схемы, когда переключатель SA1 установлен в положение 10.
Рис. 1. Принципиальная схема регулятора мощности
Сетевое напряжение 50 Гц (рис. 2а) через ограничительный резистор R1 поступает на диодный мост VD1...VD4, выпрямляется, при этом частота импульсов удваивается (рис. 2б) Синхроимпульсы, ограниченные резисторами R4, R5, поступают на вход (вывод 1) DD1.1. В начальный момент времени на входе 1 микросхемы DD1.1 - логический "0", вследствие этого на выходе 3 DD1.1 будет логическая "1" (рис. 2в), которая запустит генератор на элементах DD1.3, DD1.4. Генератор настроен на частоту 1000 Гц. При подключении к сети, импульсы с частотой 100 Гц, пройдя через диод VD9, заряжают конденсатор C3. В этот момент происходит сброс счетчика DD2. Одновременно заряжается конденсатор С2, напряжение с которого, ограниченное стабилитроном VD10, служит для питания микросхем.
Рис. 2. Графики напряжений
Импульсы с генератора заполняют счетчик DD2. После 10-го импульса на выходе Q9 DD2 появляется логическая "1" (рис. 2г), которая через резистор R8 открывает транзистор VT1, коммутирующий оптодинистор VU1. Последний через диодный мостик VD5...VD8 включает симистор VS1. Мощность в нагрузке при этом будет минимальной, поскольку симистор открывается в конце полупериода сетевого напряжения (рис. 2д).
Одновременно с открыванием VT1, через конденсатор С1 происходит сброс RS-триггера DD1.1, DD1.2, а через резистор R9 - счетчика DD2. Длительности импульсов сброса и открывания симистора зависят от номиналов R9, R11, C3.
Если же переключатель SA1 установить в положение 1, то открывание симистора происходит при первом приходящем на вход счетчика DD2 импульсе с генератора (рис. 2е) В этом случае выделяемая в нагрузке мощность будет максимальной.
Приведенная схема содержит один переключатель и один счетчик, поэтому дискретность переключения мощности равна примерно 10%. Для более плавного изменения мощности (уменьшения дискретности регулировки) необходимо установить дополнительные счетчики и переключатели. Все входы сброса счетчиков объединяются, с выхода первого переключателя сигнал заводится на тактовый вход (вход С) второго счетчика и т.д. Резисторы R8, R9 подключаются к последнему переключателю. Необходимо также увеличить частоту заполнения счетчиков (2, 3, 4 кГц и т.д).
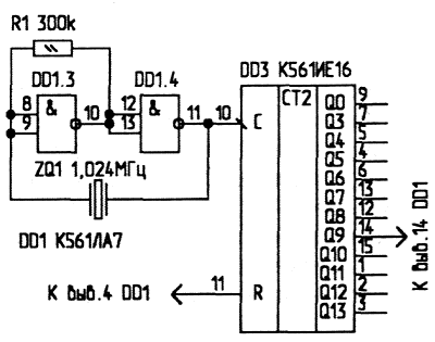
Точность установки мощности зависит, в основном, от дрейфа частоты генератора. Если необходима большая точность, рекомендую использовать кварцованный генератор тактовых импульсов, показанный на рис. 3. Конечно, разброс регулировки мощности за счет нестабильности сети как по напряжению, так и по частоте остается.
Рис. 3. Генератор тактовых импульсов
Устройство собрано на печатной плате размерами 55x80 мм (рис. 4). Все детали, кроме переключателя SA1, размещены на плате. SA1 монтируется на передней панели устройства. Шлейф, соединяющий переключатель с платой, должен быть не более 25 см.
Рис. 4. Печатная плата регулятора
Детали. Симистор в данном устройстве можно применить любой. От этого зависит только регулируемая мощность. Стабилитрон VD10 - любой с напряжением стабилизации 9...15 В. Микросхемы серии 561 можно заменить на 176-ю. Тогда нужен стабилитрон с напряжением стабилизации 9 В. Конденсатор С4 желательно применить с наименьшим температурным дрейфом. Транзистор VT1 заменяется на любой из серий КТ315, КТ3102. Диоды VD1...VD9 - с максимальным обратным напряжением 300 В и током 100...300 мА. SA1 - любой на 10 положений и одно направление.
Регулятор был успешно опробован и с оптотиристорами ТО125-12,5. Светодиоды оптотиристоров соединялись последовательно, а выходные тиристоры - встречно-параллельно. Номинал резистора R6 уменьшался до 220 Ом.
Автор: С.Абрамов, г.Оренбург, asmoren@mail.ru; Публикация: cxem.net
Смотрите другие статьи раздела Регуляторы тока, напряжения, мощности.
Читайте и пишите полезные комментарии к этой статье.
<< Назад
Последние новости науки и техники, новинки электроники:
Оптимальная продолжительность сна
12.11.2025
Сон играет ключевую роль в поддержании здоровья, когнитивных функций и общего самочувствия. Несмотря на широко распространенный стереотип о восьмичасовом сне, последние исследования показывают, что оптимальная продолжительность сна для большинства здоровых взрослых ближе к семи часам.
Эволюционный биолог из Гарварда, Дэниел Э. Либерман, утверждает, что традиционная норма восьми часов сна - это скорее культурное наследие индустриальной эпохи, чем биологическая необходимость. По его словам, полевые исследования, проведенные в сообществах, не использующих электричество, показывают, что средняя продолжительность сна составляет 6-7 часов, что значительно отличается от общепринятого стандарта.
Современные эпидемиологические данные подтверждают этот взгляд. Исследования выявили так называемую "U-образную кривую" зависимости между продолжительностью сна и рисками для здоровья. Минимальные показатели заболеваемости и смертности наблюдаются именно у людей, спящих около семи часов в сутки. ...>>
Дефицит кислорода усиливает выброс закиси азота
12.11.2025
Парниковые газы играют ключевую роль в изменении климата, а закись азота (N2O) - один из наиболее опасных среди них. Этот газ не только втрое сильнее углекислого газа в удержании тепла, но и разрушает озоновый слой. Недавнее исследование американских ученых показало, что микробы в зонах с низким содержанием кислорода активно производят N2O, усиливая глобальные климатические риски.
Команда из Университета Пенсильвании изучала прибрежные воды у Сан-Диего и провела наблюдения на глубинах от 40 до 120 метров в Восточной тропической северной части Тихого океана - одной из крупнейших зон дефицита кислорода. Исследователи сосредоточились на том, как морские микроорганизмы превращают нитраты в закись азота.
В ходе работы выяснилось, что существует два пути образования N2O. Один путь начинается с нитрата, другой - с нитрита. На первый взгляд более короткий путь должен быть эффективнее, однако микробы, использующие нитрат, продуцируют больше газа, поскольку этот "сырьевой" источник более д ...>>
Омега-3 помогают молодым кораллам выживать
11.11.2025
Сохранение коралловых рифов становится все более актуальной задачей в условиях глобального изменения климата. Молодые кораллы особенно уязвимы на ранних стадиях развития, когда стрессовые условия и нехватка питательных веществ могут привести к высокой смертности. Недавнее исследование ученых из Технологического университета Сиднея показывает, что специальные пищевые добавки способны существенно повысить выживаемость личинок кораллов.
В ходе работы исследователи разработали особый состав "детского питания" для коралловых личинок. В него вошли масла, богатые омега-3 жирными кислотами, а также важные стерины, необходимые для формирования клеточных мембран. Личинки, получавшие эти добавки, развивались быстрее, становились крепче и демонстрировали более высокую устойчивость к стрессовым факторам.
Особое внимание ученые уделили липидам. Анализ показал, что личинки активно усваивают эти вещества, что напрямую влияет на их жизнеспособность. Стерины, содержащиеся в корме, повышают устойчи ...>>
Случайная новость из Архива Мозг сохраняет старые воспоминания, не вытесняя их новыми
12.01.2025
Новое исследование нейробиологов проливает свет на удивительный процесс, благодаря которому новые воспоминания не замещают старые. Ученые обнаружили, что в мозге млекопитающих процессы формирования новых воспоминаний и закрепления старых происходят в разные моменты, чередуясь во время медленной фазы сна. Хотя исследования проводились на мышах, ученые предполагают, что аналогичные механизмы действуют и у человека, что открывает перспективы лечения таких нарушений памяти, как деменция.
Известно, что во время сна мозг активирует воспоминания, способствуя их закреплению. В этом процессе ключевую роль играет гиппокамп - структура мозга, которая воспроизводит воспоминания, передавая их для долгосрочного хранения в неокортекс. Активность гиппокампа можно отслеживать по так называемым резким мозговым волнам, которые сигнализируют о воспроизведении определенной информации. Однако долгое время оставалось загадкой, как мозг разделяет новые и старые воспоминания, чтобы избежать их смешивания.
Чтобы понять это, исследователи из Корнелльского университета изучили мозговую активность спящих мышей. Особенностью мышей является то, что они спят с частично открытыми глазами, что позволяет наблюдать за движением их глаз и изменением размера зрачков. Это оказалось важным для выявления двух чередующихся подфаз медленного сна, каждая из которых играет уникальную роль в обработке памяти.
Анализ электрических импульсов в гиппокампе показал, что сужение зрачков мышей связано с внешними возбуждающими импульсами, тогда как их расширение указывает на процессы торможения. Эти данные подтверждают, что медленный сон - не однородное состояние, а сложный процесс, состоящий из чередующихся подфаз.
Далее ученые использовали метод оптогенетики, чтобы с помощью света временно подавлять активность нейронов в гиппокампе в разные подфазы сна. Оказалось, что подавление резких мозговых волн во время фазы суженных зрачков нарушало закрепление новых воспоминаний, таких как изученная ранее дорога к вознаграждению. Напротив, угнетение мозговой активности во время фазы расширенных зрачков не влияло на недавние воспоминания, но затрагивало воспроизведение старых.
Данное исследование показало, что мозг управляет новыми и старыми воспоминаниями с помощью чередования подфаз медленного сна: сужение зрачков связано с закреплением новой информации, тогда как расширение - с воспроизведением ранее накопленного опыта.
Это открывает новые перспективы для лечения ее нарушений, включая деменцию и болезнь Альцгеймера. Например, врачи могут научиться стимулировать гиппокамп в определенные моменты сна, чтобы усилить процесс закрепления новых воспоминаний или сохранить старые. Открытие не только расширяет наше понимание работы мозга, но и предоставляет инструменты для борьбы с возрастными и нейродегенеративными заболеваниями, улучшая качество жизни миллионов людей.
|
Другие интересные новости:
▪ Флэш-память QLC NAND плотностью 1 Тбит
▪ Защищенный смартфон Dewalt MD501
▪ Внешние аккумуляторы HyperJuice для мобильной техники
▪ Вечный вкус жевательной резинки
▪ Творческие люди получают удовольствие от траты времени впустую
Лента новостей науки и техники, новинок электроники
Интересные материалы Бесплатной технической библиотеки:
▪ раздел сайта Электрику. ПТЭ. Подборка статей
▪ статья Любви все возрасты покорны. Крылатое выражение
▪ статья У какого растения цветки становятся прозрачными после дождя? Подробный ответ
▪ статья Правовые основы страхования профессиональных рисков
▪ статья Стратегии развязки для PCB. Энциклопедия радиоэлектроники и электротехники
▪ статья Квазирезонансный преобразователь напряжения. Энциклопедия радиоэлектроники и электротехники
Оставьте свой комментарий к этой статье:
Главная страница | Библиотека | Статьи | Карта сайта | Отзывы о сайте

www.diagram.com.ua
2000-2025