Бесплатная техническая библиотека
Схема управления с DTMF декодером. Энциклопедия радиоэлектроники и электротехники

Энциклопедия радиоэлектроники и электротехники / Гражданская радиосвязь
Комментарии к статье
Предлагаемое устройство было задумано как система управления какими-либо процессами или устройствами через радиопередатчик. В качестве системы кодирования-декодирования использованы DTMF сигналы.
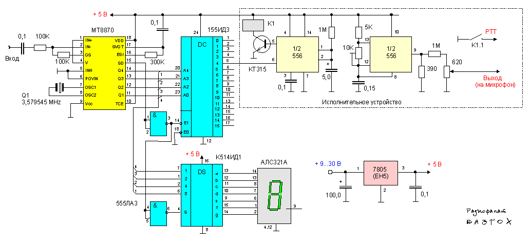
Схема устройства показана на рис.1. Собственно устройство состоит из DTMF-декодера, выполненного на микросхеме МТ8870 и дешифратора на микросхеме 155ИД3. Для визуальной индикации принятого кода стоит дешифратор на микросхеме К514ИД1 и семисегментный индикатор АЛС321А. Эта часть схемы для упрощения конструкции может не использоваться. Питание устройства осуществляется от источника +5 В. В данной конструкции применен интегральный стабилизатор 7805 или отечественный аналог (ЕН5А).
Дешифратор позволяет подключить до 16 исполнительных устройств. Надо только помнить, что исполнительное устройство должно управляться ТТЛ уровнями (0 и +5 В).
Рис.1 (нажмите для увеличения)
Исполнительное устройство. Здесь, в качестве примера, приведена схема, которой я пользовался для определения зоны действия портативного радиопередатчика и испытания различных типов антенн. Схема выполнена на микросхеме 556 (сдвоенный таймер). Можно применить два таймера типа 555 или их отечественный аналог - КР1000ВИ1. На одной из половинок таймера выполнен тональный генератор, на второй половине - ждущий мультивибратор. Вход устройства подключается к ромкоговорителю радиостанции. Выход тонального генератора подключается к микрофонному гнезду передатчика. При поступлении с дешифратора команды на ждущий мультивибратор, срабатывает реле К1 (РЭC-94) и своими контактами К1.1 на две-три секунды выдает сигнал PTT на включение передатчика. Таким образом я, посылая команду с переносного передатчика (в данном случае цифра "4"), получаю в ответ тональную посылку со стационарного передатчика. Очень удобно это устройство при определении зоны действия CB-радиостанции, установленной на автомобиле, не надо задействовать еще одного человека, который сидел-бы на базовой станции. Естественно, что ваша передвижная станция должна иметь "бипер".
Плата для устройства не разрабатывалась. Я выполнил ее на макетной плате (рис.2), оставив на ней запас для монтажа различных дополнительных устройств.
Рис.2
Конечно, кроме предложенного выше сервиса, данное устройство можно использовать для дистанционного включения/выключения различных устройств. Также эта схема подходит для систем радиоуправления моделями. Для этого в передатчике необходимо применить микросхему DTMF кодера, используемого в телефонии в номеронабирателях. Устройство может найти применение и в телефонном аппарате. Дополнив свой телефон схемой автоподнятия трубки можно использовать данное устройство и для управления домашними приборами через телефон.
Автор: Николай Большаков, RA3TOX, г.Нижний Новгород; Публикация: Н. Большаков, rf.atnn.ru
Смотрите другие статьи раздела Гражданская радиосвязь.
Читайте и пишите полезные комментарии к этой статье.
<< Назад
Последние новости науки и техники, новинки электроники:
Хорошо управляемые луга могут компенсировать выбросы от скота
15.02.2026
Животноводство, особенно разведение крупного рогатого скота, часто обвиняют в значительном вкладе в глобальное потепление из-за мощного парникового газа - метана, который выделяется при пищеварении у жвачных животных. Это вызывает острые политические споры и призывы к сокращению потребления мяса. Однако ученые напоминают, что полная картина климатического воздействия отрасли не ограничивается только выбросами от животных: огромную роль играет окружающая экосистема - пастбища, почва и растительность, которые способны активно поглощать углекислый газ из атмосферы.
Исследователи из Университета Небраски-Линкольна решили глубже изучить этот баланс. Группа под руководством профессора Галена Эриксона сосредоточилась на том, как правильно организованные пастбища накапливают углерод в растениях и грунте благодаря естественным процессам, стимулируемым выпасом скота. Ученые подчеркивают, что при достаточном уровне осадков и грамотном управлении такие луга превращаются в мощные природные погло ...>>
NASA тестирует инновационную технологию крыла
15.02.2026
Коммерческая авиация ежегодно расходует колоссальные объемы керосина, что сказывается не только на бюджете авиакомпаний, но и на состоянии окружающей среды. В 2024 году глобальные затраты на авиационное топливо достигли 291 миллиарда долларов, и эта сумма продолжает расти. Чтобы справиться с этими вызовами, NASA активно работает над технологиями, способными заметно повысить аэродинамическую эффективность самолетов. Одним из самых перспективных направлений стало создание специальной конструкции крыла, которая максимизирует естественный ламинарный поток воздуха и минимизирует сопротивление.
В январе 2026 года специалисты NASA Armstrong Flight Research Center успешно провели важный этап наземных испытаний концепции Crossflow Attenuated Natural Laminar Flow (CATNLF). Для эксперимента под фюзеляж исследовательского самолета F-15B закрепили вертикально ориентированную масштабную модель высотой около 0,9 м (3 фута), напоминающую узкий киль. Такая компоновка позволила подвергнуть прототип р ...>>
Забота о внуках очень полезна для здоровья мозга
14.02.2026
Общение между поколениями приносит радость всей семье, но мало кто задумывается, насколько активно бабушки и дедушки, заботящиеся о внуках, поддерживают свою умственную форму. Регулярное взаимодействие с детьми стимулирует мозг пожилых людей, помогая сохранять память, скорость мышления и общую когнитивную активность.
Новые научные данные подтверждают, что такая добровольная помощь не только важна для общества, но и может замедлять возрастные изменения в мозге.
Исследователи из Тилбургского университета в Нидерландах провели анализ, чтобы понять, приносит ли уход за внуками реальную пользу здоровью пожилых людей. Ведущий автор работы Флавия Черечес отметила, что многие бабушки и дедушки регулярно присматривают за детьми, и оставался открытым вопрос, насколько это положительно сказывается на их собственном благополучии, особенно в плане когнитивных функций.
Ученые поставили цель выяснить, способен ли регулярный уход за внуками замедлить снижение памяти и других умственных способ ...>>
Случайная новость из Архива При посадке на рейс покажите работающий гаджет
08.07.2014
Тем, кто регулярно путешествует по миру, стоит ознакомиться с новым распоряжением американского Управления транспортной безопасности (TSA). Теперь, чтобы попасть на борт самолета, направляющегося в США, вам придется продемонстрировать работоспособность планшета, смартфона, ноутбука или любого другого мобильного устройства.
Руководством TSA были приняты, по их словам, вынужденные меры при прохождении пассажирами контроля для последующей посадки на самолет. Теперь одним из обязательных условий попадания на рейс станет демонстрация возможности включения и работы электроники. Если же аккумуляторная батарея случайно оказалась разряженной и устройство никоим образом не включается, то тогда вас могут ждать серьезные неприятности, вплоть до снятия с рейса.
Такая формулировка новых требований к пассажирам, на первый взгляд, хоть и звучит достаточно странно, но имеет под собой реальные причины. Введенные TSA правила призваны помочь обнаружить потенциально опасную электронику, в корпус которой пассажир-террорист мог встроить взрывное устройство для осуществления теракта.
По оперативным сведениям американских служб государственной безопасности, радикально настроенные группы террористов из Йемена и Сирии могут воспользоваться практикой маскировки миниатюрных бомб в обычные мобильные устройства, что позволило бы пронести их в самолет без лишнего подозрения.
Проверка на включение даст возможность убедиться, что внутри смартфона/планшета/ноутбука присутствует как минимум основная часть оригинальных комплектующих, а не взрывчатка. Под действие правила должны попасть международные аэропорты, осуществляющие воздушные перевозки в Соединенные Штаты. Правда, на данном этапе представители американских спецслужб не уточнили, в каких странах и на какой именно срок будут введены дополнительные меры предосторожности.
В случае, если ваше устройство оказалось неисправным и вы не можете наглядно продемонстрировать его работоспособность, оно будет изъято на хранение сотрудниками аэропорта. Вам же, как владельцу потенциально опасного устройства, служба безопасности имеет полное право отказать в посадке на самолет.
|
Другие интересные новости:
▪ Транзисторы, работающие в 10 000 раз быстрее синапсов мозга
▪ Причина опозданий - личные особенности
▪ Передвижная электростанция на мусоре
▪ Микроскопические роботы из воздуха
▪ ДНК вместо жесткого диска
Лента новостей науки и техники, новинок электроники
Интересные материалы Бесплатной технической библиотеки:
▪ раздел сайта Студенту на заметку. Подборка статей
▪ статья Обломов. Обломовщина. Крылатое выражение
▪ статья Почему у струнных музыкальных инструментов материал корпуса играет важную роль, а у духовых - нет? Подробный ответ
▪ статья Бутень хоросанский. Легенды, выращивание, способы применения
▪ статья Охрана и безопасность. Справочник
▪ статья Ракета из чайного пакетика. Секрет фокуса
Оставьте свой комментарий к этой статье:
Главная страница | Библиотека | Статьи | Карта сайта | Отзывы о сайте

www.diagram.com.ua
2000-2026