Menu Home

Бесплатная техническая библиотека для любителей и профессионалов Бесплатная техническая библиотека


Тональный генератор для ЭМИ. Энциклопедия радиоэлектроники и электротехники

Бесплатная техническая библиотека

Энциклопедия радиоэлектроники и электротехники / Музыканту

Комментарии к статье Комментарии к статье

Многоголосные ЭМИ с одним тональным генератором уже зарекомендовали себя как надежные и практичные устройства. Однако зачастую их возможности реализуются далеко не полностью из-за особенностей используемых в них генераторов. Как правило, тональный генератор строят на основе высокостабильного кварцевого резонатора или RC-цепей. В этом случае электронное управление частотой либо исключено, либо крайне затруднено [1].

Описанное ниже устройство - тональный генератор, управляемый напряжением. Управляющий сигнал снимают с различных формирователей и органов управления ЭМИ. Это могут быть генераторы частотного вибрато, огибающей (для автоматического изменения строя), регуляторы глиссандо (скольжения строя) с ручным или ножным (педальным) управлением.

К особенностям генератора следует отнести высокую рабочую частоту. Использование цифровой микросхемы позволило реализовать сравнительно простой и дешевый ГУН с рабочей частотой вплоть до 7,5...8 МГц (рис. 1). Для большинства цифровых генераторов тона с равномерно-темперированной музыкальной шкалой, состоящих обычно из 12 идентичных счетчиков с различными интервальными коэффициентами пересчета, необходима тактовая (ведущая) частота в пределах 1...4 МГц. Поэтому характеристики генератора должны быть такими, чтобы обеспечить необходимую линейность в этих частотных пределах.

Тональный генератор для ЭМИ
Рис. 1

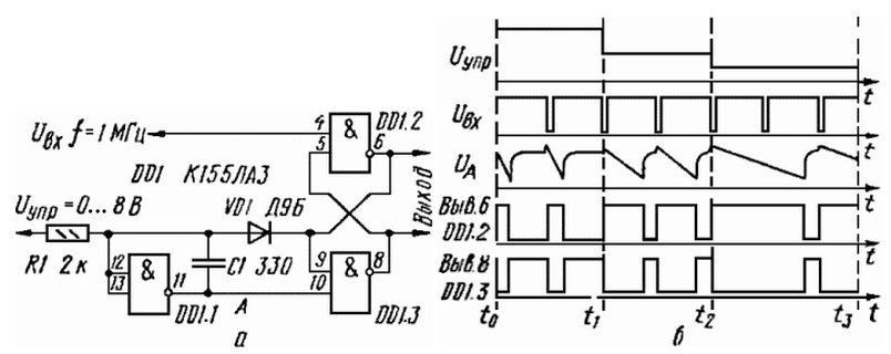
Принцип работы генератора основан на формировании регулируемых по длительности импульсов двумя замкнутыми в кольцо одинаковыми формирователями, управляемыми напряжением. Таким образом, спад импульса на выходе одного формирователя вызывает появление фронта следующего импульса на выходе другого и т. д. Работу устройства иллюстрируют временные диаграммы, показанные на рис. 2.

Тональный генератор для ЭМИ
Рис. 2

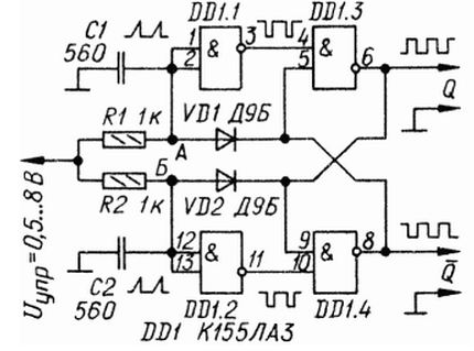
До момента t0 управляющее напряжение равно нулю. Это значит, что в точках А и Б установился сигнал с уровнем логического 0, поскольку вытекающий входной ток элементов DD1.1 и DD1.2 (он не превышает примерно 1,6 мА) замыкается на общий провод через резисторы R1 и R2 и малое выходное сопротивление источника управляющего напряжения. На выходе инверторов DD1.1 и DD1.2 в это время действует уровень 1, поэтому RS-триггер на элементах DD1.3 и DD1.4 установится произвольно в одно из устойчивых состояний. Предположим для определенности, что на прямом (верхнем по схеме) выходе установился сигнал 1, а на инверсном - 0.

При появлении в момент t0 на управляющем входе некоторого положительного напряжения через резисторы R1 и R2 потечет ток. При этом в точке А напряжение останется близким к нулю, так как ток через резистор R1 протекает на общий провод через малое сопротивление диода VD1 и выходной цепи элемента DD1.4. В точке Б напряжение будет повышаться, поскольку диод VD2 закрыт высоким уровнем с выхода элемента DD1.3. Ток через резистор R2 будет заряжать конденсатор С2 до 1,1... 1,4 В за время, зависящее от его емкости, сопротивления резистора R2 и значения управляющего напряжения. При увеличении Uynp увеличивается скорость зарядки конденсатора, и он заряжается до того же уровня за меньшее время.

Как только напряжение в точке Б достигнет порога переключения элемента DD1.2, на его выходе установится уровень 0, который переключит RS-триггер. Теперь на прямом выходе будет уровень 0, а на инверсном - 1. Это приведет к быстрой разрядке конденсатора С2 и уменьшению напряжения, а конденсатор С1 начнет заряжаться. В результате триггер снова переключится и весь цикл повторится.

Увеличение управляющего напряжения (период времени t1...t2, рис. 2) приводит к увеличению зарядного тока конденсаторов и уменьшению периода колебаний. Так происходит управление частотой колебаний генератора. Вытекающий входной ток элементов ТТЛ складывается с током источника управляющего напряжения, что позволяет расширить пределы управляющего сигнала, так как при большом сопротивлении резисторов R1 и R2 генерация может сохраняться даже при Uynp=0. Однако этому току свойственна температурная нестабильность, что сказывается на стабильности частоты генерации. В какой-то мере повысить температурную стабильность генератора можно путем использования конденсаторов С1 и С2 с положительным ТКЕ, что будет компенсировать увеличение неуправляемого вытекающего входного тока элементов DD1.1 и DD1.2 при изменении температуры.

Период колебаний зависит не только от сопротивления резисторов R1 и R2 и емкости конденсаторов С1 и С2, но и от многих других факторов, поэтому точная оценка периода затруднена. Если пренебречь временными задержками сигналов в элементах DD1.1-DD1.4 и принять значение их напряжения логического 0, а также порогового напряжения диодов VD1 и VD2 равными нулю, то работу генератора можно описать выражением: T0=2t0=2RC*ln((IэR+Uупр)/(IэR+Uупр-Uсп)), полученным на основе решения дифференциального уравнения:

dUc/dt = Iэ/C + (Uупр-Uс)/(RC),

где R и С - номиналы времязадающих цепей; Uc - напряжение на конденсаторе С; Uсп - максимальное (пороговое) значение напряжения Uc; Uynp - управляющее напряжение; Iэ - среднее значение входного вытекающего тока элемента ТТЛ; t0 - длительность импульса; Т0 - период колебаний. Расчеты показывают, что первая из указанных формул весьма точно согласуется с экспериментальными данными при Uynp>=Uсп, при этом были выбраны средние значения: Iэ=1,4 мА; Uсп = 1,2 В. Кроме того, на основе анализа того же дифференциального уравнения можно прийти к выводу, что

(IэR+Uупр)/(IэR+Uупр-Uсп)>0,

т. е., если IэR/(IэR-Uсп)>0, то устройство работоспособно при Uynp≥0; этот вывод подтверждает и экспериментальная проверка устройства. Тем не менее наибольшая стабильность и точность работы ГУН могут быть достигнуты при Uупр ≥ Uсп = 1,2..1,4 В, т. е. в частотных пределах 0,7...4 МГц.

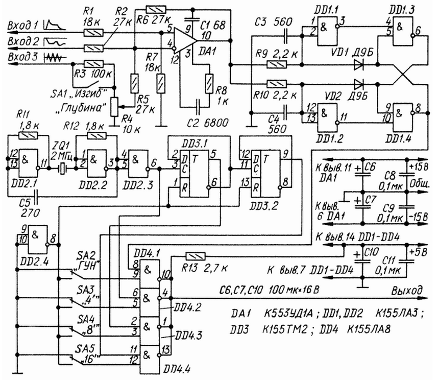
Практическая схема тонального генератора для полифонического ЭМИ или ЭМС показана на рис. 3. Пределы рабочей частоты (при Uупр ≥ 0,55...8 В) - 0,3...4,8 МГц. Нелинейность характеристики управления (на частоте в пределах 0,3...4 МГц) не превышает 5 %.

Тональный генератор для ЭМИ
Рис. 3 (нажмите для увеличения)

На вход 1 подают сигнал с генератора огибающей для автоматического управления скольжением частоты звука. При незначительной глубине модуляции (5...30 % тона) достигается имитация оттенков звучания бас-гитары, а также других щипковых и ударных инструментов, у которых высота интонирования звуков в момент их извлечения немного отклоняется от нормы (обычно скачком повышается во время атаки звука и далее быстро уменьшается до своего нормального значения).

На вход 2 подают постоянное управляющее напряжение с ручного или педального регулятора глиссандо. Этот вход как раз и служит для подстройки или изменения (транспонирования) тональности в пределах двух октав, а также для скольжения по высоте аккордов или тональных звуков, имитирующих, например, тембр кларнета, тромбона или голоса.

На вход 3 подают от генератора вибрато сигнал синусоидальной, треугольной или пилообразной формы. Переменным резистором R4 регулируют уровень вибрато в пределах 0...+-0,5 тона, а также уровень девиации частоты до +-1 октавы и более при замыкании выключателя SA1. При большой частоте модуляции (5...11) Гц) и глубине +-0,5...1,5 октавы тональные звуки теряют свои музыкальные качества и приобретают характер шумового сигнала, напоминающего глухой рокот или шелест лопастей вентилятора. При малой частоте (0,1...1 Гц) и той же глубине достигается очень красочный и выразительный эффект, подобный "плавающему" звучанию гавайской гитары.

Сигнал с выхода тонального генератора надо подавать на вход цифрового формирователя сигналов равномерно-темперированного музыкального строя.

На операционном усилителе DA1 собран активный сумматор управляющих сигналов. Сигнал с выхода сумматора поступает на вход ГУН, который выполнен на логических элементах DD1.1-DD1.4. Кроме ГУН, устройство содержит образцовый кварцованный генератор, собранный на элементах DD2.1, DD2.2, а также цепь из двух октавных делителей частоты на триггерах микросхемы DD3. тактируемых этим генератором. Генератор и триггеры формируют три образцовых сигнала с частотой 500 кГц, 1 и 2 МГц. Эти три сигнала и сигнал с выхода ГУН поступают на вход электронных ключей, собранных на элементах DD4.1-DD4.4 с открытым коллектором.

Эти коммутаторы, управляемые переключателями SA2-SA5, имеют общую нагрузку - резистор R13. Выходные цепи элементов образуют устройство с логической функцией ИЛИ. Когда один из ключей пропускает на выход свой тактовый сигнал, остальные закрыты низким уровнем с переключателей. Высокий уровень для подачи на R-входы D-триггеров DD3.1 и DD3.2 и на контакты переключателей SA2-SA5 снимают с выхода элемента DD2.4.

Кварцованный генератор с делителями частоты играют вспомогательную роль и служат в основном для оперативной подстройки ГУН или "ведут" инструмент в режиме "Орган", при этом переключатели SA3, SA4, SA5 ("4'", "8'", "16'") позволяют смещать строй ЭМИ соответственно от самого низкого регистра на одну и на две октавы вверх. При этом, разумеется, никакой подстройки или изменения высоты звуков быть не может.

К недостаткам генератора следует отнести сравнительно низкую температурную стабильность, которая в данном случае не имеет большого значения [2], и значительную нелинейность управляющей характеристики ГУН на краях диапазона, особенно в области нижних частот рабочего диапазона генератора.

На рис. 4 показана экспериментально снятая зависимость частоты генерации от управляющего напряжения: 1 - для генератора по схеме рис. 1, 2 - рис. 3.

Тональный генератор для ЭМИ
Рис. 4

Устройство собрано на печатной плате из фольгированного стеклотекстолита толщиной 1,5 мм.

Микросхемы серии К155 можно заменить на аналогичные из серий K130 и К133; К553УД1А - на К553УД1В, К553УД2, К153УД1А, К153УД1В, К153УД2. Вместо Д9Б можно использовать диоды этой серии с любым буквенным индексом, а также Д2В, Д18, Д311, ГД511А. Конденсаторы С4 и С5 лучше выбрать с положительным ТКЕ, например. КТ-П210. КПМ-П120, КПМ-П33, КС- П33, КМ- П33, К10-17-П33, К21У-2-П210, К21У-3-П33. Конденсаторы С7, C10, C11 - К50-6.

Особое внимание следует уделить тщательной экранировке устройства. Выходные проводники нужно свить в шнур с шагом 10..30 мм.

Правильно смонтированный тональный генератор в налаживании не нуждается и начинает работать сразу после подключения питания. Управляющее напряжение на входе ГУН не должно превышать 8...8,2 В. На стабильность частоты генератора отрицательно влияют изменения питающего напряжения 5 В, поэтому питать его необходимо от источника с высоким коэффициентом стабилизации.

Литература

  1. В. Беспалов. Делитель частоты для многоголосного ЭМИ. - Радио, 1980, № 9.
  2. Л.А. Кузнецов. Основы теории, конструирования, производства и ремонта ЭМИ. - М.: Легкая и пищевая промышленность. 1981.

Автор: И.Басков, д.Полоска Калининской обл.


Дополнение

Простой, управляемый напряжением генератор, описанный в статье И.Баскова "Тональный генератор для ЭМИ" ("Радио", 1987, № 5, с.48-50), при повторении оказался с существенными недостатками: значительная нелинейность характеристики управления, большая зависимость частоты колебаний от напряжения питания микросхемы и от температуры окружающей среды. Главный же недостаток - генератор плохо возбуждается. Происходит это из-за того, что при включении питания на входах элементов DD1.1 и DD1.2 (см. рис. 1 названной статьи) может одновременно возникать напряжение высокого уровня, а на их выходах - низкого. Напряжение низкого уровня на входах RS -триггера, собранного на элементах DD1.3 и DD1.4, устанавливает и удерживает триггер в таком состоянии, когда на его прямом (вывод 6) и инверсном (вывод 8) выходах высокий уровень, при котором генератор не возбуждается.

Устранить этот недостаток можно включением элементов DD1.1 и DD1.2 также по схеме RS-триггера. Тогда на входах этих элементов не может одновременно установиться напряжение высокого уровня и генератор легко возбуждается.

Схема генератора, обладающего лучшими характеристиками, приведена на рис. 1, а. Элементы DD1.1 и DD1.2, включенные RS-триггером, совместно с конденсаторами С1 и С2 представляют собой генераторы линейно изменяющегося напряжения с емкостной обратной связью. Благодаря обратной связи через конденсаторы С1 и С2 характеристика управления линейна во всем диапазоне генерируемых колебаний. Обратная связь уменьшает и зависимость частоты от напряжения литания микросхемы и от температуры окружающей среды.

Тональный генератор для ЭМИ
Рис. 1

Временные диаграммы, иллюстрирующие работу такого генератора, показаны на рис. 1, б. После включения питания RS-триггер на элементах DD1.3 и DD1.4 установится произвольно в одно из устойчивых состояний. Предположим, например, что на его прямом выходе установился сигнал высокого уровня, а на инверсном - низкого. Следовательно, возможность заряжаться получает только конденсатор С2 и на выходе элемента DD1.2 формируется линейно уменьшающееся напряжение (Uв на рис. 1, б). Когда напряжение в точке В генератора достигнет порога переключения элемента DD1.4, RS-триггер переключится в другое устойчивое состояние. Теперь на его прямом выходе будет сигнал низкого уровня, а на инверсном - высокого, и конденсатор С2 быстро разряжается через диод VD2 и элемент DD1.3.

Аналогично происходит зарядка конденсатора С1. В результате RS-триггер переключится в исходное состояние и весь цикл повторится.

Изменение управляющего напряжения приводит к изменению зарядного тока конденсаторов генератора и периода его колебаний. Так происходит управление частотой колебаний генератора. При изменении управляющего напряжения от 0 до 8 В (R1 = R2 = 2 кОм; C1 = С2 = 150 пФ) частота колебаний будет в пределах 0,25...4 МГц.

Если вместо управляющего напряжения Uупр на резисторы R1 и R2 подать напряжение питания микросхемы, то получится генератор, у которого на прямом и инверсном выходах формируются прямоугольные импульсы, а на выходах элементов DD1.1 и DD1.2 - линейно изменяющееся напряжение с малым коэффициентом нелинейности (UA и UB на рис. 1, б). Минимальная зависимость частоты от напряжения питания микросхемы получится, если сопротивление резисторов R1 и R2 будет около 2 кОм. При изменении напряжения питания на +-5% частота изменяется на +-0,1%. Температурная нестабильность - около 0,05%/°С.

Предлагаемый способ управления частотой (периодом) колебаний генератора можно использовать для регулирования длительности импульсов. На рис. 2, а приведена схема ждущего мультивибратора, длительность выходных импульсов которого регулируют изменением управляющего напряжения Uупр. Работает устройство следующим образом. В исходном состоянии на прямом выходе RS-триггера напряжение низкого уровня, а на инверсном - высокого. Импульсы запуска, являющиеся сигналами низкого уровня, переключают RS-триггер в устойчивое единичное состояние. Конденсатор С1 заряжается. На выходе элемента DD1.1 формируется линейно уменьшающееся напряжение. Когда же оно достигает порога переключения элемента DD1.3, RS-триггер принимает исходное состояние.

Тональный генератор для ЭМИ
Рис. 2

Отличительная особенность данного мультивибратора - возможность формирования импульсов, длительность которых больше периода входных импульсов (t2 - t3 на рис. 2,б). Длительность выходных импульсов зависит от сопротивления резистора R1, емкости конденсатора С1 и значения управляющего напряжения. При изменении управляющего напряжения от 0 до 8 В (R1 = 2 кОм; C1 = 330 пФ) длительность выходных импульсов изменяется в пределах 5...0,2мкс.

Описанные здесь генератор и мультивибратор могут найти применение в преобразователях напряжения, измерительных приборах, ЭМИ и многих других радиотехнических устройствах.

Автор: А.Игнатенко, г.Екатеринбург

Смотрите другие статьи раздела Музыканту.

Читайте и пишите полезные комментарии к этой статье.

<< Назад

Последние новости науки и техники, новинки электроники:

Власть является ключевым фактором счастья в отношениях 11.03.2026

Исследования семейных и романтических отношений показывают, что длительное счастье пары зависит не только от привычных факторов, таких как доверие, уважение и преданность, но и от более тонких психологических аспектов. Современные ученые ищут закономерности, которые отличают действительно счастливые пары от остальных, чтобы понять, какие механизмы поддерживают гармонию в отношениях. Группа исследователей из Университета Мартина Лютера в Галле-Виттенберге и Бамбергского университета провела опрос среди 181 пары, которые состояли в совместных отношениях более восьми лет и прожили вместе хотя бы месяц. Участники заполняли анкету, описывая различные аспекты своих отношений, включая распределение обязанностей, эмоциональную поддержку и степень вовлеченности в совместные решения. Анализ данных показал интересный паттерн: пары, где оба партнера ощущали высокий уровень личной власти, оказывались наиболее счастливыми и удовлетворенными. В данном контексте под властью понимается способност ...>>

Защищенная колонка-повербанк Anker Soundcore Boom Go 3i 11.03.2026

Компания Anker представила новую модель линейки Soundcore - колонку Soundcore Boom Go 3i, ориентированную на активное использование на улице. Новинка отличается высокой степенью защиты: корпус соответствует стандарту IP68, что обеспечивает водо- и пыленепроницаемость, а ударопрочный дизайн выдерживает падение с высоты до одного метра. За качество звука отвечает 15-ваттный драйвер, обеспечивающий пик громкости до 92 дБ, а технология BassUp 2.0 усиливает низкие частоты, делая звучание более насыщенным. Колонка обладает автономностью до 24 часов, а LED-индикатор позволяет контролировать уровень заряда батареи. Кроме того, Soundcore Boom Go 3i может выполнять функцию павербанка: согласно внутренним тестам, устройство способно зарядить iPhone 17 с нуля до 40% за один час, что делает его полезным аксессуаром в походах и поездках. Среди функциональных особенностей модели стоит выделить технологию Auracast, которая улучшает подключение и позволяет создавать стереопару из двух колонок ...>>

Раннее воздержание от алкоголя перестраивает мозг и иммунитет 10.03.2026

Алкогольная зависимость - хроническое расстройство с компульсивным употреблением спиртного, которое влияет не только на поведение, но и на функционирование мозга и иммунной системы. Недавние исследования показали, что даже на ранних этапах воздержания организм начинает перестраиваться, открывая новые возможности для терапии зависимости. Ученые сосредоточились на пациентах, находящихся в первые недели абстиненции, и зафиксировали значительные изменения в мозговой активности. С помощью функциональной магнитно-резонансной томографии они выявили перестройку сетей нейронных связей, отвечающих за контроль импульсов и принятие решений. Эти изменения могут быть ключевыми для восстановления самоконтроля и снижения риска рецидива. Одновременно с нейронной перестройкой исследователи наблюдали колебания иммунной системы. В крови повышался уровень цитокинов - сигнальных белков, регулирующих воспалительные процессы. Эти данные свидетельствуют о существовании нейроиммунного взаимодействия, при ...>>

Случайная новость из Архива

Значение массы гравитона уточнили 15.11.2019

Группа ученых, в состав которой вошли исследователи из нескольких французских университетов и других научных учреждений, нашла новый способ, позволяющий уточнить значение верхнего предела массы гравитона. Этот способ основан на точных измерениях нескольких параметров крупных космических тел, таких, как звезды и гигантские газовые планеты, благодаря этому ученым удастся сделать то, что практически невозможно сделать любыми другими из имеющихся у ученых методов.

Согласно Общей теории относительности Альберта Эйнштейна, в процессе формирования массы у огромных космических тел, которые своей гравитацией деформируют пространственно-временной континуум в прилежащем пространстве, задействована теоретически невесомая элементарная частица, называемая гравитоном. Ученые в течение долгих лет с переменным успехом "ломали копья", доказывая или опровергая факт наличия собственной массы у гравитона.

Один из методов, используемых учеными в прошлом, был основан на данных изучения скорости расширения Вселенной, по результатам этого метода получалось, что если гравитон и обладает массой, то очень малой, на уровне 10^-32 электронвольт. К сожалению, вышеупомянутые результаты основаны на большом количестве предположений и допущений, некоторые из которых до сих пор считаются спорными.

Второй метод определения массы гравитона заключается с изучения малых отклонений в орбитах, по которым движутся достаточно массивные космические тела. Именно эти отклонения могут быть вызваны наличием отличной от нуля массы гравитона, однако, если у гравитона имеется, как и у фотона света, нулевая масса покоя, то гравитоны должны двигаться со скоростью, близкой к скорости света, для того, чтобы оказать заметное влияние на окружающий мир.

Именно этот второй метод и взяли на вооружение французские ученые, найдя способ улучшения его точности. Ученые используют данные, в которых фигурирует "замороженное" в определенные моменты времени положение некоторых звезд и планет. Первые временные точки такой "заморозки" начинаются с 2000 года. Основываясь на этих первоначальных данных, ученые рассчитали значения массы, скорости и положения в пространстве Солнца, некоторых планет и крупных астероидов.

Затем на основе нескольких фундаментальных уравнений были созданы компьютерные математические модели, которые просчитали движение всех анализируемых объектов вперед во времени, до 2017 года, и назад до 1913 года. Эти периоды времени были выбраны не случайно, ученым удалось найти в общей массе астрономических данных достаточно подробные и достоверные данные об интересующих их космических телах на тот момент времени.

Проведя вычисления, основанные на отклонениях реальных орбит движения космических тел от теоретических, ученые вычислили новое значение верхнего предела массы гравитона, которое стало теперь равно 6.76x10^-23 с вероятностью около 90 процентов.

Исследователи отмечают, что полученное ими значение находится очень близко к значению, полученному учеными, работающими на гравитационной обсерватории LIGO и изучающими гравитационные волны. Это вселяет надежду в достоверность полученных результатов, но и не исключает пока возможности того, что такое совпадение является просто случайностью.

Другие интересные новости:

▪ Двуязычность оздоравливает мозг и сохраняет умственное здоровье

▪ Солнечные элементы для систем передачи лазерной энергии

▪ Сверхскоростные SD-карты Verbatim

▪ Алмаз размером с планету

▪ Увеличение жизни ультрахолодных молекул

Лента новостей науки и техники, новинок электроники

 

Интересные материалы Бесплатной технической библиотеки:

▪ раздел сайта Радио - начинающим. Подборка статей

▪ статья Мотопланер класса F3B. Советы моделисту

▪ статья Кто первым напечатал книгу типографским способом? Подробный ответ

▪ статья Эксплуатация подмостей ПВС-12. Типовая инструкция по охране труда

▪ статья Мыльные порошки, изготовление которых требует специальных приспособлений. Простые рецепты и советы

▪ статья Не касаясь карт руками. Секрет фокуса

Оставьте свой комментарий к этой статье:

Имя:


E-mail (не обязательно):


Комментарий:





Главная страница | Библиотека | Статьи | Карта сайта | Отзывы о сайте

www.diagram.com.ua

www.diagram.com.ua
2000-2026