Бесплатная техническая библиотека
Необычное применение микросхемы КР142ЕН19А

Энциклопедия радиоэлектроники и электротехники / Применение микросхем
Комментарии к статье
Как известно, микросхема КР142ЕН19А - прецизионный аналог стабилитрона с регулируемым напряжением стабилизации, поэтому обычно используется в различных блоках питания. Однако она способна работать и в других радиолюбительских конструкциях, о которых рассказывается в статье.
Возможности использования указанной микросхемы в несколько иных режимах, по сравнению с основным назначением, обусловлены тем, что в ее состав входят такие узлы, как источник образцового напряжения и операционный усилитель с выходным каскадом на транзисторе. Функциональная схема ее приведена на рис. 1 [1], а условное обозначение и цоколевка выводов - соответственно на рис. 2,а и 2,б [2].
Рис.1. Функциональная схема КР142ЕН19А
Рис.2. КР142ЕН19А: а) Условное обозначение, б) Цоколевка выводов
Схема простейшего усилительного каскада, который можно выполнить на указанной микросхеме, приведена на рис. 3, а его передаточная характеристика - на рис. 4. Если нагрузочный резистор R2 выбран сравнительно большого сопротивления (несколько килоом), характеристика оказывается пологой из-за того, что узлы микросхемы потребляют ток около 1 мА. В случае же использования резистора сопротивлением менее килоома характеристика станет крутой и более линейной.
Рис.3. Усилительный каскад
Рис.4. Передаточная характеристика усилительного каскада
При работе микросхемы в линейном режиме она может быть использована в стабилизаторе напряжения (ее основное назначение), стабилизаторе тока, различных генераторах и усилителях. В нелинейном режиме она выполняет функцию компаратора с напряжением срабатывания около 2,5 В. Причем такой компаратор обладает стабильным напряжением срабатывания, определяемым источником образцового напряжения.
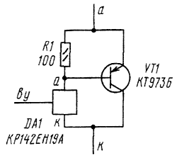
Несколько слов о самой микросхеме. К сожалению, один из ее недостатков, ограничивающий сферы применения, - небольшая допустимая мощность рассеяния. Так, при напряжении стабилизации 20 В максимальный ток не должен превышать 20 мА. Устранить этот недостаток нетрудно "умощнением" микросхемы с помощью транзистора (рис. 5). Основные характеристики будут определяться микросхемой, а максимальные ток и мощность - транзистором. Для указанного на схеме они составляют соответственно 4 А и 8 Вт. В случае, если на корпусе конструкции минусовое напряжение, транзистор допустимо смонтировать непосредственно на нем.
Рис.5. Умощнение микросхемы с помощью транзистора (VT1)
На рис. 6,а приведена схема маломощного стабилизатора тока. Работает он так. Ток нагрузки протекает через резистор R1. Как только напряжение на резисторе превысит 2,5 В, ток через микросхему и резистор R3 возрастет. Напряжение на нагрузке уменьшится до такого значения, при котором напряжение на входе управления микросхемы установится равным 2,5В.
Рис.6. а) Маломощный стабилизатор тока, б) Стабилизатор с транзисторным "усилителем" тока
Стабилизируемый ток задается резистором R1, сопротивление которого определяют по формуле
R1 = 2,5/Iн,
где 2,5 - падение напряжения на резисторе, В; Iн - ток через нагрузку, А, который не должен превышать 0,1 А. Зная напряжение питания Uпит и указанный максимальный ток нагрузки, подсчитывают сопротивление резистора R3:
R3 = (Uпит - 2,5)/Iн.
Причем напряжение питания следует выбирать таким, чтобы на нагрузке было обеспечено требуемое напряжение, поэтому подобное устройство рекомендуется использовать, например, для зарядки аккумуляторов емкостью до 0,75 А-ч.
Эта формула нужна для определения минимального сопротивления резистора R3 для случая, когда Rн = 0 (например, КЗ). Тогда стабилизация будет, но она не нужна.
Гораздо большие возможности у другого стабилизатора (рис. 6,б) с транзисторным "усилителем" тока. Здесь сопротивление резистора R1 определяют по вышеприведенной формуле, а мощность его - исходя из протекающего максимального тока нагрузки, который может достигать 4 А с указанным на схеме транзистором.
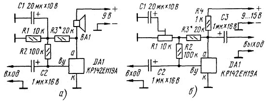
Наличие у микросхемы высокой крутизны и удовлетворительной линейности передаточной характеристики позволяет выполнить на ее основе усилитель ЗЧ, нагрузкой которого может стать динамическая головка сопротивлением не менее 50 Ом (рис. 7,а). Хотя он не отличается высокой экономичностью, но весьма прост в изготовлении и обеспечивает выходную мощность до 150 мВт, достаточную для озвучивания небольшого помещения.
Рис.7. а) Усилитель ЗЧ, б) Предварительный усилитель
В другом усилителе (рис. 7,б), который обладает усилением около 100 раз (40 дБ) и может стать предварительным, в качестве нагрузки использован резистор R4. Коэффициент усиления здесь регулируют подстроенным резистором R1, а подбором резистора R3 в обоих усилителях устанавливают оптимальную рабочую точку, обеспечивающую максимальное неискаженное выходное напряжение.
Большой коэффициент усиления микросхемы КР142ЕН19А позволяет собирать на ней различные генераторы. В качестве примера на рис.8,а приведена схема RC-генератора, частота выходного сигнала которого близка к 1000 Гц, - она задается фазосдвигающей цепочкой C1R3C2R4C4. Цепь обратной связи R1R2C3R5 обеспечивает автоматическую установку режима по постоянному току.
На рис. 8,б показана схема другого генератора ЗЧ и одновременно акустического сигнализатора. Частотозадающим элементом в нем служит пъезоизлучатель BQ1 типа ЗП-1 (подойдет другой аналогичный). Отрицательная обратная связь по напряжению через резистор R1 обеспечивает режим по постоянному току. Генерация возникает на резонансной частоте пьезоизлучателя.
Рис.8. а) RC-генератор, б) Генератор ЗЧ и одновременно акустический сигнализатор
Преобразователь сигнала синусоидальной формы в прямоугольную допустимо выполнить по схеме, приведенной на рис. 9,а. Его чувствительность устанавливают подстроечным резистором R1 от нескольких милливольт до 2,5 В. Питают преобразователь напряжением 4...30 В, при этом амплитуду выходного сигнала можно получить от 1 В почти до половины напряжения питания, а на вход подавать сигнал частотой до 50 кГц.
Рис.9. а) Преобразователь сигнала синусоидальной формы в прямоугольную, б) Мультивибратор на двух микросхемах
На двух микросхемах удастся построить мультивибратор (рис. 9,б), на выходе которого формируется сигнал прямоугольной формы. Частота колебаний определяется емкостью конденсатора С1, номиналами резисторов R3, R4 и может лежать в широких пределах - от долей герц до десятков килогерц.
Конечно, возможности "нестандартного" использования микросхемы КР142ЕН19А не ограничиваются приведенными примерами.
Литература
- Янушенко Е. Микросхема КР142ЕН19.- Радио, 1994, №4, с. 45, 46.
- Нечаев И. Стабилизаторы напряжения с микросхемой КР142ЕН19А. - Радио, 2000, №6, с. 57, 58.
Автор: И.Нечаев, г. Курск; Публикация: radioradar.net
Смотрите другие статьи раздела Применение микросхем.
Читайте и пишите полезные комментарии к этой статье.
<< Назад
Последние новости науки и техники, новинки электроники:
Власть является ключевым фактором счастья в отношениях
11.03.2026
Исследования семейных и романтических отношений показывают, что длительное счастье пары зависит не только от привычных факторов, таких как доверие, уважение и преданность, но и от более тонких психологических аспектов. Современные ученые ищут закономерности, которые отличают действительно счастливые пары от остальных, чтобы понять, какие механизмы поддерживают гармонию в отношениях.
Группа исследователей из Университета Мартина Лютера в Галле-Виттенберге и Бамбергского университета провела опрос среди 181 пары, которые состояли в совместных отношениях более восьми лет и прожили вместе хотя бы месяц. Участники заполняли анкету, описывая различные аспекты своих отношений, включая распределение обязанностей, эмоциональную поддержку и степень вовлеченности в совместные решения.
Анализ данных показал интересный паттерн: пары, где оба партнера ощущали высокий уровень личной власти, оказывались наиболее счастливыми и удовлетворенными. В данном контексте под властью понимается способност ...>>
Защищенная колонка-повербанк Anker Soundcore Boom Go 3i
11.03.2026
Компания Anker представила новую модель линейки Soundcore - колонку Soundcore Boom Go 3i, ориентированную на активное использование на улице.
Новинка отличается высокой степенью защиты: корпус соответствует стандарту IP68, что обеспечивает водо- и пыленепроницаемость, а ударопрочный дизайн выдерживает падение с высоты до одного метра. За качество звука отвечает 15-ваттный драйвер, обеспечивающий пик громкости до 92 дБ, а технология BassUp 2.0 усиливает низкие частоты, делая звучание более насыщенным.
Колонка обладает автономностью до 24 часов, а LED-индикатор позволяет контролировать уровень заряда батареи. Кроме того, Soundcore Boom Go 3i может выполнять функцию павербанка: согласно внутренним тестам, устройство способно зарядить iPhone 17 с нуля до 40% за один час, что делает его полезным аксессуаром в походах и поездках.
Среди функциональных особенностей модели стоит выделить технологию Auracast, которая улучшает подключение и позволяет создавать стереопару из двух колонок ...>>
Раннее воздержание от алкоголя перестраивает мозг и иммунитет
10.03.2026
Алкогольная зависимость - хроническое расстройство с компульсивным употреблением спиртного, которое влияет не только на поведение, но и на функционирование мозга и иммунной системы. Недавние исследования показали, что даже на ранних этапах воздержания организм начинает перестраиваться, открывая новые возможности для терапии зависимости.
Ученые сосредоточились на пациентах, находящихся в первые недели абстиненции, и зафиксировали значительные изменения в мозговой активности. С помощью функциональной магнитно-резонансной томографии они выявили перестройку сетей нейронных связей, отвечающих за контроль импульсов и принятие решений. Эти изменения могут быть ключевыми для восстановления самоконтроля и снижения риска рецидива.
Одновременно с нейронной перестройкой исследователи наблюдали колебания иммунной системы. В крови повышался уровень цитокинов - сигнальных белков, регулирующих воспалительные процессы. Эти данные свидетельствуют о существовании нейроиммунного взаимодействия, при ...>>
Случайная новость из Архива Беспроводные наушники JBL Soundgear CLIPS, Sense Pro и Sense Lite
09.01.2026
Компания JBL представила три модели, расширяющие линейку открытых беспроводных наушников: Soundgear CLIPS, Sense Pro и Sense Lite.
JBL Soundgear CLIPS заметно отличаются от привычных наушников с ушными крючками. Здесь используется клипсовая конструкция, обхватывающая ухо как манжета, что делает их удобными для повседневного ношения и непринужденного прослушивания. Звук обеспечивается технологией JBL OpenSound, 11-мм динамическим излучателем и алгоритмом Adaptive Bass Boost, который улучшает воспроизведение низких частот даже при открытой конструкции. Для звонков предусмотрена система из четырех микрофонов с искусственным интеллектом, который четко выделяет голос в шумной обстановке, а подключение через Bluetooth 5.4 с поддержкой multipoint позволяет одновременно работать с двумя устройствами. Время автономной работы составляет до 8 часов, а с зарядным кейсом оно увеличивается до 24 часов. Кроме того, модель соответствует стандарту IP54, что делает ее устойчивой к пыли и брызгам воды.
Старшей моделью линейки стала JBL Sense Pro, дебютировавшая на выставке CES 2026. Она рассчитана на более требовательных пользователей и оснащена большими 16,2-мм драйверами с поддержкой Hi-Res Audio Wireless, обеспечивая глубокий и насыщенный звук. Алгоритм Adaptive Bass Boost отвечает за воспроизведение низких частот, несмотря на открытую конструкцию. Для звонков Sense Pro использует четыре микрофона и датчик Voice Pickup Sensor, эффективно устраняющий шум ветра и городской фон.
Наушники Sense Pro поддерживают Bluetooth 6.0, функцию Fast Pair и одновременное подключение к двум устройствам. Управление осуществляется с помощью настраиваемых сенсорных жестов, а через приложение JBL Headphones доступны расширенные настройки эквалайзера и персонализация звучания. Время автономной работы достигает 38 часов: 8 часов обеспечивают сами наушники и до 30 часов - зарядный кейс, что делает модель удобной для длительных поездок и активного использования.
Более доступная модель JBL Sense Lite сохраняет основные преимущества открытого формата и предлагает сбалансированное звучание с технологией Adaptive Bass Boost. Для надежной и комфортной посадки используются мягкие силиконовые ушные крючки с проводом с эффектом памяти, что делает наушники удобными при длительной носке.
Sense Lite поддерживает Bluetooth 5.4, функции Dual Connect, Fast Pair и сенсорное управление. Общая автономность достигает 32 часов при использовании зарядного кейса, а быстрая подзарядка Speed Charge позволяет восполнить энергию за короткое время. Для звонков предусмотрена система из четырех микрофонов, а защита от пыли и влаги соответствует стандарту IP54, что делает модель подходящей для активного образа жизни.
Продажи всех трех моделей начнутся в марте 2026 года. Цена Sense Pro составит 199,95 долларов США, а Soundgear CLIPS и Sense Lite - по 149,95 долларов. Цветовые решения также разнообразны: CLIPS будут доступны в медном, синем, фиолетовом и белом оттенках, Sense Lite - в черном, белом и фиолетовом вариантах, а Sense Pro - в черном и сером исполнении.
|
Другие интересные новости:
▪ Видеокарта GeForce RTX 3090 Hall of Fame
▪ ГИС пригодится политикам
▪ Переработка рыбных отходов в пищевые продукты
▪ Новый тип странных квазкристаллов
▪ Лифт на солнечных батареях с накопителем энергии
Лента новостей науки и техники, новинок электроники
Интересные материалы Бесплатной технической библиотеки:
▪ раздел сайта Блоки питания. Подборка статей
▪ статья Последние будут первыми. Крылатое выражение
▪ статья Какое млекопитающее самое быстрое на земле? Подробный ответ
▪ статья Мята колосистая. Легенды, выращивание, способы применения
▪ статья Электронный пускорегулирующий аппарат на микросхеме КР1211ЕУ1 с питанием от бортовой сети автомобиля (11-15 В). Энциклопедия радиоэлектроники и электротехники
▪ статья Импульсный износ конденсаторов МБМ. Энциклопедия радиоэлектроники и электротехники
Оставьте свой комментарий к этой статье:
Главная страница | Библиотека | Статьи | Карта сайта | Отзывы о сайте

www.diagram.com.ua
2000-2026