Menu Home

Бесплатная техническая библиотека для любителей и профессионалов Бесплатная техническая библиотека


Металлоискатель по принципу Передача-Прием. Энциклопедия радиоэлектроники и электротехники

Бесплатная техническая библиотека

Энциклопедия радиоэлектроники и электротехники / Металлоискатели

Комментарии к статье Комментарии к статье

Предлагаемый металлоискатель предназначен для "дальнего" поиска сравнительно крупных предметов. Он собран по простейшей схеме без дискриминатора по типам металлов. Прибор несложен в изготовлении.

Глубина обнаружения составляет:

  • пистолет - 0,5 м;
  • каска  -1 м;
  • ведро - 1,5 м.

Структурная схема

Структурная схема приведена на рис. 4. Она состоит из нескольких функциональных блоков.

Металлоискатель по принципу Передача-Прием
Рис. 4. Структурная схема металлоискателя по принципу "передача-прием"

Генератор является источником прямоугольных импульсов, из которых в дальнейшем формируется сигнал, поступающий на излучающую катушку. Этот же сигнал используется для формирования сигнала звуковой индикации. Сигнал генератора делится по частоте на 4 с помощью кольцевого счетчика на триггерах. По кольцевой схеме счетчик выполнен для того, чтобы на его выходах можно было сформировать два сигнала, сдвинутых друг относительно друга по фазе на 90°. Прямоугольный сигнал (меандр) подается с первого выхода кольцевого счетчика на вход усилителя мощности, нагрузкой которого является колебательный контур с излучающей катушкой. По своему типу усилитель мощности является преобразователем "напряжение-ток", что позволяет предотвратить перегрузки выходного каскада в моменты смены полярности входного прямоугольного сигнала усилителя мощности. Приемный усилитель напряжения усиливает сигнал, поступающий с приемной катушки. В приемную катушку кроме полезного проникает также и паразитный сигнал, обусловленный неидеальностью конструкции системы катушек металлоискателя, проводимостью грунта и другими причинами.

Для его устранения предназначена схема компенсации. Смысл ее работы заключается в том, что в сигнал приемного усилителя подмешивается некоторая часть сигнала с выходного колебательного контура так, чтобы минимизировать (в идеале - довести до нуля) выходной сигнал синхронного детектора при отсутствии вблизи датчика металлических предметов. Настройка схемы компенсации осуществляется с помощью регулировочного потенциометра.

Синхронный детектор преобразует полезный переменный сигнал, поступающий с выхода приемного усилителя, в постоянный сигнал. Важной особенностью синхронного детектора является возможность выделения полезного сигнала на фоне шумов и помех, значительно превышающих полезный сигнал по амплитуде. Опорный сигнал синхронного детектора берется со второго выхода кольцевого счетчика, сигнал которого имеет сдвиг по фазе относительно первого выхода на 90°. Динамический диапазон изменения полезного сигнала как на выходе приемной катушки, так и на выходе синхронного детектора очень широк. Чтобы устройство индикации - стрелочный прибор или звуковой индикатор одинаково хорошо регистрировали как очень слабые сигналы, так и очень (например, в 100 раз) более сильные сигналы, необходимо иметь в составе прибора устройство, сжимающее динамический диапазон. Таким устройством является нелинейный усилитель, амплитудная характеристика которого приближается к логарифмической. К выходу нелинейного усилителя подключен стрелочный измерительный прибор.

Формирование звукового сигнала индикации начинается ограничителем по минимуму, т.е. блоком, имеющим зону нечувствительности для малых сигналов. Это означает, что звуковая индикация включается только для сигналов, превосходящих по амплитуде некоторый порог. Таким образом, слабые сигналы, связанные в основном с движением прибора и его механическими деформациями, не раздражают слух. Формирователь опорного сигнала звуковой индикации формирует пачки прямоугольных импульсов частотой 2 кГц с частотой повторения пачек 8 Гц. С помощью балансного модулятора этот опорный сигнал перемножается на выходной сигнал ограничителя по минимуму, формируя таким образом сигнал нужной формы и нужной амплитуды. Усилитель пьезоизлучателя увеличивает амплитуду сигнала, который поступает на акустический преобразователь - пьезоизлучатель.

Принципиальная схема

Принципиальная схема разработанного автором металлоискателя по принципу "передача-прием" приведена на рис. 5 - входной блок и на рис. 6 - блок индикации. Разделение на блоки условно и не отражает особенностей конструкции.

Металлоискатель по принципу Передача-Прием
Рис. 5. Принципиальная электрическая схема входного блока металлоискателя по принципу "передача-прием" (нажмите для увеличения)

Генератор

Генератор собран на логических элементах 2И-НЕ D1.1-D1.4. Частота генератора стабилизирована кварцевым или пьезокерамическим резонатором Q с резонансной частотой 215 Гц " 32 кГц ("часовой кварц"). Цепь R1C1 препятствует возбуждению генератора на высших гармониках. Через резистор R2 замыкается цепь ООС, через резонатор Q - цепь ПОС. Генератор отличается простотой, малым потребляемым током от источника питания, надежно работает при напряжении питания 3...15 В, не содержит подстроечных элементов и чересчур высокоомных резисторов. Выходная частота генератора - около 32 кГц.

Кольцевой счетчик

Кольцевой счетчик выполняет две функции. Во- первых, он делит частоту генератора на 4, до частоты 8 кГц. Во-вторых, он формирует два сигнала, сдвинутых один относительно другого на 90° по фазе. Один сигнал используется для возбуждения колебательного контура с излучающей катушкой, другой - в качестве опорного сигнала синхронного детектора. Кольцевой счетчик представляет собой два D-триггера D2.1 и D2.2, замкнутых в кольцо с инверсией сигнала по кольцу. Тактовый сигнал - общий для обоих триггеров. Любой выходной сигнал первого триггера D2.1 имеет сдвиг по фазе на плюс-минус четверть периода (т.е. на 90°) относительно любого выходного сигнала второго триггера D2.2.

Усилитель мощности

Усилитель мощности собран на операционном усилителе (ОУ) D3.1. Колебательный контур с излучающей катушкой образован элементами L1C2. Параметры катушки индуктивности приведены в табл. 2. Марка провода обмоток - ПЭЛШО 0,44.

Таблица 2. Параметры катушек индуктивности датчика

Металлоискатель по принципу Передача-Прием

В цепь ОС усилителя выходной колебательный контур включен только на 25%, благодаря отводу от 50-го витка излучающей катушки L1. Это позволяет увеличить амплитуду тока в катушке при приемлемом значении емкости прецизионного конденсатора С2.

Значение переменного тока в катушке задается резистором R3. Этот резистор должен иметь минимальную величину, но такую, чтобы ОУ усилителя мощности не попадал в режим ограничения выходного сигнала по току (не более 40 мА) или, - что вероятнее всего при рекомендуемых параметрах катушки индуктивности L1, - по напряжению (не более ±3,5 В при напряжении батарей питания ±4,5 В). Для того чтобы убедиться в отсутствии режима ограничения, достаточно проверить осциллографом форму сигнала на выходе ОУ D3.1. При нормальной работе усилителя на выходе должен присутствовать сигнал, приближающийся по форме к синусоиде. Вершины волн синусоиды должны иметь плавную форму и не должны быть срезаны. Цепь коррекции ОУ D3.1 состоит из корректирующего конденсатора С3 емкостью 33 пФ.

Приемный усилитель

Приемный усилитель - двухкаскадный. Первый каскад выполнен на ОУ D5.1. Он обладает высоким входным сопротивлением благодаря последовательной ООС по напряжению. Это позволяет исключить потери полезного сигнала вследствие шунтирования колебательного контура L2C5 входным сопротивлением усилителя. Коэффициент усиления первого каскада по напряжению составляет: Кu = (R9/R8) + 1 = 34. Цепь коррекции ОУ D5.1 состоит из корректирующего конденсатора С6 емкостью 33 пФ.

Второй каскад приемного усилителя выполнен на ОУ D5.2 с параллельной ООС по напряжению. Входное сопротивление второго каскада: Rвх = R10 = 10 кОм - не так критично, как первого, ввиду низкоомности его источника сигнала. Разделительный конденсатор С7 не только предотвращает накапливание статической погрешности по каскадам усилителя, но и корректирует его ФЧХ. Емкость конденсатора выбирается такой, чтобы создаваемое цепью C7R10 опережение по фазе на рабочей частоте 8 кГц компенсировало запаздывание по фазе, вызванное конечным быстродействием ОУ D5.1 и D5.2.

Второй каскад приемного усилителя, благодаря своей схеме, позволяет легко осуществить суммирование (подмешивание) сигнала от схемы компенсации через резистор R11. Коэффициент усиления второго каскада по напряжению полезного сигнала составляет: Кu = - R12/R10 = -33, а по напряжению компенсирующего сигнала: Кuk = - R12/R11 = - 4. Цепь коррекции ОУ D5.2 состоит из корректирующего конденсатора С8 емкостью 33 пФ.

Схема стабилизации

Схема компенсации выполнена на ОУ D3.2 и представляет собой инвертор с Кu = - R7/R5 = -1. Регулировочный потенциометр R6 включен между входом и выходом этого инвертора и позволяет снять сигнал, лежащий в диапазоне [-1,+1] от выходного напряжения ОУ D3.1. Выходной сигнал схемы компенсации с движка регулировочного потенциометра R6 поступает на компенсирующий вход второго каскада приемного усилителя (на резистор R11).

Регулировкой потенциометра R6 добиваются нулевого значения на выходе синхронного детектора, что приблизительно соответствует компенсации проникшего в приемную катушку нежелательного сигнала. Цепь коррекции ОУ D3.2 состоит из корректирующего конденсатора С4 емкостью 33 пФ.

Синхронный детектор

Синхронный детектор состоит из балансного модулятора, интегрирующей цепи и усилителя постоянных сигналов (УПС). Балансный модулятор реализован на основе многофункционального коммутатора D4, выполненного по интегральной технологии с комплементарными полевыми транзисторами как в качестве управляющих дискретных вентилей, так и в качестве аналоговых ключей. Коммутатор работает в качестве аналогового переключателя. С частотой 8 кГц он поочередно замыкает на общую шину выходы "треугольника" интегрирующей цепи, состоящей из резисторов R13 и R14 и конденсатора C10. Сигнал опорной частоты поступает на балансный модулятор с одного из выходов кольцевого счетчика.

Сигнал на вход "треугольника" интегрирующей цепи поступает через разделительный конденсатор С9 с выхода приемного усилителя. Постоянная времени интегрирующей цепи t = R13*C10 = R14*C10. Она должна быть, с одной стороны, как можно больше, чтобы как можно сильнее ослабить влияние шумов и помех. С другой стороны, она не должна превышать некоторый предел, когда инерционность интегрирующей цепи препятствует отслеживанию быстрых изменений амплитуды полезного сигнала.

Наибольшую скорость изменения амплитуды полезного сигнала можно охарактеризовать некоторым минимальным временем, за которое может произойти это изменение (от установившегося значения до максимального отклонения) при движении датчика металлоискателя относительно металлического предмета. Очевидно, что максимальная скорость изменения амплитуды полезного сигнала будет наблюдаться при максимальной скорости движения датчика. Она может достигать 5 м/с для "маятникового" движения датчика на штанге. Время изменения амплитуды полезного сигнала можно оценить как отношение базы датчика к скорости движения. Положив минимальное значение базы датчика, равное 0,2 м, получим минимальное время изменения амплитуды полезного сигнала 40 мс. Это в несколько раз больше, чем постоянная времени интегрирующей цепи при выбранных номиналах резисторов R13, R14 и конденсатора C10. Следовательно, инерционность интегрирующей цепи не исказит динамику даже самых быстрых из всех возможных изменений амплитуды полезного сигнала от датчика металлоискателя.

Выходной сигнал интегрирующей цепи снимается с конденсатора СЮ. Так как у последнего обе обкладки находятся под "плавающими потенциалами", УПС представляет собой дифференциальный усилитель, выполненный на ОУ D6. Помимо усиления постоянного сигнала, УПС выполняет функцию фильтра нижних частот (ФНЧ), дополнительно ослабляющего нежелательные высокочастотные компоненты на выходе синхронного детектора, связанные, в основном, с неидеальностью балансного модулятора.

ФНЧ реализуется благодаря конденсаторам С11, С13. В отличие от остальных узлов металлоискателя, ОУ УПС по своим параметрам должен приближаться к прецизионным ОУ. В первую очередь, это относится к величине входного тока, величине напряжения смещения и величине температурного дрейфа напряжения смещения. Удачным вариантом, сочетающим хорошие параметры и относительную доступность, является ОУ типа К140УД14 (или КР140УД1408). Цепь коррекции ОУ D6 состоит из корректирующего конденсатора С12 емкостью 33 пФ.

Нелинейный усилитель

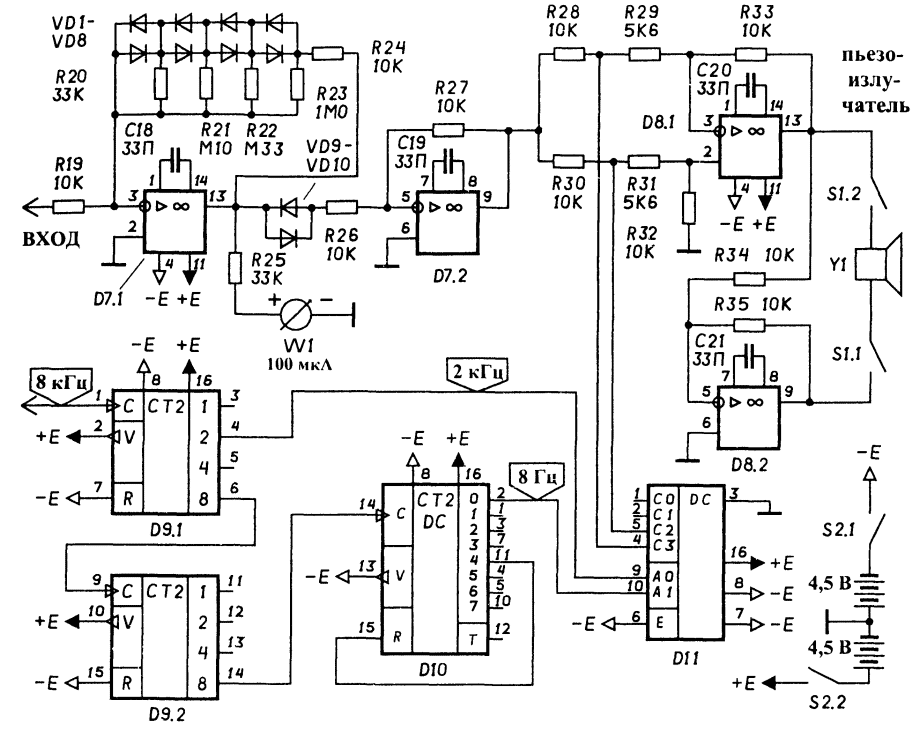
Нелинейный усилитель выполнен на ОУ D7.1 с нелинейной ООС по напряжению. Нелинейная ООС реализована двухполюсником, состоящим из диодов VD1-VD8 и резисторов R20-R24. Амплитудная характеристика нелинейного усилителя приближается к логарифмической. Она представляет собой кусочно-линейную, с четырьмя точками излома для каждой полярности, аппроксимацию логарифмической зависимости. Благодаря плавной форме вольтамперных характеристик диодов амплитудная характеристика нелинейного усилителя сглажена в точках излома. Малосигнальный коэффициент усиления нелинейного усилителя по напряжению составляет: Кuk = - (R23+R24)/R19 = -100. С ростом амплитуды входного сигнала коэффициент усиления уменьшается. Дифференциальный коэффициент усиления для большого сигнала составляет: dUвых/dUвх = - R24/R19 = = -1. К выходу нелинейного усилителя подключен стрелочный измерительный прибор - микроамперметр с последовательно включенным добавочным резистором R25. Так как напряжение на выходе синхронного детектора может иметь любую полярность (в зависимости от сдвига фазы между, его опорным и входным сигналами), использован микроамперметр с нулем в середине шкалы. Таким образом, стрелочный прибор имеет диапазон индикации -100... 0 ... +100 мкА. Цепь коррекции ОУ D7.1 состоит из корректирующего конденсатора С18 емкостью 33 пФ.

Ограничитель по минимуму

Ограничитель по минимуму реализован на ОУ D7.2 с нелинейной параллельной ООС по напряжению Нелинейность заключена во входном двухполюснике и состоит из двух встречно-параллельно включенных диодов VD9, VD10 и резистора R26.

Металлоискатель по принципу Передача-Прием
Рис. 6. Принципиальная электрическая схема блока индикации металлоискателя по принципу "передача-прием" (нажмите для увеличения)

Формирование звукового сигнала индикации из выходного сигнала нелинейного усилителя начинается с еще одной корректировки амплитудной характеристики усилительного тракта. В данном случае формируется зона нечувствительности в области малых сигналов. Это означает, что звуковая индикация включается только для сигналов, превосходящих некоторый порог. Этот порог определяется

прямым напряжением диодов VD9, VD10 и составляет около 0,5 В. Таким образом, слабые сигналы, связанные в основном с движением прибора и его механическими деформациями, отсекаются и не раздражают слух.

Малосигнальный коэффициент усиления ограничителя по минимуму равен нулю. Дифференциальный коэффициент усиления по напряжению для большого сигнала составляет: dUвых/dUвх = - R27/R26 = -1. Цепь коррекции ОУ D7.2 состоит из корректирующего конденсатора С19 емкостью 33 пФ.

Балансный модулятор

Сигнал звуковой индикации формируется следующим образом. Постоянный или медленно меняющийся сигнал на выходе ограничителя по минимуму перемножается на опорный сигнал звуковой индикации. Опорный сигнал задает форму для звукового сигнала, а выходной сигнал ограничителя по минимуму - амплитуду. Перемножение двух сигналов осуществляется с помощью балансного модулятора. Он реализован на многофункциональном коммутаторе D11, работающем в качестве аналогового ключа, и ОУ D8.1. Коэффициент передачи устройства равен +1 при разомкнутом ключе и -1 - при замкнутом. Цепь коррекции ОУ D8.1 состоит из корректирующего конденсатора С20 емкостью 33 пФ.

Формирователь опорного сигнала

Формирователь опорного сигнала реализован на двоичном счетчике D9 и счетчике-дешифраторе D10. Счетчик D9 делит частоту 8 кГц с выхода кольцевого счетчика до частоты 2 кГц и 32 Гц. Сигнал с частотой 2 кГц поступает на младший разряд адреса АО многофункционального коммутатора D11, задавая таким образом тональный сигнал с наиболее чувствительной для человеческого уха частотой. Этот сигнал будет воздействовать на аналоговый ключ балансного модулятора только в том случае, когда на старшем разряде адреса А1 многофункционального коммутатора D11 будет присутствовать логическая 1. При логическом нуле на А1 аналоговый ключ балансного модулятора все время разомкнут.

Сигнал звуковой индикации формируется прерывистым, чтобы меньше утомлялся слух. Для этого используется счетчик-дешифратор D10, который управляется тактовой частотой 32 Гц с выхода двоичного счетчика D9 и формирует на своем выходе прямоугольный сигнал с частотой 8 Гц и соотношением длительности логической единицы и логического нуля, равным 1/3. Выходной сигнал счетчика-дешифратора D10 поступает на старший разряд адреса А1 многофункционального коммутатора D11, периодически прерывая формирование тональной посылки в балансном модуляторе.

Усилитель пьезоизлучателя

Усилитель пьезоизлучателя реализован на ОУ D8.2. Он представляет собой инвертор с коэффициентом усиления по напряжению Ки = - 1. Нагрузка усилителя - пьезоизлучатель - включена по мостовой схеме между выходами ОУ D8.1 и D8.2. Это позволяет в два раза увеличить амплитуду выходного напряжения на нагрузке. Выключатель S предназначен для отключения звуковой индикации (например, при настройке). Цепь коррекции ОУ D8.2 состоит из корректирующего конденсатора С21 емкостью 33 пФ.

Типы деталей и конструкция

Типы используемых микросхем приведены в табл. 3. Вместо микросхем серии К561 возможно использование микросхем серии К1561. Можно попытаться применить некоторые микросхемы серии К176 и зарубежные аналоги.

Таблица 3. Типы используемых микросхем

Металлоискатель по принципу Передача-Прием

Сдвоенные операционные усилители (ОУ) серии К157 можно заменить любыми сходными по параметрам одиночными ОУ общего назначения (с соответствующими изменениями в цоколевке и цепях коррекции), хотя применение сдвоенных ОУ удобнее (возрастает плотность монтажа).

Операционный усилитель синхронного детектора D6, как уже указывалось выше, по своим параметрам должен приближаться к прецизионным ОУ. Кроме типа, указанного в таблице, подойдут К140УД14, 140УД14. Возможно применение ОУ К140УД12, 140УД12, КР140УД1208 в соответствующей схеме включения.

К применяемым в схеме металлоискателя резисторам не предъявляется особых требований. Они лишь должны иметь прочную конструкцию и быть удобны для монтажа. Номинал рассеиваемой мощности 0,125...0,25 Вт.

Потенциометр компенсации R6 желателен многооборотный типа СП5-44 или с нониусной подстройкой типа СП5-35. Можно обойтись и обычными потенциометрами любых типов. В этом случае желательно их использовать два. Один - для грубой подстройки, номиналом 10 кОм, включенный в соответствии со схемой. Другой - для точной подстройки, включенный по схеме реостата в разрыв одного из крайних выводов первого потенциометра, номиналом 0,5...1 кОм.

Конденсаторы С15, С17 - электролитические. Рекомендуемые типы - К50-29, К50-35, К53-1, К53-4 и другие малогабаритные. Остальные конденсаторы, за исключением конденсаторов колебательных контуров приемной и излучающей катушек, - керамические типа К10-7 (до номина- па 68 нФ) и металлопленочные типа К73-17 (номиналы выше 68 нФ). Конденсаторы контуров - С2 и С5 - особые. К ним предъявляются высокие требования по точности и термостабильности. Каждый конденсатор состоит из нескольких (5...10 шт.) конденсаторов, включенных в параллель. Настройка контуров в резонанс осуществляется подбором количества конденсаторов и их номинала. Рекомендуемый тип конденсаторов К10-43. Их группа по термостабильности - МПО (т.е. приблизительно нулевой ТКЕ). Возможно применение прецизионных конденсаторов и других типов, например К71-7. В конце концов, можно попытаться использовать старинные термостабильные слюдяные конденсаторы с серебряными обкладками типа КСО или полистирольные конденсаторы.

Диоды VD1-VD10 типа КД521, КД522 или аналогичные кремниевые маломощные.

Микроамперметр - любого типа, рассчитанный на ток 100 мкА с нулем посередине шкалы. Удобны малогабаритные микроамперметры, например, типа М4247.

Кварцевый резонатор Q - любой малогабаритный часовой кварц (аналогичные кварцевые резонаторы используются в портативных электронных играх).

Выключатель питания - любого типа малогабаритный. Батареи питания - типа 3R12 (по международному обозначению) и "квадратные" (по нашему).

Пьезоизлучатель Y1 - может быть типа ЗП1-ЗП18. Хорошие результаты получаются при использовании пье- зоизлучателей импортных телефонов (идут в огромных количествах "в отвал" при изготовлении телефонов с определителем номера).

Конструкция прибора может быть достаточно произвольной. При ее разработке желательно учесть рекомендации, изложенные ниже, а также в параграфах, посвященных датчикам и конструкции корпусов.

Внешний вид прибора показан на рис. 7.

Металлоискатель по принципу Передача-Прием
Рис. 7. Общий вид металлоискателя, выполненного по принципу "передача-прием"

По своему типу датчик предлагаемого металлоискателя относится к датчикам с перпендикулярными осями. Катушки датчика склеены из стеклотекстолита эпоксидным клеем. Этим же клеем залиты обмотки катушек вместе с арматурой их электрических экранов. Штанга металлоискателя изготовлена из трубы из алюминиевого сплава (АМГЗМ, АМГ6М или Д16Т) диаметром 48 мм и с толщиной стенки 2...3 мм. Катушки приклеены к штанге эпоксидным клеем: соосная (излучающая) - с помощью переходной усиливающей втулки; перпендикулярная к оси штанги (приемная) - с помощью подходящей формы переходника.

Указанные вспомогательные детали выполнены также из стеклотекстолита. Корпус электронного блока изготовлен из фольгированного стеклотекстолита путем пайки. Соединения катушек датчика с электронным блоком выполнены экранированным проводом с внешней изоляцией и проложены внутри штанги. Экраны этого провода подключены только к шине общего провода на плате электронной части прибора, куда также подключаются экран корпуса в виде фольги и штанга. Снаружи прибор покрашен нитроэмалью.

Печатная плата электронной части металлоискателя может быть изготовлена любым из традиционных способов, удобно также использовать готовые макетные печатные платы под DIP корпуса микросхем (шаг 2,5 мм).

Налаживание прибора

Налаживать прибор рекомендуется в следующей последовательности.

1. Проверить правильность монтажа по принципиальной схеме. Убедиться в отсутствии коротких замыканий между соседними проводниками печатной платы, соседними ножками микросхем и т.п.

2. Подключить батареи или двуполярный источник питания, строго соблюдая полярность. Включить прибор и измерить потребляемый ток. Он должен составлять около 20 мА по каждой шине питания. Резкое отклонение измеренных значений от указанной величины свидетельствует о неправильности монтажа или неисправности микросхем.

3. Убедиться в наличии на выходе генератора чистого меандра с частотой около 32 кГц.

4. Убедиться в наличии на выходах триггеров D2 меандра с частотой около 8 кГц.

5. Подбором конденсатора 02 настроить выходной контур L1C2 в резонанс. В простейшем случае - по максимуму амплитуды напряжения на нем (около 10 В), а более точно - по нулевому фазовому сдвигу напряжения контура относительно меандра на выходе 12 триггера D2.

6. Убедиться в работоспособности приемного усилителя. Настроить его входной колебательный контур L2C5 в резонанс. В качестве входного сигнала вполне достаточно паразитного сигнала, проникающего из излучающей катушки. Настройка в резонанс, как и для выходного контура, осуществляется подпайкой или удалением необходимого количества конденсаторов подходящих номиналов.

7. Убедиться в возможности компенсации паразитного сигнала потенциометром R6. Для этого сначала осциллографом контролируют выход ОУ D5.2. При вращении оси потенциометра R6 амплитуда сигнала с частотой 8 кГц на выходе ОУ D5.2 должна меняться и в одном из средних положений движка R6 эта амплитуда будет минимальна. Далее следует проконтролировать выход синхронного детектора - выход ОУ D6. При вращении оси потенциометра R6 уровень постоянного сигнала на выходе ОУ D6 должен меняться от максимального значения +3,5 В до минимального -3,5 В или наоборот. Переход этот достаточно резкий и, чтобы его "поймать", как раз и удобно воспользоваться точной подстройкой, упомянутой выше. Настройка заключается в установлении с помощью потенциометра R6 напряжения на выходе ОУ D6, равного нулю.

Внимание! Настройку потенциометром R6 необходимо проводить при отсутствии вблизи катушек датчика металлоискателя крупных металлических предметов, включая измерительные приборы! В противном случае, при перемещении этих предметов или при перемещении датчика относительно них прибор расстроится, а при наличии крупных металлических предметов вблизи датчика установить выходное напряжение синхронного детектора в ноль не удастся. О компенсации см. также в параграфе, посвященном возможным модификациям.

8. Убедиться в работе нелинейного усилителя. Простейший способ - визуально. Микроамперметр должен реагировать на процесс настройки, производимой потенциометром R6. При некотором положении движка R6 стрелка микроамперметра должна установиться в ноль. Чем дальше стрелка микроамперметра находится от нуля, тем слабее должен реагировать микроамперметр на вращение движка R6.

Может так оказаться, что неблагоприятная электромагнитная обстановка затруднит наладку прибора. В этом случае стрелка микроамперметра будет совершать хаотические или периодические колебания при приближении движка потенциометра R6 к тому положению, в котором должна иметь место компенсация сигнала. Описанное нежелательное явление объясняется наводками высших гармоник сети 50 Гц на приемную катушку. На значительном удалении от проводов с электричеством колебания стрелки при настройке должны отсутствовать.

9. Убедиться в работоспособности узлов, формирующих звуковой сигнал. Обратить внимание на наличие небольшой зоны нечувствительности по звуковому сигналу вблизи нуля по шкале микроамперметра.

При наличии неполадок и отклонений в поведении отдельных узлов схемы металлоискателя следует действовать по общепринятой методике:

  • проверить отсутствие самовозбуждения ОУ;
  • проверить режимы ОУ по постоянному току;
  • сигналы и логические уровни входов/выходов цифровых микросхем, и т.д. и т.п.

Возможные модификации

Схема прибора достаточно проста и поэтому речь может идти только о дальнейших усовершенствованиях. К ним можно отнести:

1. Добавление дополнительного потенциометра компенсации R6*, включенного параллельно R6 по крайним выводам. Движок этого потенциометра подключается через конденсатор емкостью 510 пФ (необходимо уточнить экспериментально) к инвертирующему входу 5 ОУ D5.2. В такой конфигурации будет две степени свободы при компенсации паразитного сигнала (по синусу и косинусу), что может помочь настройке прибора при эксплуатации со значительными температурными перепадами датчика, при высокой минерализации грунта и т.д.

2. Добавление дополнительного канала визуальной индикации, содержащего синхронный детектор, нелинейный усилитель и микроамперметр. Опорный сигнал синхронного детектора дополнительного канала берется со сдвигом на четверть периода относительно опорного сигнала основного канала (с любого выхода другого триггера кольцевого счетчика). Обладая некоторым опытом поиска, можно по показаниям двух стрелочных приборов научиться оценивать характер обнаруженного объекта, т.е. работать не хуже электронного дискриминатора.

3. Добавление защитных диодов, включенных в обратной полярности параллельно источникам питания. При ошибке в полярности включения батарей в этом случае гарантируется, что схема металлоискателя не пострадает (хотя, если вовремя не среагировать, полностью разрядится неправильно включенная батарея). Включать диоды последовательно с шинами питания не рекомендуется, так как в этом случае на них пропадет впустую 0,3...0,6 В драгоценного напряжения источников питания. Тип защитных диодов - КД243, КД247, КД226 и т.п.

Автор: Щедрин А.И.

Смотрите другие статьи раздела Металлоискатели.

Читайте и пишите полезные комментарии к этой статье.

<< Назад

Последние новости науки и техники, новинки электроники:

Дети, растущие рядом с природой, обретают крепкие кости 02.03.2026

Влияние окружающей среды на здоровье человека становится все более очевидным, особенно в детском возрасте. Новое исследование, опубликованное в журнале JAMA Network Open, показывает, что близость к природе напрямую связана с крепостью костей у детей. Ученые установили, что у детей, чьи дома окружены природными территориями в радиусе 1000 метров на 25% больше обычного, риск развития крайне низкой плотности костей снижается на 65%. Для проведения исследования были проанализированы данные более 300 детей, проживающих в городских, пригородных и сельских районах Фландрии в Бельгии. Плотность костной ткани у детей в возрасте от четырех до шести лет оценивалась с помощью ультразвуковых методов. Такой подход позволил безопасно и точно измерить состояние костей на ранних этапах формирования скелета. При анализе учитывались ключевые факторы, влияющие на рост и развитие детей: возраст, вес, рост, этническая принадлежность и уровень образования матери. На основании этих параметров исследоват ...>>

Самовосстанавливающаяся инфраструктура будущего 02.03.2026

Современные мосты и бетонные конструкции по всему миру сталкиваются с проблемой устаревания и износа. Многие сооружения, построенные до 1980-х годов, постепенно теряют свою несущую способность, что требует дорогого ремонта или полной замены. Недавние разработки ученых из Швейцарских федеральных лабораторий материаловедения и технологий (Empa) предлагают инновационное решение - систему укрепления бетонных конструкций с помощью "умной стали", способной самостоятельно устранять трещины и повреждения. В основе новой технологии лежит арматура из сплава на основе железа с эффектом памяти формы (Fe-SMA). Этот материал обладает уникальным свойством: при нагревании до 190-200 °C стержни стремятся вернуться к своей первоначальной конфигурации. В бетонной конструкции это создает внутреннее напряжение, которое затягивает трещины и выравнивает деформированные элементы, существенно повышая прочность и долговечность сооружений. Актуальность разработки объясняется критическим состоянием инфрастр ...>>

Поцелуи полезны для здоровья 01.03.2026

Вопрос о том, как социальные связи и близость с партнером отражаются на здоровье человека, привлекает внимание не только психологов, но и специалистов в области микробиологии. Новое исследование показывает, что совместное проживание с любимым человеком может оказывать значительное влияние на микробиом кишечника и общее самочувствие. Доктор Наоми Миддлтон, клинический психологи и эксперт по здоровью кишечника, объяснила, что все аспекты совместной жизни - поцелуи, совместное питание, физическая близость и даже просто пребывание рядом - тесно связаны с поддержанием сбалансированной кишечной микрофлоры. Она подчеркивает, что здоровье экосистемы кишечника во многом определяется социальными взаимодействиями и повседневной близостью с другими людьми. По словам Миддлтон, длительное совместное пребывание с партнером может способствовать увеличению микробного разнообразия в кишечнике, а также снижать воспалительные процессы, связанные со стрессом. Такой эффект обусловлен тем, что микробио ...>>

Случайная новость из Архива

Обнаружены 5 копий Земли 17.10.2013

Космический телескоп Kepler обнаружил экзопланеты, похожие по условиям обитания на Землю. Их всего 5 штук из 18 000 с лишним кандидатов. Новый анализ наблюдений Kepler-а дал астрономам надежду на то, что удалось обнаружить первые планеты, схожие по массе, температуре и типу родительской звезды с нашей родной Землей. До сих пор почти непрерывные наблюдения за 150 000 звезд достоверно не подтвердили существование планет размером с Землю.

До сих пор удавалось находить в основном горячие гиганты, непригодные для жизни или более привлекательные с точки зрения потенциальной обитаемости суперземли с диаметром от 1,5 раз большим, чем Земля. Кроме того, планеты земного типа были найдены в обитаемой зоне небольших холодных красных карликов, которые хоть и могут поддерживать жизнь, но отнюдь не комфортную и безопасную, как на нашей планете.

Kepler обнаружил множество вероятных экзопланет. Но сколько из них существуют на самом деле? На рисунке варианты ложных показаний (b и с), когда за искомую планету воспринимается другое явление. Возможно, и среди сигнатур 5 наиболее вероятных копий Земли есть ошибочные измерения

Поиск двойников Земли был одной из основных целей телескопа Kepler, ведь именно на таких планетах может развиться жизнь, похожая на земную. Также, изучение такой планеты важно для понимания эволюции Земли. К сожалению, найти землеподобную планету у звезды похожей на Солнце очень трудно, поскольку планета размером с Землю блокирует во время транзита (прохождения на фоне диска звезды) только 0,01 % света родительского светила.

В декабре прошлого года, команда Kepler-а опубликовала список возможных 18 406 планет-кандидатов и разработала особый алгоритм поиска, согласно которому из тысяч транзитных событий определили 87 вероятных копий Земли. К сожалению, особенности работы телескопа и неполадки с его фотоматрицей поставили под сомнение полученные ранее наблюдения транзитов.

Обычно, телескоп Kepler около 3 месяцев неподвижно "смотрел" на определенный участок звездного неба. В конце каждого квартала, телескоп поворачивался на 90 градусов, сканируя все тот же участок неба, только другой частью CCD-матрицы. После очередного квартала телескоп вновь поворачивался, и таким образом в течение 4 лет каждую конкретную звезду наблюдали четыре разные участка матрицы. Проблема заключается в том, что конкретные участки CCD-матрицы оказались немного нестабильными. Данные, которые они собрали, бесспорно полезны для науки, но небольшой случайный шум можно ошибочно принять за транзит экзопланеты. Проще говоря, небольшие помехи могут создавать ложный сигнал о наличии экзопланеты. Хуже всего, что ложные сигналы появляются через строго определенные интервалы (как и настоящие планеты), да к тому же кажутся свидетельствами присутствия планет именно земного типа. В общем, из 87 землеподобных планет подавляющее большинство, судя по всему, - ложные сигналы.

Используя особый алгоритм отсеивания ложных сигналов, ученые обнаружили 5 особых транзитных событий, которые регулярно повторялись на протяжении 4 лет. Скорее всего, это и есть экзопланеты земного типа - всего пять возможных копий Земли из тысяч планет-кандидатов. Тем не менее, это тоже успех. Хоть найденные планеты находятся на расстоянии порядка 2000 световых лет и изучить их прямым наблюдением не представляется возможным, астрономы хотя бы имеют шанс исследовать статистические данные.

Другие интересные новости:

▪ SSD-накопители Seagate BarraCuda 510 в формате М.2

▪ Футбольный вирус

▪ Гоночная версия электромобиля Hyundai Ioniq 5

▪ Начаты поставки образцов магниторезистивной памяти ST-MRAM

▪ На Северном полюсе зафиксировали аномально высокую температуру

Лента новостей науки и техники, новинок электроники

 

Интересные материалы Бесплатной технической библиотеки:

▪ раздел сайта Применение микросхем. Подборка статей

▪ статья Мини-грузовичок. Чертеж, описание

▪ статья Кто является обладателем мирового рекорда длительности пребывания у власти? Подробный ответ

▪ статья Цунами. Чудо природы

▪ статья Кремы для обуви. Сырьевые материалы. Простые рецепты и советы

▪ статья Сетевой импульсный источник питания, 50 ватт. Энциклопедия радиоэлектроники и электротехники

Оставьте свой комментарий к этой статье:

Имя:


E-mail (не обязательно):


Комментарий:





Главная страница | Библиотека | Статьи | Карта сайта | Отзывы о сайте

www.diagram.com.ua

www.diagram.com.ua
2000-2026