Menu Home

Бесплатная техническая библиотека для любителей и профессионалов Бесплатная техническая библиотека


Почему одни микроконтроллеры надежнее других. Энциклопедия радиоэлектроники и электротехники

Бесплатная техническая библиотека

Энциклопедия радиоэлектроники и электротехники / Микроконтроллеры

Комментарии к статье Комментарии к статье

В статье автор рассматривает некоторые аспекты, на которые разработчикам следует обратить внимание при выборе микроконтроллера для применений, отвечающих высоким требованиям надежности и безопасности.

По роду своей профессиональной деятельности в дистрибьюторской компании ООО "Элтех" автору приходится обсуждать проблемы разработки устройств со многими отечественными производителями электроники. В ходе этих обсуждений выясняется, что российские разработчики используют для решения своих задач микроконтроллеры всех производителей, представленных на электронном рынке. Для некоторых производителей вполне подходят микроконтроллеры так называемого "коммерческого" исполнения. Но есть производители, для которых одним из важнейших критериев выбора электронного компонента является его надежность. Прежде всего, это специалисты, работающие в области производства медицинской техники, лифтового оборудования, автомобильной электроники.

Эксперимент

В 2006 году в нашу фирму обратился Михаил Черепанов - разработчик компании "Свей" ("Свей" - российский производитель промышленной электроники).

Вот текст его письма:"История началась с того, что от заказчиков поступили жалобы на то, что наши цифровые преобразователи (построенные на MSP430F148IPM) периодически "зависают" и не отвечают на запросы до тех пор, пока не будут перезагружены путем снятия и повторной подачи напряжения питания.

Были предположения, что "зависание" происходит из-за наличия импульсных помех (на электрических подстанциях это обычное явление). Чтобы воспроизвести ситуацию, я изготовил генератор помех (рис. 1).

Почему одни микроконтроллеры надежнее других. Генератор помех
Рис. 1

В результате испытаний наши преобразователи были доработаны следующим образом:
1) Вместо кварцевого резонатора установлен кварцевый генератор.
2) Установлен внешний сторожевой таймер, так как в MSP430F148 он работает от того же кварца и так же оказывается неэффективным.

После чего сбои больше не происходили.

Позже наша продукция успешно прошла испытания (для изделий, подлежащих обязательному декларированию соответствия) на ЭМС по:

  • ГОСТ Р 51317.4.2.
  • ГОСТ Р 51317.4.3.
  • ГОСТ Р 51317.4.4.
  • ГОСТ Р 51317.4.11.

Для себя я определил минимальные требования для используемого микроконтроллера:

1) Испытания генератором помех.
2) Если используется внутренний сторожевой таймер, то он должен работать сразу после включения микроконтроллера и тактироваться собственным генератором.
3) Документация должна быть "дружественная", с примерами конфигурирования периферии.
4) Наличие доступных отладочных средств (в пределах $200).
5) Если требуется USB, Ethernet, TCP, то должна быть соответствующая готовая библиотека, а лучше RTOS с поддержкой оных".

Итак, наш клиент просил помочь подобрать ему микроконтроллер, устойчивый к сильным электромагнитным полям. Мы предложили устройства NEC, зная, что эти микроконтроллеры находят широкое применение в автоэлектронике, где электромагнитная обстановка очень сложная.

Было представлено несколько оценочных комплектов. Тогда заказчик сказал, что он хочет проверить их искровым генератором. Честно говоря, мы немного волновались, как пройдут эти испытания, однако такие условия вполне соответствуют реальным автомобильным ситуациям, когда происходит пробой высоковольтного провода. При этом электроника должна продолжать исправно работать.

Данный метод проверки был достаточно грубым, ведь оценочные комплекты не предназначены для таких испытаний. Мы понимали, что в этом эксперименте есть известный риск, и, возможно, наши "оценочники" даже могут выйти из строя после подобного испытания. Но, имея достаточный опыт работы с этими устройствами и учитывая опыт наших заказчиков, мы решили, что они выполнены надлежащим образом и будут работать так, как положено.

Мы предоставили два оценочных комплекта:

  • Low Pin Count - Do it!, построенный на основе 8-разрядного UPD78F9222;
  • EB-V850ES/HG2-EE, построенный на основе 32-разрядного UPD70F3707.

Искровой разряд производился в непосредственной близости с оценочными комплектами.

Схематично процесс тестирования изображен на рис. 2.

Почему одни микроконтроллеры надежнее других. Тестирование оценочной  платы искровым генератором
Рис. 2

Оба оценочных комплекта работали без сбоев, даже когда искра приближалась на расстояние порядка 5 см. Заказчик сообщил, что подобным образом он проверил более 10 различных оценочных комплектов. Мы попросили его предоставить результаты этих экспериментов. Далее они будут приведены без комментариев, "как есть".

Через некоторое время заказчик провел еще один, можно сказать, более "варварский" эксперимент. Однако его результаты также интересны. Он рукой касался выводов работающего кварцевого генератора. В таких условиях из всех перечисленных микроконтроллеров, тактируемых от внешнего генератора, работал только один - uPD70F3707 (NEC). Однако, справедливости ради, следует заметить, что при прикосновении демонстрационная программа заметно замедляла скорость своего выполнения. Причина такого "поведения" микроконтроллера uPD70F3707 будет объяснена далее.

Давайте попытаемся понять, благодаря чему семейство V850ES/HG2 (к которому принадлежит микроконтроллер uPD70F3707) оказалось столь "живучим". Если внимательно рассмотреть некоторые периферийные узлы, то все постепенно становится на свои места.

Сторожевой таймер и тактовые генераторы

Проблемы, с которыми столкнулся наш клиент, были вызваны тем, что при воздействии сильных электромагнитных помех возможен срыв генерации кварцевого генератора, а так как в микроконтроллере MSP430F148 сторожевой таймер тактируется от того же самого опорного генератора, то при остановленном опорном генераторе сторожевой таймер уже не может "разбудить" микроконтроллер [1].

Для того чтобы предотвратить эту ситуацию, во всех микроконтроллерах NEC сторожевой таймер тактируется от отдельного внутреннего кольцевого генератора. Кольцевой генератор представляет собой нечетное число инверторов, соединенных в кольцо так, что выход одного инвертора идет на вход следующего. Срыв генерации кольцевого генератора практически невозможен. Следует отметить, что во всех микроконтроллерах семейства V850 от NEC запуск процессорного ядра происходит от дополнительного встроенного кольцевого генератора, и только убедившись в том, что кварцевый генератор запустился, вы можете переключить тактирование на "кварц".

Монитор тактовой частоты (Clock Monitor)

Монитор тактовой частоты следит за наличием генерации тактового генератора, использующего внешний кварцевый резонатор. В случае если генерация пропадает, генерируется внутренний сигнал сброса RESCLM и устанавливается флаг RESF.CLMRF [2]. После выхода из режима сброса микроконтроллер анализирует этот флаг и "понимает", что возникли проблемы с внешним тактовым генератором, после чего ядро запускается от одного из внутренних тактовых генераторов. В зависимости от семейства может быть 1 или 2 генератора, однако их частота, как правило, всегда меньше, чем частота генератора, использующего внешний резонатор.

Именно поэтому после прикосновения пальцем микроконтроллер uPD70F3707 продолжал работать, но уже значительно "медленнее", что и констатировал Михаил Черепанов из компании "Свей".

Интересно, что в той или иной степени это устройство реализовано и в других микроконтроллерах. Однако, если используемый тактовый генератор задается при программировании FLASH и не может быть изменен программно, то сценарий запуска от альтернативного внутреннего генератора, описанный выше, реализовать уже невозможно.

Кроме семейства V850ES/Hx2, этот узел имеют также семейства, специально разработанные для приложений управления электродвигателями (V850E/IA3, IA4, IF3, IG3; V850ES/IK1, IE2), для автомобильных приборных панелей (V850E/Dx3), для бортовой электроники с CAN-интерфейсом (V850ES/Sx2, Sx2-H, Sx3, Fx2, Fx3, Fx3-L), а также V850ES/Kx1+, Jx2, Jx3, Jx3-L, Hx2 и Hx3.

Следует отметить, что в некоторых других микроконтроллерах (как правило, в 8- и 16-разрядных) инженеры NEC вместо монитора тактовой частоты используют оконный сторожевой таймер. Он имеет совершенно иной принцип работы, однако это периферийное устройство можно использовать с той же целью, что и монитор тактовой частоты, то есть он может отслеживать факт исчезновения тактовых импульсов "внешнего" опорного генератора и позволяет микроконтроллеру переключиться на внутренний генератор.

Разделение шин питания

Все 32-разрядные микроконтроллеры NEC, упоминавшиеся ранее, и многие 8-разрядные имеют раздельные шины питания для внутренних периферийных устройств, процессорного ядра и цепей портов ввода/вывода. На рис. 3, 4 схематично показано такое разделение.

Почему одни микроконтроллеры надежнее других. Разделение цепей  питания микроконтроллеров NEC семейства V850
Рис. 3

Почему одни микроконтроллеры надежнее других. Раздельные выводы для  питания ядра, портов ввода/вывода и аналоговой части микроконтроллера семейства  V850ES/Hx2
Рис. 4

При правильной развязке шины питания ядра и портов ввода/вывода помехи, наведенные на портах ввода/вывода, не попадают в цепи питания периферийных устройств и ядра и повышают электромагнитную устойчивость (EMS).

Так, например, в оба списка (табл. 1, 2) попали микроконтроллеры с ядром АРМ.

Таблица 1. Оценочные комплекты при проверке работали без сбоев

Название Описание
uPD78F9222 оценочный комплект Low Pin Count - Do it!, 2-слойная плата, проверена с кварцем и внешним генератором от NEC Electronics
uPD70F3707 оценочный комплект EB-V850ES/HG2-EE от NEC Electronics
TMS320F2806 2-слойная плата, с внешним генератором
ADUC7026BSTZ62 макетная плата, с кварцем
ATMEGA32-16PU навесной монтаж на ножках микросхемы, с кварцем
AT89C51-24PI 2-слойная плата, с кварцем
Z8F2421AN020EC 2-слойная плата, с кварцем
EZ80F91AZ050SC отладочный комплект eZ80F910200ZCO, 4-слойная плата, с кварцем
MC56F8322VFB60 отладочный комплект MC56F8300DSK, 2-слойная плата, видимо, с внутренним RC-генератором
MC9S12NE64 отладочный комплект DEMO9S12NE64
CY8C21x34 Cypress; отладочный набор CY3212 - CapSense, 2-слойная плата, внутренний RC-генератор

Таблица 2. Оценочные комплекты, которые при проверке имели сбои тестовой программы

Название Описание
C8051F064 Silicon Labs; 2-слойная плата, работа от кварца
MSP430F148IPM 2-слойная плата, с кварцем 8 МГц
LPC2129 отладочная плата
LPC2148FBD64 2-слойная плата, с внешним генератором
LPC2148 отладочный комплект от Olimex, на 2-слойной плате, с кварцем
TMS470R1A256 KickStart Development Board от IAR на TMS470R1A256, c кварцем
AT91SAM7S128 отладочный комплект от Olimex

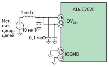
Без сбоев работали микроконтроллеры ADUC7026BSTZ62, в то время как в "черный список" попали микроконтроллеры с ядром АРМ от NXP (LPC2148). Если исследовать цепи питания ядра, периферийных устройств и портов ввода/вывода, можно отметить, что микроконтроллер от Analog Devices, также "устоявший" против искры [3], имеет структуру питания, аналогичную V850ES/Hx2 от NEC. A именно развязанные шины питания ядра и портов ввода/вывода (рис. 5, 6).

Почему одни микроконтроллеры надежнее других. Шины питания портов  ввода/вывода микроконтроллера ADuC702
Рис. 5

Почему одни микроконтроллеры надежнее других. Шины питания ядра  микроконтроллера ADuC7026
Рис. 6

Инженеры NXP при создании LPC2148FBD64 [4] ограничились только разделением аналоговых и цифровых цепей питания (рис. 7).

Почему одни микроконтроллеры надежнее других. У микроконтроллера  LPC2148FBD нет «развязки» питания между ядром и портами ввода/вывода
Рис. 7

Даже в микроконтроллерах, анонсированных как предназначенные для автомобильного применения, таких как AT90CAN32/64/128; ATmega164P/324P/644P и ATmega32M1/64M1/32C1/64C1, разделение шин питания портов ввода/вывода и шин питания ядра не предусмотрено. В результате возрастает возможность отказа из-за помех, наведенных по цепям ввода/вывода в ответственных применениях.

Микроконтроллер MSP430F148, который был использован в разработке, описанной Михаилом, также не имеет разделения шин питания ядра и портов ввода/вывода.

Можно также вспомнить еще одного очень популярного производителя микросхем - компанию Microchip. Исследования с микроконтроллерами данного производителя не проводились, однако, если посмотреть на них с точки зрения разделения шин питания, то в определенном смысле концепция развязки портов ввода/вывода и периферийных устройств реализована в семействе PIC24FJ64GA/128GA/256GA. На рис. 8 видно, что цепи питания ядра VDDCORE и портов ввода/вывода VDD разделены. Однако общий провод VSS остался гальванически не развязанным для этих двух цепей питания. По предварительным оценкам, помехозащищенность этих микроконтроллеров будет ниже, чем у ADUC7026 от ADI или V850 от NEC.

Почему одни микроконтроллеры надежнее других. Цепи питания ядра и портов  ввода/вывода у микроконтроллера PIC24FJ64GA не имеют развязки по общему проводу
Рис. 8

Тактовый генератор с расширенным спектром (SSCG)

Следует обратить внимание и на возможность использования тактового генератора с расширенным спектром. Такой генератор имеет частотно-модулированные колебания. "Пик" АЧХ, характерный для генератора гармонических колебаний, под воздействием частотной модуляции "размазывается" и превращается в "полку". Глубину и период частотной модуляции сигнала генератора SSCG можно изменять. Таким генератором наделены микроконтроллеры семейств V850E/ME2, Dx3, V850ES/Hx3, Fx3, V850E2/ME3 от NEC. Его применение позволяет уменьшить более чем на 10 дБ электромагнитную эмиссию (EME), излучаемую генератором, и, следовательно, уменьшить чувствительность к внешним электромагнитным помехам (EMS) на частотах работы тактового генератора (рис. 9).

Почему одни микроконтроллеры надежнее других. а)Гармонический  сигнал; б)сигнал SSCG
Рис. 9,10

Применение цепи ФАПЧ

Еще одним способом уменьшения EMS является применение синтезатора частоты на основе петли ФАПЧ (PLL). На рис. 10 видно, что паразитные высокочастотные сигналы, наведенные на выводах кварцевого резонатора, фильтруются при прохождении через ФНЧ петли ФАПЧ. На рис. 11 приведены данные, позволяющие оценить, насколько улучшается EMS микроконтроллера при использовании ФАПЧ.

Почему одни микроконтроллеры надежнее других. При использовании ФАПЧ  фильтруются ВЧ-помехи

Почему одни микроконтроллеры надежнее других. Повышение устойчивости  к помехам при применении ФАПЧ
Рис. 11

Напряжение питания

Можно показать, что чем выше напряжение питания, тем выше помехоустойчивость микропроцессорной схемы. Верно и то, что чем меньше напряжение питания, тем меньше микроконтроллер будет "шуметь". Так, LPC2129 [5] от NXP и AT91SAM7S128 [6] от Atmel, попавшие в "черный список", имеют необходимую развязку шины питания ядра и шин питания портов ввода/вывода. Однако слишком малое напряжение питания ядра (1,8 В) отрицательно сказывается на помехоустойчивости этого микроконтроллера.

Иногда бывает необходимо "связать" 3- и 5-вольтовую логику. При этом очень кстати может оказаться толерантность портов ввода/вывода к различным уровням логических сигналов, то есть возможность поддержки микроконтроллером различных напряжений портов ввода/вывода при неизменном напряжении питания ядра микроконтроллера и периферийных устройств [7] (рис. 12).

Почему одни микроконтроллеры надежнее других. Структура питания  микроконтроллеров семейства V850ES/Fx2
Рис. 12

Поддержка фирмы, изготовителя микросхем, может включать такие ресурсы, как рекомендации по трассировке печатной платы, анализ производителем микросхем участка печатной платы, связанной с трассировкой микроконтроллера, и дополнительных компонентов с предложениями по улучшению электромагнитной совместимости (EMC) (рис. 13), материалы по электромагнитному излучению (EME) микроконтроллеров [8] (предоставляются после запроса у дистрибьютора). На рис. 14 представлена лаборатория NEC по проведению исследований на EMC [8]. Ее особенность в том, что она должна находиться высоко в горах, вдали от источников электромагнитного излучения.

Почему одни микроконтроллеры надежнее других. Через дистрибьютора можно  запросить рекомендации по улучшению EMC для вашего дизайна печатной платы
Рис. 13

Почему одни микроконтроллеры надежнее других. Лаборатория NEC  Electronics по проведению исследования EMC
Рис. 14

Поддержка дистрибьютора включает предоставление образцов и оценочных комплектов для тестирования, техническую поддержку и другой сервис. В некоторых случаях, как было показано выше, дистрибьютор идет на риск, чтобы проект начал развиваться. Более "плотная" работа с дистрибьютором, как правило, всегда бывает выгодна конечному разработчику и производителю.

В таблице 3 приведены данные некоторых семейств микроконтроллеров NEC, рекомендованных для применения в приложениях с повышенными требованиями к надежности, и некоторые характеристики, позволяющие оценить, насколько надежным может получиться устройство, построенное на этих микроконтроллерах.

Таблица 3. Параметры, влияющие на надежность некоторых семейств микроконтроллеров NEC Electronics

Семейство Кол-во каналов CAN Произво-дитель-ность (тактовая частота), макс. Рабочее напря-жение питания, В Разделение шин питания ядра/
тактового генератора,
портов ВВ
Автомо-бильное исполнение
A: -40.. 85 °C
A1: -40…110 °C
A2: -40…125 °C
ФАПЧ (PLL) SSCG Монитор тактовой частоты Оконный сторо-жевой таймер Незави-симый генератор для сторо-жевого таймера Отчет о EME иссле-довании микро-контрол-лера Рекомен-дации по трасси-ровке PCB Анализ произво-дителя микросхем PCB заказчика Техни-ческая и логисти-ческая под-держка дистри-бьютора
78K0/Kx1+ - 10 МГц 2,0-5,5 - A, A2 - - - - Есть Есть Есть Есть Есть
78K0/Kx2 - 20 МГц 2,7-5,5 Есть A, A2 - - - Есть Есть Есть
78K0/Fx2 1 20 МГц 1,8-5,5 Есть A, A2 - - - Есть Есть Есть
V850ES/Fx3 1,2,4,5 95 MIPS (48 МГц) 3,3-.5,5 Есть A, A1, A2 Есть Есть Есть - Есть Есть
V850ES/Fx3-L 1 43 MIPS (20 МГц) 3,3-5,5 Есть A, A1, A2 Есть - Есть - Есть Есть
V850ES/Sx3 1, 2 69 MIPS (32 МГц) 2,8-3,6 Есть A Есть - Есть - Есть Есть
V850E/Dx3 1,2,3 95 MIPS (48 МГц) 4,0-5,5 Есть A Есть Есть Есть - Есть Есть

Заключение

Рассмотрены основные аспекты, связанные с выбором микроконтроллеров для ответственных применений. Испытания, проведенные по довольно "суровой" методике, приведенной в статье, позволяют читателю решить задачу с выбором микроконтроллера для своего применения, с учетом требований к надежности разрабатываемого устройства, а также сервиса, получаемого как при разработке, так и на всех последующих стадиях производства.

В одной из своих новых разработок фирма "Свей" применила 8-разрядный микроконтроллер UPD78F9212GR производства NEC Electronics.

Литература

1. focus.ti.com/lit/ds/symlink/msp430f148.pdf
2. eu.necel.com/_pdf/U17718EJ2V0UD00.PDF
3. analog.com/static/imported-files/data_sheets/ADUC7019_7020_7021_7022_7024_7025_7026_7027_7028.pdf
4. nxp.com/acrobat_download/datasheets/LPC2141_42_44_46_48_3.pdf
5. nxp.com/acrobat_download/datasheets/LPC2109_2119_2129_6.pdf
6. atmel.com/dyn/resources/prod_documents/doc6175.pdf
7. eu.necel.com/_pdf/U17830EE1V0UM00.PDF
8. Материалы, предоставляемые NEC Electronics (necel.com ) по запросу.

Автор: Геннадий Горюнов, gennady.gr@eltech.spb.ru; Публикация: cxem.net

Смотрите другие статьи раздела Микроконтроллеры.

Читайте и пишите полезные комментарии к этой статье.

<< Назад

Последние новости науки и техники, новинки электроники:

Стерильного нейтрино не существует 15.01.2026

В физике элементарных частиц поиск новых, пока не обнаруженных объектов играет ключевую роль в понимании устройства Вселенной. Иногда такие поиски приводят к громким открытиям, а иногда - к не менее важным отрицательным результатам, которые позволяют отбросить неверные направления. Именно к таким случаям относится недавний вывод ученых о судьбе стерильного нейтрино - одной из самых интригующих гипотетических частиц последних десятилетий. Исследователи из американской лаборатории Fermilab официально сообщили, что им не удалось найти доказательства существования стерильного нейтрино. К такому выводу пришла команда эксперимента MicroBooNE после многолетнего анализа столкновений нейтрино, которые ранее рассматривались как возможный намек на существование четвертого типа этих частиц. Предполагалось, что стерильное нейтрино взаимодействует с материей исключительно через гравитацию, что делало его крайне трудным объектом для обнаружения. В рамках современной физики нейтрино известны в т ...>>

Беспроводные наушники и колонки Fender 15.01.2026

Музыкальная индустрия постепенно адаптируется к цифровым технологиям, и известный производитель музыкальных инструментов Fender расширяет свое присутствие за пределы гитар и усилителей, представляя современные решения для прослушивания музыки. Новые беспроводные наушники и Bluetooth-колонки Fender объединяют богатый звук, модульность и удобство использования как для дома, так и для профессиональной работы. Флагманской новинкой стали наушники Fender Mix, отличающиеся модульной конструкцией. Динамики подключаются к оголовью через порт USB Type-C и могут быть сняты вместе с амбушюрами, что облегчает уход и транспортировку. Один из динамиков оснащен встроенным адаптером USB Type-C для подключения к источнику звука без потерь, поддерживая кодеки LDHC и Fire, а также функцию Auracast. На другом динамике размещен съемный аккумулятор, который обеспечивает до 100 часов работы без активного шумоподавления; при включении ANC время работы сокращается до 52 часов. Наушники доступны по цене $299 ...>>

Польза белкового завтрака 14.01.2026

Правильное питание по утрам играет ключевую роль в поддержании здоровья и контроле веса. Многочисленные исследования подтверждают, что состав завтрака может влиять на аппетит в течение всего дня и качество употребляемой пищи. Австралийские ученые провели масштабный эксперимент, который показал, что употребление белковой пищи с утра помогает дольше чувствовать сытость и предотвращает переедание. В исследовании участвовали более 9 тысяч человек среднего возраста 46 лет. В период с 2011 по 2012 год специалисты анализировали рационы респондентов, оценивая долю основных макронутриентов. В среднем участники потребляли 43% углеводов, 31% жиров, 18% белков, 2% клетчатки и 4% алкоголя. Такой рацион позволил ученым проследить взаимосвязь между утренним приемом пищи и пищевым поведением в течение дня. Выяснилось, что участники, чей завтрак содержал недостаточное количество белка, ощущали повышенный аппетит в течение дня. Они ели больше, чем необходимо, и часто выбирали продукты с высоким со ...>>

Случайная новость из Архива

Нанокристаллы, защищающие фруктовые деревья от заморозков 01.08.2018

Исследования новаторских нанотехнологий в Университете штата Вашингтон (WSU), предназначенных для защиты вишен, яблонь и других популярных плодовых деревьев от повреждений вследствие заморозков, дали положительные результаты.

Недавно группа научных сотрудников из WSU получила грант Национального института пищевых продуктов и сельского хозяйства Министерства сельского хозяйства США в размере $500 тыс. для разработки нанокристаллов на основе растений, которые должны обволакивать и защищать почки плодовых деревьев во время весенних заморозков, когда температурные показатели нестабильны и непредсказуемы. Производители фруктов из штата Вашингтон также внесли свой вклад в размере $100 тыс, чтобы помочь развитию новых технологий.

"Ущерб от заморозков происходит весной, когда распускаются на деревьях цветы, и нежные ткани растений подвергаются воздействию. Когда температура воздуха повышается, это является сигналом для растения к пробуждению. Растения довольно быстро теряют устойчивость к холодным температурам. В результате, заморозки наносят весьма ощутимый ущерб урожаю плодовых", - отметил научный сотрудник и профессор из Университета штата Вашингтов Мэтью Уайтинг.

Команда ученых, возглавляемая профессором, директором Центра точных и автоматизированных сельскохозяйственных систем WSU Цинем Чжангом, включает в себя также Сяо Чжанга, Мэтью Уайтинга и доцента факультета машиностроения WSU Чангки Мо. Весной текущего года они провели первое полевое испытание с нанокристаллами, которое показало положительные результаты. В дополнение к технологии нанокристаллов в течение следующих трех лет исследователи продолжат испытания с целью улучшения дозировки и применения.

"Мы изучим тепловые свойства нанокристаллического аэрозоля и сосредоточимся на полном понимании механизма нанокристаллов для снижения ущерба, вызванного заморозками. Новая технология может оказать значительное влияние на сельскохозяйственную промышленность", - заявил господин Мо.

Нанокристаллы изготовлены из растительного материала и являются более экологически чистым методом контроля температуры урожаев, чем современные методы. В настоящее время производители используют ветровые генераторы для циркуляции воздуха и повышения температуры в садах, а также нагреватели, стоимость которых превышает тысячи долларов за ночь.

Другие интересные новости:

▪ Пора кипятить белье

▪ Внимание на нос

▪ Человек топает сильнее слона

▪ Электроочистка масла

▪ Распознование лиц в условиях стреса

Лента новостей науки и техники, новинок электроники

 

Интересные материалы Бесплатной технической библиотеки:

▪ раздел сайта Альтернативные источники энергии. Подборка статей

▪ статья Менеджмент. Шпаргалка

▪ статья Какой фрукт стал культовым в Китае во время правления Мао Цзедуна? Подробный ответ

▪ статья Врач-нефролог. Должностная инструкция

▪ статья Китайский цемент Чио-Лиао. Простые рецепты и советы

▪ статья Включение транзисторов цепочкой. Энциклопедия радиоэлектроники и электротехники

Оставьте свой комментарий к этой статье:

Имя:


E-mail (не обязательно):


Комментарий:





Главная страница | Библиотека | Статьи | Карта сайта | Отзывы о сайте

www.diagram.com.ua

www.diagram.com.ua
2000-2026