Бесплатная техническая библиотека
Включение люминесцентной лампы в сеть. Энциклопедия радиоэлектроники и электротехники

Энциклопедия радиоэлектроники и электротехники / Освещение
Комментарии к статье
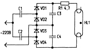
Лампы дневного света (ЛДС) часто приходят в негодность по причине перегорания нитей накала. В литературе многократно описывались схемы запуска таких ламп. Предлагаю свою схему (рис.1), разработанную в результате многократных экспериментов с десятками ламп.
Рис.1. Принципиальная схема
В таблице приводятся значения номиналов деталей для ламп различной мощности. Ограничительный резистор R1 обязательно должен быть проволочным. Если при включении лампа сразу не загорается, имеет смысл (иногда помогает) поменять местами ее выводы.
Мощность
лампы, Вт
| С1,С2,
мкФ
| С3,С4,
пФ
| VD1..VD4
| R1,
Ом |
| 20
| 2
| 3300
| Д226
| 100 |
| 30
| 4
| 3300
| Д226
| 60 |
| 40
| 10
| 3300
| Д226
| 60 |
| 80
| 20
| 6800
| Д205
| 30 |
| 100
| 20
| 6800
| Д231
| 30 |
Автор: А.Кашкаров, г. С.-Петербург; Публикация: radioradar.net
Смотрите другие статьи раздела Освещение.
Читайте и пишите полезные комментарии к этой статье.
<< Назад
Последние новости науки и техники, новинки электроники:
Лабораторная модель прогнозирования землетрясений
30.11.2025
Предсказание землетрясений остается одной из самых сложных задач геофизики. Несмотря на развитие сейсмологии, ученые все еще не могут точно определить момент начала разрушительного движения разломов. Недавние эксперименты американских исследователей открывают новые горизонты: впервые удалось наблюдать микроскопические изменения в контактной зоне разломов, которые предшествуют землетрясению.
Группа под руководством Сильвена Барбота обнаружила, что "реальная площадь контакта" - участки, где поверхности разлома действительно соприкасаются - изменяется за миллисекунды до высвобождения накопленной энергии. "Мы открыли окно в сердце механики землетрясений", - отмечает Барбот. Эти изменения позволяют фиксировать этапы зарождения сейсмического события еще до появления традиционных сейсмических волн.
Для наблюдений ученые использовали прозрачные акриловые материалы, через которые можно было отслеживать световые изменения в зоне контакта. В ходе искусственного моделирования примерно 30% ко ...>>
Музыка как естественный анальгетик
30.11.2025
Ученые все активнее исследуют немедикаментозные способы облегчения боли. Одним из перспективных направлений становится использование музыки, которая способна воздействовать на эмоциональное состояние и когнитивное восприятие боли. Новое исследование международной группы специалистов демонстрирует, что даже кратковременное прослушивание любимых композиций может значительно снижать болевые ощущения у пациентов с острой болью в спине.
В эксперименте участвовали пациенты, обратившиеся за помощью в отделение неотложной помощи с выраженной болью в спине. Им предлагалось на протяжении десяти минут слушать свои любимые музыкальные треки. Уже после этой короткой сессии врачи фиксировали заметное уменьшение интенсивности боли как в состоянии покоя, так и при движениях.
Авторы исследования подчеркивают, что музыка не устраняет саму причину боли. Тем не менее, она воздействует на эмоциональный фон пациента, снижает уровень тревожности и отвлекает внимание, что в сумме приводит к субъективном ...>>
Алкоголь может привести к слобоумию
29.11.2025
Проблема влияния алкоголя на стареющий мозг давно вызывает интерес как у врачей, так и у исследователей когнитивного старения. В последние годы стало очевидно, что границы "безопасного" употребления спиртного размываются, и новое крупное исследование, проведенное международной группой ученых, вновь указывает на это. Работы Оксфордского университета, выполненные совместно с исследователями из Йельского и Кембриджского университетов, показывают: даже небольшие дозы алкоголя способны ускорять когнитивный спад.
Команда проанализировала данные более чем 500 тысяч участников из британского биобанка и американской Программы миллионов ветеранов. Дополнительно был выполнен метаанализ сорока пяти исследований, в общей сложности включавших сведения о 2,4 миллиона человек. Такой масштаб позволил оценить не только прямую связь между употреблением спиртного и развитием деменции, но и влияние генетической предрасположенности.
Один из наиболее тревожных результатов касается людей с повышенным ге ...>>
Случайная новость из Архива Робот с двойной локомоцией
24.11.2025
Робототехника давно вышла за рамки привычных моделей, предлагая новые конструкции. Они уже не пытаются копировать поведение живых организмов, а создают собственные, ранее не существовавшие формы движения. Одной из самых ярких разработок такого типа стал робот TARS3D, открывающий новое направление в исследовании мобильных машин. Эта система демонстрирует, как сочетание инженерной изобретательности и методов глубокого подкрепляющего обучения позволяет перейти к принципиально иной логике передвижения.
В основе проекта лежит идея о том, что многие среды, созданные человеком, гораздо эффективнее преодолевать неморфными конструкциями, то есть формами, которые не имеют биологических аналогов. Адитья Срипада и Абишек Варриер подчеркивают, что традиционная биомиметика ограничивает потенциал робототехнической локомоции. Использование методов deep reinforcement learning позволило исследовательской группе не только воспроизвести известные типы движений, но и сформировать новые паттерны, которые ранее не встречались в роботах.
TARS3D представляет собой прямоугольный корпус с четырьмя телескопическими сопротивлениями, расположенными в Х-образной конфигурации. Такая геометрия обеспечивает плавный переход между двумя независимыми режимами - шаганием и катением. Каждый из выдвижных элементов управляется автономно, что позволяет роботу функционировать как своеобразное восьмиспицевое колесо без ободов. Конструкция дает возможность распределять нагрузку максимально эффективно и сохранять устойчивость даже при сложных маневрах.
Срипада отмечает, что чрезвычайно простая форма устройства обманчива: за внешней минималистичностью скрывается гибкая система, способная работать в режимах, ранее считавшихся несовместимыми. Исследователь подчеркивает, что стремился понять, может ли малосложный робот одинаково успешно катиться и шагать, и результаты испытаний TARS3D подтверждают, что подобный подход не только возможен, но и перспективен.
Практический потенциал платформы охватывает несколько областей. В логистике TARS3D может быстро перемещаться по узким коридорам и преодолевать препятствия в виде кабельных лотков, решеток или даже лестниц. В ветеринарных клиниках и приютах он способен вести малозаметный мониторинг животных благодаря тихому движению. В космической сфере компактность и универсальность дают ему возможность катиться по рельсовым конструкциям, а затем фиксироваться для проведения инспекций, что делает его удобным инструментом для внешних и внутренних обследований модулей.
Особенно важным достижением проекта его создатели считают не только технологическую новизну, но и перезагрузку самого взгляда на робототехнику. По словам Срипады, TARS3D позволяет вернуть то удивление, которое рождается, когда инженерное решение неожиданно начинает работать именно так, как было задумано. Он говорит, что это ощущение похоже на открытие маленькой новой истины о движении, настойчивости и самом процессе поиска.
|
Другие интересные новости:
▪ Реакция на сигарету зависит от представлений о ее составе
▪ Электромобиль Nio ET5
▪ Сетчатка с возрастом не остается неизменной
▪ Спидометр на кроссовках
▪ Горы растут в теплом климате
Лента новостей науки и техники, новинок электроники
Интересные материалы Бесплатной технической библиотеки:
▪ раздел сайта Заводские технологии на дому. Подборка статей
▪ статья Эммануил Сведенборг. Знаменитые афоризмы
▪ статья Почему в 1948 году Нобелевская премия мира не досталась никому? Подробный ответ
▪ статья Персонал лаборатории. Типовая инструкция по охране труда
▪ статья Генератор звуков соловья, поросенка, щенка. Энциклопедия радиоэлектроники и электротехники
▪ статья Немножко цирка. Физический эксперимент
Оставьте свой комментарий к этой статье:
Главная страница | Библиотека | Статьи | Карта сайта | Отзывы о сайте

www.diagram.com.ua
2000-2025