Menu Home

Бесплатная техническая библиотека для любителей и профессионалов Бесплатная техническая библиотека


Мигающие светодиодные сигнализаторы на микросхемах КМОП. Энциклопедия радиоэлектроники и электротехники

Бесплатная техническая библиотека

Энциклопедия радиоэлектроники и электротехники / Освещение

Комментарии к статье Комментарии к статье

Аннотация. Индикаторы режима работы находят самое широкое применение в электронных устройствах, к примеру, в составе системы охранной сигнализации, или, в индивидуальном исполнении, также для имитации ее наличия. Такой индикатор может найти применение в электронных игрушках для создания эстетических эффектов или в качестве контроллера управления проблесковыми маячками в автомобилях специального назначения.

В качестве светоизлучающих элементов целесообразно использовать сверхъяркие светодиоды, которые, благодаря высокой нагрузочной способности КМОП-микросхем серий КР1554 и КР1564, можно подключать к их выходам непосредственно, без ключевых транзисторов.

Мигающие светодиодные сигнализаторы на микросхемах КМОП
(нажмите для увеличения)

Принцип работы. В качестве базовых схемотехнических решений светодиодных индикаторов используются простейшие конструкции на двух и трех КМОП-микросхемах стандартной логики серии КР1554, соответственно, рассмотренные в [1] и [2]. Первый вариант (рис. 1) устройства формирует по две вспышки каждого светодиода со скважностью равной четырем. Это означает, что время свечения светодиода составляет 25% периода вспышки, что субъективно соответствует наиболее четкому вспыхиванию светодиодов. Кроме того, такая скважность в два раза продлевает срок службы маломощных элементов при батарейном питании устройства.

Будем рассматривать работу устройства, считая, что в начальный момент времени счетчики DD2.1 и DD2.2 находятся в "нулевом" состоянии. На элементах DD1.1, DD1.2 выполнен генератор прямоугольных импульсов, с частотой следования около 10 Гц. При переключении элемента DD1.2 в противоположное состояние, напряжение на левой, по схеме, обкладке конденсатора С1, суммируется с предыдущим значением и достигает практически удвоенного значения напряжения источника питания.

Для входных защитных диодов элемента DD1.1 такой режим работы недопустим, поэтому в устройство введен резистор R1, ограничивающий импульсы тока на уровне 1 мА, что уже является вполне приемлемым значением. Этот резистор предотвращает выход из строя защитных диодов и, тем самым, значительно повышает надежность устройства при длительной эксплуатации.

Счетчик DD2.1 срабатывает по отрицательным перепадам счетных импульсов, и, при достижении "третьего" состояния, формирует на выходах "1" и "2" (выводы 11 и 10, соответственно) уровни логических единиц, которые, поступая на входы элемента DD1.3, вызывают появление на его выходе уровня "нуля". Этот логический уровень поступает на вход элемента DD1.4 и, инвертируясь последним, вызывает зажигание светодиода HL2.

Мигающие светодиодные сигнализаторы на микросхемах КМОП
(нажмите для увеличения)

Происходит это благодаря тому, что счетчик DD2.2, как отмечено выше, находится в исходном "нулевом" состоянии, а на выходе элемента DD1.4 формируется уровень логической "единицы" (см. временную диаграмму на рис. 2). Переход счетчика DD2.1 в "четвертое" состояние приводит к погасанию светодиода HL2, а переход в "седьмое" - к его повторному зажиганию. Далее, отрицательным перепадом очередного счетного импульса, счетчик DD2.1 переводится в "восьмое" состояние, и, отрицательный перепад с выхода его "третьего" разряда (вывод 4) приводит к увеличению состояния счетчика DD2.2 на единицу. Теперь, в моменты появления уровня логического "нуля" на выходе элемента DD1.3, происходит зажигание красного светодиода HL1.

Таким образом, происходит по две последовательные вспышки каждого светодиода. Частоту вспышек можно изменять подстроечным резистором R2, а верхнюю границу частотного диапазона генератора можно изменить подбором резистора R3. Если нужно получить не по две, а по четыре вспышки каждого светодиода, необходимо счетные импульсы на вход DD2.2 подать с выхода четвертого (вывод 8), а не третьего разряда (вывод 9) счетчика DD2.1.

Мигающие светодиодные сигнализаторы на микросхемах КМОП
(нажмите для увеличения)

Схема электрическая принципиальная трехсветодиодного индикатора приведена на рис 4. Устройство формирует по три последовательные вспышки каждого светодиода также со скважностью равной четырем. В отличие от первого варианта устройства, счетчик DD2.1 обнуляется коротким положительным импульсом с выхода элемента DD1.4 при достижении "двенадцатого" состояния. Если обнуление не производить, а соединить вход сброса "R" (вывод 12) с "общим" проводом, то будет происходить не по три, а по четыре вспышки каждого светодиода. Счетные импульсы с выхода старшего разряда DD2.1 поступают на вход DD2.2, который формирует кодовые комбинации для выбора одного из трех мигающих светодиодов HL1…HL3.

Скважность, равная четырем, достигается благодаря комбинации управляющих сигналов, поступающих с выходов младших разрядов счетчика DD2.1 (выводы 11 и 10) на инверсные входы "разрешения" "V(&)" дешифратора DD3 (выводы 4 и 5). Его прямой вход "разрешения" ("V", вывод 6) подключен к шине питания, согласно логике работы. При этом зажигание одного из трех светодиодов HL1…HL3 происходит только при совпадении на входах "V(&)" дешифратора DD3 (выводы 4 и 5) двух уровней логического нуля, согласно временной диаграмме на рис. 5.

Мигающие светодиодные сигнализаторы на микросхемах КМОП
(нажмите для увеличения)

Каждый счетный импульс, поступающий на вход счетчика DD2.2 с выхода DD2.1, приводит к увеличению его состояния на единицу. При достижении "третьего" состояния, благодаря цепочке VD1, VD2, R4, счетчик DD2.2 обнуляется, и, далее, цикл работы устройства полностью повторяется. Следует заметить, что указанная цепочка (VD1, VD2, R4), представляет собой полнофункциональный эквивалент двух последовательно включенных элементов DD1.3, DD1.4, т.е. выполняет функцию логического "умножения" сигналов.

Мигающие светодиодные сигнализаторы на микросхемах КМОП
(нажмите для увеличения)

Усовершенствованный вариант трехсветодиодного индикатора приведен на рис. 7. Здесь обнуление счетчика DD2.2 не производится, поэтому он работает в циклическом режиме с полным набором состояний, что позволяет сформировать отрицательные импульсы на четырех выходах дешифратора DD3. Количество светодиодов, по-прежнему равно трем, но подключены они не к выходам дешифратора непосредственно, а через элементы DD4.1…DD4.3. Уровень логического нуля появляется на их выходах, и, следовательно, происходит зажигание соответствующего светодиода при поступлении на любой из входов указанных элементов такого же логического уровня, согласно временной диаграмме на рис. 8.

При достижении счетчиком DD2.2 "третьего" состояния (на выходах "1" и "2" - уровни логических единиц), на выходе "3" (вывод 12) дешифратора DD3 появляется такой же уровень, но, только при выполнении условия совпадения двух уровней логического "нуля" на входах его разрешения "V(&)" (выводы 4 и 5). Таким образом, после трех последовательных вспышек каждого из трех светодиодов HL1…HL3, происходит трехкратное одновременное зажигание всех светодиодов. Входы элемента DD4.4 (на схеме не показан) подключаются к шине питания.

Мигающие светодиодные сигнализаторы на микросхемах КМОП
(нажмите для увеличения)

Мигающие светодиодные сигнализаторы на микросхемах КМОП
(нажмите для увеличения)

Существенно изменить алгоритм работы устройства стало возможным, благодаря применению микросхемы, содержащей в одном корпусе четыре одинаковых RS-триггера с инверсными входами управления (рис. 10). Это означает, что переход RS-триггера в соответствующее состояние происходит по уровню логического "нуля", поступающему на соответствующий вход "R" или "S". При этом на указанных входах перед подачей активного уровня логического нуля должны быть предварительно зафиксированы уровни логических единиц. Такой режим работы обеспечивается с помощью дешифратора DD3, активные выходные логические уровни которого как раз и являются "нулевыми".

В начальный момент времени, счетчики DD2.1 и DD2.2 находятся в "нулевом" состоянии, поэтому на выходе элемента DD1.3 формируется уровень логической единицы, который запрещает дешифрацию состояний счетчика DD2.2, выходные логические уровни которого поступают на адресные входы "1" и "2" дешифратора DD3. Таким образом, на всех его выходах формируются уровни логических единиц, что соответствует начальному состоянию устройства. Поскольку в конце предыдущего цикла на выходе элемента DD1.4 был сформирован короткий отрицательный импульс, все RS-триггеры были установлены в "единичное" состояние, поэтому все светодиоды погашены. При переходе счетчика DD2.1 из "нулевого" в "первое" состояние, уровнем логического нуля с выхода элемента DD1.3 разрешается дешифрация состояний DD3 и на его выходе "0" (вывод 15) появляется уровень логического "нуля". Этот уровень перебрасывает первый (верхний по схеме) RS-триггер, входящий в состав микросхемы DD4, в нулевое состояние, и, одновременно, поступает на анод светодиода HL1. Но зажигания светодиода в этот момент времени еще не происходит, поскольку разность потенциалов на его выводах равна нулю.

При достижении счетчиком DD2.1 четвертого состояния, дешифрация состояний DD3 будет вновь запрещена, и на его выходе "0" (вывод 15) сформируется уровень логической единицы. Поскольку на выходе "1Q" (вывод 4) первого, по схеме, RS-триггера DD4 был сформирован уровень "нуля", это приведет к зажиганию светодиода HL1. Далее последуют три вспышки, со скважностью равной четырем, как и в предыдущих случаях, согласно временной диаграмме на рис 11. В данном случае, отрицательные импульсы на выходе "0" (вывод 15) дешифратора DD3 приводят именно к погасанию светодиода HL1, поэтому при переходе счетчика DD2.2 из нулевого в первое состояние, на указанном выходе "0" (вывод 15) дешифратора DD3 формируется фиксированный (статический) уровень логической единицы, и светодиод HL1 остается во включенном состоянии.

Каждый последующий счетный импульс с выхода генератора приводит к увеличению состояний счетчика DD2.1 а, вслед за ним, и DD2.2. При этом происходят трехкратные последовательные вспышки светодиодов HL2…HL4 с последующей их фиксацией во включенном состоянии. При достижении счетчиком DD2.2 "четвертого" состояния, на его выходе "4" (вывод 9) формируется короткий положительный импульс, который, инвертируясь элементом DD1.4, приводит к установке всех RS-триггеров DD4 в "единичное" состояние и погасанию светодиодов. Далее цикл работы устройства полностью повторяется.

Мигающие светодиодные сигнализаторы на микросхемах КМОП
(нажмите для увеличения)

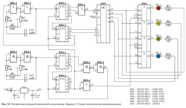
Усовершенствованный вариант четырехсветодиодного индикатора приведен на рис. 13. В его состав введен простейший таймер, состоящий из генератора прямоугольных импульсов, собранного на элементах DD2.1, DD2.2, и счетчиков DD4.1, DD4.2. Таймер значительно расширяет функциональные возможности светодиодного индикатора и позволяет выбрать практически любую длительность цикла работы устройства, начиная от однократной вспышки светодиода HL1, и заканчивая некоторой временной задержкой свечения всех светодиодов после прохождения всего рабочего цикла.

Мигающие светодиодные сигнализаторы на микросхемах КМОП
(нажмите для увеличения)

Логика работы устройства полностью соответствует временной диаграмме, приведенной на рис. 11, с тем отличием, что сигнал установки RS-триггеров микросхемы DD6 формируется счетчиком DD4.2 дополнительно введенного таймера. В отличие от предыдущего, в усовершенствованном варианте устройства работают два независимых генератора прямоугольных импульсов, частота которых выставляется независимо. Это позволяет раздельно изменять, как частоту вспышек светодиодов (с помощью R3), так и длительность всего цикла работы (с помощью R6).

Мигающие светодиодные сигнализаторы на микросхемах КМОП
Мигающие светодиодные сигнализаторы на микросхемах КМОП

Конструкция и детали. Все устройства выполнены на печатных платах из двухстороннего фольгированного стеклотекстолита толщиной 1,5 мм. Размеры печатных плат: первый вариант (рис. 3): 35x50 мм; второй вариант: (рис. 6): 40x70 мм; третий вариант: (рис. 9): 40x70 мм; четвертый вариант: (рис. 12): 40x75 мм; и пятый вариант: (рис. 14): 50x90 мм.

Мигающие светодиодные сигнализаторы на микросхемах КМОП

В устройствах применены постоянные резисторы типа МЛТ-0,125, подстроечные СП3-38б в горизонтальном исполнении, конденсаторы неполярные типа К10-17, оксидные - К50-35 или импортные. Микросхемы КМОП-серии КР1554 обладают высокой нагрузочной способностью (до 24 мА), что позволяет подключать светодиоды к их выходам непосредственно, без ключевых транзисторов. Если сверхъярких светодиодов в распоряжении не окажется, можно использовать и светодиоды стандартной яркости, но, в таком случае, необходимо использовать только ИМС серии КР1554, выходные токи которых могут достигать 24 мА. В схемах генераторов прямоугольных импульсов на месте КР1564ЛА3 (74HC00N) можно использовать также КР1564ТЛ3 (74HC132N), содержащую в своем составе четыре триггера Шмитта.

Этот вариант наиболее предпочтителен при батарейном питании устройств, для повышения их экономичности за счет существенного уменьшения сквозных токов при переключении логических элементов. Благодаря высокой нагрузочной способности КМОП-микросхем серий КР1564 и КР1554, возможно сочетание в одном устройстве микросхем КМОП (КР1564, КР1554, КР1594) и ТТЛШ (КР1533, К555) и даже ТТЛ (К155) серий. Неприменимы в устройствах только микросхемы серий К561 и КР1561, нагрузочная способность которых не превышает 1 мА, даже для приборов серий CD40xxBN. К примеру, на месте DD1 (КР1564ЛА3) может работать ее полнофункциональный ТТЛШ-аналог типа КР1533ЛА3. Поскольку входные токи микросхем ТТЛШ-серий значительно больше соответствующих значений для КМОП-микросхем, необходимо установить подстроечный резистор (R2) сопротивлением 1 кОм, а постоянные (R1 и R3) заменить перемычками. При этом неполярный конденсатор С1 заменяется оксидным емкостью до 100 мкФ, чтобы сохранить постоянную времени генератора.

При питании устройств от маломощных элементов общим напряжением 3 В, интегральный стабилизатор и защитный диод необходимо исключить, а светодиоды подобрать с минимально возможным рабочим напряжением свечения. При использовании на месте генератора микросхемы КР1564ТЛ3 (74HC132N), ресурса элементов питания будет достаточно для нескольких месяцев непрерывной работы. Устройства, собранные из исправных деталей и без ошибок в налаживании не нуждаются и работают сразу при включении.

Литература.

  1. А. Одинец. "Мигающие светодиодные сигнализаторы." - "Радио", №3, 2006 г.
  2. А. Одинец. "Мигающие светодиодные сигнализаторы." - "Радиомир", №9, 2007 г., с.18-21, №10, 2007 г., с.17-20.

Автор: Одинец А.Л.

Смотрите другие статьи раздела Освещение.

Читайте и пишите полезные комментарии к этой статье.

<< Назад

Последние новости науки и техники, новинки электроники:

Власть является ключевым фактором счастья в отношениях 11.03.2026

Исследования семейных и романтических отношений показывают, что длительное счастье пары зависит не только от привычных факторов, таких как доверие, уважение и преданность, но и от более тонких психологических аспектов. Современные ученые ищут закономерности, которые отличают действительно счастливые пары от остальных, чтобы понять, какие механизмы поддерживают гармонию в отношениях. Группа исследователей из Университета Мартина Лютера в Галле-Виттенберге и Бамбергского университета провела опрос среди 181 пары, которые состояли в совместных отношениях более восьми лет и прожили вместе хотя бы месяц. Участники заполняли анкету, описывая различные аспекты своих отношений, включая распределение обязанностей, эмоциональную поддержку и степень вовлеченности в совместные решения. Анализ данных показал интересный паттерн: пары, где оба партнера ощущали высокий уровень личной власти, оказывались наиболее счастливыми и удовлетворенными. В данном контексте под властью понимается способност ...>>

Защищенная колонка-повербанк Anker Soundcore Boom Go 3i 11.03.2026

Компания Anker представила новую модель линейки Soundcore - колонку Soundcore Boom Go 3i, ориентированную на активное использование на улице. Новинка отличается высокой степенью защиты: корпус соответствует стандарту IP68, что обеспечивает водо- и пыленепроницаемость, а ударопрочный дизайн выдерживает падение с высоты до одного метра. За качество звука отвечает 15-ваттный драйвер, обеспечивающий пик громкости до 92 дБ, а технология BassUp 2.0 усиливает низкие частоты, делая звучание более насыщенным. Колонка обладает автономностью до 24 часов, а LED-индикатор позволяет контролировать уровень заряда батареи. Кроме того, Soundcore Boom Go 3i может выполнять функцию павербанка: согласно внутренним тестам, устройство способно зарядить iPhone 17 с нуля до 40% за один час, что делает его полезным аксессуаром в походах и поездках. Среди функциональных особенностей модели стоит выделить технологию Auracast, которая улучшает подключение и позволяет создавать стереопару из двух колонок ...>>

Раннее воздержание от алкоголя перестраивает мозг и иммунитет 10.03.2026

Алкогольная зависимость - хроническое расстройство с компульсивным употреблением спиртного, которое влияет не только на поведение, но и на функционирование мозга и иммунной системы. Недавние исследования показали, что даже на ранних этапах воздержания организм начинает перестраиваться, открывая новые возможности для терапии зависимости. Ученые сосредоточились на пациентах, находящихся в первые недели абстиненции, и зафиксировали значительные изменения в мозговой активности. С помощью функциональной магнитно-резонансной томографии они выявили перестройку сетей нейронных связей, отвечающих за контроль импульсов и принятие решений. Эти изменения могут быть ключевыми для восстановления самоконтроля и снижения риска рецидива. Одновременно с нейронной перестройкой исследователи наблюдали колебания иммунной системы. В крови повышался уровень цитокинов - сигнальных белков, регулирующих воспалительные процессы. Эти данные свидетельствуют о существовании нейроиммунного взаимодействия, при ...>>

Случайная новость из Архива

Нанорезонаторы сделают сотовую связь лучше 19.09.2012

В крупных городах, особенно во время массовых мероприятий, проблемы с сотовой связью не редкость: сеть часто перегружена, люди не могут позвонить, пропускают входящие вызовы и не могут вовремя получить сообщения. Ученые из Университета Пердью создали крошечные механические устройства с электростатическим приводом, которые существенно улучшают работу сотовых телефонов и других мобильных устройств.

Ученые нашли способ наладить массовое производство нанорезонаторов, которые решат многие проблемы сетей радиосвязи. В настоящее время для большого числа мобильных устройств часто попросту не хватает радиочастотного спектра. Для решения этой проблемы нужны более точные фильтры, которые могли бы устранять помехи и использовать для связи узкую полоску выделенной частоты. Сделать хороший перестраиваемый фильтр на основе транзисторов, дросселей и других "традиционных" электронных компонентов очень сложно. Другое дело - нанорезонаторы, которые к тому же потребляют намного меньше энергии.

Сердцем нанорезонатора является пучок волокон кремния около 2 микрон в длину и 130 нанометров в ширину - примерно в 1000 раз тоньше человеческого волоса. При подаче переменного тока, волокна кремния начинают вибрировать из стороны в сторону или вверх/вниз. Частоту и направление вибрации можно настраивать с высокой точностью, к тому же, нанорезонаторы дешевы в производстве, и миллионы подобных устройств можно "упаковать" в один микрочип и интегрировать его в обычную электронику.

Нанорезонаторы могут найти применение не только в коммуникационных технологиях. На их основе можно создавать крошечные датчики для обнаружения и измерения составляющих сложных веществ, таких как определенные белки или молекулы ДНК. Нанорезонаторы также можно применять в медицинских газоанализаторах, пищевой промышленности, для мониторинга качества воды, обнаружения боевых отравляющих веществ и т.д.

Другие интересные новости:

▪ Фотографии помогают поверить в ложь

▪ Tesla выпустит электромобиль-амфибию

▪ Кремниевая фольга

▪ Открыты клетки, излечивающие от акне

▪ Портативный ветрогенератор Aurea Technologies Shine 2.0

Лента новостей науки и техники, новинок электроники

 

Интересные материалы Бесплатной технической библиотеки:

▪ раздел сайта Крылатые слова, фразеологизмы. Подборка статей

▪ статья Правила поведения в лесу. Основы безопасной жизнедеятельности

▪ статья Чем бактерии полезны человеку? Подробный ответ

▪ статья Сорго двуцветное. Легенды, выращивание, способы применения

▪ статья Высококачественный усилитель мощности. Энциклопедия радиоэлектроники и электротехники

▪ статья Видеопередатчик. Энциклопедия радиоэлектроники и электротехники

Оставьте свой комментарий к этой статье:

Имя:


E-mail (не обязательно):


Комментарий:





Главная страница | Библиотека | Статьи | Карта сайта | Отзывы о сайте

www.diagram.com.ua

www.diagram.com.ua
2000-2026